Fórum témák
» Több friss téma |
Szia. Ezt az ötletet én azért vetettem el, mert én szoktam pár V-ot is több Amperrel terhelni. Ilyenkor előfordulhat, hogy fizikailag nem tud elég nagy áram folyni... Váltót meg ezzel sem tudsz terhelni, mert a FETben van egy dióda, és ha az vezet, azon nincs mit szabályozni. Én teljesítményellenállásra gondoltam, de azt sokkal nehezebb hűteni, mint egy FETet.
Valami ilyesmire gondoltam (hogy az erősítősök is örülhessenek
). Persze váltóban csak a 4/8 Ohm menne, de több relével lehetne más is, csak nem tudom érdemes-e. Ezt a fűtőhuzalt szerintem egyszerű lenne hűteni, DC terhelésként az ellenállás változását pedig kikompenzálná a FET-es áramszabályozás.
Hello! Két 4ohm-al nem kell váltó kontaktus és így fele a kontakthiba esélye is..
Igen, csak azért szerettem volna így megoldani, mert így dupla áramot bírna 4 Ohmon.
A hozzászólás módosítva: Máj 15, 2014
Azért arra is van egyszerűbb megoldás..
Úgye mikor az ember nem látja a fától az erdőt
. Köszi.Eredetileg azon gondolkodtam, hogy legyen egy 16 Ohm-os állás is, ezért került bele a morze, de később elvetettem.
Összeeszkábáltam egy megoldást, ilyen lett. Az egyik 4 Ohm, a másik 8 Ohm (nem volt annyi drót, hogy 2x8 Ohm legyen
). Mindkettő kb. 200W-nál kezdett izzani, doboz nélkül, de kapott egy dobozt, hogy kifele tudjam vezetni a hőt ( végül is hajszárítóból van, fújjon ).De lenne egy problémám, hátha valakinek van rá jó ötlete. Amikor az áramot állítom (most egy tápról adom a feszültséget), jól látszik a FET karakterisztikája, az elején (kb. 4V-ig ) lapos, tehát a áram a feszültséggel viszonylag keveset változik, de 4-6V között meredeken nő. Szeretném a meredek szakaszon is finoman állítani. Terveim szerint az alapjelet egy PIC állítaná elő, amiben van 1 db 8 bites és 3 db 5 bites DA konverter. Azon gondolkodtam hogyan tudnám ezt meredekségváltást ezekkel lekezelni. Mondjuk a 8 bites és az egyik 5 bites AD jelét adnám össze egy OPA-val. Ki kellene találni valami jó súlyozást. Lehetőség van még a DA referencia jelét váltogatni (5V táp vagy 4,096, 2,048, 1,024V Uref. ).
Ami eddig megvan belereszeltem egy dobozba, kapott egy tápot, hogy könnyebb legyen méricskélni. A potival szépen tudom szabályozni, így szinte teljesen lineáris a szabályozás.
Felteszek egy kapcsolási rajzot, ha megnéznétek nem követtem-e el valami baklövést (ezek az analóg dolgok nem az erősségem ). Az AC mérés még nem állt össze a fejemben, lehet első körben ki is hagyom az egészet, de ha lenne valami egyszerű ötlet annak legalább helyet lehetne hagyni a nyákon. Mindenesetre valami olyasmiben gondolkodtam, hogy a mérést végző erősítőknél lehetne valami referencia pontot bevezetni, amit egy DA-val állítanék ( meg is hagytam egy 5 bites DA-t), így eltolva a jelet a pozitív irányba ( a PIC csak pozitív jelet tud mérni). Jelenleg minden mérés és DA 2,048V-os referenciajelre van tervezve, de arra gondoltam AC mérésnél ezt átállítanám 4,096V-ra és feltolnám a 0 jelet 2,048V-ra.
Sorkacsonként: 2x5db 10 ohm/6W párhuzamosan, majd 5-5-ösével sorba, azaz sorkapcsonként 4ohm/60W maximális terhelés. Ebből 8db. Szóval variálható, 0,5 ohmtól 32 ohmig.
Labortápegység, erősítő terhelésére ideális.
Szervusztok!
Szeretnék összehozni egy DC műterhelést ami 12V Akkut tud terhelni, 1A felbontásban. A gondolatom az, hogy lenne 20db LM317 áramgenerátoros módban, darabonként 1A-re "pontosan" beállítva. A Táp ebben az esetben maga az akku lenne. Minden kimenetre tennék hűtőbordán egy FET-t. Pl.: IRL540.-t. (Az van itthon) A FET-t kapcsolhatnám külön, akár optocsatolóval, vagy Relével az LM317 bemeneteket. Így 10.5V és 14.5V feszültségtartományban kell stabilan működnie. Lehet favágós módszernek tűnik, de talán annál stabilabb. A véletlen fordított polaritás ellen pedig 1db dióda az akku felől a LM317 bemenetek felé. Megfordítva a dolgot ha töltőnek használom 1A felbontásban, mert ott van benne a sok anyag ![]() Ekkor az LM317-k bemenetére kerülne egy 30A táp, a FET -k közé bekerülne az akku, és így pumpálnám bele a kraftot. Viszont ebben az esetben nem árt a FET és az Akku közé egy dióda... Tehát így LM317-k maradnak áramgenerátoros kapcsolásban. Ami még felmerülhet hogy ebben az esetben az áramgenerátor elé megy a stabil töltőfesz. Pontosabban több.. a feszültségesések miatt. (LM317, dióda,Fet) De mivel a feszültségszintet MCU-val mérem, és elvileg az áramkorlát megfelelően lesz beállítva az éppen kiszemelt akku kapacitásához viszonyítva ez szerintem nem gond. Szerintetek ez így kivitelezhető? Működhet a dolog?
Szia.
A FET-re nem kell hűtőborda, mert az ellenállása bekapcsolt állapotban (jó FET esetén) 0.1ohm alatti. Relével FET-et kapcsolni nem logikus. Optocsatoló sem kell szerintem. Az MCU lábai tudják vezérelni a FET-et soros ellenállással, főleg, ha IRL540-et használsz, ami logikai FET, 5V-ról már nyit. A hozzászólás módosítva: Szept 18, 2014
Persze meg lehet csinálni, csak az értelmét nem látom ennyire elbonyolítani a dolgot...
Szia.
Köszönöm a választ! Igaz, az LM317-t kell inkább hűteni. Lehet félreérthetően fogalmaztam, elnézést érte Szóval vagy FET + Opto, Vagy Pl.: uln28xx + Relé. Az optikai csatolást csak a maximális zavarvédelem miatt gondoltam, hogy az mcu fele biztosan ne tudjon semmi visszamenni. (Pl. ha pl. megy a közelben egyéb zavarforrás) A relére is a galvanikus leválasztás miatt gondoltam, mint lehetőségre. Az 1A áramkorlátok mint felbontás bőven elegendő. A hozzászólás módosítva: Szept 19, 2014
Szia.
Oké, használhatsz optocsatolót, gondot nem okoz. Én FET-et használnék, a relé be tud ragadni egy idő után... Szerintem jó az elgondolás, tényleg faék egyszerű. Meg lehetne kevesebb alkatrészből, olcsóbban is oldani, de az már bonyolultabb lenne. Az átkapcsolást a töltés és kisütés között úgy kell megoldani, hogy ott 20A is folyhat. Ezt is megcsinálhatnád 4 nagyon kis csatorna ellenállású FET-tel. Shift regisztert használva pedig nem kellene 20digitális kimenetet használnod: Bővebben: Link - Ez egy szuper cikk, 8bit-et küld, ebből 3-at egymás után kötsz, és lesz 24bit-ed. Elég drága projekt lesz ez! Maximum 280W-ot kell elfűtened, ez még kezelhető, de jó nagy hűtőbordát használj, ventivel.
Szia!
Bár nem írtam de igen, shift regiszter a megoldás. Lesz rajta elvileg egy grafikus LCD kijelző, nyomógombok, RS-485. Az egész egy 4U magas 19" Rack dobozba szerelném. Hátul jó nagy hűtőborda. Gafly -nak igaza van, lehet picit túl macerás de talán az előnye is megvan. Azért gondolom így mert a kimenetet akár "rövidre" zárva, egyesével "Öntesztet" tud végrehajtani. Vagyis gyorsan kiderül, ha valamelyik 1A áramgenerátorral gond van. (Az MCU ellenőrzi akár szoftveresen is, vezérel és regisztrál töltési és kisütési karakterisztikát.) Az áramgenerátorok kimenetére olvadó biztosíték kerül. Ha véletlen több jönne ki, mint amire tervezve van, egyszerűen kiiktatja magát. Persze megoldható lehet PWM,vagy egyéb nagyobb teljesítményű végtranzisztorokkal stb... Viszont nagyobb az esélye ha behal, akkor nagyon behal. olyankor végképp használhatatlan lehet javításig. Így viszont esélyes hogy csökkent árammal ugyan, de dolgozik. 1-2A kiesik javításig nem gond.) 1A felbontás , akár töltési vagy kisütési ciklusban. Ez számomra bőven elég. Ettől függetlenül nem komplikált utólag akár finomabb felbontást belefabrikálni. Erre 1db LM317 is elég lehet.. Pl. Az egyéb kapcsolóüzemű megoldásokat szeretném kihagyni. Ha működik akkor akár több sorosan kapcsolt akkura is akkumulátoronként 1 ilyen töltő kisütőt szeretnék tenni. Pl ha van 4x12V akku. Természetesen az akkuk soros kapcsolását akkor ez idő alatt megszakítom valahol. (No meg a töltők egymástól galvanikusan el lesznek szigetelve.) Néztem kisütő áramköröket, a legtöbb megoldást izzóval láttam. Valahogy nem szimpatikus megoldás több szempontból sem. Árát tekintve tényleg bonyolult lehet, de ha megnézünk egy komplett "Gyári" DC műterhelést, ami tud pl RS-232-t, stb. az nagyon drága. Igaz profi cuccok, de a tudását ki sem használnám... A nem kihasznált "Tudás" az kidobott pénznek látom. És akkor még a töltő sehol... ![]() Ez természetesen csak az én gondolatmenetem, nyugodtan megcáfolható. Ezért írok a fórumon hogy ezen a téren nálam tapasztaltabb kollégák megerősítését vagy ellenjavaslatát kérjem. Ebben a témában nem túl sok tapasztalatom van és amíg nem fogok pákát,nagy baj nem lehet A hozzászólás módosítva: Szept 19, 2014
Azt még megteheted, hogy 1db LM317-et állíthatóra készítesz el, így tudsz szabályozni 0-1A tartomány között, ehhez még 20 lépésben +1A. Így kapsz 0-20Aig, fokozatosan állítható műterhelést. Egy DAC-kal adsz referencia feszültséget az LM317-nek, vagy PWM jelet simítasz RC elemmel, elég kicsi a Vripple, napokban számoltam.
Ha az LM317-es paneleket külön készíted el, mint egy kártya, akkor ha az egyik rossz, kicserélheted egy jóval. Persze a nagyáramú vezetéknek valami rendes csatlakozót kell keresni. A söntön eső 1.25V-ot tudod mérni, pl. egy LED világít, ha a feszültség 1.2 és 1.3V között van, egyszerű komparátoros kapcsolással. MCU-val tudsz ellenőrizni HIGH vagy LOW szintet, így ha az egyik LM317-es nyák bekrepál, bekapcsolsz egy másikat helyette, és kiírod az LCD-re, hogy x. nyákkal gond van. Szépen el lehet bonyolítani a programot, viszont az elektronika része elég egyszerű lesz. Megjegyzem, LM317-et még nem láttam tönkremenni, a hővédelme szuper (ha közbelép, nem fog 1A folyni, csak kevesebb!), én még nem tudtam egyet sem tönkretenni. 12V 1A pedig meg se kottyan neki. A rövidre zárt kimenetes önteszt-nek nincs jelentősége, ha a söntellenálláson eső 1.25V-ot méred. A projektnek van értelme, egyszerű, és könnyen javítható. A program lesz bonyolult csak. Miben és mivel programozol?
Köszönöm a megerősítést és az segítséget!
![]() Igen az 1db állítható LM317-re gondoltam én is. Én AVR-t és BASCOM -t használom. Át szerettem volna térni C-be, el is kezdtem de igazából még nem akadt olyan projekt amit ne tudtam volna megoldani Bascom alatt. No megy aránylag gyorsan lehet vele haladni. Ezért úgy gondoltam ha égető lesz egyszer, áttérek. Eddig nekem még nem volt olyan projektem. Ezzel egy kis időt és energiát spórolok még magamnak Az áramot egy külön shunt ellenállással gondoltam mérni, de igazad lehet, felesleges nehezék. ![]() Ott vannak az áramgenerátoron rajta, azt végig lehet mérni akár Multiplexer megoldással. 5 másodperces mérési ciklusban bőven jó. Összetett a szoftver, de nem vészes... RS-485 vezérlés - kommunikácíó, PC-re pillanatnyi adatok küldése, töltés - kisütés vezérlése, beállítás - kalibrált értékek mentése külső Pl: at24cxx eepromba, Folyamatos átlagteljesítmény számítása és mentése és Ezen felül sokminden már nincs. Összetett az igaz, de nem vészes! Ami fontos, kap egy belső akku-t ha fáziskimaradás vagy rövidebb áramszünet van, azt áthidalja a szerkezet vezérlése. Pl. egy 4Ah zselés akku-t. Később RS-485 bele lehet tölteni pl. töltési karakterisztikát, stb..
Szeretném Pl. a gerjedést, a Fet-k tönkremenetelétől való teljes használhatatlan állapotot, és egyéb kellemetlen tünetegyüttesből adódó problémákat a minimálisra csökkenteni.
Illetőleg azt sem tudom megjósolni hogy azoknál a megoldásoknál ha 4db sorban kötött akkuk esetében használom, külön a töltő - kisütő berendezéseket, milyen akár egymásra vagy a mérésre ható "interferenciák" kerülnek elő, amiket hajhullásig orvosolhatok. Pl ha 8db. ilyen kütyü megy egyszerre, és ezen felül még érzékeny műszerek is használatba kerülnek a közelben. Tényleg sok alkatrész, ez nem vitás. Viszont ugyanazt az áramgenerátort használnám töltésre és kisütésre egyaránt, ezzel minimálisra van csökkentve a hirtelen elhalálozás lehetősége is. Ahogy kovidivi is írta, és ami miatt én is elkezdtem fontolgatni az LM317 megoldást: " Megjegyzem, LM317-et még nem láttam tönkremenni, a hővédelme szuper (ha közbelép, nem fog 1A folyni, csak kevesebb!), én még nem tudtam egyet sem tönkretenni. 12V 1A pedig meg se kottyan neki. A rövidre zárt kimenetes önteszt-nek nincs jelentősége, ha a söntellenálláson eső 1.25V-ot méred."
Nem vagyok teljesen meggyőződve arról, hogy 20-80 relé 1A DC-ket kapcsolgatva teljesen "zajtalan" lesz
, de majd kiderül.Itt egy másik projekt, hátha találsz benne figyelemre méltó megoldásokat.
Köszönöm, átnézem tüzetesen.
Vagy relé, Vagy FET. esetleg vegyesen
FET legyen! Relének véges számú a kapcsolása, meg hangos is, ívet tud húzni nagy áramnál, beragad, beég az érintkező, a kontaktusok ellenállása megnő, stb. Számomra bizonytalan. A FET, ha jól van beépítve, megfelelő a vezérlése, örök élet plusz egy nap. Reléről ezt már nem mondanám el, főleg nagyobb áramoknál.
Jogos
Helló!
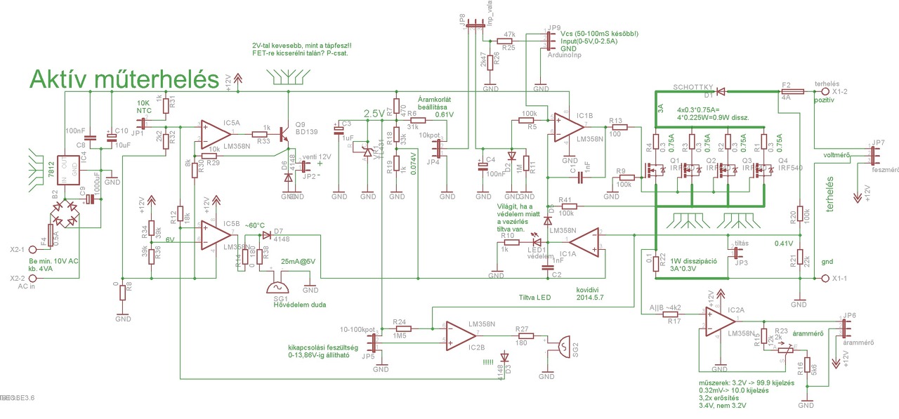
Én ezzel a kapcsolással (ami túl van bonyolítva, de én így szeretem ) , 6A-ig tudok terhelni 1db FET-tel. 48W-ot már melegítettem vele hosszabb távon is, bírta a FET. A kapcsolás alapból is több FET-re van előkészítve. A kapcsolásnak a 80% felesleges, csak az én hóbortom miatt van beépítve. Ha túlméretezed, és 10 FET-et raksz bele, akkor a 20A nem nagy probléma 14V mellett. Biztosítékot lehet akár minden FET-tel sorosan kötni.Ami a kapcsolásban van: automata ventilátor vezérlés, MCU bemenet, amivel lehet a műterhelést vezérelni, kimenet, amin a feszültséget, és áramot mérheted, lekapcsolási feszültség, ami akksinál hasznos, csipog, ha a beállított feszültség alá kerül a bemenő feszültség, úgyszintén csipog, ha túl forró a borda, fordított polaritás védelem (csipog ismét), továbbá letilt a vezérlés, ha üres a bemenet (ez azért fontos, mert ilyenkor egyébként az összes FET rövidzárlatban lenne, így a rácsatlakozás pillanatában óriási áram folyhatna). Számomra tönkretehetetlen. Kívülről MCU-ról PWM-mel vagy sima DC feszültséggel is lehet vezérelni, nálam most 100% kitöltésnél folyik kb. 2.5A. PWM esetén a feszültség hullámzása meg fog látszani az átfolyó áramban, ezzel számolni kell! A hozzászólás módosítva: Szept 20, 2014
Köszönöm, szép munka!
Hóbortom nekem is van bőven Ez a szakmával jár.Ráadásul széles a spektrum amihez érteni kell... mindig van mit tanulni, vagy feleleveníteni, kísérletezni. Igazából a PWM helyett akkor digitális poti-s megoldás is lehetne, mondjuk 10Bit felbontásban. Az 30A esetén 30.000mA/1023 = 29.3mA. lépés. Akkor a pwm-ből adódó hullámzás kiesik mint lehetőség. A Biztosítéknál sorosan be lehet iktatni a töltő áramot is. Akkor mehet a töltése. ezt a részt FET- kapcsolná. A töltő felől viszont egy diódát azért érdemes betenni a + ágba. - Több fet 20A -re, - Egy shunt az R22 helyett 20A-re, -erősítést beállítani és mehet az ADC portra. - Ellenállásosztó és mehet az akku kapocsfeszültsége az ADC portra. - A "hibjelet" - tiltást az MCU-tól függetlenül meghagyni. Pl az alsó fesz-határ figyelését, Így vezérlés meghibásodása esetén sem engedi a túlmerítést. Viszont az MCU-val a hibák jellegét lehet figyelni. Ventillátor vezérlésénél szintén ugyanígy. Ha Olyan a venti, amiben ott a "3 vezeték" Akkor lehet figyelni a fordulatszámot, ha hibás akkor cserére figyelmeztet. Stb.. Ha valamit rosszul logikázom, jelezd kérlek.
Jó a logika! Szépen össze lehet rakosgatni építőelemenként az egészet. Létezik DAC IC is, és akkor nem kell digitális poti. Bár az sem rossz megoldás. A DAC IC-t meg fel lehet fűzni I2C, vagy SPI-re. Nekem az LM317-es megoldás biztosabbnak tűnik, viszont drágább is. Amit én megépítettem, ott van annyi védelem, hogy bármikor tudom javítani, ha kell. Te viszont mint írtad, munkahelyen vagy hol szeretnéd használni, ahova kell a megbízhatóság. Majd Te kitalálod, hogy melyik a jobb megoldás. Bár Ebay-ről nagyon olcsón be lehet szerezni bármit, nagyobb mennyiségben.
Hát igen, a megoldás elgondolkodtató kérdés. Ezt jól meg kell rágni
![]() Nem gondolkodom nagyobb mennyiségben, inkább a megbízhatósága a fontos.
Gyorsban összedobtam egy elképzelést, talán így jó lesz.
Szia!
Hát néztem a 30A tápokat, horror árban vannak. Ráadásul az üzembiztosság jegyében, lehet inkább egy Toroid trafót kellene tennem bele. Ott a púposodó ESR kondik élettartama sem befolyásolná az üzembiztosságot. Toroid esetén viszont már érdemes lehet több leágazással tekertetni, így 24V akku is tölthető lenne. Majd kérlek nézz rá arra az LM317 kapcsolásra, FET-s témában te szerintem jobban otthon vagy.
A tápfesz kapcsolásához csak akkor használhatsz N-FET-et, ha a gate-re a tápnál nagyobb feszültséget tudsz rakni (ugye a D-S közel rövidzár, a G-re még +4-5V kell), vagy P-FET-et használsz. Nem tudom a 317-es ADJ lábán levő FET és dióda szivárgási áramai nem piszkálnak-e bele az áramszabályozásba ( ez pusztán elvi fejtegetés, gyakorlatilag ilyet még nem próbáltam
). Lehet érdemes lenne nagyobb diódákat alkalmazni, nem "pont" 1A-est. |
Bejelentkezés
Hirdetés |




). Persze váltóban csak a 4/8 Ohm menne, de több relével lehetne más is, csak nem tudom érdemes-e. Ezt a fűtőhuzalt szerintem egyszerű lenne hűteni, DC terhelésként az ellenállás változását pedig kikompenzálná a FET-es áramszabályozás. 

).














