Fórum témák
» Több friss téma |
Üdv!
Forgásirány váltás egy polaritás váltó kapcsolóval van megoldva, szóval elektronikának nem kell tudnia. Fékezést nem kell tudnia, elég ha a fordulatot tartja. Az eredeti elektronika PWM-es volt ezért gondoltam én is arra. Annyi lenne amit tudnia kell, hogy potival lehessen fordulatot szabályozni, áram figyelés, És üzembiztos. Azon gondolkoztam, hogy Zosza18 kapcsolását kiegészítem IR2121 IC-vel és azzal hajtom meg a feteket.?
Ahhoz is van áramfigyelés ami tilt ha elérte a szintet, csak én azt nem tettem bele abba.
És azt hogy lehet beletenni? Van valami rajzod hozzá?
Sziasztok!
Van egy PWM szabályozós akkumulátoros fúrógép. Trafóról megy de a 24V-ot sima graetz egyenirányítja, nincs puffer. Tönkrement valószinüleg a FET. Kicserélem, de nem lehet, hogy a hullámzás okoz gondot? Egyébként működött egy ideig.
Lerajzoltam gyorsan Neked. A rajzon rajta van minden infó ami kell.
Köszönöm! Délután neki is állok.
Sziasztok!
Az lenne a kérdésem, hogy mitől van az hogy megépítettem 2 pwm motor szabályzót és az egyik hibátlanul működik a másik viszon egyáltalán nem csak forog a motor max fordulaton? Kicseréltem már az NE 555-es és az összes kondit és ellenállást!
Szia!
Nagy valószínűséggel zárlat van a GND sávok között. nézd át jól a NYÁK-ot!
Szia!
Ma tervezgettem kicsit, Át néznéd véleményezésre? Nem egy végső terv, de jó úton járok e? Azt nem tudom , hogy a 15 V előállításához elég e ez a zeneres megoldás, vagy tervezzek bele egy kicsi nyáktrafót? Gondolom elég lehet, mert ha jól néztem PC tápokban is így oldják meg. Az áramkorlátot át lehet alakítani úgy, hogy potival lehessen 0-4 A között állítani?
Szia.
Reggel megnézem, ma már nem leszek gépközelben.
Köszi!
Szia.
Átnéztem gyorsan a rajzodat és kicsit belejavítgattam. Átjavítottam a zener-es részt fesz. stab. IC-re, az áramkorláthoz pedig etettem egy 100Ohm-os Potit, amivel lehet szórakozni az áram beállítással és egy Jumper is helyet kapott a tranyónál, hogy ki lehessen kapcsolni az áramkorlátot ha netán nem kellene. Megcsináltam a másik változatot is ami zener-es, mint a Te elképzelésed, csak egy kicsit tovább gondoltam és rámentem a biztosra, hogy bírja a kiképzést. ![]() Mindkettő működik, de a tápfeszültség határozza meg melyiket használod. A stab. IC-nek véges a bemeneti feszültsége! A hozzászólás módosítva: Szept 4, 2014
Most meg én nem vagyok gépközelben, délután meg nézem. Köszi!
Így ebben a formában nem javaslom a megépítését mert tele van hibákkal.
CSak néhány: -Áramkorlátozni úgy nem lehet ha a TL494 OC lábát a földre húzod. Azzal csak átmész 0-95% kitöltésből 45-45% ra tehát gyakorlatilag csak a ti esetetekben semmit nem fog csinálni. - A TL kimenete nincs lehúzva a földre. - Nem látok 1db pufferkondit sem a főkörben. Le lehet spórolni de annak a fetek isszák meg a levét. Megjegyzem apró kis motoroknál ez nem gond (néhány amper) de mint írtad majd szeretnél csinálni egy nagyobb vezérlőt, ha ott is lespórolod a tápfesz a feteken lüktetni fog (feltéve mekkora a betáp induktivitása). -Ha már ott van az IR használjátok annak az áramkorlátját. -Irányváltó kapcsolónál mindenképp kell jó áramkorlát mert 10-20x-os áramtranziens is lehet ha nem várod meg míg leáll a motor és hirtelen váltasz irányt. -A fetek S-G lába fel van cserélve. - gate meghajtásnál hatalmas az áramhurok ráadásul együtt fut a főkörrel. A teljesség igénye nélkül kezdésnek ennyi elég lesz. Módosítsatok mert ez így tényleg nem lesz jó. üdv.
Szia!
Köszi az észrevételeket! Őszintén megmondom, hogy siettem reggel és hanyagul néztem át a rajzot. Módosítom értelem szerűen amik a hiányosságok. Az áramkorlátot egy működő kapcsolási rajzból illesztettem be, amit megépítettek. (ha lehet hinni a neten az embereknek.) Úgy írták, hogy letiltja a kimenetet, ha eléri az értéket. Néhány rajzot láttam már tl494-el és ott is így oldották meg, persze attól még lehet, hogy a gyakorlatban nem úgy működik. Én nem építettem be az enyémbe, de a legnagyobb amit készítettem, az 60A-t enged át és hibátlanul működik, bár FET meghajtó nélküli. Ezt a meghajtót nem ismerem igazán így nem is néztem az áramkorlátját, hogy ki kivel van.
Szia! Kicsit átrajzoltam a pwm szabályzót. Át raktam az áramkorlátot az IR2121-re, és raktam bele lehúzó ellenállásokat a TL kimenetre. A fet azért van fordítva, mert alul lesznek, így van hely a dobozban. Puffer kondi az eredeti kapcsolásban sem volt. Van benne egy szűrő ami megakadályozza, hogy a hálózatra vissza szórja zavarokat, utána egyenirányítás majd fetek.
A motor 200V DC és 400W tehát 2 A-t vesz fel. Ha jól sejtem így 0,12 Ohm ellenállással nem egész 2 A-tol a 5 A-ig lehet állítani. Szerinted így jó? Előre is köszi a választ! Peti
Sziasztok!
Erre én is kíváncsi vagyok (lennék), ha már egy szabályzó születik. Mivel lehet megnézni a lay6 kiterjesztést? Üdv!
Szia! Sprint layout 6.
Itt a sima lay kiterjesztésű is.
Hello!
- Cimópata már írta, hogy ez az áramszabályozás nem ér semmit és mélyen igaza van.. - Szerintem a 494 ilyen alacsony frekin nem működik már helyesen. (erről is volt már szó)
Köszönöm!
Ezek szerint majd le kell töltenem az új verziót a webről. ![]() Én nem alkalmazom ezt az ic-t, így ehhez nem igazán tudok hozzászólni. De egy apró kérdés merült fel számomra. Az FET-ek biztosan jól vannak feltüntetve? Merre lesz a hűtött felület?
Sziasztok. Valami átok ül rajtam. A harmadik itt az oldalon található 555-ös pwm vezérlőt rakom össze és mindig az a vége. Nem lehet szabályozni. De miért? Mindig más alkatrészekből csinálom, és ugyanaz a vége. Az első ez volt : 1 a második ez : 2 - itt az történt, hogy poti tekerésre vagy azonnal indult, vagy szépen nagyon lassan pörgött fel a motor. Attól függ hogy állt a poti. A harmadik pedig ez : 3 Az előző kettőt elbontottam, azok nem lényegesek, most a harmadikat gyúrom. Teljes fordulattal forog a rá kötött motor, semmit nem szabályoz, nem értem....Szkóppal nézve a fet gate-jét a potméter tekerésére a frekvencia változik ,a kitöltési tényező nem, vagyis 100% kitöltésen megy. A diódák nálam 1n4148 helyett 1n4001 és a fet IRFZ48 helyett irfz44, a timer pedig NA555
A hozzászólás módosítva: Okt 2, 2014
Szerintem még a rajzod sem jo (legalábbis nem tudom mit linkelsz, mert már annyi link van az irásodban). Az 555-s kimenete Q, és azon kellene tudnod PWM-t mérni a teljesitmény tranyo nélkül (ha már oszcival is rendelkezel).
Itt az oldalon van egy marék bevált kapcsolás, neked egyet sem sikerül eddig belinkelned, igy azt sem tudjuk mit épitesz.
Üdv!
Nem tudom mit rontottál el, de a első és a második kapcsolásnak is működnie kellene. ( a harmadikat nem tudtam megnézni, nincs olyan progim ami lay fájlt megnyit.) A másodiknak linkelt kapcsoláshoz hasonlót már megépítettem több példányban és működik.
Nem átok az, csak esetleg nem jól tervezed a nyákot, nem jól hidegíted a tápot... stb.
Mindig hasonlóan nem úgy csinálod, ahogy azt kellene: bár a rajzon nem szerepelő, de amúgy nagyon lényeges dolgokat nem veszel figyelembe. A harmadiknak mellékelt nyákrajz ráadásul rossz. - A stab-IC kimeneti oldalát nem hidegíti kondenzátor, mert az rövidre van zárva, nem megy a földre. - A motor árama által átjárt földpont-drótszakasz másik felén lóg a stab-IC, így annak közös pontjának potenciálját emelgeti a motor árama által keltett drótmenti feszültségesés, de a időzítő kondenzátor meg nem ehhez az emelgetett potenciálú ponthoz képest végzi a feladatát. Ilyenkor csillag-topológiájú földpont kell, azaz a motor árama sehol se menjen olyan dróton, ami az 555 időzítő és a tápját stabilizáló áramkör része. Úgyhogy a harmadik nyáktervvel sikerült összehozni a rossz (hiányzó) hidegítést a rossz vonalvezetéssel A hozzászólás módosítva: Okt 2, 2014
Mester. Akkor olvasd el a hozzászólásomat rendesen. 3- linket is betettem, miért mondod, hogy nem linkeltem semmit? Irtam, hogy az első kettő gyakorlatilag lényegtelen, inkább koncentráljunk a harmadikra, mert most az van az asztalon bekötve. Ha jobban megnézed, a 3.-link egy LAY file-ra mutat. Ráadásul a marék jó kapcsolás közül választottam, innen az oldalról, de mind BiG irásából kiderül rossz. Szóval nem akarom mégegyszer belinkelni, ha akarsz segiteni, akkor olvasd el amit irtam, ha nem akkor meg ne mondd, hogy nem tudtam belinkelni.
Értem. Köszönöm. Igazából a stabilizátort, én nem épitettem be, mert 12v-os a motor amit szabályozni szeretnék. De hogy rossz a nyákterv is....na ez az én formám. Akkor megpróbálom javitani.
Átforrasztottam a kondit, átnéztem mindent, rendesen a rajz szerint van, én komolyan nem értem, ennyire nem vagyok béna
Az 555-ös új, a poti 100k, a fet jó kimértem, de fet nélkül a gate-en is ez a helyzet, nem értem. A diódákon fűrész jeleket mérek a földhöz képest, ezt jónak gondolom. De miért a frekvencia változik a kitöltés helyett. Ez már vicc számomra.
Ahogy itt a kollégák már irták az elsö kapcsolásod az egyik alapkapcsolás s ha az nem megy akkor valoszinüleg nálad egészen más baj van. Igy nem kell épiteni még két másikat, hanem feléleszteni az elsöt. A 3. Linket meg sem tudtam nyitni, ( állitolag rossz is a NYÁK)
Ahogy irtam, hagyd békén a FETet meg a többi vackot, egyelöre arra kellene koncentrálnod, és ott mérned, ahol a kimenet van (3. Láb Q). Az kizárt, hogy az 1. kapcsolásban a frekvencia változzon. Minden más ilyen esetben felesleges idötöltés. A hozzászólás módosítva: Okt 3, 2014
Ok. Kicsit katyvasz a dolog, akkor megpróbálom mégegyszer, egyértelműen leirni a problémát.
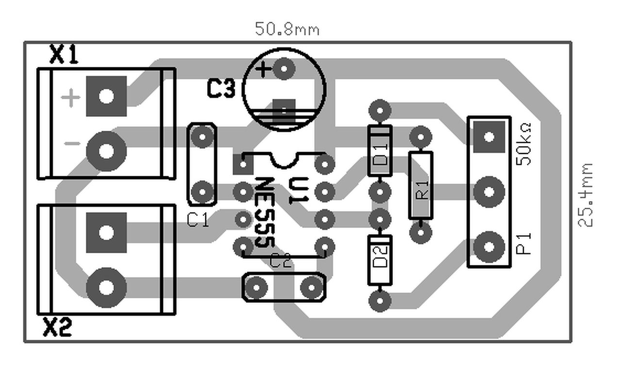
Tehát, adott egy nyákterv, rajz nélkül ami alapján épült a dolog, ezt a lenti mellékletben csatolom. Itt vannak az elkészült nyákról képek, fentről és alulról. KÉP1 KÉP2 KÉP3 Az adott probléma, hogy a kimeneten teljes kitöltéssel megy a feszültség. A potméterrel a frekvencia szabályozódik, a kitöltés nem. Amit eddig ellenőriztem : A diódákat kimértem. A potméter állását beépitve megmértem, tökéletes. IC jól van beépitve, FET-et ellenőriztem, ez jó. 555-ös új, és jól van beépitve. 1k-ellenállás jó. A nyákot kisipoltattam, ahol kicsit is kérdéses, hogy esetleg összeér, ott nem ér össze. A FET perpill az ellenőrzés miatt ki van véve, de mindjárt megy vissza. Alul csatolom a jelenlegi nyák tervet, ezen az általam módositott bekötés, azaz az aktuális helyzet látható. Ha szükséges egy szkópos videót tudok csatolni a kimenetről. Szerintem egyébként, ez a sima 555-ös kapcsolás, ami itt van az oldalon. Szerk : Szerintem EZ AZ ami alapján készült. A hozzászólás módosítva: Okt 3, 2014
|
Bejelentkezés
Hirdetés |








Az 555-ös új, a poti 100k, a fet jó kimértem, de fet nélkül a gate-en is ez a helyzet, nem értem. A diódákon fűrész jeleket mérek a földhöz képest, ezt jónak gondolom. De miért a frekvencia változik a kitöltés helyett. Ez már vicc számomra. 




