Fórum témák
» Több friss téma |
Fórum » Csöves erősítő készítése
Ne feledd betartani a fórum viselkedési szabályait, és a topik megmaradásának feltételeit. [link]
A téma átmenetileg fagyasztva lett, hozzászólni nem tudsz!
Szia !
Hátha segít valamit a mellékelt doksi. A hozzászólás módosítva: Okt 12, 2014
Imivel használtuk PL500 PP-nél 2db/csatorna. Illetve én használtam PL82PP-nél csatornánként 1db-ot. Próbára jó volt de sokat nem lehet várni tőle. SE-nél nem is próbáltam mert nincs benne légrés és GU50-hez a keresztmetszete is nagyon kicsi.
Tanulságos kis olvasmány. Addig szeretném csak a junoszty trafóval használni amég nem sikerül tekercselő rézhez jutnom. Van itthon pár hipersil mag,amiből kiváló kimenőt tudnék tekerni. Sajnos csak 24V / 24V tekercsek vannak rajta,így jelenleg nem tudom használni. Ez a rész még várat magára,most még be kell kötnöm a csövet és meghalgatni.
Nem illik hozzá, azonkívül a PP trafó nem használható SE erősítőhöz. Egy jó nagy elektromágnes lessz belőle.
A hozzászólás módosítva: Okt 14, 2014
Véleményem szerínt ha valaki csövest épít, akkor jót építsen. Erre a GU50 nem alkalmas. Ha csöves, akkor legyen minimum 300B, de inkább olcsóbban EL84, 6L6, vagy 6550 PPerősítő. Én terveztem egy teljesen szimmetrikus 6L6 PP erősítőt TauCeti néven. Hatalmasat szól, 600 rugóig nehéz megszorítani. Az SE erősítőket nem ajánlom a problémás mály átvitel miatt. Mi megmértünk pár SE 300B-t, és az jött ki, hogy 4 Watton 4,5% a torzítása. Minden SE ezt csinálja. Ennek egyetlen egy előnye van: a gyenge hangszórók hibáit eltakarja. 8W-al nem lehet zenét hallgatni egy átlagos hangfalon.
A közönséges hiperszil magoknak randa a hangjuk. Jobban jársz EI, vagy M vassal. Keress magánba.
Idézet: „Erre a GU50 nem alkalmas” He - he csak hiszed nem kéne le irni ezt a csövet mert neked nem tetszik ettől még okozna számodra meglepetést elhiheted ,bátran össze merném vetni akármivel a GU500 pp -ét.
Erre mit is tudok válaszolni. Mivel RF cső, biztos jó az átvitele a felső tartományban, ahol már senki sem hallja. Valószínűleg könnyen gerjed is, mivel RF oszcillátornak is ajánlja az adatlapja. Ezenkívül ha olyan bazi jó lenne, akkor olcsósága miatt a NOS csöveket felhasználó cégek, mint pl. az Audio Note, már 15 éve ezzel építene. De nem. Kezdő erősítőnek persze jó, de ez miatt kidobott pénz, mert előbb-utóbb kiderül, hogy nem szól szépen. Meglepetést nem okoz, mivel már volt szerencsétlenségem hallgatni ilyen kütyüt. Hogy Neked legyen meglepetésed, felajánlom hozd el hozzám, hasonlítsuk össze az én PP erősítőmmel.
Off: Nem tudod mi az a felkiáltójel a nevem mellett? On
Viszont én tudok erre válaszolni , nem számit mit ir az irodalom melyik csövet mire szánták ezt ebben az esetben ellehet felejteni ha te katalógust hallgatsz akkor sajnálom és egyúttal javaslom próbáld ki és építs egy GU50pp ét hisz neked a kimenő tekerés könnyen megy ezért rendes normális kimenőt hozzáteszel és máris lesz eredmény ami nem kicsit fog meglepni !
Nem tudom kinek a GU50 pp erősítőjét volt szerencséd hallani de akkor az egészen biztos nem az én általam épített volt és egészen biztos nem megfelelő körítésben voltak a csövek és valami gányolt kimenővel volt ellátva ! A kérdésedre meg hogy a nagy neves cégek miért nem építenek ilyen csővel azt tőlük kérdezd! A felkiáltó jel az figyelmeztetés , egészen biztos nem ide illő dolgot követtél el !
Igen, meg csöves cuccok építéséből. Még abban is benne vagyok, hogy építsünk kaláka erősítőt, mondjuk EL84-ből. Kapcs rajzot, és kimenőt adok hozzá. Páran összedobjuk, és a fiataloknak való tapasztalat átadása miatt itt valaki közli. A NYÁK tervezést is magamra vállalom. Lsd. fénykép
Nem építek GU50-ből, mert én 6L6-ból, és 6550-ből építek, mert azok audio csövek, és sugártetródák. Szóval akkor nem élsz a meghívással?
Szívesen tekerek neked is trafót, sőt felajánlom, hogy építsd meg a TauCeti-t GU50-ből. Mivel teljesen szimmetrikus felépítésű, így sokj előnye van, lehet a GU50 is jobban szólna vele. Lehet lenne egy HighEnd erősítőd.
Nekem az SE mély átvitelével nem volt problémám és tény, hogy egy ellenüteműnek alacsonyabb a torzítása. De mint írtad, 600 ezres kategóriában már mások az elvárások.
Azzal viszont nem értek egyet, hogy 8w-tal nem lehet zenét hallgatni. Szerintem meg is őrülnék, ha 1-2-3w-nál nagyobb teljesítményen kellene sokáig zenét hallgatnom (mondjuk nálam reggeltől estig megy valami).
Aha értem! Egyébként igen, és küldtem privit. Keress meg.
Irigyellek, hogy ennyit tudsz hallgatni. Az SE erősítőknél pont a kimenő légrése a baj. Az miatt a primér induktivitás alacsony, az meg korlátozza a mélyeket. Ahogy növeled a kivezérlést, a jel mélyfrekis összetevője úgy esik össze. Szkópon jól le4het látni, hogy mondjuk 0,75Watton még nincs probléma 30 Hz-n, de 3Wattnál már 50-60Hz-n is torzul a jel, 20Hz meg már értelmezhetetlen. Ez miatt kell érzékeny hangszóró, lásd AN hangfalak milliókért. Azok elég jók, de azt hiszem, itt nekünk lőtávolon kívül esik sajnos. Gondolkozz el a TauCeti kapcsolásán, segítek neked még abban is, hogy hova milyen C-t, R-t (nem drágát) kell betenni. Még nem döntesz, felteszem a blokksémáját, hogy lásd, lássátok miről van szó.
Ha moderátor olvassa a témát lehetne egy kérdésem? A csöves erősítős topicban nem számít OFF-nak ha arról a fajta trafóról beszélünk ami csöves erősítőkhöz való ugye? Elnézést kérnék ha tévedek. Azért kérdezem mert cím alapján szerintem bármi ami az elektroncsöves erősítő építéshez való,annak itt a helye nem? (Persze van mondjuk a nagyfeszültségű egyenáramú tápegységnek is topicja,de csak kérdésként teszem fel.)
Tudod hogy van, sok idő-kevés pénz, vagy fordítva.
Mi a helyzet az 300b erősítőddel (JJ csövekkel), ha jól emlékszem anno eléggé meg voltál elégedve vele.
A csövek egy Indexes kolegánál köszönik szépen jól vannak. Nem építek magamnak SE-t a hibái miatt. Én szeretem a LED Zeppelint is, azt meg nem bírja, illetve átáltam egy darabig az ESL hangfalakra, amihez az SE még a 211-es 27Wattja is kevés volt. Mostmár nincs ESL, van helyette AMT, és a nagy dinamika, meg a jó felbontás miatt áttértem a PP csövesekre, és ezeket ajánlom mindenkinek. Jelenleg egy ARC D51-es klónt hallgatok, aminél biztos van jobb, de én megmaradok mellette. Így néz ki a belseje:
Sziasztok!
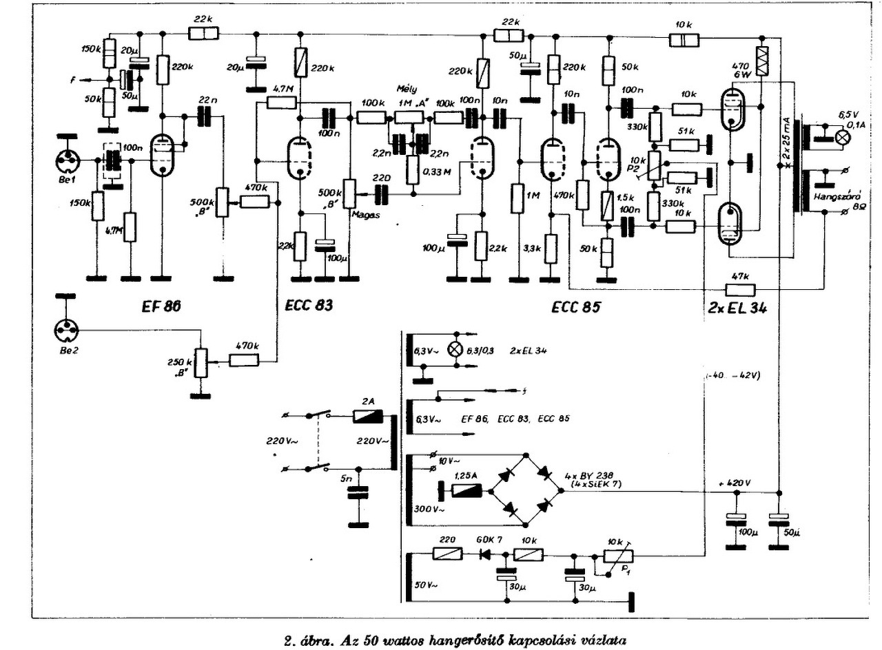
Ma készen lettem a készülődő 50W-os Csöves Erősítőm táp trafójával, le is fújtam matt fekete festékkel, és ugyan úgy a két kimenő trafót is, így már jobban tetszenek!. Volna azért egy kérdésem hozzátok hogy jó lesz e így a tápegység ahogy le rajzoltam a lapra?, ez volna a végleges tápegység terve, már ha jó lesz?. A tápegységbe be iktattam párhuzamosan két 150k/2W-os ellenállást a 220µF kondenzátorokkal párhuzamosan, és így ki egyenlítődnek a feszültségek a kondenzátorokon, eredetileg a tápegység IGY volt megoldva, de a régi rajzon nagyon közel jár a kondenzátorok a feszültség bírásához (450V), és az anódfeszültség pedig 420V!, így gondoltam azt hogy meg oldanám hogy inkább be teszek két kondenzátort a tápegységbe sorosan, velük pedig párhuzamosan egy egy 150k/2W-os ellenállást, így már meg duplázódik a kondenzátorok feszültség bírása is!. A kérdés az hogy a 150K-ellenállás jó lesz e oda, vagy csökkenteni kell 47K-ohmra?.
Szia!
Szépen kimunkáltad a kapcsolást, nekem tetszik. Nézz meg valahol egy gyári osztást a sorba kötött szűrő elkóknál, de szerintem a 150 kOhmmal is jónak kell lennie és a kikapcsolás utáni kisütéshez is jó az érték. Véleményem szerint...
Kár, hogy lefestetted! Nézd meg az én 40 Wattos kimenőimet , milyen szépek festés nélkül.
A tápod nem jó. az EL34-ek fel fognak izzani mint a kenyérpirító. A hiba ott van, hogy a cső rácsa a -Ug részéről nem igényel áramot. Ezért az előfeszednél a potik végén semmilyen állásban a fesz nem fog változni, azaz nem tudod a munkapontot beállítani. A fényképen látható megoldás azért jó, mivel minden cső feszültsége külön állítható, az egymásra hatás minimális, és a feszültség állítható, mert feszültségosztónak vannak bekötve a potik.
Szia!
Köszönöm, igyekeztem, hisz ez lesz az első komolyabb csöves erősítőm!. Az ötletet a Jolida Sj 502-estipusbol merítettem, mondjuk ott 47K-ohos ellenállások annak be téve, viszont a számítógépek tápegységeiben a puffer kondenzátorokkal párhuzamosan meg 150K-ellenállások vannak,ezért vacillálok a két értek között, hogy melyik volna a jobb?.
Szia!
Tehát akkor a 20K trimer potiknál van a hiba?, és úgy kellene meg csináljam az élőfeszültséget (-U) ahogy a rajzodon van?.
Látom, a tijeid szépek, csak ezek már kicsit rozsdás trafók voltak, és csúnya volt egy kicsit, ezért kapott festést!.
A kisütő ellenállást növelném inkább 270k-ra, mert az alatt általában megpörkölődnek az R-ek, ha nagy a kapacitás. De ennél fontosabb, hogy készíts egy hidegített feszültség osztót az ECC csövek fűtésének megemelésére. Az Érték pár volttal legyen több, mint a csövek katódfeszelye. Ekkor nem lessz búgásod garantáltan. Az ECC83-at fűtsd 12,6V-ról, és ott hagyd ki a 100 Ohmokat, helyette a fesz emelést a kilences "fűtés közép" lábra kösd. És bizony, az ECC83nak, mivel első, és nagy erősítésű cső, mindenféleképpen egyenáramú fűtést kell, hogy adjál, mivel különben búgni fog. Ha a trafód 6,3V-os, akkor bátran használj feszültség kétszerező kapcsolást. Hidd el megéri. Egyébként jó a táp, kérdés csak az, hogy a 47 Ohmos ellenállás elszenesedik-e. Ha az Ua feszkód rendben, akkor miért növeled a táp belső ellenállását feleslegesen? Csak a dinamikát csökkented vele, mivel az áram az ellenállást fűti inkább. Nem látok a meghajtóhoz tápot, amin azt értem, hogy nincs csatolásmentesítés. Ennek hiányában (külön RC szűrő az ECC83-nak, s az ECC82-nek) A végfokod megint csak zajos lkessz. Ezek nélkül össze se szereld. Egyébként tényleg jó a táp. Csak még egyet változtass rajta, amit megint csak nem fogsz megbánni: A táp utolsó kondija legyen a nempoláros kondenzátor, mert annak a hatása így érvényesül a hangban. Ja! és a 10 Ohmos ellenállás is felesleges.
Mondjuk az eredeti rajzon is így volt az előfeszültség beállítása ha megnézed, csak az egyik fórumtárs egy kicsit át alakította a rajzot hogy könnyebben lehessen be állítani!.
A 47k elégne, s meglásd 10 bekapcsolás után a 150k is megfog barnulni. :o)
Igen, én ezt ajánlanám.
Ha meg kérlek szépen nem tudnál csinálni nekem egy rajzot hogy hogy is gondoltad el amit le írtál?. Ha le rajzolnád egy lapra az is jó volna?.
A rajz rossz. Látom RT-ből van kimásolva. Ha már ekkora csövest építesz, akkor én inkább egy ARC kapcsolást dolgoznék át. Abban igaz 6FQ7 a meghajtó, de simán be lehet tenni bele az orosz 6N1P-t, vagy egy kicsit kissebb tápot beállítva az ECC88-at. Én nemrég építettem meg, és kiválóan szól. Megterveztem a NYÁK-ot is, eltudom küldeni. Igaz ez 6L6-ra van, de simán jó benne az EL34 is. Én a tápot kicsit másként csináltam mint a gyári, mert tekertem hozzávaló trafót.
Nálam a lényeg hogy ECC83-as ECC81-es és EL34-esekkel legyen fel építve az erősítő, és egy két sávos hangszín is legyen a kapcsolásban. Itt Romániában csak ezeket a típusú csöveket tudom be szerezni ujj onnan , használt nem érdekel, és a lényeg az hogy a kimenő trafóm már ehhez a kapcsoláshoz van meg tekerve, és már nem fogom át tekertetni egy másik típusú rajzhoz, így is sok pénzembe van már a két kimenő! Ha van valami ötleted a végfok újra tervezésében akkor szívesen meg halgatom!. Ahogy le írtam jó volna ha tudnál csinálni egy rajzot a tápegységről, és a végfokról is egy lapra hogy hogy gondolod el ahogy a legjobb volna.
|
Bejelentkezés
Hirdetés |













