Fórum témák
» Több friss téma |
Fórum » LED-es kivezérlésjelzők
Témaindító: KeserűCukor, idő: Márc 27, 2006
Témakörök:
Szisztok új vagyok ilyen téren
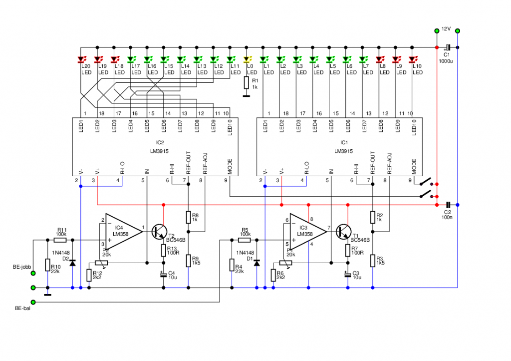
![]() van egy lm3915 ös ic-m és stereoba szeretném kötni és a 20 -20 ledet szeretnék rá kötni vagy is nem egyet kötök egy lábra ha nem 2 sorosan . Van valami ötletetek hogy csináljam melyik kapcs rajzal vagy hogy bírni fogja e az ic ??? ja és teloról laptoprol fog be menni a jel(jack) nagyon várom az ötleteket
Hello! Ezt építsd meg, és akkor működni fog. Az IC a két soros Led-nek még örülni is fog.
akkor el fog bírni 40 ledet köszönöm az infót és a gyors választ
El, de a Led-ek árama kb. 13mA körül lesz. (De ne kapkodjál, nyugodtan használd a Shift gombot és az írásjeleket!)
okés. Lenne egy kérdésem hogy a kapcsrajz meg van neked valamilyen program formátumba ?? én eaglet használok
A hozzászólás módosítva: Nov 10, 2014
Viccelsz? Ezt a sasban megrajzolni (ha van gyakorlatod vele) negyedóránál nem tart tovább. Én egyébként CIRCAD programot használok, amit általában más nem. De Alkotóval van egy egyességünk, hogy munka file-t nem adunk ki. Legyen másnak is egy kis dolga, ha változtatni szeretne valamin. Végül is a fórumnak (részemről) ez a célja..
A hozzászólás módosítva: Nov 10, 2014
Hello! A különbség a skálázásukban van. A 3914-es lineáris, a 3915 és 16-os logaritmikus, de más léptékű. A fül hallásgörbéje logaritmikus, ezért általában azt használják. Te pedig azt, ami számodra szimpatikusabb kijelzést ad..
Néztem videókat az interneten mindegyikről, és akka jutottam, hogy mindegyik IC-nek nagy az érzékenysége. Tehát a ledek nagyon hamar gyulladnak ki egymás után, igy egy kissé hangossab résznél már az összes led világít. Ezt én nem szeretném. Melyik az az ic amelyiknek kisebb ez az érzékenysége, vagy ez állítható?
Az érzékenységet csökkenteni feszültségosztóval, növelni erősítővel lehet. Előbbihez elég egy poti is a bemenetre.
Köszönöm a választ!
Rossz videókat néztél, vagy hibás következtetést vontál le.
A logaritmikusság éppen azt jelenti, hogy "pszihésen" is igazodik a kijelzés az érzékelésünkhöz. Ez lefordítva annyit jelent, hogy egészen kis hangerőnél is már felvillanak az első ledek, és brutális hangnyomás kell az utolsókhoz. Máshonnan közelítve, sokkal kisebb a feszültségkülönbség az első ledek között mint az utolsóknál. Tehát egyértelműen a 3915 használatát javaslom. A lineáris kialakítás az nem ide való, abból pl. feszültség vagy hőfokmérőt lehet készíteni. Itt látsz egy mérést, ami remekül mutatja amit próbáltam leírni.
Szia! A kérdéseben szereplő mindhárom IC-nek a 7. oldalon üsd fel az adatlapját!
Láthatod hogyan osztják fel különböző ellenállásokkal a referenciafeszültséget a 4-es és a 6-os láb között.
Megépítettem az LM3916-os kivezérlésjelzőt, működik meg minden, de nem tudom, hogyan lehet a pont/oszlop között váltani. A adatlapját nézem, de nem tudtam tudtam rájönni, hogy akkor most hova is kössem a 9-es lábat. Tudna valaki segíteni?
" For bar mode, connect pin 9 to pin 3."
Üdv!
Szeretném megépíteni ezt,de nem tudom az összes alkatrész kisilabizálni . Tudna valaki alkatrész listát adni? Még annyi lenne a kérdésem,hogy ha csak kékre szeretném kell e az ellenállást változtatni?Előre is köszönöm!! A hozzászólás módosítva: Nov 30, 2014
Pedig minden alkatrész jól láthatóan fel van tüntetve .A ha csak kékre szeretnéd az mit takar ?
Csak kék ledeket. Nem tudom minden alkatrész nevét!
A használni kívánt led színe nem határozó , és befolyásoló tényezője a kapcsolásnak.
Melyik nevét nem tudod ?
Pl. a ledeknél lévőket ami a ellenállás és a ledek között van,milyen típusú konik,2k7.
Hello! Nem egy csepp lustaságról van itt szó? De előbb egy nyák rajzot kellett volna kinézni vagy készíteni. Mert potiknak egy trimmert választottam hozzá, annak illeszkedni kellene a nyákhoz.
Led miatt nem kell változtatni, de azt nem vettem a listába.
Mondjuk tranzisztor jó , így ?
Vagy 1N 4148 as dióda ez esetleg ? A hozzászólás módosítva: Nov 30, 2014
Igazán KÖSZÖNÖM!! Nem lustaság,mert a nagy részét én is így kerestem ,de hiába írtam be a keresőjébe nem tudtam kiválasztani mivel nem tudom mi a neve!!!
Köszönöm az eddigi segítséget! Lenne még 1 kérdésem,ágankét el bír 2 db ledet?
Köszönöm,nem is gondoltam másként,tudom a ledeket csak is sorba nem párhuzamba kell kötni!
Sziasztok
Sikerült megépítenem a stereo kivezérlőm ez alapján : LinkCsak egy ic lábon nem nagyon bírja a 2 ledet ha minden igaz 20 miliamperes egy led. Mivel tudnám ezt megoldani úgy hogy az ic ne erőlködjön?
Ugye sorba kötötted a két LED-et? A LED áramot te állítod be, lásd az adatlapot!
Ezt olvastad?
Igen sorosan és mind a kettő halványabb lett
![]() 1 led bemenet és 11 led bemenet hez egy 68R kell használnom?? Akkor egy lábon 2 led is simán működhet?? A hozzászólás módosítva: Dec 1, 2014
|
Bejelentkezés
Hirdetés |











