Fórum témák
» Több friss téma |
Fórumtársunk kapcsolása, például két 555-tel. A P1 a frekvenciát, a P2 kitöltési tényezőt állítja.
A hozzászólás módosítva: Máj 15, 2015
Bocs a műv. erősítős nem ide való, mint ahogy az attiny-s sem.Bővebben: Link
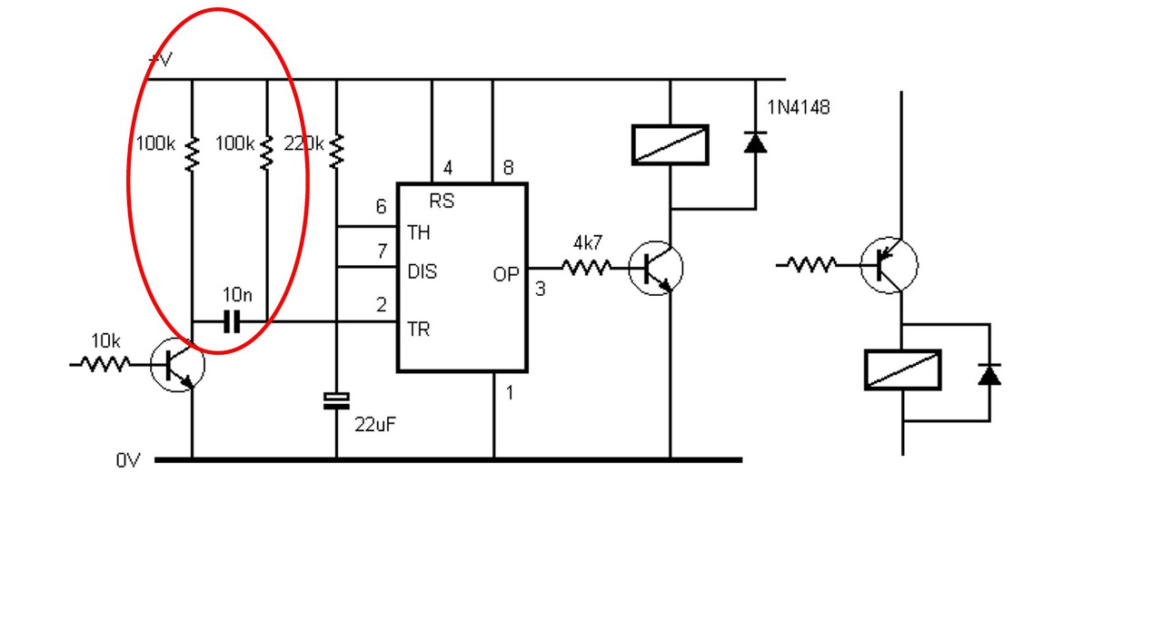
Hello! Itt találsz egy egyszerű PWM kapcsolást. Nem kell 12V-ról járatni, lehet 5V is a tápja és akkor nem léped túl az MW bementi paramétereit. Esetleg C5 kondi kapacitását növeld meg 22nF-ra, hogy ne legyen a freki nagyobb mint 1kHz.
A hozzászólás módosítva: Máj 16, 2015
Nagyon szépen köszonöm!
Kipróbálom így mit tud.
Sziasztok.
Segítséget kérnék egy 3 másodperces időzítőhöz,lehet tranzisztoros is lehet. A mőködés a következő: az átamkör kap 12V ot,meghúz 3mp múlva elenged,de a12V-ot nem veszem el tőle. Köszi a segítséget.
555 -el készült monostabil multivibrátor, alapkapcsolás. Vagy az adatlapjáról, vagy a fejlécben található segédprogrammok alapján elkészítheted, az időzítő elemek értékeit kiszámolhatod.
Köszi,de azon már túl vagyok.Az a problémám ,hogy ha a nyomógombot folyamatosan nyomva tartom akkor bukott ez a mutatvány,de lehet hogy te másra gondolsz.
RCR tag bekötésével orvosolható...
Köszi.
Úgy néz ki ez működik.Még egy kicsit nyaggatom.
Sziasztok! Sikeresen megépült a szabályozható áramgenerátos táp power ledhez. A kérdésem az lenne hogy ha 2 db 1000 mA-es áramgenerátort párhuzamosan kapcsolok akkor az áramok elméletileg összeadódnak. Valóban így van? Próbálta már valaki?
Szia Mindenki,
Évek óta használok 555-t de most megakadtam. Meg lehet oldani azt, hogy trigger jelre kb. 40 mp.-ig legyen kimenet utána vissza nullára de csak akkor ha egy fényérzékelő (fotoellenállás) sötétet észlel. Plussz öröm ha tudnám állítani a fényérzékenységet. Minden ötletet, rajzot hálásan fogadok.
Szia!
Az nem derült ki a kérdésedből, hogy a trigger jeltől függetlenül működni kell a fényérzékelésnek vagy sem, tehát ha "világos" közben lenne indítójel, amikor úgyis "1" szinten kellene lenni a végső kimenetnek. Egy 555 nem tétel, egyszerű lenne megcsinálni a 40 sec-es időzítést és egy másik 555 menne ( vagy bármi más ) trigger üzemben a fotoakármivel és a két áramkört logikai VAGY-ként kapcsolnád össze. Világosban az írásod szerint úgyis "1" szint kéne a kimeneten. A hozzászólás módosítva: Jún 4, 2015
Csak akkor szeretnék a kimeneten jelet ha van trigger és sötét van. Világosban trigger esetén is legyen 0 a kimenet. Így érthetőbb?
Erre elég egy 555-ös vagy kell az 556?
Egy felhúzó ellenállással kel a resetet bekötni, és a fotoellenállással egy NPN tranyót vezérelni, ami negatívot ad a reset lábra. Így ha világos van, hiába lesz trigger jel el sem indul az időzítés. De az 555-ös 10mp felett már nem igazán pontos, Azt csak Te tudod mire kell...
Kössz az ötletet, kipróbálom. A 40 mp. nem kőbe vésett, pár mp. ide-oda nem számít.
Első verzióként kipróbáltam a képen látható kapcsolást de csak nem akar menni.
Tud valaki segíteni, mit rontottam el? köszönöm.
Hello!
- Először is az időzítés akkor működik, ha a reset bemenet magas szintű. Ez pedig így akkor lenne most, ha világos van, nem sötét. - A trigger bemenet alacsony szintre indul el, tehát a nyomógombot és az ellenálást fel kell cserélni..
Na igen, ha elolvasnám a leírását akkor talán úgy csináltam volna, de én csak vaktában forraszgattam.
![]() Máris módosítom a szerkezetet. Köszönöm, hogy rámutattál a butaságomra.
Üdvözlet fórum társak.
Szeretnék építeni egy impulzusrelét 556 - ös Íc vel de nem találtam jó kis kapcsolást eddig ebben kérném a segítségeteket. Egy olyan áramkőrt szeretnék összehozni ,hogy impulzus hatására húzzon meg egy kis relét és mindaddíg maradjon behúzott állapotban míg egy újabb impulzust nem kap. A második impulzusrelé ismét impulzus hatására húzzon meg és egy beállított idő letelte után engedjen el. Tudnátok ilyen kapcsolásban segíteni esetleg? Köszönöm előre is.
Hello! Bizonyára, de így egy kissé hiányos a kérés.
- Nem írtad, hogy az impulzus egy lefutó, vagy felfutó feszültség impulzus, vagy egy független nyomógomb. - Nem tudni, hogy a két áramkörnek van-e köze egymáshoz. Vagy is ugyan az az impulzus működteti mind kettőt, vagy sem. Tehát pld. az egyik kimenet minden impulzusra átvált, a másik pedig minden bejövő impulzusra késleltet. - Nem írtad, milyen hosszú időzítésre (tartományra) gondoltál és az milyen arányban van az indító impulzussal. Vagy is az indító impulzus megszűnik-e az időzítés alatt, vagy sem. Mert ezek a lehetőségeket, lehetséges megoldásokat befolyásolják. Mert az elsőre itt találsz megoldást, másodikra pld. itt.. De esetleg leírhattad volna, mire szolgálna és mit vársz el az áramkörtől, vagy mi lényeges a működés szempontjából, mi nem . A hozzászólás módosítva: Jún 13, 2015
Szervusz!
Köszönöm válaszod érdeklődésemre!Elnézést ha kicsit hiányosan írtam de én csak hobbi szinten foglalkozom áramkőr építéssel ezért vannak dolgok amiket nem ismerek. De igyekszem a feltett kérdésekre válaszolni. Két független áramkőrről lenne szó melyek egy elektromos kapu vezérléséhez kellenek.Az egyik impulzusrelét egy távirányító áramköre indítaná ami úgy működne hogy a távadó gombját megnyomva kapna egy indító jelet az impulzusrelé és mindaddig meghúzott állapotban marad míg nem kap a távadóról ismét egy jelet. A második kapcsolás ami tartalmazna egy időzítőt is az lenne a szerepe hogy Amikor a kaput nyitják akkor kap a relé egy impulzust ami által meghúz a relé és a beállított időzítés letelte után pedig kikapcsol majd egy újabb jelre ismét be.Így működe elméletben a kapcsolás próbáltam részletesen leírni a lényeget remélem sikerült is. És mindkét áramkőrt negatív impulzussal indítanám ez még lényege lehet. Köszönöm.
Az első áramkörre akkor megfelel a BTN-555P-sch kapcsolás (ami az előző linken van), a másodikra pedig ez.
Szervusz!
Köszönöm a segítséget rendes vagy! Ebben a kapcsolásban lehet mondjuk 30 perces időzítést is beállítani?Mert az ügyfél kb fél órát szeretné a lámpát bekapcsolva hagyni aztán kikapcsol.
Hello! 30 percre semmiképpen. Az 555-nek (analóg időzítésnek) már az 1 perc is az ésszerű felső határa. Ilyen hosszú időre már számlálót illik alkalmazni, pld. CD4541-et.
("Nem írtad, milyen hosszú időzítésre (tartományra) gondoltál " De látod ez van, mikor nem olvasol el tüzetesen valamit, és nem válaszolsz a kérdésekre. Akkor csak pingpongozunk feleslegesen..) A hozzászólás módosítva: Jún 17, 2015
Szervusz!
Az a baj hogy nálam is mindig változik az igény mert a megrendelő mindig agyal valamin.Esetleg egy kapcsolást kérhetnék úgy hogy impulzussal indítom és tudjon legalább fél órát vagy esetleg többet?Mert akkor megtervezném az áramköri lemezt és jövőhéten betudnám építeni a helyére a vezérlést. Köszönöm a türelmet.
Hello! Kerestem egy rajzot és átfirkáltam..
Üdv, érdekelne, hogy lehet e egy 555tel és egy egyszerű kapcsolással összehozni olyat, hogy úgy viselkedjen, mint egy impulzusrelé? Mármint összezárom 2 lábát, akkor zárna, és összezárom megint, akkor pedig elengedne?
Valami hasonlóra gondolsz? Ezek közül is talán a csatoltra lenne szükséged.
Sziasztok!
Azért fordulok hozzátok mert a napokban a gyári timer megadta magát ami a fényképezőhöz volt és szeretnék csinálni egy egyszerűt hamar (ha rendelnék már nem érkezne meg). Úgy gondoltam, hogy egy 555 IC-vel kéne egy rövid jelet küldeni a fényképezőnek hogy bizonyos időnként csináljon egy képet. Nem kell hogy állítható legyen, fix 5 vagy 6 másodperc elegendő. A fényképező kábele 3 eres, egy az élesítésnek és egy az exponálásnak megy, a harmadik meg gondolom hogy a gnd. elemről szeretném működtetni, és a legegyszerűbb módját keresném a hiba kijavítására. Válaszaitokat előre is köszönöm! Üdv.: Patrik. |
Bejelentkezés
Hirdetés |

















