Fórum témák

» Több friss téma
Fórum » NYÁK terv ellenőrzése
 
Témaindító: Paso, idő: Okt 4, 2005
Lapozás: OK   136 / 203
(#) proli007 válasza niedziela hozzászólására (») Ápr 14, 2015 /
 
Annak ellentmond a nagy BD-k beültetése.. A kicsiről meg nem is lehet tudni, helyes-e.
(#) niedziela válasza proli007 hozzászólására (») Ápr 14, 2015 /
 
Nem tudom milyen BD-t szántak bele, de a BD lábkiosztása általában ECB, az meg pont a másik feléről stimmel mint a BC
Szinte 100% hogy ez a nézet bottom oldal
A hozzászólás módosítva: Ápr 14, 2015
(#) niedziela válasza niedziela hozzászólására (») Ápr 14, 2015 /
 
Fentről nézve, ahogy azt rajzolni szokás igy néz ki.

jlhjpg.JPG
    
(#) reloop válasza nzozz hozzászólására (») Ápr 14, 2015 /
 
Erre gondoltam. Milyen típusú végtranzisztoraid lesznek?
(#) ktamas66 válasza don_peter hozzászólására (») Ápr 15, 2015 /
 
Jó lesz, csak maradjon elég anyag a szélén, mert különben letörik. Szerintem bővel lenne helyed egy nem SMD opto lábait széthajlítva (mint a szélesebbeknek) SMD-ként felrakni.
(#) don_peter válasza ktamas66 hozzászólására (») Ápr 15, 2015 /
 
Még szélesítek rajta, mert kb egy 2mm-es csatornát fogok az SMD opto alá vágni.
Már megvettem az alkatrészeket, így ez marad, működnie kell szerintem gond nélkül.
Kap egy vastagabb lötstop réteget és majd jó messziről kapcsoljuk be
Gondolkodom azon is, hogy ki kellene önteni, hogy ne keljen annyira az érintésre figyelni...

Ez amúgy működne kisebb AC feszültségről is?
Gondolok itt pl. egy trafós 9v-ra.
A hozzászólás módosítva: Ápr 15, 2015
(#) ktamas66 válasza don_peter hozzászólására (») Ápr 15, 2015 /
 
A gyártók kb. 1mm-rel megelégednek.
Működhetne kisebb feszültségről is, de akkor a 120k ellenállások meg a 22V zener biztos nem kellene bele .

bemarás.JPG
    
(#) Rezneki Henrik hozzászólása Ápr 15, 2015 /
 
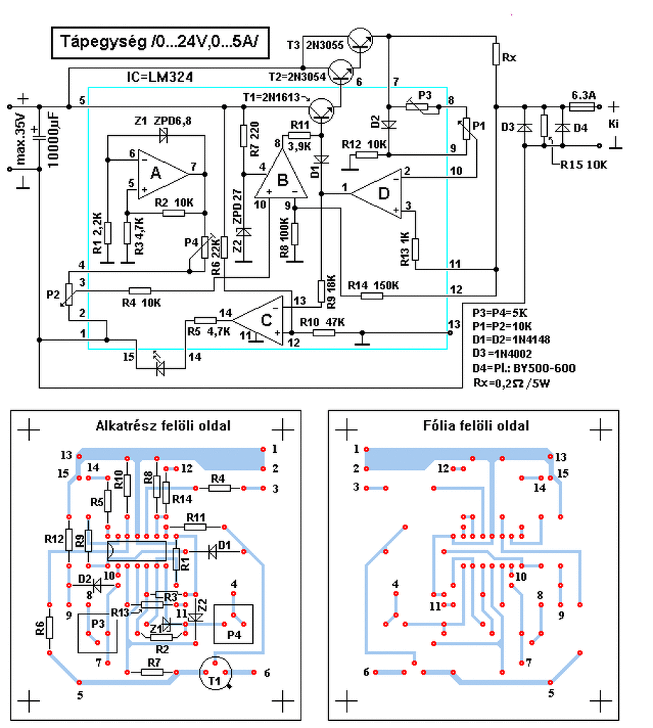
Sziasztok! Négy csatornás mono erősítőt szerettem volna csinálni, tda7293 ic-vel. El is készült, de valamit csúnyán elronthattam, mert az ic az első néhány bekapcsolás alkalmával elcsattan. Hol elsőre, hol ötödikre. Többször átnéztem, de nem találtam meg mi lehet a hiba. Talán nem is a kapcsolást követtem rosszul, hanem a nyáktervezés során csináltam valami technológiai bakit. Nem lenne csoda, nem értek hozzá. Mindenesetre nem jó és ez az ic annyira nem olcsó, hogy tovább kísérletezzek. Nagyon hálás lennék, ha egy hozzáértő ember átnézné.
A kapcsolást is idebiggyesztem. Nem az egészet csináltam, de amit csináltam azt ez alapján.

(Most nézem, nem egyértelmű. A vcc+ mellettt egy csatlakozó van a mute funkcióhoz. A terven csak két forrpont szimbolizálja.)
A hozzászólás módosítva: Ápr 15, 2015
(#) reloop válasza Rezneki Henrik hozzászólására (») Ápr 16, 2015 /
 
Szia! Elég átgondolatlan terv, a táp és a kimenet vezetősávszélessége kritikusan alacsony. Az 5-ös láb nem érintkezik véletlenül? A mute-t a pozitív tápra kell kötni.
(#) Rezneki Henrik válasza reloop hozzászólására (») Ápr 16, 2015 /
 
Szia!

Az ötös láb nincs bekötve a kapcsoláson, ezért annak a helyén hoztam ki egy sávot. (nem forrasztottam be)
A mute pozitív tápon van. A feliratot helyeztem el pontatlanul.
Az átgondolatlanság oka, hogy nem értek hozzá és nincs gyakorlatom. Kicsit nagyobb dologba fogtam, mint szabad lett volna. Ezt már be kell fejeznem, mert túl sok pénz van benne és egyébként is, olyan nincs, hogy nem tudom megoldani, ha segítséggel is.

Ha kell, újra elkészítem a nyákot, de mielőtt újratervezem, szerettem volna tudni mik a legfontosabb javítandó hibák, amik a leírt hibához vezethettek.

A két sáv milyen széles legyen? A többi sáv rendben van? A kuszaságon kívül látsz még hibát ami esetleg hibához vezethet?

Köszönöm, a segítséget!
(#) nzozz válasza reloop hozzászólására (») Ápr 16, 2015 /
 
Köszönöm a válaszokat!
Azért nem értem igazából ezt az alkatrész oldal/fólia oldal problémát, mert én azt gondoltam, hogyha az eredeti NYÁK -on lévő felirat stimmel, akkor azt csak egyszerűen átrajzolom, nyomtatás előtt tükrözöm és kész. De így már ebben se vagyok biztos...
A tranzisztorokat még nem tudom, az általad linkelt NYÁK -ot már egyszer elrontottam, azért nem akartam mégegyszer ugyanazt.
(#) niedziela válasza nzozz hozzászólására (») Ápr 16, 2015 /
 
Idézet:
„eredeti NYÁK -on lévő felirat stimmel, akkor azt csak egyszerűen átrajzolom, nyomtatás előtt tükrözöm és kész.”

Igy van, ennyi a dolog.
(#) nzozz válasza niedziela hozzászólására (») Ápr 16, 2015 /
 
Tehát a csatolt NYÁK rajz rendben van (az ellenállásnál a rövidzárlatot javítottam), csak a vasalásos NYÁK készítéshez majd tükrözni kell (mint általában)?
(#) reloop válasza Rezneki Henrik hozzászólására (») Ápr 16, 2015 /
 
(#) reloop válasza nzozz hozzászólására (») Ápr 16, 2015 /
 
A hibásan feltüntetett CBE jelzésekkel együtt, vagy ennek ellenére a BD139-et nem tudom jónak látni. Nézzük a rajzot! A bázisa Q1 kollektorhoz, emittere Q3 bázishoz, kollektora Q4 bázishoz kéne kapcsolódjon A rajz.
(#) rockersrac hozzászólása Ápr 16, 2015 /
 
Sziasztok! Ezt átnéznétek nekem, hogy jó-e? Előre is köszönöm!
(#) Rezneki Henrik válasza reloop hozzászólására (») Ápr 16, 2015 /
 
Nagyon köszönöm! Kérdezettem volna előbb is...
(#) szucsistvan123 hozzászólása Ápr 18, 2015 /
 
Helló ét tudnátok nézni jó e ez a terv? Mert nem akar működni.
(lemásoltam a rajzról, de nem biztos hogy jó )
(#) villanyipi hozzászólása Ápr 21, 2015 /
 
Sziasztok!
igyekszem egy kutya(villany)pásztort készíteni de belegabalyodtam hogyan kéne kábelezni hogy ne keresztezzék egymást a vezetékek valamint mivel nagyon kezdő vagyok segítséget is szeretnék hogy lenne a legjobb elhelyezni az alkatrészeket hogy a delej oda kerüljön és akkor ahol annak lennie kell .
Elkezdtem a tervet bénázok vele de feltöltöm azért, minden segítséget előre is köszönök szépen.
(#) pjg válasza villanyipi hozzászólására (») Ápr 21, 2015 /
 
Először vásárold meg a szükséges alkatrészeket.
(#) proli007 válasza villanyipi hozzászólására (») Ápr 21, 2015 /
 
Hello!
Nincs itt gond, ezt sajnos sokat kell gyakorolni. Aztán majd kialakul..
- Már az IC lábszámozásával is gondod van. Az 1-es lába jelölt, és onnan szépen körbe megy a lábszám. Nálad a 2-es és 5-ös láb van összekötve, a 2 és 6-os helyett.
- A két trimmer potinak közösítve van a lába. Hol látsz Te ilyent a rajzon? Egyébként ha van három soros alaktrész (dióda-trimmer-ellenállás), akkor azt bármilyen sorrendben sorba kötheted, ha az számodra kedvezőbb a nyákon..
- Elsőként az egymáshoz közeli alkatrészeket próbáld egymás mellé tenni.
- Egyébként az elvi rajzon is van hiba, a 470kohm-hoz menő dióda fordítva van berajzolva.
(#) villanyipi válasza proli007 hozzászólására (») Ápr 21, 2015 /
 
Nos mindkettőtöknek írom ezt, alkatrészek itt vannak azzal nem lenne gond, a trimmerek bekötése számomra örök háború mert nagyon ritkán találom el pláne ha több van, a diódát tudom hogy fordítva van a tervezője ezt közölte is, és igen látom az összekötést utolsó átrajzolásnál elszúrtam első kettőnél még jó volt Nekifutok újra de lehet az már nem ma lesz mert hajnali ébredés nincs is túl messze .
A hozzászólás módosítva: Ápr 21, 2015
(#) kokozo hozzászólása Ápr 22, 2015 /
 
  1. Retro macro pack első teszt :)
(#) villanyipi válasza proli007 hozzászólására (») Ápr 22, 2015 /
 
Üdv!
találtam egy másik áramkört ami szimpatikusabb is bsselektronikán lemásoltam de légyszíves nézz rá hogy jól tettem-e és akkor megy a rajzolás.
Köszi előre is
Bővebben: Link
(#) kiborg hozzászólása Ápr 22, 2015 /
 
Sziasztok!

Terveztem egy AVR-es vezérlőt. NYÁK-ra ránézne-e valaki, hogy van-e benne valami hiba ? Nem elkötés vagy tervezési hiba, hanem esztétikai vagy gyárthatósági, túl közel van valami valamihez, stb..

lamin_vez.pdf
    
(#) kokozo válasza kiborg hozzászólására (») Ápr 22, 2015 /
 
Szia!
Talán ha az avr jobb oldali legfelső és a felső sor jobb oldali lábát felcserélnéd ha lehet, akkor a jobb felső csavar alatti talán csatlakozó bal oldali középső lábához futó vezeték jobban elférne, mert szerintem az nagyon közel van, bár ehhez át kellene írni a program lábkiosztását azt meg nem tudom hogy át tudod e.
(#) kiborg válasza kokozo hozzászólására (») Ápr 22, 2015 /
 
Szia!

Az a JTAG programozó bekötése. Szabvány szerinti lábkiosztás a csatlakozóban és az AVR-ben is. Sajnos nem felcserélhető. (max egyedi kiosztású programozóval, de azzal meg nem szimpatizálok)

ui:fura,mert megnéztem a nyáktervezőben, ott a két két csatlakozó láb között elfutó vezeték két oldalán azonos távolság van, míg a pdf-en nem mitől van ez ?
A hozzászólás módosítva: Ápr 22, 2015
(#) qvasz2 válasza kiborg hozzászólására (») Ápr 22, 2015 /
 
Az alkatrész közepét jelölő szálkereszteket kapcsold ki, mert egy csomó zárlatot csinálsz!!!
(#) kiborg válasza qvasz2 hozzászólására (») Ápr 22, 2015 /
 
Természetes
(#) qvasz2 válasza kiborg hozzászólására (») Ápr 22, 2015 /
 
Milyen vastag az a vezeték, ami bemegy a JTAG lábai közé? Le kéne vékonyítani, mert így össze fog érni!
Következő: »»   136 / 203
Bejelentkezés

Belépés

Hirdetés
XDT.hu
Az oldalon sütiket használunk a helyes működéshez. Bővebb információt az adatvédelmi szabályzatban olvashatsz. Megértettem