Fórum témák
» Több friss téma |
- Ez a felület kizárólag, az elektronikában kezdők kérdéseinek van fenntartva és nem elfelejtve, hogy hobbielektronika a fórumunk!
- Ami tehát azt jelenti, hogy a nagymama bevásárlását nem itt beszéljük meg, ill. ez nem üzenőfal! - Kerülendő az olyan kérdés, amit egy másik meglévő (több mint 17000 van), témában kellene kitárgyalni! - És végül büntetés terhe mellett kerülendő az MSN és egyéb szleng, a magyar helyesírás mellőzése, beleértve a mondateleji nagybetűket is!
Sziasztok!
A mellékletben egy erősítő kimeneti és bemeneti ellenállását kellene meghatározni amihez kérnék egy kis segítséget. A bemeneti ellenállást gyakorlaton valahogy úgy mértük, hogy sorba kötöttünk egy ellenállást és annak addig változtattuk az értékét amíg a bemeneti feszültség fele lett az ellenálláson azt hiszem. Így a belső ellenállás egyenértékű azzal a mérő ellenállással. Nem tudom ez így jó-e, és hogy számoljam a képen látható kapcsolásnál a bemeneti ellenállást, mivel ott van egy Rs és az Rg. A kimeneti ellenállást is hogy számoljam? Az üresjárási feszültségből vonjam ki a terhelt feszültséget, és osszam el a terhelésen átfolyó árammal? Előre is köszi minden segítséget!!! A hozzászólás módosítva: Máj 4, 2015
Sik ilyen modult beépítettem, de nem találkoztam ilyen hibával. Elvileg ott akkumulátornak ( LIR ) illene lennie.
Akkor nem is lenne baj szerintem, de ez van benne a feliratok: CR2032 EVE 3V Litium battery
Szerintem ez sima elem Akkor kreálok bele valami diódát, mielőtt valami baja lesz.
A linkelt oldalon a rajzon van egy angol szoveg az elemmel kapcsolatban, azt olvastad?
"A nem toltheto CR2032 elem hasznalatahoz vedd ki az R5, D1, R4, R6 alkatreszeket es R6-ot csereld egy drotra." A hozzászólás módosítva: Máj 4, 2015
Sziasztok!
Van egy mobil töltőm ami 5V 500mA-t tud szolgáltatni. Ha rádugok egy olyan eszközt ami 1A-t venne fel, akkor mi történne? Kb. max 500mA-t adna le továbbra is, vagy megpróbálná az 1A-t leadni és tönkremenne a töltő?
Szia!
Ha eléggé intelligens a töltőadaptered, akkor 500mA-re korlátozná a kimenőáramot és nem égne le. De ha nem...
Az Rs és az erősítő bemenő impedanciája (legyen=Rbe) egy feszültségosztót alkot, amelynek feszültségviszonyai ismertek. Ezek után 35mV=60mV*(Rbe/(Rbe+Rs)) ebből Rbe=2,8 KOhm.
A kimenő ellenállást pedig úgy számoljuk ahogy írtad. (14,28Ohm)
Kalibrálni ezeket nem lehet. Ha panelen lévő fekete bogyót átforrasztod a vezeték helyére, megtudhatod, hogy mi okozza a pontatlanságot.
(Az ember addig tudja a pontos hőmérsékletet, amíg csak egy hőmérője van
Ha már kettő van, megjelenik a kétség... )Az eltérés mindig ugyanannyi, vagy változik a hőmérséklettel? Milyen irányú a különbség (többet, vagy kevesebbet mutat, mint a referencia hőmérő) ? Ugyanahhoz a hőmérőhöz hasonlítottad mindkettőt? Ugyanott, ugyanolyan körülmények között voltak a külső hőmérők? Azért kérdezem ezeket, mert elég eltérő hőmérsékletek lehetnek attól függően, hogy egy hőmérőre rá tud-e sütni a nap, falhoz közel van-e stb. Nekem van egy időjárás állomásom, annak meghatározott hőmérőházat kellett készítenem, fehér színűt, 2 méter magasságban van a hőmérőház, szabad, füves terület felett, ez a szabványos. Lehet változtatni a külső hőmérő által mutatott értéken, de az eltérés jellegétől függően, más megoldással lehet kísérletezni, és az eredmény is jobb, vagy kevésbé jó lesz. (A "legjobb" az volna, ha mindig kb. ugyanannyi fokkal mutatna többet.)
Hello! A bementi ellenállás számításod jó, de a kimenti közel sem. De csak ránézésre.. A kimentet 5k terheli, melyen 1,4V esik, a belsőellenálláson meg 0,4V esik, aminek Ohm-os értéke van, miközben az áram közös?
![]() Néha érdemes egyszerű "nagyságrendi rátekintéssel" meggyőződni egy eredmény lehetséges helyességén..
Ez egy NTC vagy PTC, és a vezeték ellenállása közbe hozzáadódik a mérő ellenállás ellenállásához.
Első teszt: leforrasztod a vezetékről a "bigyót", és beforrasztod a panelba, megnézed, van-e különbség: ha van, akkor az gond. Ha nincs, akkor a vezetéket kell lecserélni vastagabbra, hogy ne essen rajta semekkora feszültség. Ezt kellene először megejtened. Másodjára az is érdekes lenne, ha megcserélnéd mindkét érzékelőt, harmadik lehetőség: megcserélni mindkét érzékelőt, de hosszú kábel nélkül. Ha ezeket megcsinálod, és leírod a differenciát, akkor ki fog derülni, hogy ki a ludas. Simán lehetséges, hogy a gyári kalibrálás így sikerült, esetleg az idők során elmászott valami. A két érzékelőt össze kellene csiptetni egy fa csipesszel, vagy lehet, és megvárni, amíg a forrasztás miatt felmelegedett ellenállás lehül teljesen. Ez lehet akár 10-15perc is!
Igen, igazad van. A válaszomban csak a számítás módjára figyeltem, ahogyan a kérdező is írta és közben elütöttem valamit a számológépen. A helyes érték 1428,5 Ohm.
Sziasztok!
Van egy ilyen accu pakkom "kép mellékelve" Újonnan vettem és azt mondták,hogy meg kell formázni. A kérdésem az lenne,hogy mekkora árammal és hány volttal szabad ezt formázni,illetve ugyan ez lenne a kérdésem töltésnél. Előre is köszönöm a válaszokat.
Üdv mindenkinek! Sajnos megtört a vezeték egy samu laptopnál (rv508). Tudja valaki hogy ennél kettő, vagy három eres vezeték csatlakozik a dc dugóhoz, illetve hogy a külseje az negatív avagy pozítív?
Köszi előre is
Talán megnézhetnéd magad, ha úgyis eltört...
Köszönöm mindkettőtöknek, most már értem. A belső ellenállást úgy számoltam, hogy megnéztem mekkora feszültség esik Rs-en, ebből kiszámoltam az áramot, és mivel sorosan van ugyanaz az áram fog átfolyni a belső ellenálláson is. A bemeneti feszültség ismert, megvan az áram is és így nekem is 2.8K jött ki. A kimeneti ellenállás is stimmel.
Köszönöm mégegyszer.
Köszönöm,ezt megtaláltam én is,de ebből nem derült ki,hogy mekkora árammal kell tölteni.
Van autómata töltőm hozzá,csak nem mindegy,hogy milyenek a beállítások. Az akksihoz kapott leírásból annyit ki tudtam hámozni,hogy a delta peak 20mv,azt be is állítottam a töltőn. Be lehet állítani a töltés/kisütési folyamatot hányszor végezze el. Ezt az általad belinkelt oldalról olvasva beállítottam 5-re. Tegnap este óta rajta van a töltőn de még nem végzett vele. Olvastam,hogy pl egy 4000mAh-s aksit szabad 4A-val tölteni,ebből kiindulva gondolom az 1600mAh-t meg 1,6A-val. Itt már csak a kisütési fázissal volt gondom,hogy hány A-rel szabad ezt végezni. A minimum feszültség amire lemerítheti a töltő annak 1Voltot adtam meg. Remélem nem vágom gallyra az új akksimat. A hozzászólás módosítva: Máj 5, 2015
Tisztelt Szakik!
Szerintetek ez a kapcsolási rajz működne?
Működik de az inkább egy elméleti dolog, ami a megértést szolgálja..
Valamit elnéztél! 4000mAh-s akkut 400mA-ral lehet (max) tölteni. Tehát a kapacitás 10%-ával! Impulzus töltésnél (tölt-kisüt-tölt..) sem illik 50% fölé menni. Az akku mély kisütési feszültségszintje felett is illik 15%-kal megállni. Az 1V-os szint (szinte) biztos, hogy túl alacsony, kinyúvad az akkud (jól nézd át az adatlapját. A töltés közbeni kisütés sem haladhatja meg a 50(70)%, és szabott idejű (sec. alatti idő, impulzus töltésnél).
Üdv Mindenkinek!
Segítséget szeretnék kérni autórádió témában. Egész pontosan kártyaolvasót szeretnék bekötni, vagy ha lehetséges usb aljzatot. Az alap egy VDO Dayton MS 4150 RS Aux in-out az megvan, kényelem szempontjából viszont nem lenne rossz ha a számváltás funkció elérhető lenne a fejegységen. Ha tudtok segíteni azt megköszönöm! Üdv Joci.
Üdv!
Én nem látok rajta Line bemenetet, csak S/PDIF van. Bővebben: Link Szóval, csak CD váltó adapterrel tudsz rákötni külső forrást. Nekem is ez a bajom a gyári Renault fejegységgel, 20-30eFt hozzá egy ilyen vacak. Másik fejegység nem jöhet szóba nálam, mert akkor ugrik a kijelző és a kormány távirányító.
Sziasztok!
Nem vagyok kezdő, de elakadtam egy kicsit. BSS139-hez hasonló(kiürítéses N-FET, SOT-23) tranzisztort keresek, csak P csatornás változatban. Hiába keresem egy órája, nem találok. Gyárt egyáltalán valaki ilyet? Olcsón kéne természetesen... A hozzászólás módosítva: Máj 6, 2015
Sziasztok!
Ismerősöm erősítője úgy gondolta, hogy kirúg a hámból és bizony ő most műanyag megmunkálásba kezd.(képek) Ezzel a probléma az, hogy ezt nekem kéne rendbe hozni. Viszont ötletem sincs, hogy ilyen csatlakozót hol lehet beszerezni? Esetleg csináltatni kéne? Jobb témát nem találtam kérdésemnek, ezért írtam ide.
Jól látom hogy ez egy autós erősitő és nem érintkezett rendesen?
![]() Ha igen, akkor miért van három csatlakozópont? Gyári(hoz hasonló esztétikai) állapotba akarod visszaállitani, vagy csak működjön? Mekkora a teljesitménye (pontosabban mekkora áramra kell a csatlakozó)? Nem látom rendesen, ez ugye csavaros és a vezetéket teszed bele mint egy sorkapocsba?
Sajnos az 1V-os szint megmaradt mert nem akartam leállítani a töltést.
Azért tartott ilyen sokáig mert 0,1A volt beállítva a töltőn kisütésnek is meg töltésnek is. Eddig úgy néz ki,hogy túlélte. A legelső indítást meg kellett szakítanom mert már 7,4Voltnál járt a töltöttségi szint és nem mertem tovább hagyni. 9,6Wh van ráírva,ez azt jelenti,hogy ha 9,6Wattos fogyasztót kötök rá akkor egy órán keresztül kell bírnia? De ez már mély kisülésnek számít?
Nem okoskodni akarok csak a kérdésedre válaszolni.
Azért van három csatlakozó pont mert a középső az a "REMOTE" szál,azzal vezérli a fejegység az erősítőt.
Én AO3401-et szoktam használni, ez -30V, -4A, sot-23-as P-FET, nagyon olcsó. Ha 250V feszültség a fontos, ahhoz sajnos nincs tippem.
Hát ezt akárhogy nézem nekem növekményesnek tűnik a grafikonok alapján, vagy nem értek hozzá.
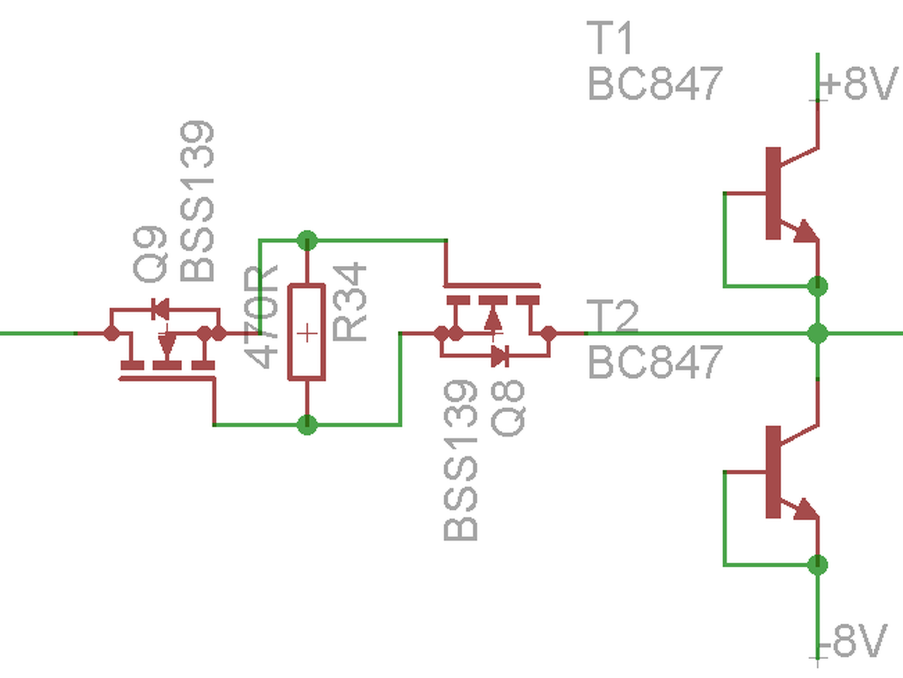
Nekem meg kiürítéses(depletion mode) kell. Az áram nem fontos, max 4-5 mA menne át rajta, a feszültség már fontos(250V). Amihez kell: passzív védelem mérőműszerhez. Jelenleg két BSS139 van bekötve ellenütemben, és ha áram folyik az ellenálláson akkor a polaritástól függően vagy az egyik, vagy a másik FET lezár. A két NPN tranzisztor diódaként viselkedik. Az alapelv, hogy ha nem lépi túl a +/-8V-ot a bemenő fesz, a védelem ellenállása kicsi lesz(<100Ohm), ha túllépi akkor egyrészt működésbe lépnek a "védődiódák", másrészt az ellenálláson eső negatív gate feszültség miatt a jel polaritásának megfelelő FET lezár. A 470Ohm ellenállás és a BSS139 (kb. -2V Vgs-nél zár le) miatt kb. 4mA mehet keresztül a mérőműszer bemeneti részén, a "fölös" feszültséget a FET-es kör "megfogja". Azonban minden esetben valamelyik FET védődiódáján (is) keresztülmegy a mérendő jel, ami nem tetszik nekem mert meghamisíthatja a mérést. Ezért szeretném egyiket P-csatornás kiürítéses FET-re cserélni, és az ellenkező polaritás miatt a kört megkettőzni. A hozzászólás módosítva: Máj 7, 2015
Teljes terheléssel (9.6W 1h) járatod biztos mély-kisül, mert ez az adat az összes kapacitást jelenti csak. Még fél terheléssel sem sikerül többnyire kivenni a megadott maximumot. Megnézted az adatlapját, hogy mennyi lehet az alsó feszültségszint? (Bár némely fajták nem kényesek a mély-kisütésre.)Hogy az 1V-os alsó szint kevés volt-e, az az élettartamban fog megjelenni.
A hozzászólás módosítva: Máj 7, 2015
|
Bejelentkezés
Hirdetés |





Akkor kreálok bele valami diódát, mielőtt valami baja lesz.
Ha már kettő van, megjelenik a kétség... )












