Fórum témák
» Több friss téma |
Mielőtt kérdezel, a következő két dolgot ellenőrizd!
I. A helyes tápfeszültségek megléte.
II. A kimeneten van-e egyenfeszültség.
Élesztés.
Hatalmas köszönet! Ezzel már biztosan előrébb jutok.
(én nem találtam pedig nem kis energiát fektettem bele
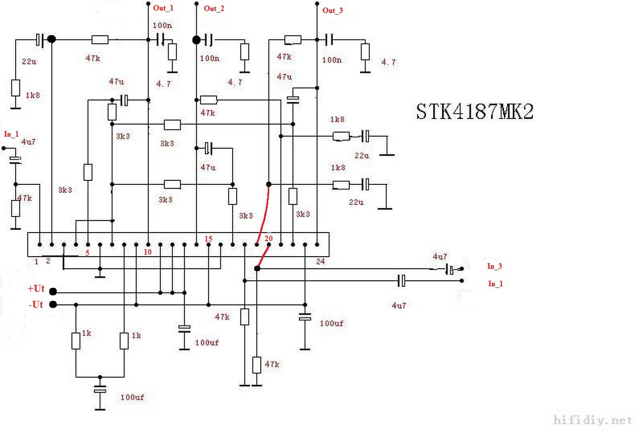
A tápfesz és a kimenetek meg vannak azzal nem volt gond. A bemenet feltárása volt kihívás rajz nélkül ebben az IC temetőben. De köszönet szamócának, legalább az STK bekötésére fény derült. Azért rakok fel pár képet a cuccról, otthon pedig teszelés.
A hozzászólás módosítva: Júl 23, 2015
Szami rajzát sajnos nem bírom megnyitni.
A két panelen lévő hűtőborda között ott van a két kondi amire gondoltam.
A Szami linkjét már én se tudom megnyitni, ráadásul le se mentettem, csak kinyomtattam. Szkennelni most pedig nem tudok, de holnap felteszem JPG-ben.
Bocs de nem igazán értem mire gondoltál/utaltál a hozzászólásodban. Légyszi fejtsd ki bővebben. A hozzászólás módosítva: Júl 23, 2015
A leírt torzítás egyik jellegzetes oka, hogy az előerősítő szimmetrikus tápjából az egyik hiányzik.
Látva a képeket van ott egy pár feszültségstabilizátor, melyeket meg kéne mérni, mint azt a téma fejléce alatti sárga szövegmező is melegen ajánlja. Rajz ismeretében könnyebb lesz tanácsot adni, addig nem is bonyolódnék további fejtegetésekbe
Nem, négyszeresére elvileg és gyakorlatban a háromszorosára. Viszont a torzítás elég erősen megnőhet hidaláskor, csak szólok, ráadásul nagyon fog melegedni a nagy áram miatt, sokkal célszerűbb magasabb tápfeszt használni ahoz való kapcsolással.
TDA7294-ekről van szó, de ennek van saját topikja, azért nem konkretizáltam. Továbbiakban akkor ott folytatjuk!
Azt főleg nem hidalnám, pláne, ha nem valami masszív hőcsöves hűtővel vannak hűtve.
Elég masszív bordán van! Majd lefotózom. De ha nem elég, van 100 pc ventillátor bőven!
![]() Egyébként csak mint opciót latolgatom a dolgot. A főbb üzem a 4xXW lenbe. De már írtam a saját topikjába, folytassuk ott.
Szia! Bocs az értetlenkedésem miatt, nem tudtam mire célzol. Első dolgom volt, hogy ellenőriztem a fő- és segédtáp meglétét, ott minden rendben volt.
Elnézést, ha nem voltam egyértelmű, a problémám az volt, hogy az erősítőt nem lehetett megszólaltatni úgy, hogy ne a beállítható hangmodulálások valamelyikével szóljon. Vagy erőteljes visszhang, vagy bugyborgó fürdőszobai hangképek (hall, dome, live), "jelentek" meg a kimeneten de normál sztereót (2.1) nem tudtam kicsikarni belőle. Az előfok bonyolultságára való tekintettel nem a hibakeresés, mint inkább a végfok bemenetének "kifejtése" lett a célom. Ez tegnap sikerült is a Szamitól kapott IC-bekötés alapján. Fontos: az a rajz is hibás! A javítottat mellékelem, hátha valaki még összefut ezzel az IC-vel. További észrevétel, hogy a javított rajzhoz képest az én erősítőmben a 6-os láb nincs testre kötve, de ez akár még lehet jó is. Köszönöm a segítséget mindenkinek!
Sziasztok!
Talán van itt valaki, aki tudna segíteni egy kis információval: Szükségem van egy olyan áramkörre, ami kiemeli a magas hangokat és elnyomja a mélyeket. Ezt persze meg lehetne csinálni egy felül áteresztő szűrővel is, de nekem egy egyenletes karakterisztika kellene a 50-2000 Hz tartományban. Ha a magas hangokat kellene vágni, akkor elég volna egy kondenzátort a hangszóróval párhuzamosan kötni. Ez egyszerű. De hogyan kell a mély hangokat elnyomni?
Szia!
A kondenzátort sorosan kösd és akkor mélyeknek nagyobb ellenállást képvisel.
Sziasztok! Van egy 625VA 2x55V os toroid trafóm, és szeretnék hozzá építeni két IRS2092 Class-D végfokot. Az volna a kérdésem, hogy milyen FETet ajánlotok hozzá? Valami olyan amivel csatlakoztathatnák akár 4 ohmos hangszórót is, de a fő cél az volna, hogy 300W RMS-t kb le tudjon adni 8 ohmon.
Szia!
Názz át néhány példakapcsolást, azokban szerepelnek FET-típusok is.
A gyári IRAUDAMP7 pdf-ben csak max 250W kimenő teljesítményre vannak FET-re példák. Bővebben: Link De van egy moduljuk ahol Gate drive-al több fetet hajtanak, akkor valószínűleg nincs 300W RMS 8 OHM kimenőre megfelelő FET amit az IRS magába elhajt?
A hozzászólás módosítva: Júl 25, 2015
Hello.Baji féle Fetes modulon nem gondolkodtál? Az 400w rms.
Csak Class D chip érdekel. Irs2092-höz könnyű túláram védelmet készíteni, DC és koppanásgátlót is.
A hozzászólás módosítva: Júl 25, 2015
Sziasztok! A segítségeteket szeretném kérni végfok építéséhez, erősáramon.
Alapvető paraméterek: Legalább 1 kW teljesítmény átvitele. Bemenő jel ez szerint. Felbontása jelenlegi elképzelések szerint 4 bit, ezzel kivitelezhető a 60 kHz kimeneti frekvencia. Áram visszacsatolás ebből a modulból kellene. Minél jobb SR, mivel a bemeneten megjelenő legkisebb négyszögjel 6.25 * 10^(-8) s-es. A lehető legjobb elérhető hatásfok. Ez a legfőbb. Aki jól ért hozzá, mit ajánlana? A hozzászólás módosítva: Júl 25, 2015
Üdv. Mivel én sem találtam manualt, csak találgatni tudok. Ha jól sejtem, jfetek kapcsolják a csatornákat. Megnézném, nem zárlatos valamelyik jfet, vagy a fet gate-jével soros dióda. Tudom hogy cserélve lett, de az ördög nem alszik. Nálam egy Jfetes némító átütése küldött el 60 E forintnyi cuccot egy kombóban. Ha nem jfet, hanem kétbemenetű opa kapcsol akkor a +- 15 V körüli táp meglétét kellene megpillantani. Esetleg a treble potik középső kivezetésén a testhez képest kellene feszültséget mérni. Végülis az összes poti összes lábára rá lehet mérni, nem szabadna DC- dek lenni rajtuk. Ha mégis van, akkor ki lehet indulni belőle. Volt nálam egy classic 503, de nem emlékszem már a belső dolgaira.
Köszönöm a tájékoztatást.Amikor hozzám hozták javításra már bele volt berhelve.Kaptam kölcsön rajzot, az szerint DC4028-as ic-t cseréltem, meg az összes fetet.Kapcsolta a három csatornát de úgy torzított mintha hiányozna az árnyékolás, vagy a rács levezető 500-1000kohmos ellenállás.Már nem volt nálam a rajz mert fizetni kellett volna érte.Megtaláltam a hibát.A legelső trióda levállasztó kondenzátora volt rosszul forrasztva gyárilag.A remegés adott neki és attól volt zajos.Már el is vitte a gazdája és koncertezik vele valami fesztiválon vagy falunapon.
Üdv!
Olyan gondom lenne, hogy az erősítő jobboldali kimenetén, sem az A, sem a B csatornán nem akar kijönni basszus, a magas hangokkal nincs baj. Sajnos nem nagyon értek ezekhez a dolgokhoz, így csak annyit tudtam csinálni eddig, hogy leellenőriztem, hogy maga a hangszóró működik-e rendesen, illetve más bemenetekről próbáltam megjáratni - a hangszóró átkötve baloldalra jól szól, illetve mindegy melyik bemenetre kötök, jobb oldalon egyáltalán nincs basszus. Kis segítséget, tanácsot elfogadnék, hogy hogyan álljak neki a javításnak, a válaszokat előre is köszönöm.
nekem ezt az orin 5.1 játszotta nem találtam sajnos megoldást 1 év után sem
Nem értek annyira az erősítőkhöz, de milyen az az erősáramú erősítő? Esetleg te ülsz erősáramon, miközben építed? Gondolom nem az utóbbi. Az erősítőknek teljesítményük szokott lenni, nem teljesítmény átvitelük. A kép két jelet mutat egyszerre. Egy szinusz hullámot és egy szinusz hullámmal modulált PWM -et. Nekem kicsit zavaros a kérdés.
Szia.
Mi az erősítőd típusa? Először is azt kéne kifürkészni, hogy a vég vagy az előfokozat okozza a hibát.
Értem.
Ott van egy ilyen motoros poti. Azt kéne kiiktatni, és rájönni melyik csatlakozói a ki -és bemenetek. Közvetlen a végfokra így rá tudnál bökni, hogy búg-e? Valami olyasmi kábel ami végén csatlakozó és egyik vastag mondjuk középen (föld) és másik két vékonyabb L és R csatornák ágai vannak. De lehet még az alaplapra meg is van jelölve. L G R. Bár mondjuk az alaplap környékéről egy vagy több részletes fotó nem ártana, mert amit én találtam azok csak megközelítik a témát. De igazából azt se tudom kivenni belőle, hogy közvetlen valami tüskesoros slotban van-e...
Csináltam néhány képet, sajnos csak telefon volt kéznél illetve fény sincs, de talán kivehető.
* (nagyobbik, mint 2MB, ezért külső oldalra tettem fel őket.) *Külső tárhelyi képek törölve. A hozzászólás módosítva: Júl 27, 2015
Az jutott eszembe, hogy ott van egy phono kártya (merőleges az alaplapra L alakú). Ezt próbáld meg levenni róla és találsz ott egy csatit az alaplapon. [-15, +15V, L, GND, R] feliratokkal. Elvileg az ott csak bemenet lehet. Ha kivetted akkor a R és GND pólusaira próbálj valami jelet fabrikálni utánna kapcsold be, és tedd phono állásra. Remélem, ez a bemenet közvetlen a végekre megy.
Üdv!
Visszatértem a TDA7563-mas IC-s kérdéseimmel... Olyan gondom merült fel, hogy... Szóval, ha lehet a 4 csatornából, néha (ha akkuról üzemel a készülék) 2 ne működjön, így csökkentsem fogyasztást. Első gondolatként, mivel az adatlapján (már feltettem a fórumra, itt) külön tápfeszültség csatlakozás van páronként, egyszerűen lekapcsolom a Vcc2 -t, és megoldva. De ezt gyorsan elvetettem, mert nem hiszem (csak hiszem, mert nem tudom...), hogy jót tenne az IC-nek, ha csak 'fele' kapná meg a tápfeszt. Aztán, ahogy az adatlapot tovább próbáltam értelmezni, láttam meg, hogy figyeli a kimeneteket (adatlap 10.oldal) hogy rövidzárba, összezárva (két kimenet), vagy szakadásba van-e, és automatikusan leállítja azt addig, amíg javítva nem lesz. Így ha leválasztom a hangszórókat, megoldom a részleges kikapcsolást. De ezt is elvetettem (nem földbe), mert mint írja, ez funkció CSAK I2C buszon keresztül aktiválható. Ami standard és állandó védelem, abba pont a 'szakadás vizsgálat' nincs benne. Azt meg kapásból túl durvának találom, hogy zárjam rövidre, vagy a testre a kimenetet, hogy kikapcsoljon az a kimenete. Ha a bemenetet kötném le testre, akkor ezzel lecsökkenne a fogyasztása, vagy az AB osztály miatt ugyan úgy fűtene? A hozzászólás módosítva: Júl 28, 2015
|
Bejelentkezés
Hirdetés |




















