Fórum témák
» Több friss téma |
Fórum » Csöves erősítő készítése
Ne feledd betartani a fórum viselkedési szabályait, és a topik megmaradásának feltételeit. [link]
A téma átmenetileg fagyasztva lett, hozzászólni nem tudsz!
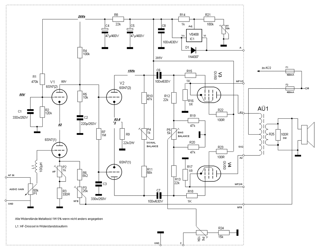
A csőfoglatoktól a következő alkatrészekig "átsípoltam", minden rendben.
Nem lehet minden rendben hisz nem jók a mért feszültség adatok !
Beírtam saccra néhány feszültséget, ehhez közeli értékeket kell mérned.
AzR4 után 253v van
Akkor a másik vége nincs az anódon vagy a rácsára nem megy az osztóról az 50V, stb..
Sziasztok!
Szeretném a segítségeteket kérni.Még nagyon régen hozzájutottam egy EAG AV760/C erősítőhöz aminek sajnos a 807-es csöveiről letörték az anódsapkát.Most végre sikerült a Puskás börzén hozzájutnom 2 db ép 807-eshez.Ezért szeretném életre kelteni.A tápegység részét sikerült egymagam rendbe raknom és az előfok panelon is kicseréltem minden kondit újakra.Viszont az egyik 807-es üzem közben hihetetlenül felizzik.Nem tudom mi lehet-a gond, csak tippem van ,hogy talán a végcsövek áramát kellene beállítani. Valaki leírná ,hogyan is kell beállítani ezeknek a csöveknek az áramát ?
12V a V1(2) R1/R2 ellenállásosztóra kötött rácsán csak akkor lehet, ha az a csomópont zárlatos vmivel. Szerintem búcsúzz el a kaszkódtól, mert csak gond lesz vele
![]() SRPP-re 1xűen átköthető, és akkor az R5, C2, L1 nyugodtan elhagyható - persze az átfogó nvcs-t újra kell számolni.
Amennyiben az egyik izzik fel akkor gond van , cseréld már meg a kettőt ?
Megcseréltem ,de akkor is csak az az Oldal izzik túl ami az előbb is
A hozzászólás módosítva: Aug 11, 2015
Elfelejtettem visszarakni a csöveket,most ilyen.
Csövek nélkül mérted? Akkor is rossz, csövek nélkül anódokon teljes tápfesz, V1 rácsán 50V, katódokon 0
Csövekkel mértem.
Csövek nélkül megvan az 50v, csövekkel nincs.
Csövek rácsán valamelyik 22K nem szakadt? Én cserélném mindkettőjét.
Marci, már leírtam Neked, amíg nem érted, hogy mit mérsz, addig ez csak szenvedés. Tedd egyenlőre félre, és olvass utána, pontosan mi is a működés fizikai magyarázata. Nem fogjuk tudni összekínlódni, hiába a legjobb szándék.
Ha a V2 katódján 0 volt van, az a cső egyáltalán nem megy. A műszered jó ide?
Már olvastam egy keveset, csak az értékekkel nem vagyok tisztában.
Nézd meg csövek nélkül és jegyezd le.
És tényleg baj van ott. Az R9 el párhuzamosan volt egy zárlat.
Félreérthetően fogalmazott, nincs összekötve mint a rajzon, mert közben van a stabilizátor.
Talán így érthetőbb. Tudom, hogy ott van feszültség, az ellenálláson is mérte és működött eddig.
Akkor újramérhetsz és írhatsz mindent.
az lesz
most 104v van ott
Az már jobban néz ki.
Szerintem most van a heuréka pillanat
Itt már sokat nem kell igazgatnod..
szerintem most kéne állítani a P4-en.
Azon is, de az 1k sokat nem számít... akkor rajzold át, mert így félrevezető.
A hozzászólás módosítva: Aug 11, 2015
10 van benne
A jelek már jók, csak nem egyforma nagyok. Hiába állítom a P4-et.
|
Bejelentkezés
Hirdetés |









