Fórum témák
» Több friss téma |
Fórum » Csöves erősítő készítése
Ne feledd betartani a fórum viselkedési szabályait, és a topik megmaradásának feltételeit. [link]
A téma átmenetileg fagyasztva lett, hozzászólni nem tudsz!
Üdv Urak!
Jó csövest építeneni, nem lehetetlen, persze nem olcsó. Ritkán írok, mert mérgelem magam sok hozzászóláson. Pár High-End és Hifi erőlködőt már építettem, nem kell mindenhova 1000ft-os ellenállás meg 5000ft-os kondi. Idehaza remek kimenőtrafókat tekernek 8-10 ezerért (20-22ezerért vassal)a hálózati trafók (10-15ezer)sem okoznak gondot. A csövekkel más a helyzet én csak NOS csöveket használok, bár a prémium kategóriás új gyártású orosz vagy kínai csövek már majdnem ott vannak. Manapság a különleges csövek divatja az új trend OT100, 811,GM70,211,2A3,300B triódák és OS51,807,PL508,PL519,6P45C pentóda és sugártetróda, de sokan a jól bevált EL34,EL84,6L6,6V6,ECL86 csöveket preferálják. Szóval itt már zsebbe kell nyúlni. Sokan attól félnek, ha megépítik akkor nem fog olyan jól szólni, hogy megérje ennyi pénzt belefektetni. A lehetőség fennáll, ezért csak az lásson hozzá akinek elég rutinja van más erősítővel és nem pánikol, ha gerjed a cucc vagy medvére kell vadászni (brummm). Lehet kitteket is venni ,egy AudioNote EL84PP (JJ-csövekkel Beyschlag & PRP ellenállások. Mundorf Film kondenzátorok)kb 1500$(400000Ft) Ezt ki lehet hozni 120000Ft-ból (szebb dobozzal) 400000-ért vehetsz tranyós-IC-s márkás erősítőt is( 120000-ért használtat). De egy csöves erősítőt az ember az örökkévalóságnak az ükonokáinak épít! Minden 3X túlbiztosítással készül. Itt nem érvényesül a "beépített elavulás a dobd ki és vegyél újat, mert nem éri meg javíttatni. A sznobizrusról csak annyit, hogy én is lennék annyira sznob, hogy Aston Martinnal járjak! Amit én Hallgatok Bösendorfer VC7 hangfalak (A doboz clone, de eredeti Hans Deutsch hangszórók) UNIVOX APX200 végfok, APR200 előfok, Technics lemezjátszó Ortofon FF15XE hangszedő,Technics RS-BX626 3 fejes deck,Technics RS-PG5 CD, Asus Xonar Essence STU DAC. (Van még 3 igen ritka Hi-Fi torony: Sansui,Sony,Kenwood, amit csak munka közben hallgatok, mert a csöves az olyan cucc, ami odaültet és csak hallgatod mást nem csinálsz! Ha valaki komolyan gondolja keressen bátran, "a segítség ingyen van, de az alkatrészek pénzért".
Az Univox APX200, meg az előfok mennyire lett jó? Nagyon próbálják reklámozni, kérdés: milyen a kategóriájában? Régen a BEAG-nak nagy volt a szája, emellett rémes erősítőket adtak el drágán(AET 210-250 például). Amúgy a gyűjtemény mellé már csak egy stúdiómagnó kell, az is lehetőleg csöves legyen
Elképesztő a hangja, hihetetlen dinamika és részletgazdagság. Nekem megvan pár hónapja a végfok, az előfok csak egy hete. Veri a másfél millás csodákat. A tozítása 100W teljesítménynél is 1% alatt (általában 1W-on szokás megadni nem teljes teljesítménynél) előttem lett bemérve.
Szerintem verhetetlen,(eddig én is azt hittem, hogy nincs további fejlődés a csöves fronton, de ez XXI, századi tecnológia XX.századi alkatrészekből. Az enyémbe NOS ECC83 és E88CC illetve 6P45C csövek vannak. A kimenők osztott toroidok benne ez a lelke, mint minden csövesnek. Ha egyszer hallod akkor magadnak akarod. APX200 Idézet: „Idehaza remek kimenőtrafókat tekernek 8-10 ezerért” Ez tényleg olcsó - elárulnád, hol?? Egyébként nem igazán a tekerésben van a "tudomány", hanem a kimenőtr. tervezésében-fejlesztésében. Vagy pl. a "jó hangú vas" megtalálásában, kiválasztásában. Maximum annyira lehet remek, amilyen a terv, ill. a felhasznált anyagok. Idézet: „A sznobizrusról csak annyit, hogy én is lennék annyira sznob, hogy Aston Martinnal járjak!” Mindenesetre egy jobb hangszedő (jobb lemezjátszó?) nem ártana. A következő lépés minden bizonnyal az Univox APX cseréje v modifikációja lenne )
Idézet: 15-100 kHz-et ír a katalógus névleges teljesítményen, az alsó 15 Hz-et fenntartásokkal fogadnám. (sok más csöves erősítőnél is !!) Mindenesetre szimpatikus a csőkészlet, alkatrészek. Nem a híg-endet célozták meg, ami talán nem is baj... „6Hz-80KHz-ig”
Érdeklődni szeretnék, hogy a végcsövek cseréjéhez mindenképpen 4db válogatott cső kell, vagy megoldható-e ha van 2-2 párba válogatott 6L6 ? (Gondolom a munkapontok miatt az első megoldás a jó, de sajnos nem tudok sokat a PPP-kapcsolásokról!)
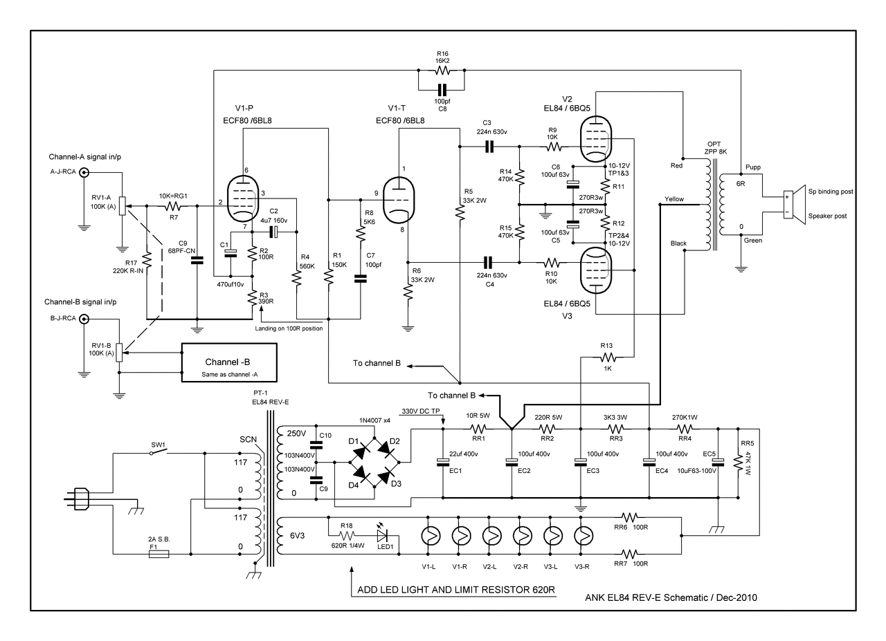
Köszönet! Kapcsolás
Szia!
Nem te árulsz a Va...án AEG EL84-es csöveket? Milyen tapasztalataid vannak velük? Milyen a hangjuk pl a Tungsram, vagy az orosz 6p14p-hez képest? Mennyire egyformák, mekkora a szórásuk? Még egy kérdés: mennyiért mérik ezt az APX200-at? Mondjuk szerény véleményem szerint szobába pazarlás ekkora teljesítményű erősítő. De ez csak az én véleményem
Ilyen jellegű végfok előtt kalapot lehet emelni, ha 50Hz-15kHz (+-3dB)-t tud névleges kimeneti szinten. 20Hz/100W-ra brutális kimenőtrafók kellenének, de akkor a magasátvitel lenne borzasztóan gyenge.
Nincs benne csövenkénti munkapontbeállítási lehetőség, úgyhogy vagy modifikálod, vagy szigorúan négyesbe ("quadba") válogatott 6L6 készlet kell.
Nem tudom, mit láttál, de az biztos, hogy a Univox honlapján közölt THD/frekvencia/teljesítmény görbesereg (->link) a fantázia világába sorolható. Legyen a THD 10W-on akármennyi, de hogy 10x teljesítményen még a duplájára sem emelkedik?! Miközben a csövek karakterisztikájából adódóan hatványozottan kellene? És a 10Hz-en látható csoda... A sáv alján, a 10-100 wattos tartományban a THD megmakacsolja magát, nem hajlandó felszökni. Fix 1%, oszt'jónapot. 1% fixszel az ember könnyen viccel...ne, ha ezek nem a nagymúltú BEAG utódjaként tekintenének magukra.
Végülis megbontottam a szigetelést egy darabon és ott volt a tekercs vége.
Azért annak az APX 200-asnak a kapcsolási rajzába szívesen belenéznék.
...csak úgy kíváncsiságból.
Idézet: „az APX 200-asnak a kapcsolási rajzába szívesen belenéznék.” Meg még sokan... De nem fog menni egy darabig, gondolom.
Valószínűleg sokan csalódnának.
Egy jól méretezett, hagyományos kapcsolás lehet. Csodák nincsenek..
A belső képek alapján tényleg nem lehet bonyolult, meg hát minek is. Viszont a sok kék trimmer arra utal, hogy végre csövenkénti külön előfeszültség beállítást készítettek, nem azt az agyament régi libikókát.
Lehet,igazad van...érdekes téma ez a csövezés.
Nemrég összedobtam egy PSE-t,két paralel EL84-es,egy ECC 83-as meghajtással.Régebben követtem már el egy ilyet,és emlékeim szerint igen jó lett.A dologhoz tartozik,hogy jó ideje a T+A cég stratos P30-as dobozát használom,most ez a "legújabb".Ez egy lkasszikus 3utas konstrukció,selyem-dóm magassal,de amúgy MLTL-rendszer.Német doboz létére a középtartománya nagyon tiszta,neutrális,a sávszélei pedig igen-igen messze esnek egymástól.Nos,élesztés,és beállítás után egyik ámulatból a másikba estem...ez a primitív csöves ezen a sugárzón túlszárnyalja a Quad-ot,mégpedig a B.Ludwig-ost,sőt,az általam módolt fet-es verziót is!! A rádió szebben szól rajta,mint a Quad-on a CD...magasabbra,és mélyebbre hatol,jobb a színpadképe,dfiniáltabb,transzparensebb,és összességében sokkal zeneibb.Hetek óta hallgatom... aztán a minap kicseréltem a dobozokat,egy MB-Quart QL 602-esre.Ez hagyományos kétutas reflex,alumínium dómmal.A megszokott "csöves varázs" eltűnt,a hangkép szinte összeomlott...sávhatárolt lett,se alja,se teteje,elment minden fénye,mint egy VEF rádió,csak sztereóban.Ugyanitt viszont a Quad szinte sziporkázik! Vagyis a két hangkép felcserélődött... Csak azt akartam ezzel példázni,hogy a Single-end kapcsolások igencsak válogatósak,és NAGYON nem mindegy,milye dobozt akasztunk a végére...nekem is meglepő,hogy ilyen mértékben. PP-knél nem tapasztaltam ilyet.Lehet, ezért válnak be jobban(???) Kicsit hosszú lett,sorry,de talán nem annyira off. ![]() Még annyit fűznék a végére,hogy azért vannak még "csodák",de azt már nagyon-nagyon meg kell fizetni... A hozzászólás módosítva: Okt 17, 2015
Az EL84-ek pentódának,vagy triódának voltak kötve? Visszacsatolás volt-e?
Sziasztok! Kettő darab zk140-es orsósból fogok csinálni egy csöves erösítőt.A kérdésem az lenne hogy a lejátszó fej kimenetére kötném azt a tuchel vagy rca csatit amin jön be a jel.Nem lesz így túlvezérelve?
Aludd ki magad. Holnap hétfő. Jó éjt..
Igen,ez lemaradt;a végcsövek szigorúan triódába vannak kötve,és a kapcsolás szándékosan nem tartalmaz sem lokális,sem átfogó negatív visszacsatolást.
Az úgy semmiképpen sem jó megoldás. Két okból sem: a kombinált fejről nagyon pici jel jön le, teljesen túlvezérelnéd, szinte bármilyen jelforrással, még egy mikrofonnal is. Azonkívül a lejátszóerősítő frekvenciamenete sem éppen ideális, mivel magnóerősítőről van szó. A legjobban úgy jársz, ha az ECC83-as kettőstrióda második csövének kimenetére kötöd a bemeneted, az ECL86-os cső triódarészének a bemenetére. Bővebben: Link
Szia mindenki.
Szeretném kérdezni hogy el 84 pp hez jó e ez a trafó.Hálózatihoz.Köszönöm a segítséget.. Adatlap...Trafón... STN0.06 UK 11% UL5085-2EN6558 STNP06-G2-G2 50-60Hz ISC-Class 130(B)ta 40B Knr:420846/2 Pri: 230v 0.33A 0.33A Dat: 32w 15 Sec: 230v 0.26A SN/SK 60/95VA PRI: Itherm EN 60947-4-1 A hozzászólás módosítva: Okt 19, 2015
Köszönöm,sejtettem hogy úgy túl lesz vezérelve a jel, ha a lejátszó fej kimenetén jön be a jel. Nos a kapcsolási rajzon hol van a kettőstrióda?
Van azért itt más gond is. Ezekben a magnókban a motor a hálózati trafó.... Ezzel nem nagyon lehet mit kezdeni....
Sziasztok,
A következő témában szeretném a segítségeteket kérni. Építek egy GU50 PSE erősítőt, pentódaként bekötve a csövet. 5-ös láb (g3) földre 3-as láb (G2) a pozitívra kötve egy 1k ellenálláson keresztül. Tápfeszültség 400V. Az erősítő szépen szól meg vagyok vele elégedve. A kérdésem arra vonatkozna hogy adatlap szerint a G2 feszültsége 250V lehet, viszont ebben a bekötésben majdnem a tápfeszültség kerül rá. A neten több kapcsolást is találtam ahol szintén így használják. A kérdésem az lenne hogy így nem e fog a cső károsodni? Egyébként próbáltam ezt hogy a G2-re egy feszültség osztóval 250V-ot kötöttem, de úgy meg hallhatóan torzít az erősítő. Próbáltam állítani a biast(- 30 V-ig), az erősítő hangosabb lett ugyan de a torzítás megmaradt. Válaszokat köszönöm előre is.
Sajnos ezzel én is számoltam.Az első ötletem az volt hogy a motorból kiszedem a forgótengelyt aztán egy sima trafó lesz.Vagy akkor tud forogni is!
Téves gondolat, forgórész nélkül leégne a tekercs.
Amíg egy csőnél nem lépjük túl a megengedett maximális veszteségi teljesítményt, elméletileg nem kell gond legyen. Leírásod szerint 250V már kevés neki, akkor torzít. Ha meg többet tudnál kötni, mint 400V, akkor is torzítana, meg izzana a segédrács, amit semmiképp se próbálj ki.
Köszönöm a választ. Egyébként a bias -52V-on a cső nem izzik. Tehát akkor használhatom ilyen bekötéssel.
|
Bejelentkezés
Hirdetés |



) 
Egy jól méretezett, hagyományos kapcsolás lehet. Csodák nincsenek.. 

