Fórum témák
» Több friss téma |
Fórum » Sztereó DAC
Témaindító: meszattila, idő: Ápr 10, 2007
Témakörök:
Nem vacakolok kimeneti osztóval, hagyom a 2,2nF-os kondikat és teszek 680R / 330R ellenállásokat az asszimetrizáló opához. A szürö töréspontja gyakorlatilag kissé lejjebb jön (168k->106k), de így is böven 20k felett kezd el vágni...
De a fázist már valamennyire elfordítja, ezért kell a 200K közeli vágási pont.
És az zavar engem ha mondjuk 10-20k között van egy minimális fázistolása? Ott amúgy sincs hangváltás... Max. betehetek 1,5nF-osakat, akkor marad 156kHz. A 330R-t (visszacsatolás) meddig lehet levinni értékben egyébként??
A hozzászólás módosítva: Nov 5, 2015
Csak rontja a térézetet. A 330, vagy alapban 360 r ugye ne csökkentsd szerintem, így is elég nagy áram folyik ott már. Azt írtam ugye, korábban is, hogy, ha csökkented a kimeneti feszültséget nő a torzítás. És mindkét gyári megoldást megcsináltam nem is egyszer és reprezentatív volt a dolog.
Van valami irányadó módszer amivel lehet számolni a minimális ellenállás értékeket?
Sem az ellenállásokat, sem az IC-t nem kellene megfözni...
Van, az ellenálláson eső feszültség. A kimenet van visszacsatolva a bemenetre, mivel a (-) bemenetre érkezik a jel, épp ellenfázisban, tehát az ellenálláson eső feszültséget szorozni kell kettővel legalábbis a (-) oldalon, a pozitívnál sima feszültségosztóként működik. Egyik sem főne meg, de a torzítás igencsak megnövekedhet a túl alacsony ellenállástól.
Ezt kb. én is így gondoltam. Tehát ha mondjuk van nekem 4,5V jelem, akkor 4,5+(-4,5)=9V.
P=U*U/R= 9*9/430=0,188W, csak a (-) ágon ("legrosszab" esetben persze). Ezt az IC-nek is le kell tudnia adnia. Hány Wattot tud leadni kb. egy LM4562 extra hütés nélkül? A hozzászólás módosítva: Nov 5, 2015
Benne van a doksiban nézd meg, de nem is a teljesítménnyel van gond, mint mondtam már, ahnem a torzítással, nagyságrendekkel megnő, ha túl van erőltetve az IC. Mivel a bemenetenre is jut feszültség azért nem lesz egész 9V, hogy pontosan mennyi az most meg nem mondom.
AD1865 saját tervezés , többet nem mutatok csak a próba után .
Sziasztok! járatlan vagyok ebben a témakörben, tv optikai kimenetéről működő DAC-ot szeretnék, melyik az ami alkalmas erre, és biztonsággal után építhető is. Köszönöm!
Bármelyik. Igazából a S/PDIF vevő ami már neccesebb, kezdetnek a DIR9001-et javaslom, faék egyszerűségű és minden formátumot támogat. Hogy ehez milyen DAC IC-t használsz az már mindegy.
A hozzászólás módosítva: Nov 5, 2015
Köszi! Tudsz ajánlani egyet, ami van annyira dokumentálva, hogy problémák nélkül megépíthessem.
Mit ajánljak IC-t, vagy egész kapcsolás kell?
Egész kapcsolást, amit kezdőként után építhetek.
Abban nem tudok segíteni, olyan nem ajánlok amit nem próbáltam, viszont és sajátot használok, amiről nincs rajz csak a fejemben, meg még ez sem igazán kész. Amúgy az enyém sem nagy vaszisztdasz az IC doksijában lévő kapcsolásokat csináltam meg némi kiegészítéssel
Ha lehet kész modult ajánlani ami nem méregdrága, talán ezt tenném:
Bővebben: Link Van hozzá itt kapcsirajz is (Schéma technique), bár nem a legaktuálisabb modellé. De ha mindenképp az építés öröme amit szeretnél átélni az más téma... ![]() Milyen lehetöségeid vannak? Saját magad akarsz nyákot tervezni / készíteni? A hozzászólás módosítva: Nov 6, 2015
Vadászkutya legyek ha találok erre vonatkozó adatot, pedig több IC adatlapot is átnyálaztam...
Szerintem maradok az ötletednél, már csak azért is mert talán a legegyszereübben kivitelezhetö utólag. A mélyvágásba szinte semmit nem szól bele... Ja, és könnyen megoldható vele a CIROKL-féle rövidrezárós indítási-némító kapcsolás is! A hozzászólás módosítva: Nov 6, 2015
Nem is fogsz találni ilyen adatot, ezt saját mérések alapján álítom, meg eléggé egyértelmű is. Jó úton haladsz afelé, hogy valami kommersz izét csinálj belőle ezekkel a tákolásokkal. Nem egyszerűbb relével kapcsolni a kimenetet? A leghatékonyabb és az az egyetlen ami nem rontja a hangminőséget...
A hozzászólás módosítva: Nov 6, 2015
Nem tudom milyen tákolásokra gondolsz, részleteznéd? Igen, relével kapcsolom a kimenetet, csak nem a jelútban, mi a gond?
Az, hogy hülyeség. Miért kell az a kondenzátor a kimenetre? Amúgy ezzel a kapcsolással az a baj, hogy kikapcsoláskor nem fog kapásból lekapcsolni a relé és igencsak furcsa dolgok jellenek meg a kimeneten.
Az a kondenzátor az erösítöm bemenetén van (ha nem lenne egyértelmü - AMP in) és ott is marad. A kapcsolást még át kell gondoljam, összerakom próbapanelen és kísérletezek...
![]() Egyébként azonnal kell lekapcsolnia, ez igaz. Ez jobban tetszik? (persze NC relével) A hozzászólás módosítva: Nov 6, 2015
Érdemes olyat keresni, vagy inkább csinálni ami külön diódával tart szinten egy kondit ami így éppencsak lezár. Amikor csökken a tápfesz, akkor kinyit a tranzisztor ami lezárja a a relét kapcsoló tranzisztort, vagy a késleltető kondit süti ki és akkor nagyon kis késleltetéssel megoldható a lekapcsolás. PIC-et nem tudsz programozni? Azzal eléggé egyszerű "menedszment"-et csinálni az ilyesmikhez, annyit csináltam, hogy AC-ről külön diódával egy kis kondiban tartja a feszt, amikor megszűnik az AC, akkor a kis kondi egy pillanat alatt kisül és a PIC lekapcsolja a kimenetet. Azért előnyös még a PIC, mert jelvesztés esetén is meg lehet vele oldani a lekapcsolást.
PIC sajnos nem megy.
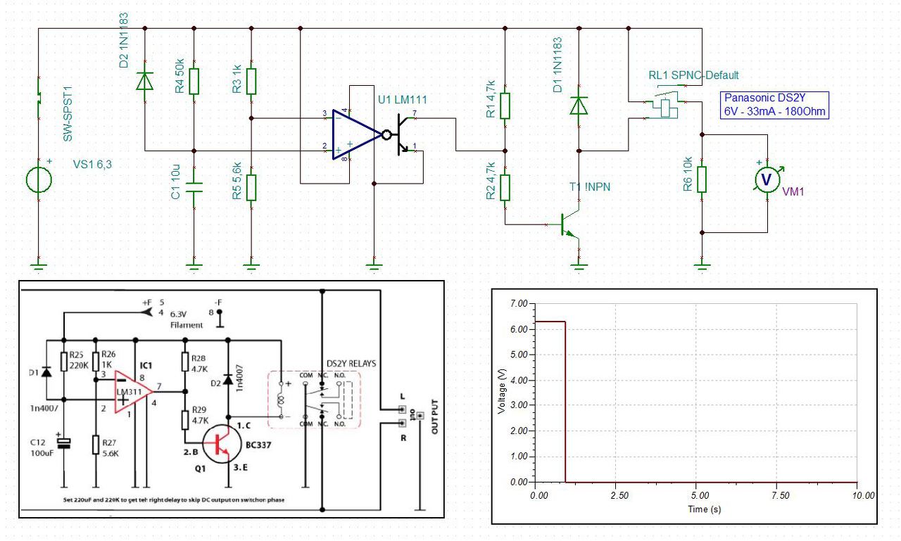
De visszatérve a komparátoros megoldásra, a D1 feladata gondolom az lenne, hogy a tápfesz eltünésekor nem a 220K-n hanem azt megkerülve tud kisülni a C12, ami a föld felé pl. max. az R26+R27=6,6k-n keresztül jelen esetben. De egyébként meg teszek neki egy külön kis egyenirányítót és pici pufferkondit, azaz NEM a valamelyik 4700-10000µF-os DAC tápról fog járni, ami csak lassan engedné összeomlani a tápfeszt. A hozzászólás módosítva: Nov 6, 2015
A D1 legfeljebb akkor szólna bele bármibe is, ha a negatív tápfeszt kapna, nem is értem, hogy miért van az ott. Illetve süti a kondit, ha csökken a tápfesz, de, ha lassan csökken akkor nem sokat ér.
A hozzászólás módosítva: Nov 6, 2015
No siker a TINA-val, tudom szimulálni a késleltetést...
A hozzászólás módosítva: Nov 9, 2015
Söt hogy fokozzam, még a kikapcsolást is leszimuláltam...
![]() (hogy a VM1 miért billen át minuszba kikapcsolás után az egy rejtély számomra, de azt hiszem a müködés szempontjából nem is igazán érdekes) A hozzászólás módosítva: Nov 9, 2015
Sziasztok! Ezzel a DAC-al van tapasztalata valakinek ? Gondoltam mielőtt belefogok, megkérdezem nehogy hibás áramkörrel kelljen küzdenem.
Mivel nem látni milyen IC-k vannak rajta kicsit több infó kellene, mint az "ezzel"..
Igen elnézést, így érthetőbb lesz.
Valószínűleg működőképes az áramkör, pláne, ha komplet kit is van az IC sem rosz, hajrá.
|
Bejelentkezés
Hirdetés |

















