Fórum témák

» Több friss téma
Fórum » Kapcsolóüzemű táp 230V-ról
 
Témaindító: cimopata, idő: Szept 13, 2006
Témakörök:
Lapozás: OK   563 / 789
(#) Near válasza rascal hozzászólására (») Nov 23, 2015 /
 
Na most úgy indítottam tesztet, hogy mind a 12 mind az 5 voltos ág terhelés alatt legyen. Az 5 voltos ág kapott egy ellenállást a 12v os pedig egy kis teljesítményű hordozható kazettás magnót. Ugyan úgy impulzusokat ad csak le nem stabil egyenáramot.
A magnó elindul egy pillanatra leáll majd ismétli. Ha az 5 voltos ágra az ellenállás be van kötve 5 volt az van és érdekes módon rögtön nem kattog hanem cirmogós hangot ad a kattogás ütemére.
A szekunderen 3 kondit nem cseréltem még ki mivel nincs 4 egyforma kondim. 25v 100µF os kondik kellenének és gondolom nem szerencsés ha nagyobb kapacitásút rakok ide.
1 db om volt összesen.
ezen kívül még van két 16v 1000µF kondi azokat cseréltem.
Még valami ha a magnót rákötöm azonnal 1v ra esik vissza a 12v os feszültség.
(#) Buvarruha válasza Near hozzászólására (») Nov 23, 2015 /
 
Tehetsz nagyobb kapacitásút, az kicsik összkapacitása legyen meg, ha több, az sem baj.
(#) Near válasza Buvarruha hozzászólására (») Nov 24, 2015 /
 
Rendben akkor holnap kicserélem a maradékot is. Minden esetre észre vettem valamit. Sikerült a dvd alaplapjába valamennyi életet lehelnem. Nincs zárlat felveszi az áramot. A táp indul és halkan cirmog ahogy kell neki és megvannak a feszültségek stabilan.
Sajnos, hogy valóban működik-e nem tudom mivel az alaplapról hiányzik egy tokozott chip amin valószínűleg a szoftver lehetett mert a processzora hiába melegszik éppen, hogy picit semmi képi jel nincs.
Mérések: 5v -5v megvan stabilan 5v így. 12v -12v helyett 11v van stabilan. (Lehet, hogy ez a gond még ezért nem indul az alaplap de szerintem ettől indulnia kéne max nem nyitja ki a tálcát ha túl kevés neki.)
Jó éjt mindenkinek és köszönöm a segítséget.
A hozzászólás módosítva: Nov 24, 2015
(#) Buvarruha válasza Near hozzászólására (») Nov 24, 2015 /
 
Épp egy ugyanilyen hibát produkáló monitor tápjával szotyizok, majd írok, ha lesz hasznos infóm.
(#) Buvarruha válasza Buvarruha hozzászólására (») Nov 24, 2015 /
 
Nálam például az a gond, hogy induláskor a nagyfeszültségről kapja a tápot az IC soros ellenállások keresztül. Eközben nő az IC saját tápfeszültsége (VCC) és, ha eléri a megfelelő feszültséget ami itt kb 15.8V akkor átálna a VCC-ről való üzemre, de ekkor leáll az IC és a VCC visszacsökken, majd amikor 10V alá csökken megint a nagyfeszről táplálkozik, de akkor megint nő a VCC és beindul az ördögi kör. Ebből következik, hogy az IC hibás és a VCC-ről nem képes üzemelni ezért kattog, vagyis ál le majd újraindul.

Mellékelve az előttem lévő táp IC-jének doksijából egy részlet, ami ezt szemlélteti. LD7575PS-ről van szó.
A hozzászólás módosítva: Nov 24, 2015

UVLO(on).jpg
    
(#) Near válasza Buvarruha hozzászólására (») Nov 24, 2015 /
 
Ha nincs más maradok az ic cserénél. Megjött az új forrasztó állomás ezzel már be tudom forrasztani az újat.
Éjszaka fent voltam paneleket bontani szóval most megyek aludni holnap megrendelem az IC-t és várok. Megírom mi lett a vége.
(#) Trivium93 válasza V1rusH hozzászólására (») Nov 24, 2015 /
 
Jah és még egy hiba, véletlenül az egyik váltakozó áramú vezetősávot a pozitívba kötötted.
(#) V1rusH válasza Trivium93 hozzászólására (») Nov 24, 2015 /
 
Köszönöm észrevételedet! Azóta már fedeztem fel én is több huzalozási hibát!
Most dolgozok az egy trafós változatán épp!
Ha kész lesz, majd hibakeresésre felrakom az t is!
(#) Trivium93 válasza V1rusH hozzászólására (») Nov 24, 2015 /
 
Rendben.
(#) Trivium93 válasza V1rusH hozzászólására (») Nov 24, 2015 /
 
Így kell bekötni.
A kék vonalnál az a rész nem muszáj oda, az csak zárlatvédelemhez kell. Az nekem nincs bekötve.
Fehér az áthidalás, ha nincs zárlatvédelem.
Diódák amik vannak rajta, azok gyors diódák 2A vagy több. A 22µF-68µF-al lehet beállítani hány másodperc alatt induljon be, és minél nagyobb annál később áll le a táp kikapcsoláskor (ez egyben jó dolog, hogy legalább kisüti a kondit).
A hozzászólás módosítva: Nov 24, 2015

táp.png
    
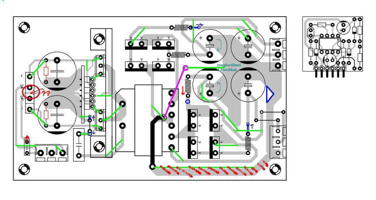
(#) V1rusH hozzászólása Nov 24, 2015 /
 
1 trafóval 2x2 szekunder fesz. Így egyenlőre. Javaslatokat, észrevételeket szívesen fogadom!
(#) _BiG_ válasza V1rusH hozzászólására (») Nov 24, 2015 /
 
Miért teszel a vonalvezetésbe felesleges kacskaringókat, hosszabb kanyarodásokat?

Például: a középen fent levő ellenállásnak látszó tárgynak hagyj nagyobb lábhosszt és így rövidebben tudod vezetni a forrpontok között átmenő sávot... Nem kell egy hosszú lábú alkatrészt a lábtőnél beforrasztani, ha fektetve van.... Használd ki, hogy messzebb tehetők a lábak! Így a keresztező huzalozás rövidebbre fogható.
(#) Buvarruha válasza _BiG_ hozzászólására (») Nov 24, 2015 /
 
Hogy kinézzen valahogy, ne randa legyen én is így csinálom, csak vastagabban fogom ilyenkor. Itt inkább a feleslegesen túl közeli vezetősávok a problémásak, pláne a behúzott sáv az AC-k közé, de lehet, hogy az szikraköz akar lenni.
A hozzászólás módosítva: Nov 24, 2015
(#) Kovidivi válasza V1rusH hozzászólására (») Nov 24, 2015 /
 
A 230VAC bemenő csatlakozóját fordítsd meg, és akkor nem kell az NTC-vel átugranod a másik sávot.
(#) _BiG_ válasza V1rusH hozzászólására (») Nov 24, 2015 /
 
Úgy hirtelen egy kis optimizálandó.
(#) _BiG_ válasza Buvarruha hozzászólására (») Nov 24, 2015 /
 
A kinézet randa-e vagy sem, azt az elektronokat a legkevésbé sem érdekli. Az áram tudja a fizikát. A felesleges kacskaringó mind parazita induktivitás és ellenállás!
Kapcsolóüzemű táp akar lenni, avagy sem? Akkor minél rövidebben vonalazni. A cirádásító hajlamot ne itt tessék kiélni, ez nem egy karácsonyi képeslap
(#) Buvarruha válasza _BiG_ hozzászólására (») Nov 24, 2015 /
 
A ember már csak ilyen. Amúgy amitől majd kiszakad a szemem, az a szekunderen a föld vezetékelése, nem ártana, ha a kondenzátorokon keresztül menne, nem a vezetősáv végére odabiggyesztve a csatlakozók után. Igazából több sebből vérzik az egész, a kanyarok a lista legvégén vannak.
(#) _BiG_ válasza Buvarruha hozzászólására (») Nov 24, 2015 /
 
Ja, az a másik, a földkivezetés a trafóból. Szegény kondik nem jutnak szóhoz a szűrésben.
A baloldali pufferpárt 180o-ot megfordítani és kiigazítani a hozzá csatlakozó vezetősávokat.
(#) (Felhasználó 46585) válasza V1rusH hozzászólására (») Nov 24, 2015 /
 
Én azt nem értem, hogyha ez egy félhíd elrendezés, akkor hogyan lehet az, hogy a félhíd kimenete, ami a trafó primerjére megy, mindkét tranyónak a középső lábáról kap megtáplálást? Meg valahogy a bázisokra menő dolgok sem jók. Esetleg komplementer tranyók lesznek benne?
A hozzászólás módosítva: Nov 24, 2015
(#) _BiG_ válasza V1rusH hozzászólására (») Nov 24, 2015 /
 
De az alsó csatlakozó bekötésének megfordítása a felesleges átkötéseket is megszünteti.
(#) V1rusH válasza _BiG_ hozzászólására (») Nov 24, 2015 /
 
Köszönöm szépen a javítást, alkalmazni fogom!

Kövidili: az NTC átugratása jelen esetben valóban fölösleges, már látom én is. Valóban, ha elfordítom a csatlakozót, vagy az NTC-ét fentebb tolom, simán megkerülhető.
Köszönöm a Te észrevételedet is!

Majd elfelejtettem: a kérdőjeles részt hálózati föld pontra gondoltam kötni, de nem rajzoltam meg a huzalozását a csatlakozóhoz. Ez járható út? Rá szabad kötni a primer 0 pontot a hálózati földre, vagy galvanikusan válasszam el? Pár ohm, y kondi?
A hozzászólás módosítva: Nov 24, 2015
(#) _BiG_ válasza V1rusH hozzászólására (») Nov 24, 2015 /
 
A primer oldalt eszedbe ne jusson így földelni! Nem tudod, miként dugod be a hálózatba és rövidzárat csinálsz! A primer oldal soha sem földelt!
Legfeljebb a táp fémdoboza és a szekunder, leválasztott oldal lehet földelt (lásd, számítógéptáp).
(#) voodoo válasza V1rusH hozzászólására (») Nov 25, 2015 /
 
Hello.

Illene bele valami HF filter, és egy üvegbizti. Hagy ne mondjam miért...
PE-re szoktak tenni két sorba kötött Y1 (pl 2.2n) kondenzátor közepét, ami párhuzamosan a L és N között van. De ez is inkább csak kiegészítés a HF -hez.
A hozzászólás módosítva: Nov 25, 2015
(#) V1rusH válasza voodoo hozzászólására (») Nov 25, 2015 /
 
HF filter azért nincs a panelen, mert van külön gyári, fémházas kutyafej ajzatos szűrőm. A táp lehető legrövidebb hálózati kábellel lesz bekötve. Az Y kondikat pótolom.

BIG: mellőzöm akkor a primer földelését!
(#) David 3g hozzászólása Nov 25, 2015 /
 
Sziasztok az lenne a kérdésem hogy a pc táp E ferrit ét hohogy tudnám esetleg szetszedni törés nélkül?
(#) Geri86 válasza David 3g hozzászólására (») Nov 25, 2015 /
 
Berakod egy fazék vízbe és főzöd vagy 15-20 percig.
(#) David 3g válasza Geri86 hozzászólására (») Nov 25, 2015 /
 
A csevetest muanyagja nem olvad el?
(#) Buvarruha válasza David 3g hozzászólására (») Nov 25, 2015 /
 
Ne kuktába rakd 150°C-ra
(#) V1rusH válasza (Felhasználó 46585) hozzászólására (») Nov 25, 2015 /
 
Jó, hogy szólsz, többen is átsiklottunk ezen a hibán! Ott vacakoltam a vezetősáv elrendezéssel, rakogattam, huzigáltam és a végén rossznhelyen kötött ki!
Ez tisztán figyelmetlenség miatt van!
Ezért jók az ilyen fórumok, több szem többet lát! Persze az önellenörzést nem pótolhatja!
(#) V1rusH válasza V1rusH hozzászólására (») Nov 25, 2015 /
 
Hogy egy kis önkritikával éljek: a fetek bekötése mindkét táp esetén rossz!
De épp ezért töltöm fel a rajzot, mert bámúlhatnám órákon át a monitort, nem biztos, hogy feltünne. Itt meg észreveszem, többekkel, több hibát.

Egy kérdés: az orosz kivitelben nincs kondi a trafón, közvetlenül nullpontra megy.
Ez frekvencia függő, vagy mi és mit határoz meg a használata?
A hozzászólás módosítva: Nov 25, 2015
Következő: »»   563 / 789
Bejelentkezés

Belépés

Hirdetés
XDT.hu
Az oldalon sütiket használunk a helyes működéshez. Bővebb információt az adatvédelmi szabályzatban olvashatsz. Megértettem