Fórum témák
» Több friss téma |
Fórum » Sztereó DAC
Témaindító: meszattila, idő: Ápr 10, 2007
Témakörök:
Megpróbálom, még ilyen tokozású alkatrészeket nem forrasztottam, az összes ic TSSOP. A legfontosabb szempont, hogy minden kapható hozzá, emberi áron.
A forrasztáshoz szerezz be valami jóféle folyatószert és nem lesz gond. Youtube-on keress videókat, hogy is kell forrasztani ezeket.
Bővebben: Link
Aranyos kis minden egyben DAC... ![]() Kéne hozzá valami jó körítés, ezekben a nagy SMD kondikban nekem valahogy nincs sok bizodalmam... (Mondjuk van konkurenciája, pl. ES9023, AK4490) A hozzászólás módosítva: Nov 10, 2015
Gyönyörű hangja lehet az RPI 19.2 Mhz clockjának 100Hz-en 54dBc/Hz fázis zajjal miközben a frekiket ebből matekolja össze.
![]() Reméljük nem csak a szépség számít. A hozzászólás módosítva: Nov 10, 2015
Megépítettem a késleltetö kapcsolást próbapanelen, gyönyörüen müködik!
Egy dolgot nem tudok, hogy ha nem stabilizált tápról látom el, akkor a relé mekkora egyenfesz hullámosságot tür el? (Tehát magyarán hogy mekkora pufferkondit kell a diódahíd és az áramkör közé tennem.) Sziluláció szerint 4 relét magjajtva, 470µF-al kb. 10V +/-2V! A relé még böven zárva marad 8V-nál is, de nem tudom nem rövidítem-e meg az élettartamát ezzel a kis "rángatással"... Túlméretezni nem akarom a puffert több okból sem. A hozzászólás módosítva: Nov 12, 2015
Egy érthető okot mondj!
Az hogy a kikapcsoláskor minél hamarabb (max. pár 10ms) megszünjön a tápfesz hogy ejtsenek a relék. De változott a program, mert találtam elfekvöbe egy pici 2VA 12V(ac)-os trafót. E mögé be tudok tenni egy 12V-os stabit kis pufferrel elötte...
Próbakapcsolás stabival. A vezérlés relék nélkül 0,6W-ot zabál, a relék egyenként 0,4W-ot. Tehát 4 relével összesen 2,2W, ami kicsit szükös a 2VA-es trafónak...
Nem lesz ezért külön kis trafó, rákötöm az opá-k 30VA-es toroidjára, nem tudok jobbat hirtelen.
Valahogy így néz ki a végleges verzió...
A hozzászólás módosítva: Nov 19, 2015
Kérdés:
van egy 10 (5+5) VA 2*9V sec. nyák-ra való toroid trafóm. A tervezett terhelés viszont meglehetösen asszimetrikus, azaz pl. 2W az egyik kimeneten, 7W a másikon. Jelenthet ez bármilyen problémát, ha nem lépem át az összteljesítmény küszöböt? A vasmag szempontjából gondolom nem, a réz szempontjából már kérdésesebb... hogy van ez??
A primernek mindegy, a szekundernek nem mindegy, ott nem lehet átlépni.
Köszi! És mi okozza fizikailag ezt a korlátot?
Az, hogy túl nagy áram folyna a tekercsen és túlmelegedne..
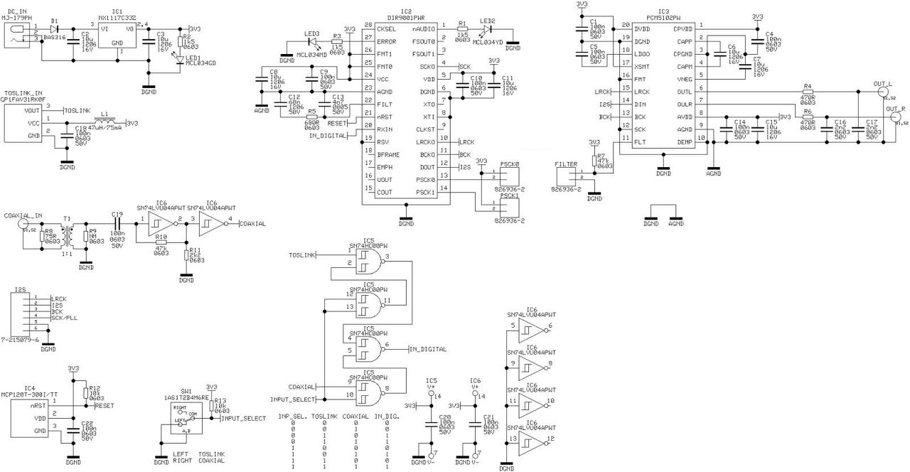
Sziasztok! Alkatrész vásárlás miatt kérdezném, a képen bejelöltem egy ellenállást ,aminek az értéke nincs megadva. Mekkora lehet ? A DIR lábain lévő ledek,soros ellenállásai 1,5 K.ohm-ok. Nem lehet elírás ez, világít így egyáltalán?
Világít, ez egy visszajelző led, nem az a célja, hogy kisüsse az ember szemét. A trafónál lévő kapcsolás eleve nem stimmel a 75R-nek kéne ott lennie, ahol a kérdőjeles ellenállásnak, a 100nF-os kondinak pedig a trafó előtt.
Az gáz, a nyák is eszerint van elkészítve. (jól kezdődik)
Így is menni fog semmi pánik, de a kondinak az lenne a lényege, hogy az esetleges DC-t leválassza, de azt nyílván a trafó előtt kellene megtenni.
Mi az érdemi funkciója a coax jelútban ennek a dupla inverternek ?
Szintet illeszt és helyrerakja a jelalakot.
A trafó után annyival rosszabb a jelalak, hogy még 10-20 ns késleltetés is megér az inverter használata ? Vagy itt nincs jelentősége ?
Igen, ahány kimenet annyiféle módon érkezik a jel a kábel végére és a szint is túl alacsony a DIR enélkül nem nagyon tud üzemelni.
Ismeri valaki a Cirrus Logic 8416-czz-t? Milyen minőséget tud produkálni?
Milyen IC-k? Rajz a tápról?
Íc ? az nincs ... három részből van egy -egy táp vonal .
Előstabilizálás majd egy áramgenerátor és a végén egy programozható feszültség referencia TL431... A hozzászólás módosítva: Nov 29, 2015
A táp megoldás itt is ugyan az , TDA1541 IS2 -es bemenettel . / A kondik még hiányoznak ! /
A hozzászólás módosítva: Nov 29, 2015
Sziasztok! Hétvégén összeraktam egy DAC-ot , többször átnéztem, minden a terv szerint elkészítve, és a dir 9001 error led folyamatosan világít . Többféle forrásról próbálva, mindkét bemenetét, ugyanaz az eredmény. Lehet esetleg hibás az ic? Másra nem tudok gondolni.
DIR reset kivezetese okozhat problemat, 10k val kosd a tapra es testre 100nf.
|
Bejelentkezés
Hirdetés |








Nem lesz ezért külön kis trafó, rákötöm az opá-k 30VA-es toroidjára, nem tudok jobbat hirtelen. 



















