Fórum témák
» Több friss téma |
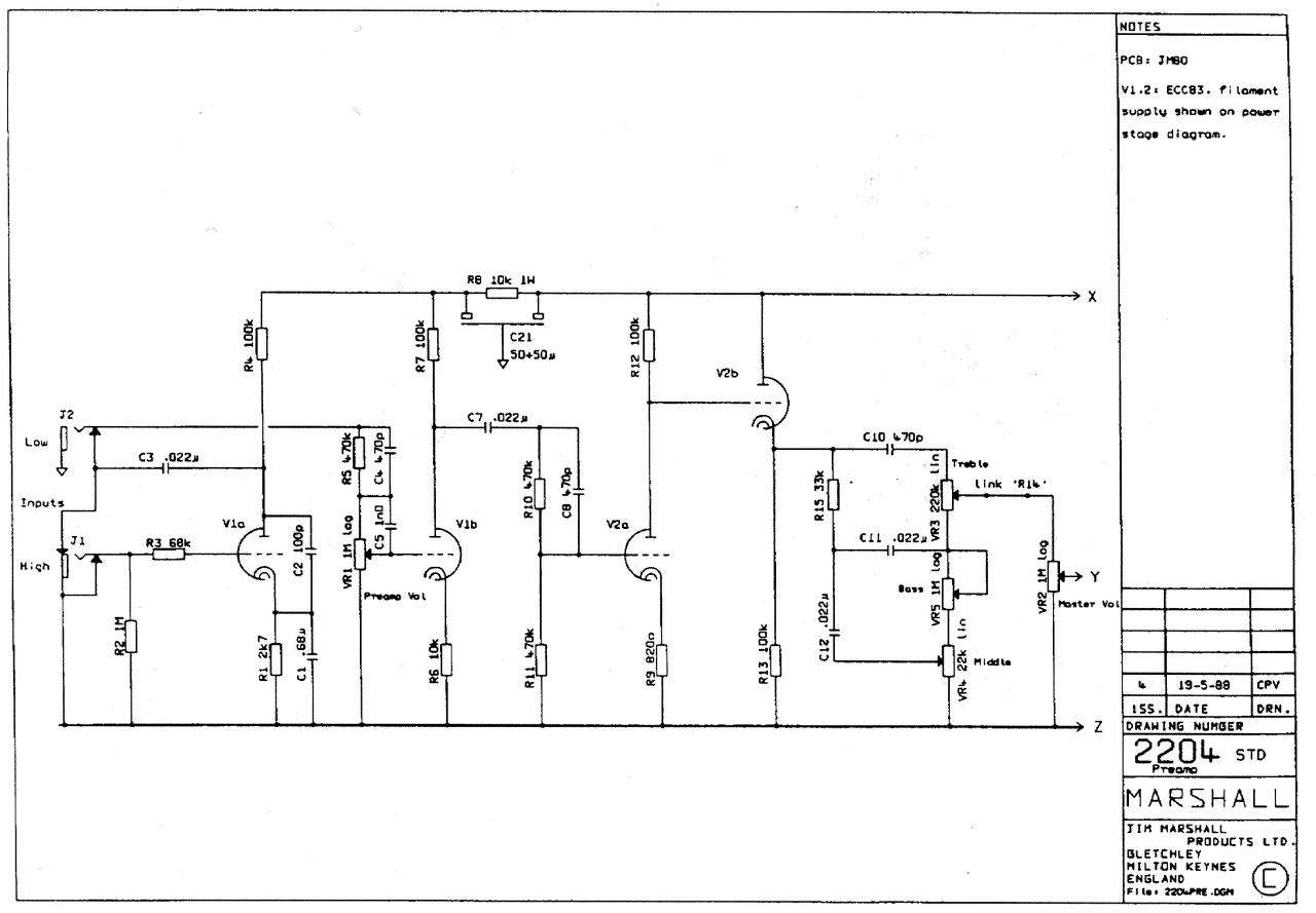
Arról van szó, amihez nyák-ot gyártatott: erről van szó. Egy Marshall kapcsolás, csak a TL072 rondít bele
Ha nem lenne torzító benne, akkor jó, sőt, jobb lenne a TL072. Mivel semmi egyéb nem változott, így könnyen ki lehet (és mint írta, akarja is) próbálni valamely **58 IC-vel (ha szavazhatok, akkor JRC4558 vagy NJM4558).Nálam egy augusztus közepe húzódó (többek között a HE fórumán is on) műhelyépítős projekt az akadálya a gitárerősítős tervem gyakorlatba ültetésének. Minden szabadidőmet felemészti. Hangerő (alkalmazási) problémám szerencsére nincsen A hozzászólás módosítva: Nov 25, 2015
"Építsünk egyedi dolgokat"
Felhívásra itt az én jelenlegi projektem. Ez csak előerősítő. Van benne Fender Bassman, Soldano Hotrod, Marshall Plexi. Tudom hogy a kimenő trafó lényeges elem a hangképzésben, de az nagyon megdobná a költségeket. Végfoknak van APX100, EL84 SE, TDA 7294. Ez így fillérekből megvan. A trafó és az egyeniránytó csö rádióból jött, a többi cső meg 6N2P. Korábban szó volt róla, hogy melyik a legjobb szerelési mód. Nekem ez a forrléces jött be.
Igen, az IC választással egyetértek, a 72-es talán kicsit túl nagy slew rate- tel rendelkezik, kell oda egy kis felfutás lassítás, így kicsit zizegős lehet. De ne feledkezzünk meg arról, hogy ez is- az is lehet akár egy adott hangzás vagy koncepció része. Úgy értem ízlésről nem lehet vitatkozni...foglalatot neki és próba, ami tetszik, az meg maradjon. Nekem ez a véredényem!
Hangerőre nekem sem lesz remélem nagy akadályom, max a szomszédok, meg a kislányom, aki majd február végén érkezik közénk! Szóval eddig a panel, most jópár évig a gyermek...mondjuk az anyjával el tud majd menni sétálni...akkor a tenyerem élét végigtolom a kezelőszerveken full tilt-ra és Marty Mcfly-ként repülök neki a falnak az egy egész huszonegy század gigawattos erősítőm erejétől. Szép napot Nektek! Zs.
Torz csatornámról közben előkapartam egy hangot, csak egy próba, semmi egetrengető, ez kb a 3/4 gén, kicsit értékelhetetlen is, de csak úgy beteszem(szeretem ha van tartalék, ha kicsit gyengébb pikappal lépnek rá, akkor is legyen kakaó, nem muszáj ennyire feltekerni...) 4 jfet, a tisztája is tud jól szólni, majd ha rendeződik a helyzetem csinálok rendes gitárral rendes felvételt. A génből nincs hiány, szerintem jól szaturált is a szand, kisebb torzításon egy lehangolt baltával iszonyat amit szól! Ez még csak a drótmalacos próbapanel verzió, azért "serceg az olaj" a háttérben!
Zs.
Hoppá!
Van egy Sessionette75 -öm abban 072-esek vannak és van nekem egy pár 1458, na majd kicserélem.
Na szereztem egy ECL86-os csövet. Vettem egy pakkot, van benne kb 120 db cső, amiből kb 10db PCL86 és egy ECL86
![]() Betettem, szól, sokáig, tehát nem halkul el, nem kezd torzítani 5 perc után, viszont a magas hangok sokkal gyengébben, élettelenebbül szólnak, mint a régi csővel ![]() Lehet tényleg jobban járnék, ha csinálnék egy PCL-hez való fűtést és azokkal próbálkoznék, abból legalább van mostmár választék itthon.
Hát ez a hangzás nagyon tetszik!
Sziasztok!
Adott egy Marshall VS65R kombó. Volt benne egy zárlatos IC. Az cserélve lett. Jelenleg azt produkálja hogy a gitár pengetésekor megreccsen a hangszóró. Ez mitől lehet?
Itt a rajza valaszd szet a reszegysegeket es ellenorizd kulon kulon, kiderul melyikben lesz a hiba
Köszönöm. Megvan. A zengető áramkörében lévő IC7 adta meg magát. Ezt cseréltem TL072-re. Szerencsére foglalatot használtam, így gyorsan kikaptam az IC-t. A probléma megszűnt, vagyis a zengető áramkörében kell keresni a hibát. Most már csak az a kérdés hogy mit? Kondenzátort?
A hozzászólás módosítva: Nov 27, 2015
Probléma elhárítva. Én hibáztam. A zárlat keresésekor átvágtam néhány átkötést, és az egyiket nem forrasztottam vissza.
Kicseréltem, de csoda nem történt. Talán egy picit másként zizis, úgyan úgy pedált teszek elé.
A potikat nem kellet volna a beültetés előtt levágni? Nekem pl. mindig le kell.
Deszka modell, majd ha szól jön az agyalás a dobozon meg a gombokon.
Senki nem mondta, hogy csoda fog történni. Mivel a műveleti erősítők százezres nyílthurkú erősítéssel rendelkeznek, és te visszacsatolod ennek nagy részét, az korrigál rendesen, ami elmossa a nüanszokat. Persze sok mindentől függ még a dolog, a slew rate nagyon fontos elem ebben. De csodát várni műveleti erősítőtől nem kell. Pláne, ha klippeltetjük a kivezérlés határoknál, akkor oda a visszacsatolás és a ronda nyilthurkú torzítás jön elő. Nem erre való egyszerűen...ZS.
Nagy fejlesztésbe kezdtem. Az igazság az, hogy nagy örömet nem okozna hogy klónozok egy IC-s erősítőt. Így a Marshall 1987 versus PCL86 PP elrendezés mellett döntöttem, mert az jól után építhető. Szerintem a 15 watt elég szobára és még az az árszint, amit átlag ember elbír.
Lábkapcsolót szeretnék készíteni. A szoftver kész csak magát a kapcsolót kellene összeraknom. A "doboz-t" egy asztalos megcsinálni csak azt nem tudom milyen kapcsolót lenne érdemes használnom hozzá. A lényeg, hogy tartós és jó legyen.
Egy Raspberry Pi tüskesorára lesznek kötve és kb 6 db ilyen kapcsoló lesz, mind digitális. Legszívesebben a HEStore-ban vásárolok, ha ott van ilyen az lenne a legjobb
Nem irod pontosan mi is kellene. Ha valoban kapcsolo akkor van a tipikus lábkapcsolo szinte minden pedálban ilyen van. Fém sapka massziv fém hüvely, itt nincs ok mást keresni, millioszor bevált.
Ha csak nyomogomb kell akkor a kis mikrokapcsolok rugoval egybeépitve adják a legbiztonságosabb megoldást, a pedált magadnak kell hozzá kialakitanod. A hozzászólás módosítva: Nov 29, 2015
Ez utóbbi érdekelne. A pedál már megvan csak kell valami ami kapcsolgat. A sima mikrokapcsoló gondolom tönkremegy egy pillanat alatt.
Nem megy tönkre, ha ugy szereled be, hogy a pedál alapállása kezeli a kapcsolot ( azaz amikor nincs megnyomva), s amint megnyomod a pedált a kapcsolora megszünik a nyomoerö. Igy akár 100000 kapcsolást is kibir.
A hozzászólás módosítva: Nov 29, 2015
Vagy egy gumidarabon át nyomja a mikrokapcsolót, a pedál ütközését külön megoldja (sok gyári effektben így csinálják).
Van itthon vagy 50 db.
Vagyis, ha jól értem akkor végül is pl egy rugóval nyomom felfelé a pedált ami így a felette lévő kapcsolót lenyomva tartja. És amikor lenyomom akkor elengedi. Végül is tökmind1, hogy milyen állásban van max a programot fogom módosítani és kész.
A pedált ugyis egy rugoval ( szivaccsal, habgumival stb) kell felfelé nyomni az ütközésig, különben a lábaddal nem fogod érzékelni mikor nyomod meg. Azaz egy bizonyos eröt kell leküzdened. A felsö ütközön ( ami természetesen lehet a pedál alatt is) van a mikrokapcsolo, ami érzékeli, hogy a pedál nincs megnyomva (alaphelyzet). Ennyi az egész. Persze lehet szivacsot, gumit is odarakni ami tompitja a dolgot, de én jobban szeretem, ha fix (kemény) ütközök vannak.
A programot sem kell modositanod, mert a legtöbb mikrokapcsolo átkapcsolo, azaz van egy NO és egy NC kimenete, csak a megfelelöt kell bekötnöd. A hozzászólás módosítva: Nov 29, 2015
Szia!
Használ több gyártó is mikrokapcsolót, amit gumitönkkel nyom meg a pedál. PL boss, behringer. Használhatsz fém lábkapcsolót is, ebből momentaryt vegyél, ha digitális lesz a vezérlésed. én pl ezt javaslom én is ezt használom a legtöbb pedálomnál. Bővebben: Link De ha kreatívan el tudod dugni használhatsz pl végállákapcsolót is, nekem a midi vezérlőm prototipusa azzal van ellátva és teljesen jól működik kb féléve.
A dolog pont fordítottja, mint amit Massawa ír. Amit eddig én láttam, a gumi a pedálon van, az nyomja a mikrokapcsolót, nem sokkal az előtt, mielőtt maga a pedál ütközne a háznak. A gumi egyúttal a kapcsolóra kifejtett erőt is korlátozza.
A vandálbiztos 3pdt (Link: vagy 2pdt) kapcsolót ma már nem sok gyártó alkalmazza, de ha elfér, sokan előszeretettel építik be utólag, kiiktatva a komplett elektronikus átkapcsolót (true bypass).
Csak azért, mert gondolom a kolléga is inkább ilyen (fajta) mikrokapcsolora gondolt (lisa footsw )
mikrokapcs Ez nem egzotikus, minden boltban elöfordul sokféle méretben.
Valakinek van már tapasztalata humbucker pickup építéssel/tekercseléssel?
Lehet olyan minőségűt készíteni, mint a gyáriak? Mi a különbség a nyak és a híd pickup között hardveresen? |
Bejelentkezés
Hirdetés |




Ha nem lenne torzító benne, akkor jó, sőt, jobb lenne a 


Szóval eddig a panel, most jópár évig a gyermek...mondjuk az anyjával el tud majd menni sétálni...akkor a tenyerem élét végigtolom a kezelőszerveken full tilt-ra és Marty Mcfly-ként repülök neki a falnak az egy egész huszonegy század gigawattos erősítőm erejétől.
Szép napot Nektek! Zs. 











