Fórum témák
» Több friss téma |
Rendben, ezekkel fogom kipróbálni, és természetesen először egy asztalon összerakott elektronikával (eddig is így volt).
Úgy tudom elhelyezni a dolgokat, hogy a főtengelynél csak az optokapu van, és onnan kb 50cm-re van az elektronika, ahol az összes többi alkatrész lenne. (Talán még az anódon és a kollektoron lévő ellenállás is elférne, de rizikós.) Már kérdeztem, de nem válaszolt senki: Árnyékolt vezetéket használjak az optokapuig? Egyik melegér az anód, másik a kollektor, árnyékolás a test. Ha lent lenne az a két ellenállás, akkor az előző sorrendhez hasonlóan: 12V, jel, test.
Ha csak az optopkapu lesz lent akkor használj árnyékolt vezetéket.
Nagy valószínűséggel így lesz, bár gondolom jobb lenne, ha az a két ellenállás is lent lenne. Megpróbálok mindent elkövetni, hogy ne szedjen össze zavart.
Összeraktuk asztalon a gyújtásom mását (vagyis a nagyfeszültségű részét csak, a többi egy nagy trafóval lett kiváltva), hozzákapcsoltuk azt a kapcsolást, amit ajánlottál az előbb, és minden az elvárásoknak megfelelően működik. A főtengelyre ragasztott tükröző fóliát egy 14.500-as fordulatú panelfúróval helyettesítettem (arra ragasztottam fóliát), és kb 10.000-es fordulatig (12V-tal járatva a fúrót a max 14V helyett) rendesen működik. Érdekes, ha 5mm-nél jobban eltávolítottam a fóliát az optokaputól, akkor szinte megduplázódott a szikrák száma. Ez valami olyan jelenség lehet, mint amikor a megszakító "prellezik"? Lehet, hogy mégsem, mert az olyankor nem tud zárni... Még egy olyan dologra szeretnék választ kapni, hogy az eddig a megszakítóra kötött fordulatszámmérőt ennél az optos megoldásnál hova kellene kötni? Ennek egy kibővített (kaszkádolt) verziójáról lenne szó.
Kösd a pnp tranyó kollektorára oda ahová a 470 ohm is csatlakozik. A fordulatszámmérő 100k-os ellenállását cseréld10-22k közötti értékűre. Más: nem tartassz a fólia elkoszolódásától,és igy a gyújtáskimaradástól? Előzéskor nem igazán szerencsés!
Rendben. Én is valahova annak a pontnak a környékére kötöttem volna.
Sokan mondják, hogy az opto elkoszolódhat. Én meg azt mondom rá, hogy ha ott kosz éri, akkor már gond van. Akitől az eredei rajzot kaptam az optokapus megoldásra, ő olajos kézzel összefogdosta a tükröző fóliát, de nem volt gyújtáskimaradás. Nem tudom mennyire ismered a Simson gyújtásalaplap körüli részt. Itt ezen a részen nincs olaj, csak a megszakító futófelületét kenő filcen (ez most már elhagyható lesz), illetve egy rossz szimering által a forgattyús házból átjutotton kívül. A lendkerék oldalán, az mellett van a kislánckerék, de az onnan fröcskölődő kenőanyagtól véd a dekli, ami nem csak a lendkerék és kislánckerék körüli részt veszi körbe, hanem a kettő között is található egy válaszfal. Így ha nincs a deklin sérülés, illetve jó a szimering, akkor semmi kosz nem juthat be a lendkerékhez. Tömítés nincs a dekli alatt, de a felfröccsenő víz sem tud bejutni, ha nem sérültek a felületek. A tengelyig érő vízben vagy sárban dagonyászás más téma, ott már gondok lennének a gyújtással, de hülye az, aki ilyet csinál Simsonnal... Tehát az eddigi tapasztalataim alapján nem félek az elkoszolódástól.
Hali!
Nem jó a helyzet. Asztalon 10.000-res fordulatot is el lehetett érni ezzel az optokapus megoldással (még a motor gyújtására kötve is), de beszerelve a mociba alig pörög 3-4.000-et (az egy dolog, hogy járatós meg nem üzemmeleg a moci, de megszakítóval előtte ilyen gond nem volt). Próbálkoztam mindenféle tükröző felülettel, de legjobban a hibajavító fehér festék vált be. Tükröző fóliával volt, hogy 2 szikrát is adott. Egyet a fólia elején, mégegyet meg a fólia közepén. Próbáltam minél simábbra kisímítani, de lehet, hogy mindig maradt benne egy pici hullám, és az zavarhatott be. Visszakanyarodva a hibára: Nem lehet esetleg a légréssel gond? Mi jó egyáltalán, a lehető legminimálisabb hézag vagy a maximálistól (ahol még bír kapcsolni) kicsit közelebb?
Gondolom a gyújtásidőpontot ellenőrizted. Ha rendben van akkor tedd minél közelebb a fóliához az optokaput. Megpróbálhatnád hálózati táplálással is ahogy az asztalon lőtted be. ha igy kipörög akkor az 555 vadul meg a szikráktól.
Azért kipróbáltam nagyobb hézaggal is, de ugyanaz a helyzet. Eddig egyébként a lehető legkisebb hézagra törekedtem.
Az előgyújtás értékét nagyon alaposan, indikátorórával ellenőrizve, szoktam beállítani. Ugye könnyű, mert csak lassan forgatom a lendkereket, és ha odaér a "jel" az optokapuhoz, akkor szikra. Hogy érted a hálózati táplálást? Legelőször egy nagyobb hálózati trafóra lett megépítve a nagyfeszültségű része a gyújtásnak (555-ös rész elhagyásával). Aztán, mivel ott tökéletesen működött, átkötöttem a jeladós részt a motorban lévő gyújtásra, de a főtengely forgását egy nagyfordulatú (14500 RPM) panelfúróval helyettesítettem. Azzal simán ki lehetett akasztani a 10E RPM végkitérésű elektronikus fordulatszámmérőmet. Tehát a gyújtáselektronika bírja, azzal nincs semmi gond. Eszembe jutott még valami. Milyen széles legyen a jel a lendkeréken? Most a bütykös részre (20mm átmérő) egy kb 15mm széles (kerületen mérve) csík van. Tehát a kerület kb 24%-ában van jel. Lehet, hogy nagyobb kellene?
Éppen ellentkezőleg!!! A jel hosszának a minimális szélességűnek kell lennie (amit még észlel az opto) ugyanis a tirisztor mindaddig vezérlést kap ebben az egyszerű áramkörben ameddig az opto érzékeli a visszavert fényt. Ennek következtében a mostani jelhosszúságot alapul véve 24 százalékon rövidzárat jelent a töltőáramkör részére-ergó: egyre kissebb feszültségre tudja tölteni a gyújtókondit ahogy emelkedik a fordulatszám. Ez okozhatja az alacsony fordulatot.
Ahaa! Ez tényleg igaz, mert amikor lassan tekerem a lendkereket, elég hozzú ideig hallom, hogy túl van terhelve a trafó (más frekin sípol). Ma már lehet, hogy nem, de holnap tuti lekeskenyítem a sávot, mert mindenképpen optokapunál szeretnék maradni, nem akarok visszatérni a megszakítóhoz.
De még mindig nyugtalanít, hogy fúrógéppel tökéletes volt még úgy is, hogy 50%-on boritotta a tokmányát a tükröző fólia.
Türelem! A hibákból sokat lehet tanulni. Számomra a hibakeresés izgalmas elfoglaltság (na persze nem árt ha siker koronázza).
Idézet: „na persze nem árt ha siker koronázza” Ebben az utóbbi egy-másfél évben nem sok részem volt. Holnap megpróbálom, hogy mit reagál, ha a sávot elkeskenyítem, illetve az optokaput a lehető legközelebb viszem hozzá. Remélem javul a helyzet.
Egy picit sikerült javítani rajta, de még egyáltalán nem az igazi. A légrést kb 1.5mm-re sikerült csökkenteni, a csíkot a lendkeréken 2mm-esre, és így 5.000-ig kipörög a moci (ez pont a fele, mint amit egyszer megszakítóval el tudtam érni). Keskenyebb csíkot már nem érzékel. A távolság, meg úgy vettem észre, hogy "tökmindegy", mert ha távolabb van a kelleténél, akkor csak kihagy néha-néha, de ugyanaddig felpörög.
Mindenesetre nagyon szépen köszönöm a segítségedet, mert így már legalább sikerült elérni valamit, ami úgy-ahogy működik! De sajna már nincs idő ezzel kisérletezni, a motort hónap végéig be kell járatnom, mert egy "nagy" túra áll előttem. Természetesen nem dobom kukába az ötletet, de ezt tényleg pihentetni kell egy ideig (talán a következő nyárig). Stroboszkóppal is leellenőriztem, és ezzel aztán egyáltalán nem mászott pörgetés közben az előgyújtás, nem úgy, mint a megszakítóval. Tehát van előnye bőven, de túl sok a buktató...
Ha az asztali modellhez képest még mindig gyengélkedik, akkor mégiscsak valamilyen zavarra kell gyanakodni. Az árnyékolást csak az egyik végén szabad testre kötni,célszerűen az opto felfogatásánál. Ha mindkét végét testeled zavaró köráramok folyhatnak. A bc212 bázisellenállását le kellene csökkenteni:1k+10k trimmer sorbakötve,és üzem közben beállitani,majd fix értékkel helyettesiteni. Ezenkivül a tranyó kollektorától a tirisztor bázisára menő 470 ohmos ellenállást áthidalhatod ~100nF-os kondival. Egy szkópábra rögtön helyére tenné a dolgokat...
Hello. A kérdésem nem az elektronikus gyújtáshoz kapcsolódik, hanem más problémához a Simsonon.
Mit tudok avval csinálni ha a hengerből az a kivezetés ami a kipufogóra megy, állandóan csavarodik le. Tehát a torokrészről menet közbe állandóan csavarodik le az a csavar, ami összetartja a kipufogót a hengerrel. Kicsit már meg vannak kopva a menetek a hengeren. Próbáltam már köré azbesztzsinórt tekerni, de nem segített. gondoltam h. oda hegestem, vagyis egy kis pontot odateszek h. mégse csavarodjon le. nade a kipufo az vas, és a csavar ami rajta van az meg öntvény. és azt nem lehet hegeszteni. haszákkal olyan erősen behúzom hogy a kezem törik le, és mégis kb 5 kilométer után lecsavarodik, és szinte teljesen kilazul. Tippjeiteket várom. kösz
anno én ugy oldottam meg hogy a kipufogo csonkon lévö anyát 3 helyen átfurtam és 6-os menetet furtam bele.ezután rátekertem a henger csonkjára majd a 3 darab apa csavart beletekertem és meghuztam. a 3 darab apa csavart ki is lehet hegyezni picit.
üdv Sergei
Hali!
Ez a kérdés nem éppen elektronikai fórumba való. Az ilyenre ott van a simson.hu. Na de, hogy ne csak kioktassalak: Kérdés, hogy van-e már menetjavító felhajtva a henger kipucsokjára? 1) Nincs: Azért csavarodik le, mert kihagytad azt a lemez-szerű rugót: ezt. 2) Van: Itt sajna nem tudod használni a rugót, mert nincs hova belekapaszkodnia. Két lehetőség van: megcsináltatod a hengeren a menetet (feltöltik aluval, majd új menetet vágnak), vagy fémragasztóval rögzíted a hollandert a menetjavítóhoz (ha kell, könnyen oldható a kötés, nem olyan erős az a ragasztó).
Sziasztok!
Átfutottam a témát, és azt a kérdést szeretném feltenni, hogy van esetleg valakinek 1 épkézláb, megvalósítható simsonhoz való gyujtástuning ötlete? Nem a gyárit szeretném feljavítani, hanem 1 tuningolt blokkhoz passzoló, fordulatszámtűrő, mégis jó elektromos ellátást biztosító gyujtásrendszert szeretnék rá. A babetta az gyenge (W).
Ha jól emlékszem ezt a kérdést már egy másik topicban is feltetted. Ott viszont elmondtad:az eredeti mágnessel szerelt változat nem birja a megcélzott fordulatszámot,a babetta gyenge. Igy nehéz tanácsot adni. Egyáltalán-a gépet utcai motorozásra akarod használni, tehát világitás,akksi stb szükséges-e rá? Ha nem akkor szóbajöhet valamilyen cross moci mágnesének adaptálása a főtengelyre,illetve annak gyújtásrendszere is. De lehet sk késziteni is,csak figyelembe kell venni az ilyen "kihegyezett" használatnál az előgyújtás változtatásának igényét is. Ez persze már bonyolultabb kategória,nem sok kész tervet találsz hozzá érthető okok miatt.
Úgy érzem rátapintottál a lényegre! Főként utcán szeretném használni, ezért kevés a babetta (minden rajta van mint egy gyárin, aksi index stb.), plussz 12v-ról működő hőmérő, fordulatszámmérő, 6v-os aszfaltvilágítás, üresjárat visszajelző!!!, fék, index és fényszóró visszajelző. De egy gépet nem azért tuningolsz, hogy kihasználatlanul gyönyörködj benne.
Szervusztok!
Egy sajnálatos elektronika baleset végett tönkrement a gyári NDK-s tirisztoros gyújtás a SIMSON-omba. No problem, vettem bele "magyar" gyújtást. A hiba ugyanaz, nem indult a szekér. Szerencsémre valami gumuszerű anyaggal volt az egész kiöntve, így szétbuheráltam. Lám! Jött a meglepi! A tirisztor gate lába rossz helyre volt forrasztva. Pár perc, és ment a szekér!A lényeg, hogy a kapcsolást lemásoltam, majd egy teljesen újjat készítettem, ami már évek óta szuperál! Mellékletben megtalálható a gyári tirisztoros gyújtás kapcsolás!
Üdv Néktek!
Kérdésem a következő: az ABS jeladó induktív-e.Esetleg jó lehet gyujtásjeladónak?
Ezeket a fájlokat milyen progival lehet megnyitni?
Szervusz nar ancs!
A feltett fájlokat én EAGLE 4.11-el terveztem, de a fórumok között találsz magasabb verziójú EAGLE programot is. Ha érdekel elküldöm e-mailba "jpg" kiterjesztésben is.
Szervusz Kicu!
Én úgy tudom, hogy az ABS jeladók szintén induktív csatolásúak, viszont nem alkalmas a SIMÓ jeladójának pótlására, mivel háromkivezetéses külön tápfeszültségigényű jeladók (háromvezetékes). A gyári SINSON jeladóban két sorbakapcsolt tekercs található, melynek OHM-ikus összellenállása 16-17 ohm körül van. A tekercsek összekapcsolódási pontja szintén ki van vezetve. (lásd a mellékelt képen). Ebből következik, hogy 1-1 tekercs ellenállása csak 8-8,5 ohm.
Kívánságotokra felteszem a kapcsolási rajzot és a beültetési rajzot "jpg" kiterjesztésbe
Remélem sokaknak sokat segítettem ezzel. A beültetési rajz alkatrészoldaról nézve!!!
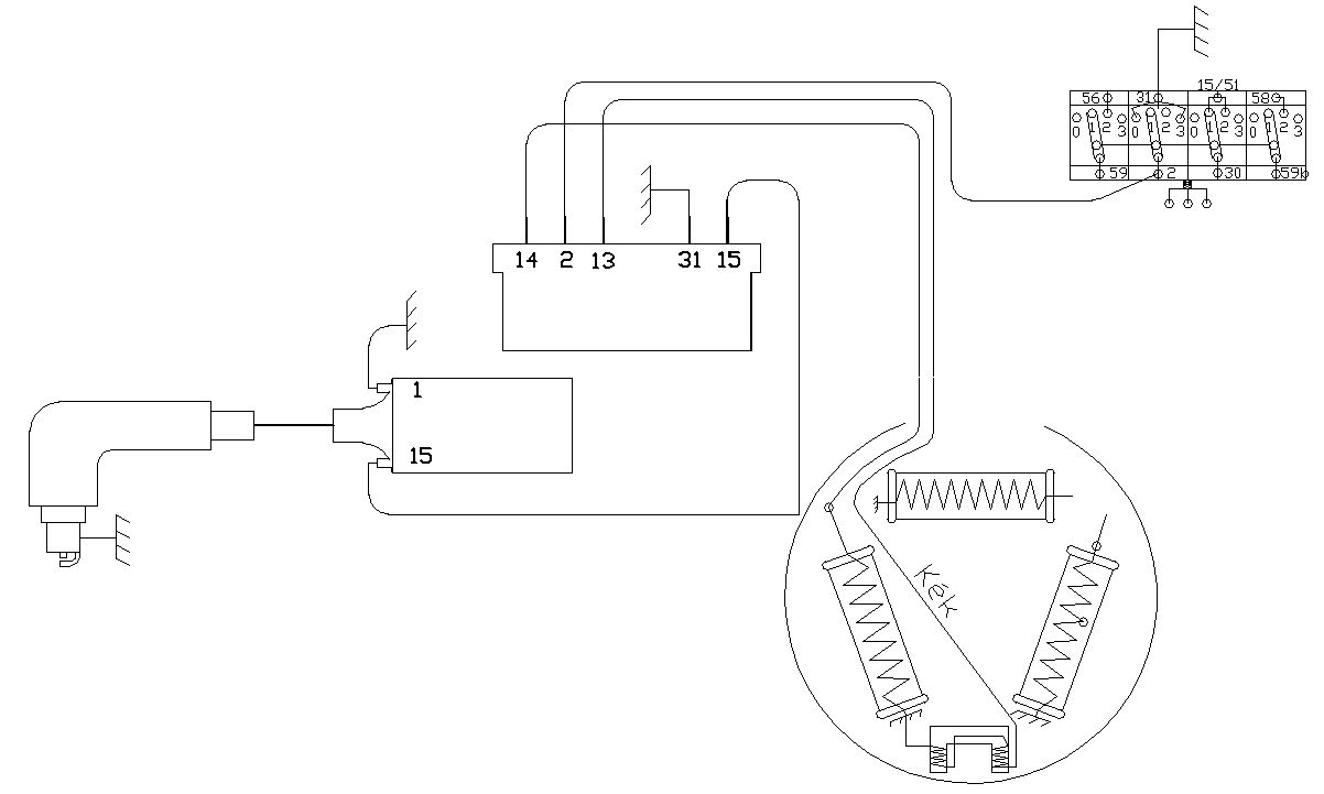
Bocs, hogy beleszólok, de nincs felcserélve a test a gyújtótrafóval? A tirisztor katódjának testen kellene lennie, a µF-os kondiknak pedig a trafóra kellene kapcsolódniuk.
Első nekifutásra, mikor én is megláttam én is így gondolkoztam, mint te. A rajz jó, a fémvázon megy végig a kondiban tárolt energia
Ha nem hiszed, akkor nézz meg egy gyári, elektronikus gyújtású SIMSON gyújtótrafóját (fordítva van bekötve). 1-es a fémkasznira, 15-ös pont az elektronikára |
Bejelentkezés
Hirdetés |




Pár perc, és ment a szekér!


Remélem sokaknak sokat segítettem ezzel. A beültetési rajz alkatrészoldaról nézve!!! 

Ha nem hiszed, akkor nézz meg egy gyári, elektronikus gyújtású SIMSON gyújtótrafóját (fordítva van bekötve). 1-es a fémkasznira, 15-ös pont az elektronikára






