Fórum témák
» Több friss téma |
Ha szkóp-képet teszel fel, legyen látható a kezelőszervek beállítása, vagy add meg a beállításokat!
Ezeket találtam: FQ221 (valószínűleg BFQ221) és 2N2369. De lehet ha jobban szétnéznék még mást is találnék a "kincses" ládikómban.
A jó öreg 2N2369 pont jó lesz, abszolút jó választás.
Ok, kösz. A 150pF kondi helyett jó a 100pF? Sehol sem találok itthon.
Ha csak nem a frekvencia meghatározó rezgőkörbe, kapcsolásba kell, nem hiszem, hogy számít. Kvarc körül számíthat, de az sem biztos.
Rakd bele, ha jó akkor annyi, ha nem, akkor még mindíg ráérsz cserélni.
Sziasztok!
Először is Boldog Karácsonyt Mindenkinek! Másodszor: van egy régi TV Oscillosynchroscope 1581/S szkópom, amit már jó régen kaptam és most kellett volna... Sajna bekapcsolva ugyan fűt az összes cső, de vetített pont a kép felső harmadában volt és nem lehett lehozni. Próbáltam rá jelet kapcsolni, de eltűnt a kép teljesen, nem csinál semmit. A kérdésem, hogy van e értelme vele foglalkozni? Teljesen sötét vagyok csöves tekintetben. Ha szerintetek nem érdemes vele foglalkozni, akkor vajon helyszínen PWM impulzusok ellenőrzése, itthoni barkácsolásra használható lenne-e egy ilyen? Bővebben: Link Eléggé megoszlanak a tapasztalatok róla (már amennyit találtam...) Előre is köszönöm a segítséget!
1581
Tápfeszültségek, ks cső feszültségeinek ellenőrzése. A függ állító kettős potméter ellenőrzése, lehet kontakthibás. Bár ha csak pont látszik, a fűrész generátor sem megy. Ha sokat állt, érdemes a csöveket párszor ki be huzgálni. PWM -re amúgy sem túl alkalmas, mert bár 10 MHz -es, egyenszintet nem visz át, a látott kép a kitöltési tényezőnek megfelelően le fel csúszkál. A DSO kb 20 kHz ig jó impulzusokra.
Sziasztok!
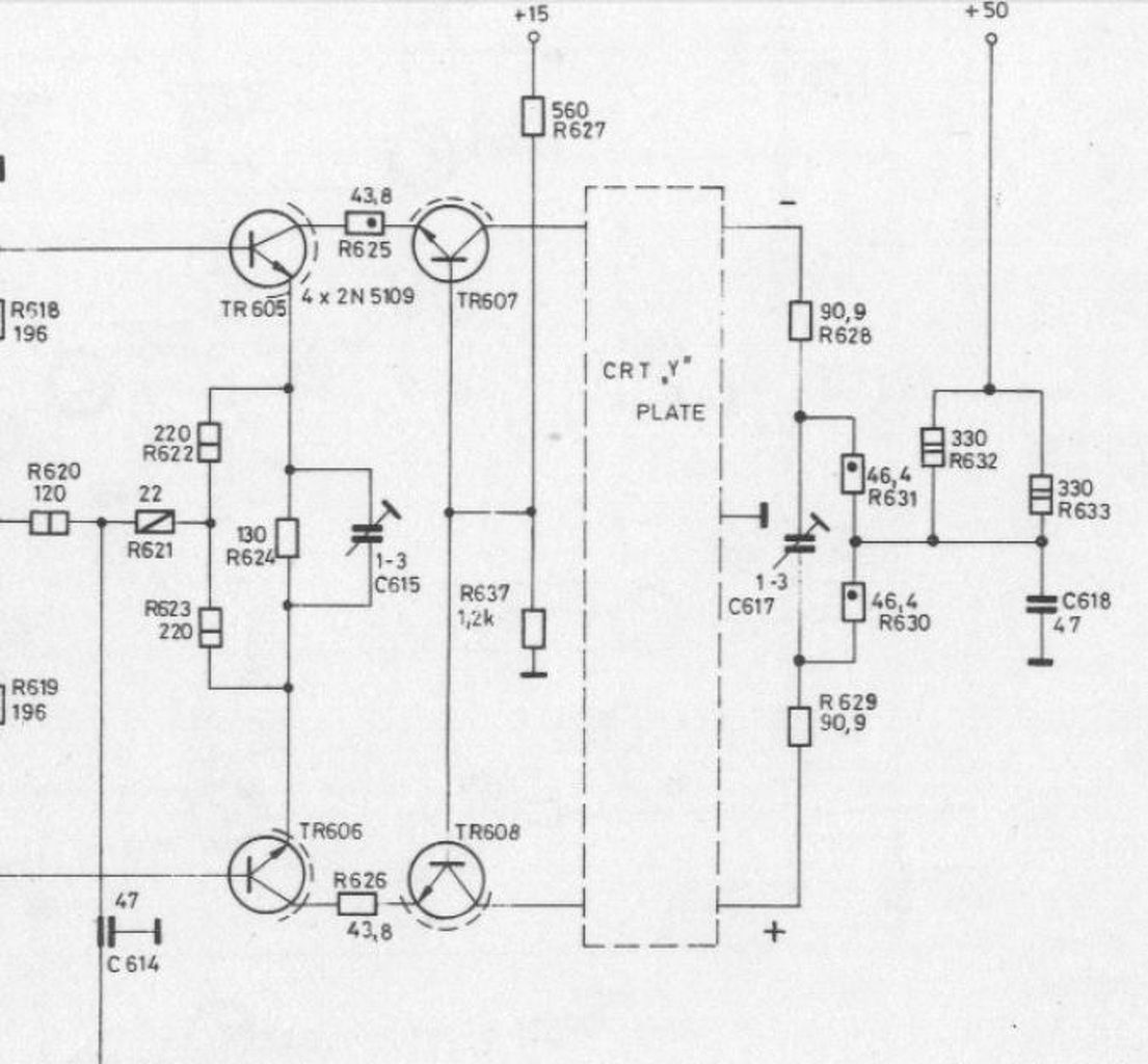
Egy nehéz kérdésben kérném szépen a segítségeteket. Kezembe akadt egy hibás TEK 2246 100MHz-es szkóp, amelynek meghibásodott a függőleges erősítője. Van benne egy tranyó, amelyet nem tudok azonosítani, mert valami Custom Tektronix típus. A Motorola gyártotta, ez biztos, az van ráírva a Motorola Logón kívül, hogy 0846, és alatta 8641. Alább láthatjátok a képen melyet csatoltam, csak a fémlemezre helyezve volt olyan a fényviszony hogy le tudtam fotózni. A helyét is lefényképeztem a panelban, hogy hová volt beültetve, a VO Gain felirat alatti kiforrasztott tranyóhely, a másikon egy fekete kör alakú hűtő van. Csatoltam még a Service manuálját is a szkópnak, ezt a kapcsolási részletet a 238. oldalon találhatjátok meg, és a nevezetes tranyó a Q701, vagy a Q702. Ez a két tranyó tök egyforma, a kettő közül csak az egyik szállt el. A kérdésem illetve a kérésem az lenne hozzátok, hogy kérlek segítsetek azonosítani ezt a tranyót, hátha már találkoztatok vele. A másik meg az lenne, hogy ha nem sikerül az azonosítás, akkor mivel tudnám helyettesíteni ezt a tranyót. Gondolom ennek minimum kellene tudnia 1GHz sávszélességet, ha nem többet. Ha lehetne valamivel helyettesíteni, akkor vennék belőle egy marékkal és már csak párba kellene válogatnom, hogy egyforma legyen. Előre is köszi. TEK 2246 Service Manual A hozzászólás módosítva: Dec 27, 2015
Ha ez segít, az EMG 1555-ös, 100MHz-es szkópjában, hasonló pozícióban 2N3866-os tranzisztorok vannak, nagyjából megegyező feszültségek mellett.
Szia!
Hogyne segítene, minden segítséget, támpontot köszönettel veszek, hiszen megakadtam ezen a ponton, hogy mivel lehetne ezt helyettesíteni. Kipróbálom ezt a tranyót amit javasolsz, szerintem jó lesz a Tektronixba is. Köszi szépen a segítséget.
A képen egy 250 MHz sávszélességű EMG szkóp Y végerősítő látható. Hasonló tápfeszültségről üzemel 2N5109 tranzisztorokkal hasonló hűtőcsillaggal. Ez biztosan megfelel.
Ezek jók helyette NPN Silicon BFS50, MRF515, MRF629, 2N3948 BFS50 2N3948 KT983A 40V, 0,4A, >1200MHz A hozzászólás módosítva: Dec 27, 2015
Köszönöm válaszod!
Kihuzigáltam a csöveket, megpiszkáltam a függőleges erősítés potméterét. Visszajött a kép, de sajna ismét csak felső harmad, a függ. erősítés legmagasabb állásában. A függ. eltérítés potik jónak tünnek. Rövidrezárt bemenettel is csak egy függőleges zajcsíkot produkál a felső harmadban. Ráadásul ez is csak a Marker 10 V-os állásában. Az összes többi lehetőségben nem csinál semmit. Szerintem hagyom. Jó lenne kipróbálni egy ilyen DSo201-et. Miskolc környékén nincs valakinek?
Nem egy rossz szkóp, csak nem arra, amire neked kell.
Ha a látszik valami/nem látszik valami dolognál többet szeretnél ahhoz minimum 100Ms/s mintavétel kell, a DSO201 1MS/s, tehát a gyerekjáték kategória. És ehhez képest elég drága is, amit linkeltél azért az árért kapsz egy 10-20MHz-es kétcsatornás használt analóg szkópot, ami fényévekkel jobb a DSO-tól. A DSO-val maximum 100kHz-es jelet tudsz nézegetni, és annál is csak az alap harmonikust, a zavarokból, tüskékből semmi sem fog látszódni.
Üdv. Jól megjártam minap a dolgot,véletlenül leválasztás nélkül mértem a szkópommal (14V egyenáramon) és egy szikrázás a mérőcsúcsnál,és a szkóp nem rajzol semmit.
Egy H3013-as régi orosz oszcilloszkópról volna szó,és abban kérném a segítségeteket hogy mit tehettem benne tönkre? És ha megvan az adott alkatrész cserélhető-e a mai modern alkatrészek valameikére? A válaszokat előre is köszönöm. ![]() A kép illusztráció,de a szkópom pont ugyan ilyen,azt leszámítva hogy a mérőkábel BNC-vel csatlakozik (átalakítottam régebben)
Szia !
A szerkezet annyira egyszerű hogy a hibát könnyű behatárolni, ha van vízszintes eltérítés a VT3 VT6 VT8 félvezetőket ill. a tápot kell ellenőrizned.
A táp rendben,kimértem,sajnos nagy valószínűséggel a VT3-as szált el (Кп103л J-FET),csak hogy ennek beszerzése szinte lehetetlen.
P csatornás MOSFET, ezzel helyettesítheted.
BF2xx-es típusok nem jók helyére? (azt a típust is ajánlották bele,abból akad is itthon jelenleg. )
BF2xx típusok N csatornásak, P csatornás kell a cseréhez.
Esetleg valami olyan típus ami "háztartásban" is fellelhető (mondjuk régebbi TV alkatrészeként),sürgős volna a javítás mivel épp munkában volt a szkóp.
Ha kiszedsz egy marékkal, és megkeresgeted az adatlapjaid, feltehetőleg találsz.
Annyi csak a bibi, hogy a régebbi berendezések régebbi alkatrészeket használnak, és a paramétereik kevésbé jók néha. Gondolok itt pl a hatalmas Ohmos csatorna ellenállású FET-ekre például. Ettől függetlenül szerintem találhatsz
Orosz TV tuner modulokban találsz KP FET-et 303-as is jó.
Rendben,abból is akad itthon,szétnézek és jelentkezem.
Sziasztok!
Egy EMG-1568/2A-t bűvölök. Se fény, se X, se Y eltérítés kiindulásból fél marék félvezető és egyéb alkatrész cseréje meg jópár kontakthiba megtalálása után eljutottam addig, hogy gyakorlatilag működik, de a fényerővel bajom van, de ötletem nincs. Konkrétan az a jelenség, hogy a fényerő felfelé csavarva egy ideig nő, majd visszacsökken egy viszonylag gyenge, de látható szintre. De rendes fényerő soha nincs, a kalibrátor fel-le futó éle már gyakorlatilag nem látszik. A katódfesz rendben van, stabil -1,2kV. Nagyfesz is rendben van. Mértem a katód-Wehnelt henger feszt, -77 volt körül van lezárva a cső, ahogy a fényerő csavarásával (vagy Z-mod vezérlésével) ez szépen nő, miközben egy darabig nő a fényerő, majd csökken. Tehát a kivilágosító erősító rendben van, ezt egyenfeszen és szkóppal is néztem. Végigmértem az összes cső elektróda feszt, közvetlenül a csőfoglalatnál, gyorsítófeszre is rámértem nagyfesz szondával, minden rendben lévőnek tűnik és előírás szerint vezérelhető. Több tippem már nincs, mint csőhiba. Láttatok már hasonló jelenséget? Tehát a fényerő egy darabig nő, majd visszaesik, annak ellenére, hogy a cső vezérlése közben folyamatos fényerő növekedést kellene, hogy okozzon. Mondjuk nem kritikus, hogy működjön, de amúgy szép állapotban lévő szkóp, eredeti mérőfejekkel és kézikönyvekkel, szóval szeretném, hogy rendesen működve legyen a polcon.
Sziasztok!
Tudna valaki segíteni egy HP 1335A szkóppal kapcsolatban? Már így került hozzám ahogy a képen látható. Mi lehet a gond?
Szia!
Először is ellenőrizd a tápfeszültségeket! De eez nem egy oszcilloszkóp, hanem egy X-Y kijelző, ami alapja lehet egy szkópnak is. Bővebben: Link.
Szia!
Rendben köszönöm, és igen igazad van. |
Bejelentkezés
Hirdetés |







Egy H3013-as régi orosz oszcilloszkópról volna szó,és abban kérném a segítségeteket hogy mit tehettem benne tönkre? 







