Fórum témák

» Több friss téma
Fórum » Kapcsolási rajzot keresek
 
Témaindító: Kallai Csaba, idő: Márc 11, 2006
Témakörök:
Lapozás: OK   294 / 384
(#) papus51 válasza rockerjimmy hozzászólására (») Jan 23, 2016 /
 
A proli007/Alkoto féle tápot építettem meg tápáganként 5-5 db 2SC2922 típusú teljesítmény tranzisztorokkal. Ez így 2 x max. 60V és 10 A.
A hűtésről persze jó nagy bordák és ventilátoros hűtés gondoskodik, mer itt azért már brutális teljesítmények is előfordulhatnak.
(#) rockerjimmy válasza papus51 hozzászólására (») Jan 23, 2016 /
 
Ez jó lehet nekem!
Hol lehet utána olvasni vagy rajzot fel lelni?
Van nyákterv is hozzá?
(#) papus51 válasza rockerjimmy hozzászólására (») Jan 23, 2016 /
 
A Labortápegység készítése topik nagy része erről szól. Keress rá!
Például itt
A hozzászólás módosítva: Jan 23, 2016
(#) rockerjimmy válasza papus51 hozzászólására (») Jan 24, 2016 /
 
Köszönöm!
Átmegyek akkor oda!
(#) weend hozzászólása Jan 26, 2016 /
 
Sziasztok!
Samsung GH19LS tipp. monitornak a kapcsolási rajzát keresem, de elég lehet a tápegységé is.
Köszönöm, hogy elolvastad.
(#) nagysasy hozzászólása Jan 30, 2016 /
 
Sziasztok.
Keresném az Fg Elektronik E120-as erősítő kapcsolási rajzát.
Köszönöm.
(#) PDM hozzászólása Jan 30, 2016 /
 
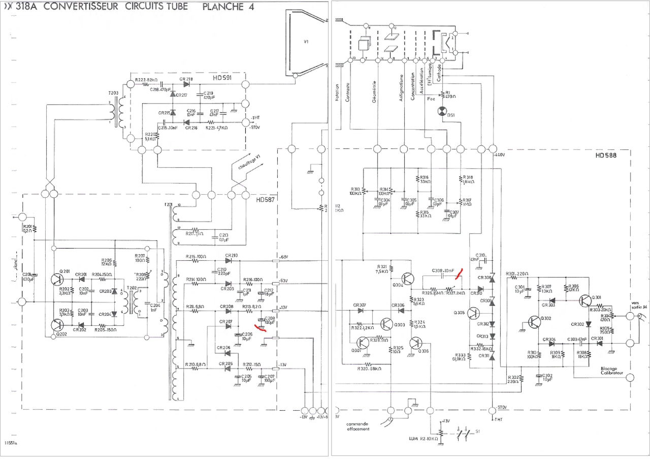
Keresem a METRIX "OX318 A" tip. szkóp kapcs.rajzát.
Bővebben: Link

Köszönöm előre is.
(#) gerenk válasza PDM hozzászólására (») Jan 31, 2016 /
 
Szia !
A táp és ks cső áramköre, elindulásnak jó
A hozzászólás módosítva: Jan 31, 2016

ox318.jpg
    
(#) takeoff hozzászólása Jan 31, 2016 /
 
Sziasztok!
Egy kombinált modem-router folyamatos táplálását szeretném megoldani, mivel a telefon is azon keresztűl működik (koax rendszer) így áramszünetnél a riasztó nem tud kommunikálni a távfelügyeleti központtal. Gondolom szükség lenne egy 12V-os akkumulátorra és valamilyen kapcsolásra mely folyamatosan tölti azt, ill. táplálja a modemet. Tudtok segíteni?
Üdv: András
(#) eyess válasza takeoff hozzászólására (») Jan 31, 2016 /
 
Szünet mentes táp.
(#) Sebi válasza eyess hozzászólására (») Jan 31, 2016 /
 
Igen. De ezért felesleges rossz hatásfokkal előállítani a 230V AC-t, amiből aztán megint 12V DC-t csinál. Jól írja: kell egy 13,8V-ra beállított kis tápegység, annak kimenetére rá lehet kötni a 12V-os 6Ah-ás akkut (ahogy a riasztóban is van) és ez mehet a router betápnak.
Néhány méréssel még az is eldönthető, hogy akár a riasztó akkuról lehet-e vinni a 12V-ot a routernek. Egy mérettel nagyobb aksi is beférhet a régi helyére - persze, ha sok métert kell kábelezni, akkor ez felejtős...
(#) eyess válasza Sebi hozzászólására (») Jan 31, 2016 /
 
Nem kell előállítani UPS .Vannak készen szünet mentes tápok , és azoknak azért jó a hatásfokuk , és bírják is a terhelést.
Na meg nem árt összeszámolni mennyi készüléket is szeretne róla működtetni , és annak menyi lenne az össz áramfelvétele .Mert hiába akkumulátor , ha fél nap alatt lemerül a nagy terhelés miatt , vagy még hamarabb.Egy 0,6 A terhelés mellett egy 6A es akku 10 óra alatt már le is merült.
(#) Remci válasza takeoff hozzászólására (») Jan 31, 2016 /
 
Pár forintból előállítható, ha jól emlékszem LM350-es Icvel egy kapcsolás, ami elvileg 3A-t tud. Kell még egy 16v-os 30-40 VA-os trafó hozzá. Erre rá tudod kötni a riasztó akkut és van kimenete is a fogyasztónak külön. Mondjuk vannak ettől komolyabbak is, amik a rövidzárat figyelik például, meg alacsony akku feszültségnél lekapcsolják az akkumulátort, de azok készen már több ezer Ft-ba kerülnek. Csináltam egy képet az előzőről, ha érdekel akkor vissza rajzolom. A potival be tudod állítani a kimenő feszültséget. Nem egy ördöngösség.
A hozzászólás módosítva: Jan 31, 2016
(#) kokozo válasza eyess hozzászólására (») Jan 31, 2016 /
 
Ugyan ekkora terhelésnél meg ugyanilyen akuval egy ups bírni fogja kb 1 órát.. a fel le transzformálások miatt. Tehát még mindig jobb ha 10 óra alatt merül le mint ha 1 óra alatt
(#) otvenkilenc hozzászólása Jan 31, 2016 /
 
Keresem a Műszeripari Szövetkezet GS-31 tipusú TV SERVICE SCOPE kapcsolási rajzát.
(#) takeoff válasza Remci hozzászólására (») Jan 31, 2016 /
 
Köszi mindenkinek, de úgy gondolom hogy a szünetmentes táp kicsit húzús erre a feladatra. Sajnos nem deríthető ki a modem fogyasztása, csak annyi van ráírva hogy 12V 2A a tápja. Szerintem a LM350-es kapcsolás megfelelő lehet, megköszönöm ha elküldöd.
Üdv.
(#) Remci válasza takeoff hozzászólására (») Feb 1, 2016 /
 
Szia!
Nos, így néz ki. Az alkatrész értékek rajta vannak. Panelrajzot nem csináltam hozzá, a kép alapján könnyen elkészíthető
(#) maszek0005 válasza Remci hozzászólására (») Feb 1, 2016 /
 
Végigolvasva a kapcsolódó hsz- eket, én hiányolok egy diódát a led és a biztosítékok közül. Már a led is ne terhelje az akksit. Valamint az akksi töltőáramkorlátozó ellenállását.
(#) Remci válasza maszek0005 hozzászólására (») Feb 1, 2016 /
 
Lehetne egy diódát az akku kimenetre tenni, hogy fordított polaritás esetén ne legyen gond. De végül is ez egy gyári kapcsolás, azt hiszem a DSC-nek voltak ilyen segédtápegységei, azt rajzoltam vissza. Volt még LM317-el készített 1,5A-es, valamint 2 db LM317-el összerakott 3A-es tápegység is. Azokban volt polaritás csere elleni dióda, viszont áramkorlátozó ellenállás egyikben sem. Talán azért mert 13,6-13,8v-al küldte az akkut.
(#) HA5AWS hozzászólása Feb 1, 2016 /
 
Sziasztok!
Keresem a Fok-Gyem TR 9177/A labortáp kapcsolási rajzát. A 9177-ről van rajzom, az "A" változat kellene. Tirisztoros előszabályzás van benne és két LM324 IC. 0-40V 0-10A
Ha tud valaki segíteni köszönöm!
Üdv: Gábor
(#) Melphi hozzászólása Feb 2, 2016 /
 
Sziasztok!
Keresnék egy olyan kapcsolási rajzot amivel a képen látható kb 20w kompaktfénycsövet tudok hajtani 12V-rol, tudom hogy vannak 12v os kompaktfénycsövek, csak azok élettartamáról rossz tapasztalatok vannak, a LED fényét meg nem szeretem, ha valakinek lenne valami bevált kapcsolási rajza azt megköszönném. Amúgy az éjszakai pecáimhoz kellene.
Köszönöm.
(#) gerenk válasza Melphi hozzászólására (») Feb 2, 2016 /
 
Egyszerű blocking oszcillátor, ferrit fazékvasmaggal, 2-25 KHz körüli frekvenciára.
Itt kereshetsz.
üdv István
A hozzászólás módosítva: Feb 2, 2016
(#) Melphi válasza gerenk hozzászólására (») Feb 2, 2016 /
 
Köszönöm
(#) (Felhasználó 46585) válasza Melphi hozzászólására (») Feb 2, 2016 /
 
Ennek a korrekt megoldása elég bonyolult. A másik, hogy ha te 20 W-tal világítani fogsz a vízparton, akkor gyorsan elüldöznek onnan. Erre a célra én egy 1 W-os LED-et használok, egy napelemes kerti lámpa tokjába beépítve. Bőven elég fényt ad, ha meg horgot kell kötni, arra ott a fejlámpa.
(#) hobbyboby válasza (Felhasználó 46585) hozzászólására (») Feb 3, 2016 /
 
De lehet hogy saját vízpartja van!
(#) hobbyboby válasza takeoff hozzászólására (») Feb 3, 2016 /
 
Adok én egy szünetmentes tápot, ha valaki tényleg igényli!
Hoz nekem 3 finom sört - és már egyből viheti is!

Én úgy kaptam, hogy nem jó ...
de lehet, hogy csak akksit kellene benne cserélni.
Ha meg tényleg valami elektronikai baja van, az talán megjavítható.
Én igazából sohasem foglalkoztam vele, ám simán kidobni mégis sajnáltam .... szép darab ...
(#) szucsistvan123 hozzászólása Feb 3, 2016 /
 
Üdv!
Nincs valakinek véletlenül NYÁK terve Attila 86 Forrasztóállomás II -jéhez?
Az eredeti NEM JÓ!
Sprint layout-ban lenne a legjobb.
(#) eyess válasza szucsistvan123 hozzászólására (») Feb 3, 2016 /
 
Vagy pdf ben nem ? De miért nem jó az eredeti ?
(#) szucsistvan123 válasza eyess hozzászólására (») Feb 3, 2016 /
 
Nem tetszik.
Az IC lábai között túl vékonyak a vezetősávok. (vasalással nem tudom megcsinálni szépen)
(#) eyess válasza szucsistvan123 hozzászólására (») Feb 3, 2016 / 1
 
Dehogynem.

Amúgy meg átakarod tervezni ?

Amúgy ez az ? É melyek a kritikus helyek szerinted ?
A hozzászólás módosítva: Feb 3, 2016
Következő: »»   294 / 384
Bejelentkezés

Belépés

Hirdetés
XDT.hu
Az oldalon sütiket használunk a helyes működéshez. Bővebb információt az adatvédelmi szabályzatban olvashatsz. Megértettem