Fórum témák
» Több friss téma |
Bővebben: Link
4 db van és 300w.
Szia! A videón kétcsatornás erősítő van, egy-egy hídból állnak a csatornák.
300w láttán azt hittem hogy egy az egész.
A hozzászólás módosítva: Jan 20, 2016
Úgy értsd 2x150W.
És még a 150-et is kétlem, mert a videóban a trafó van Kb. 300W szintjén. A 100W reálisabb csatornánként.
Több sebből is vérzik az az erősítő, szót sem érdemel.
A tápfeszültség értékéből (18V AC) is kb. annyi jön ki, ha utánaszámol a ember. Főleg, hogy milyen kicsi az a trafó. De a hangján is hallatszik, még a videón is. A 2x100W egy akkora szobában úgy túlvezérelte volna azt a kamerát, ahogy elő van írva. Hallható az is, hogy dinamikátlan, lagymatag, erőtlen hangja van.
A hozzászólás módosítva: Jan 20, 2016
Sziasztok!
TDA7294 lehet párhuzamosan kötni? A képen nagyából látni hogy mire gondoltam.
Sziasztok. nem találom meg az eg ic reloop féle kapcsolást de lay formátumban . akinek megvan az tudna segiteni?
Szia! Ezt keresed?
Sziasztok!
Csatolom egy gyári készülék, a Gemini P-700 kapcsolási rajzát, mert ilyen doksi nem sok található a témában. Érdemes tanulmányozni. A hozzászólás módosítva: Jan 29, 2016
Nincsenek trafó adatok (én nem találtam), pedig kíváncsi lennék gyárilag mit gondolnak jónak hozzá. A tápszűrés összesen 1-1 4700µF/50V (én általában IC-nként látnék ennyit jónak).
A specifikáció adatainak eléréséhez nem lehet kevesebb a tápfeszültség legalacsonyabb értéke 4 ohm terhelés esetén ±33V-nál (±37V/8ohm). Tekintettel a "sovány" kondira, az üresjárati feszültséget ±40V-ra becsülöm.
A 4700µF kondi ha ellent is mond a gyakorlatnak, az amperenkénti 1000µF ökölszabállyal összhangban van.
Hú, hihetetlen, mennyire igénytelen lett a rajza. De legalább van...
Szia Bocsi hogy zargatlak ,de kaphatnék egy mélyhang szűrőt ? Panel terv formályában , ami végülis mindjárt meg is emeli az apro jelforrást ugy hogy kilehesen vezérelni az ic . nem tudom pontosan mennyi az érzékenysége. Vagy inkább kérdés hogy van e ilyened?
Tervezem, hogy dokumentáljak egy könnyen utánépíthető szubszűrőt, de megbecsülni sem tudom mikor jut rá időm.
Addig a 2.1 erősítőből tudod kiollózni, Bővebben: Link, Bővebben: Link
A SUB_4 -et csak ajánlani tudom (2 példány építése alapján). Ha csak ezt akarod építeni, akkor itt is találsz egy paneltervet hozzá, de a teljes 2.1-es panel rendkívül jól bevált nálam (sokkal inkább ezt ajánlom, mint bármi mást). Ez szinte csak 2 db végfok IC-vel több mint egy normál sztereó változat, de teljesen kompakt, minimális a huzalozás és nem utolsó sorban van hozzá elérhető, kipróbált panelterv.
Milyen trafóteljesítmény tippelsz egy gyári készülékben?
Ha a 8R miatt feljebb mennek a tápfeszültséggel, akkor ez nem fog szélsőséges melegedést okozni 4R esetén? A hozzászólás módosítva: Jan 30, 2016
A Manual 400W maximális teljesítményfelvételt említ, ez 4 ohm-on össze is jön egy kis túlvezérléssel. Ezt bizonyos ideig bizonyára elviseli a trafó. Ha rajtam múlna 250VA-ra tervezném a normál használathoz.
A melegedés garantált, de ott a ventilátor.
Az elvileg ésszerű határokat már több irányból is érintette ez a téma, beleértve ebbe a feszültséget, a trafóteljesítményt, és a pufferigényt is.
Éppen arra próbáltam rákérdezni, ehhez képest milyen elvek szerint készül egy gyári készülék. Igazodik a mi elméleteinkhez, vagy más vezérvonalakat követ. Külön érdekesség az átkapcsoló nélküli 4-8 ohmos illeszkedés.
Sziasztok!
Van nekem is egy a korábban itt "zenegépből bontott" panelként emlegetett végfokból. Ez 2 db sztereó panelt tartalmaz. Hogyan lehetne azt megoldani, vagy egyáltalán meg lehet-e, hogy az autós erősítőkhöz hasonlóan átkapcsolható legyen 4 csatorna vagy 2 csatornás híd között?
Szia! Pont úgy mint az autós végfokokban, a négyből két csatorna elé fázisfordítót iktatsz be.
Köszi! Találok erre itt valahol konkrét megvalósítást?
Autós erősítő rajzán tanulmányozhatod, ha ez bonyolultnak tűnik, készítek egy tömbvázlatot.
Tudnál mutatni egy ilyen autós erősítő rajzot? Próbáltam a guglival, de nem nagyon találtam használható rajzot.
Szia! Az alsó hangszórót nem fordítva kell bekötni? Mert így ellenfázisban lesznek monó, nem hidalt bekötéskor.
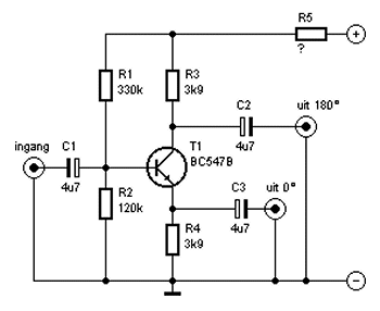
Köszönöm! Gondolom a háromszögben lévő +1 és -1 a fázisfordító. Annak nem kell kikapcsolhatónak lennie?
Fázisfordítónak ez megfelelne? Bővebben: Link A hozzászólás módosítva: Jan 31, 2016
|
Bejelentkezés
Hirdetés |










