Fórum témák

» Több friss téma
Fórum » Kapcsolóüzemű táp 230V-ról
 
Témaindító: cimopata, idő: Szept 13, 2006
Témakörök:
Lapozás: OK   662 / 788
(#) ferci válasza 13_Balu50 hozzászólására (») Júl 10, 2016 /
 
A 10. láb jó helyen van - úgyse tudnád pill. bekötni alkalmas helyre, hogy tiltson.
Feszültségeket mérj a többi lábon, hogy összehasonlíthasd, hogyan állhatnak a kemenetei az erősítőknek. Hátha vmi kiderül.
Elvileg az optóval is lehetne játszani, ha jobban felderítenéd a szekunderről jövő részét.
(#) xitibi hozzászólása Júl 10, 2016 /
 
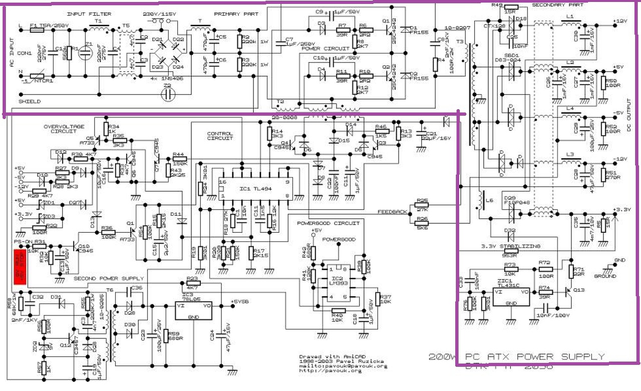
sziasztok. Szigorúan elméleti szinten kérdezem. ha csak ezt a részét építeném meg egy tápnak mi lenne?
működne?( lilával kőrbe keretezett rész) előre is köszönöm a válaszokat. sziasztok.

kérdés.jpg
    
(#) dokidoki válasza xitibi hozzászólására (») Júl 10, 2016 /
 
Ez egy pc-táp rajz. Nem kell megépítened, szanaszét hevernek mindenhol... Csak használni, vagy rosszabb esetben megjavítani kell, amit találsz.
Amúgy meg, a kérdésed szerint, ha csak a bekeretezett részt, építed meg, akkor a kérdés a következő, szerinted mi fogja vezérelni - szabályozni a működését?
(#) eSDi válasza xitibi hozzászólására (») Júl 10, 2016 /
 
Üdv!

Mivel ez egy ATX tápegység kapcsolási rajza, a primer kondenzátorok feltöltődésén kívül, nem történik kb semmi.
(#) xitibi válasza dokidoki hozzászólására (») Júl 10, 2016 /
 
Az én elméletem szerint az oszcillátor, és annak alkatrészei ugyebár ott vannak. Elméletem szerint a rezgés elindulna, és ha ez önerősítő rezgés akkor max az alkatrészek szabályozzák le. (ezért szigorúan elméleti kérdésként tettem fel.) Most próbálom meg érteni a rajzot ezért teszek fel olykor buta kérdést. köszönöm a rám fordított időd.
A hozzászólás módosítva: Júl 10, 2016
(#) 13_Balu50 válasza ferci hozzászólására (») Júl 11, 2016 /
 
Az SG3524B 1 láb 2V, a 2 láb 5V, a 4,5 lábon 0 V van, de sajnos a 11, 14 es lábon csak 0,1 V-ot mérek, a jelalakot és a frekit nem sikerült az oszcilloszkóppal megnéznem szerintem gagyi hozzá. Az IR2110S ic 1,8 lábán ami a feteket vezérelné 0V ot mérek,. Ami, meglepő az sg3524B ic 3 lábán, tudok mérni az oszcilloszkóppal egy v max 4V-os nem igazán 105kHz -es négyszögjelet
(#) ferci válasza 13_Balu50 hozzászólására (») Júl 11, 2016 /
 
Elvileg a hibaerősítő nem tilt, az áramjel is rendben, persze nem is kap vissza semmit az alsó fet source-től, ha be van kötve.
A 3. láb képe rendben van, ott egy keskeny impulzus van pl. 3525-ön. Megkockáztatnék egy 3524 cserét... remélhetőleg nem a 2110 totálkáros és a bemenetei húzzák le a 3524 kimeneteit..
(#) dokidoki válasza xitibi hozzászólására (») Júl 11, 2016 /
 
Igaz, egy próbát megér, mielőtt elméletben elvetnénk bármit is. Ha esetleg nem is történik semmi, akkor még egy esélyként a T2 trafó visszacsatolótekercsét fordítva bekötni. Vagy elindul vagy nem.
Nem vagyok sajnos nagy kapcsitáp szakember, se elméletben se gyakorlatban. Így nem tudom tovább biztosan állítani, hogy nem működhetne, vagy garantálni, hogy nem fognak összenyitni tranzisztorok. Szerencsére a buta kérdésekből igen kevés van, inkább a rosszul feltettekkel van nagyobb gond. Tied, nem volt vészes.
(#) xitibi válasza dokidoki hozzászólására (») Júl 11, 2016 /
 
Azokat a tekercseket én is néztem de valamit vagy nem tudok róluk, vagy valamire nem gondolok, vagy mindkettő. Elméletem szerint ellenállásal és indukcival rendelkezik azt meg talán lehet helyettesíteni.
(#) Trivium93 válasza xitibi hozzászólására (») Júl 11, 2016 /
 
Üdv.
Működhet a dolog. Nekem addig indult be míg egyenirányítás rá nem került. Rákerült és próbánál láttam, hogy összevissza fut a jelalak (mint valami zene).
ezt használják fénycső elektronikának Önrezgő
Bár a fetest már láttam működni ismerősömnek. fetes önrezgő táp
(#) xitibi válasza Trivium93 hozzászólására (») Júl 11, 2016 /
 
Szia. Bár ezek tuti működnek. (skory működő dolgokat publikál) Engem viszont inkább az atx es táp érdekel hisz abból rengeteg van mindenhol.
(#) 13_Balu50 válasza ferci hozzászólására (») Júl 11, 2016 / 1
 
Mi lenne ha kiemelném az ir2110s azon két lábát12,14, ahová bemegy az sg Ic 11,14 lába.Gondolom ha ugy lenne 150kHz körülinégyszög jel akkor, az sg feltehetően jó, és akkor az is feltehető . hogy az Ir2110s terheli be azzal, hogy rossz.
Az sg Ic cseréjét (smd) nem vállalnám be, annyira nem jó a szemem, a kezem se egy mütős keze, meg technikám sincs meg hozzá.
(#) ferci válasza 13_Balu50 hozzászólására (») Júl 11, 2016 / 1
 
Amelyik megoldás könnyebb, azt csináld.. lényeg, hogy a 3524 kimenetek ne menjenek rá a 2110 bemeneteire. Akkor már tudsz tesztelni segédtáppal mindkettőre.
(#) gerleimarci válasza xitibi hozzászólására (») Júl 11, 2016 /
 
Szia!
Miért nem jó az ATX táp gyári vezérlése? Felteheted akár fix 50%-os kitöltésre is vagy akár egy kis átalakítással változtatni is lehet a kimenő feszültséget. Bővebben: Link
(#) xitibi válasza gerleimarci hozzászólására (») Júl 11, 2016 /
 
Szia. Hogy mi késztett arra hogy gondolkozak és elméleti szinten kérdezzek??? Mert szeretném megérteni a kapcsolási rajzát ; mert feleslegesen nagy és nehéz ; mert igy rengeteg bontott alkatrészből tudnék valami értelmeset csinálni; az alkotás öröme. Csak Ennyi
A hozzászólás módosítva: Júl 11, 2016
(#) gerleimarci válasza xitibi hozzászólására (») Júl 12, 2016 /
 
Végül is egy próbát megér. Egy működő tápon elmetszed a vezérlőtrafó primerjénél a vezetősávot.
Én amúgy úgy tudom, hogy az a trafó ellencsatolva van a azzal a 3. tekerccsel, amin az áram folyik, hogy alacsony kitöltésnél is normális legyen a jelalak. Ha nem rezeg be akkor még ez is lehet az oka. Lehet meg kell majd cserélned a kivezetéseit, mint ahogy írták. Ha nem válik be, akkor se vesztesz sokat
(#) xitibi válasza gerleimarci hozzászólására (») Júl 12, 2016 /
 
Szia. Először elméleti sikon szeretném le tisztázni aztán jöhet a gyakorlat. Ezt az ellencsatolást ki fejted kicsit bővebben?
(#) gerleimarci válasza xitibi hozzászólására (») Júl 12, 2016 /
 
Valamikor itt tárgyalva volt, de nem találom. A másik, amiért benne van, az a rövidzárvédelem Bővebben: Link
Ha keresel egy AT (régi) tápot, azzal működhet a dolog, mert az eredetileg is önrezgőként indul (a segédtáp hiánya miatt), és csak utána szabályoz le a 494.
(#) Karma1 hozzászólása Júl 26, 2016 1 /
 
Sziasztok!
Kaptam egy pár régi pc táp alkatrészt illetve panelt és ezekből szeretnék építeni egy kapcsolóüzemű tápot, az erősítőmnek, kb 20V szimmetrikus feszültség kellene 6A-áramerősséggel.
Adott egy régi pc-táp trafó illetve 2db tl494 ic ezekből kellene kiindulni de nem találtam olyan kapcsolást ami pontos alkatrész adatokat tartalmazott volna illetve megfelelt volna.
Hogyha tudnátok segíteni az nagyszerű volna.
A hozzászólás módosítva: Júl 26, 2016
(#) tursaba válasza Karma1 hozzászólására (») Júl 27, 2016 /
 
Szia! A "PC Táp átalakítás" topic átolvasással nagyobb szerencséd lesz.
(#) Doky586 hozzászólása Júl 28, 2016 /
 
Sziasztok!
Tudnátok ajánlani egyszerű kapcs táp kapcsolási rajzot? (vagy kész megvásárolható boltit)

Csöves erősítőt építenék és szükségem volna 700V dc kimenőre olyan 1kW teljesítmény mellett..
(esetleg 600W is elég)

Tudnék a 230V~ kétszerezésével előállítani kb 600V -ot, de ez nincs leválasztva a hálózati feszültségről így életveszélyes lenne minden részének az érintése (és a ki/be-csatoló kondik áthúzása is katasztrofális lenne), sőt mivel egyutas a fesz kétszerezés, ezért a graetz hídhoz képest dupla kondimennyiség kellene, ami 700V-on igen sok sok pénzbe kerülne..

(és egy 1kW 50Hz trafót tekertetni se olcsó, ennél olcsóbb megoldás kellene)
A hozzászólás módosítva: Júl 28, 2016
(#) Ge Lee válasza Doky586 hozzászólására (») Júl 28, 2016 /
 
A félhídra is van többféle megoldás, vagy ott van a hidam rajza a topikban, egy kondi ki-be rakásával lehet hagyományos keménykapcsoló vagy rezonáns (ZCS).
(#) Doky586 válasza Ge Lee hozzászólására (») Júl 28, 2016 /
 
Idézet:
„ott van a hidam rajza a topikban”

hol? itt nincs 15oldalra visszamenőleg se.
(#) Ge Lee válasza Doky586 hozzászólására (») Júl 28, 2016 /
 
Már az első oldalon is ott van a képek között egy változat, de ez volt a legutolsó amit a mai napig is használok. Persze ez sem tökéletes, a miérteket és hogyanokat már sokszor leírtam a topikba, többször nem szeretném. Nyilván akkora szekunder feszültségre építed amekkorára akarod.
(#) Doky586 válasza Ge Lee hozzászólására (») Júl 28, 2016 /
 
köszönöm
(#) Karma1 válasza tursaba hozzászólására (») Júl 30, 2016 /
 
Azért ide tettem fel a kérdést mert nekem nem átalakításra lett volna szükségem, hanem konkrétan egy új elektronikát szerettem volna építeni a trafó köré.
(#) gerleimarci válasza Karma1 hozzászólására (») Júl 30, 2016 /
 
Ha 494-el akarsz építkezni, akkor már egyszerűbb átalakítani egy működő ATX tápot, mert minden ott van a gyári panelen.
Vagy csinálhatsz IR2153-al is, olyat is sokan csináltak itt a fórumon.
(#) kezdoke hozzászólása Júl 31, 2016 /
 
Sziasztok nemtudom mennyire járok jóhelyen de lenne egy tetoválógép tápegységem ami megadta magát a 230as oldalon mérhető feszültség viszont tovább semmit nem mérek lenne valakinek elképzelése ? IC-k: THX203H; 817C optocsatoló; LM2575T . Amit tudnia kellene 0-18V ig állítani a feszültséget a képen a pedál helyettesítve van egy vezetékkel.
A hozzászólás módosítva: Júl 31, 2016
(#) latyakosa válasza kezdoke hozzászólására (») Júl 31, 2016 /
 
A szekunder oldalon nincs zárlat ? Úgy néz ki a kép mint ha a C8 felrobbant volna...
A LM2575T lábait és a diódákat is érdemes lenne ellenőrizni.
A hozzászólás módosítva: Júl 31, 2016
(#) kezdoke válasza latyakosa hozzászólására (») Júl 31, 2016 /
 
A C8 az én hibámból robbant fel naívan külön megtápláltam az LM2576-öt egyszercsak pukk sajnos rövidzárat sehol nemtalálok diódák amit multiméterrel lehet nyitást-zárást ellenörizni megtörtént és hibátlannak bizonyult a LM2576 ki lett emelve gondolván hátha ott van valami rövidzár
A hozzászólás módosítva: Júl 31, 2016
Következő: »»   662 / 788
Bejelentkezés

Belépés

Hirdetés
XDT.hu
Az oldalon sütiket használunk a helyes működéshez. Bővebb információt az adatvédelmi szabályzatban olvashatsz. Megértettem