Fórum témák
» Több friss téma |
Mielőtt kérdezel, a következő két dolgot ellenőrizd!
I. A helyes tápfeszültségek megléte.
II. A kimeneten van-e egyenfeszültség.
Élesztés.
Én a helyedben azt a 28 hiányzó alkatrészt beleszegezném, beállítanám a nyugalmi áramot, meg az áramkorlátot és lenne egy nyúzható stabil géped, nagyobbat meg építhetsz később, ha megvan a gyakorlatod, meg a tápod.
Persze ennek is meg van az esélye, ha pótolható a hiányosság és rendesen beállítható. Ha nem hagy ott a következő megmérettetésénél akkor életképes és maradhat. Valamiért nem látok rá esélyt. Jó lenne ha meg lehetne menteni, valaki sok energiát ölt már bele.
Sok a kérdés: Mennyi a nyugalmi áram? Külön próba nyákra megépíthető az áram limit? Nem lesz gerjedékeny? A Bordahőfok és a Nyugalmi áram stabilizátor ami most hiányzik, egy bordán van és egy feszt vezérel. Van itt mérhető beállítás? Lehet hogy a nyugalmi áram stabilizáló finoman a borda hőfok szabályoz meredeken szabályoz? De mind a kettő elállítása befolyásolja a nyugalmi áramot? Elhiszem hogy jó tapasztalataid vannak ezzel a kapcsolással, irigyellek miatta, ha tudsz kérlek segíts, megnézzük ebből lehet-e olyat varázsolni. Meg kell ismernem néhány kapcsolást hogy dönteni tudjak a végleges mellett.
Rendben adj egy mail címer privátba vagy egy Facebook elérhetőséget. És elkűldők pár rajzot válogatni
Sziasztok olyan kerdesem lenne hogy egy TDA7294-es hid 2x13v-AC tappal mekkora teljesitmenyt adna le 6ohm-on?
40w körül. De ez az IC nem kifejezetten alacsony táphoz való, főleg nem alacsony terhelőimpedanciával. Így nagyon rossz lesz a hatásfoka. Persze ez csak hozzávetőleges érték, mert nem írtad, mekkora a trafódnak a terhelhetősége. Kis trafónál csak puffogás lesz az eredmény. Ugyanis a teljesítmény a tápegységből lesz, a végerősítő az mindössze igyekszik olyan hullámalakra formálni a tápfeszt, hogy az többé-kevésbé hasonlítson a bemenő jelhez. Bele is izzad rendesen, azért kell neki nagy hőleadó felület. Van neked több trafód is. Azok terhelhetőségét meg lehet saccolni, ha megméred a primer tekercs ellenállását. Előtte érintsd össze a multiméter kivezetéseit ohm állásba, mert ezt (0,5 ohm körüli) le kell vonni a mért értékből.
Primer ellenállásból terhelhetőséget saccolni?
Inkább vasmag keresztmetszetből kellene.
Itt találtam erről a kapcsolásról egy kis beállítási leírást: Bővebben: Link
Te is ezt ajánlanád? A hozzászólás módosítva: Aug 28, 2016
Mind a kettő fontos része. De a keresztmetszetből pontosabb értéket lehet kapni.
Sziasztok errol az erositorol velemeny?Erdemes megepiteni?
Es milyen az a nem invertalo kapcsolas?Most lehet hulyet kerdeztem
Esetleg megtudnad nekem ezt rajzolni ahogy mondtad? A hozzászólás módosítva: Aug 27, 2016
Nem tudom mennyire segít ez a kép nem invertálós
,de ilyen. Bemenet a pozitív bemenetre van vezetve. Így nem fordít fázíst. A hozzászólás módosítva: Aug 27, 2016
A pozitiv oldalon megy be a jel es nem a negativon?
Köszönöm!
Tudod, van a műveleti erősítőknek két erősítő alapkapcsolása, az invertáló és a neminvertáló: Bővebben: Link.
Igen. Így nagyobb lesz a bemeneti ellenállás és nem terheli a telefont, vagy pc vagy amiről hajtod.
Ja és az erősített jel nem kerülhet rá a lejátszóra. Egy érzékenyebb okos telefon nem szereti a "zavar jelet". Tapasztaltam már, hogy nem tudtam használni a telefont míg rá volt dugva, mert össze vissza érzékelt. A hozzászólás módosítva: Aug 27, 2016
Es akkor melyik az jobb az invertalo vagy a nem invertalo?Vagy ez kapcsolastol fugg?
Koszonom a vlaszokat.
Nem invertáló szerintem. A nem invertáló kapcsolásnál a bemeneti ellenállás egyezik a kompenzáló ellenállással. Míg az invertálónál a bemeneti ellenállás egyezik az R1-es ellenállással ha a képet vesszük alapul, ilyenkor a kompenzáló ellenállás is ugyan akkora mint a bemeneti ellenállás. Invertálósnál alacsony a bemeneti ellenállás.
Melyik a jobb? Inkább mire van szükséged, mert ha fázist akarsz fordítani, akkor invertálni kell (pl. hídkapcsolású erősítőnél).
Es esetleg tudnatok ajanlani valami kisebb teljesitmenyu erositot maximum olyan 15w 6-Ohm-ra?Ic-sen kivul.
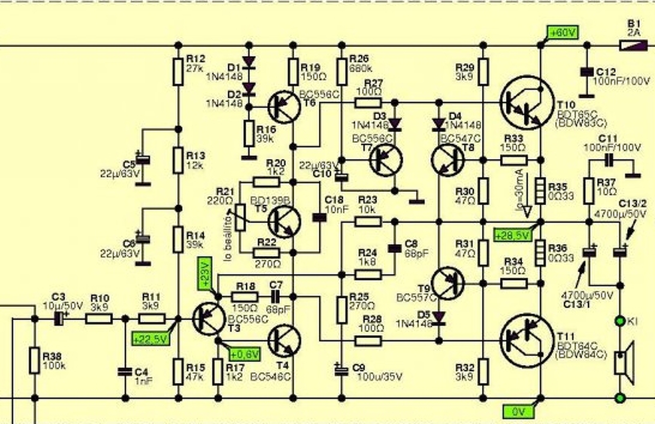
Tessék, kiollóztam. Én a mai napig ezt hallgatom, mert amellett hogy egyszerű a jóval drágább kategóriákban sem találtam nála jobb hangút. A tápfesszel úgy 35V-ig simán lemehetsz, csak a DC szintet kell beállítani R12 módosításával. Nyilván 15W-ra áramkorlát sem kell, tehát T8-T9 és a hozzájuk kapcsolódó alkatrészek elhagyhatók. Hangszóróvédelem sem kell mert azt megoldja a kimeneten lévő csatolókondi, a koppanásgátló szerepét pedig T7 látja el. Szóval egyszerű és nagyszerű.
A harmonikus torzítása ha jól emlékszem mérve és a szimulátorban is egyaránt 0,0035% körül volt.
Koszi de en valami egyszerubbre gondoltam ez nekem meg nagy falat
.
Ami ennél egyszerűbb azt felejtsd el, annál egy 150Ft-os IC is többet ér. Egyébként az egyszerűbb az kb. ugyanez, csak nincs benne áramgenerátor (T6), szinteltoló (T5), nincs T7 sem, és mezei 0,5A-es tranyók benne a végtranyók. Ilyet találsz készen a régebbi PC hangszórók dobozában, az a 4db kisjelű tranyó benne az erősítő.
Ertem akkor keresgelek tovavabb hatha talalok valamit addig is koszi
Szia! Ez a kapcsolás ugyan nem az erősítők netovábbja, de számtalan pozitív visszajelzést kaptam róla.
A 2x17Vac és a 2x20Vac szekunder feszültségű transzformátoraid egyaránt alkalmasak hozzá, ha képesek 3-4A leadására. Ettől magasabb tápfeszültséget nem is szoktam ajánlani.
Ertem koszi.
|
Bejelentkezés
Hirdetés |





Inkább vasmag keresztmetszetből kellene.
Esetleg megtudnad nekem ezt rajzolni ahogy mondtad? 





