Fórum témák
» Több friss téma |
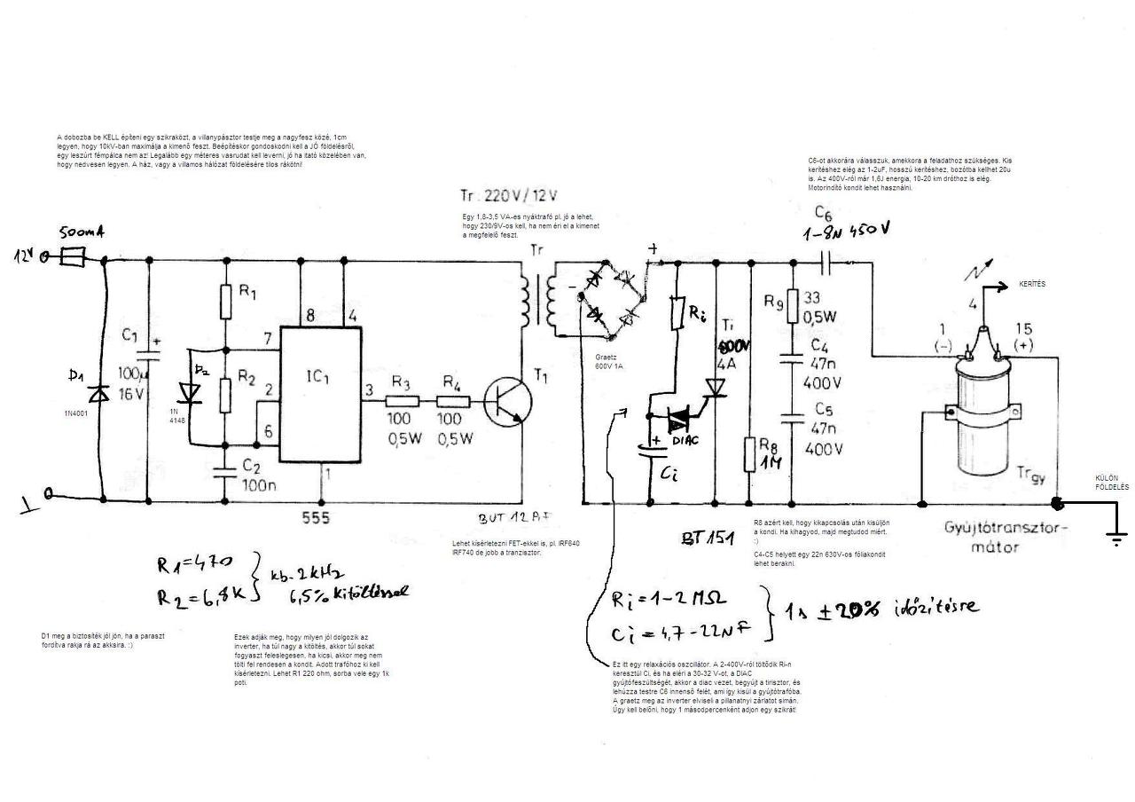
Ha nem tolakodás,én már leírtam néhány oldallal visszább,hogy R1=530-560 ohm,R2=2,2k,az ott lévő 1N4148 diódát felejtsd el,nem kell,Ri=1,8-2M,Ci=22µF/63V,C6=16µF/450V (vagy más értékű kondi),a 2x47n helyett egy 22nf/630V,Tr=230/8-9V/3-4W,a többi ok.Az 555 legalább 3kHz frekvencián menjen.Lehet mondani,minden összefügg mindennel,fontos az 555 frekvenciája a Tr áttétele az Ri értéke a Ci értéke és a C6 értéke.Az Ri értékének változtatása hat a Ci feltöltésére,ezzel egy időben befolyásolja C6 kondenzátoron kialakuló feszültséget is,ezekkel be lehet állítani az 1mp ütemet is.Fontos a Tr trafó is,lényeges mekkora feszültséget ad le,általában azok produkálnak nagyobb feszültséget a töltőkörben melyeket a tesztelésig előtte 230V AC feszültségre kötsz akkor a szekunder feszültségük nem lesz több 8-10V AC feszültségnél. KKobra által is használt kis trafóval (230/12V/4,3W) ,a szekunderből letekerve, elérhető a C6 kondenzátoron akár a 6-700V is.
Ezt a gyujtótrafó helyett gondoltad? Ez a trafó 230V rol üzemel as auto gyujtótrafoja 12V a 12V-is trafót sem tudtad kihalytani rendesen miböl gondolod hogy a 230V-osat jobban sikerül. Ezek szerint nem érted hogyan müködik
A hozzászólás módosítva: Aug 26, 2016
kihajtani
A primer tekercs ellenállása kisebb, mint a trabi gyújtóé. És a szekunder tekercse galvanikusan el van választva a primertől, ezért nem kéne inverter. A 230V-ot kétszerezem és így 650 V lenne a kondin, amit ugyanígy tirisztorral rá lehetne sütögetni. Az inverterest kipróbáltam nagyobb trafóval, azzal már jobban működött. A trafó 12V-os tekercsének is olyan nagy volt az ellenállása, hogy nem lehetett elég nagy áramot áthajtani rajta és a másik felén nem volt elég nagy az önindukciós tüske és akkor persze hogy lassan tölti a kondit. De időközben félig-meddig okafogyottá vált a villanypásztor (kép), de úgyis jön helyette más vad.
Bocsi műkedvelő vagyok és vannak dolgok amiket én nem értek Tudom hogy az 555 által előállított négyszögjellel vezérelve a FET-et szaggatott 12V kerül a trafó "bemenetére" Nagyjából értem mit is befolyásol a kitöltési tényezővel Az inverter részével is úgy ahogy tisztában vagyok.
AZ 555 környezetét már kevésbé értem esetemben a 20K potival a kitöltést változtatom a kondival ellenállással állítom be 555 jelét a Diódát nem értem. Elvileg mi lenne a szerepe? Esetemben mindhárom elkészült pásztor tartalmazza. És megítélésem szerint rendben van az erősség és a szikra gyakorisága
A gyújtótrafónak sincs olyan hatalmas, majdnem ezerszeres áttétele. A nagyfesz a gyors fluxuscsökkenés miatti önindukciós tüske miatt jön létre, ezért nincs zárt vasmagja. Próbálj meg sima 50 Hz-es 12V-ot rákapcsolni a primerére. Jó ha párszáz V-ot tudsz mérni a szekunderén. Ennek a gázgyújtónak is kb hasonló áttétele lehet, de le van választva a szekundere és így simán lehetne járatni hálózati feszről impulzusüzemben.
Sziasztok ! Az a kérdésem lenne mi lehet az oka annak hogy a tranzisztor melegedik ennél a kapcsolásnál!
A tranzisztor elvileg jó . Válaszokat várok.. Előre is köszönöm.
Szia!
A melegedés normális jelenség, nem hiba.
A kérdés hogy mennyire melegszik???
Az R3-R4 helyére nyugodtan tehetsz 82 ohmot, felesleges 100+100. Az 555 max árama 200 mA, ezt nem kell kihasználni, de 82 ohm-nál se lesz több, mint 120 mA és jobban kinyit a tranyó, kisebb lesz rajta a veszteség. Lehet, hogy gyenge a bétája és az is közrejátszik.
Ha ez sem segít, növeld meg a hűtőfelületet.
A kitöltési tényező nem jó! Ezen a kapcsolási rajzon nincsen állítási lehetőség (Kár).
Az előző lapon feltettem nyáktervet lényegében ehhez a rajzhoz van apró eltérésekkel. Ebben az összeállításban nem melegszik semmi a potival állítható a kitöltés A hozzászólás módosítva: Aug 28, 2016
Hát nagyon melegszik! Áramfelvétele nagyon nagy viszont a trafó másik oldalán még sincs meg az a feszültség ami ott kellene legyen (20V váltóáram max.)! Diódákat kimértem azok is jók! Nem tudom őszintén mi lehet a gondja
Ez azt mutatja,hogy nem megy az 555 és zárlatban van (feltételezve,hogy jó) a tranzisztor.Vagy rossz az 555 vagy valami nem jó az IC-s áramkörben,pl: nem jól van beforrasztva a 100nF kondenzátor,nincs rezgés.
Ebbe én is beleszaladtam
A nagyfesz részen volt egy zárlat a jelenség ugyan ez volt Kösd le a trafó 230V-os kapcsait
Bocsi de elfelejtettem aláhúzni hogy használt gyújtó bobinám van.A freki 2,9kHz.
A hozzászólás módosítva: Aug 28, 2016
350mA nagyon sok 80-120mA a maxi áramfelvétel ha nincs rajta a kerítés
Én azt mondom valami el van kötve vagy nagyon magas a kitöltési tényező. a szikra pillanatában 115-120mA egyébként 84mA az áramfelvétel és semmi nem meleg A nagy fesz oldalon 385V van ezzel töltödik as kondi
Sajna nincsen csak 200V körül
Cseréld ki az inverter trafót ha nem találsz egyéb hibát mondjuk egy 230V/9V nekem 230V/12V van láttad a képen
Milyen frekin dolgozol?és az ellenállások meg a kondi értéke milyen?
Három darab készült elég rövid idő alatt mindhárom egyforma az 555 oldalán
6,8k 470Ω és 100nF Mindenki azt mondja nem kell a D2 dióda. Biztosan igazuk van! Nem tudom nekem mindegyikben benne van A hozzászólás módosítva: Aug 28, 2016
Akkor azért melegszik nekik a tranyó vagy FET mert nincsen benn a dióda? Szépen tudom állítani a négyszög jelet minél hosszabb a felső él annál nagyobb az áramfelvétel Már lassan csak meg okosodom
Lehet köze a melegedéshez, de az biztos, hogy:
1. nem minden esetben melegszik dióda nélkül (nálam semmi melegedés nincs). 2. a forró tranyó nem a dióda hiánya miatt "keletkezik"....
Mert nem olvasták az eredeti rajzon a szöveget, meg hiába írtam le már százszor.
Sokféle trafóval építik meg a kapcsolást, ahhoz szükséges módosítani az inverter áramkörét, illetve a töltendő kondi mérete se mindegy, lehet olyan eset, ahol az 50% közeli kitöltés kell. Az én trafómmal, 4-8µF kondival így jött ki ideálisra, az impulzusok közötti időben pont feltölti, nincs üresjárás. Csináltam feszültségvisszacsatolással is, ha eléri a 4-500V-ot, kikapcsolja az invertert, de így egyszerűbb, kevesebb hibalehetőség, egyszer 2-3 alkatrész finomhangolásával meg lehet csinálni.
Ne csodálkozz! Olvasták! Sajnos sokan vannak akik nem tudják értelmezni az olvasottakat. Az ismerőseim között is van olyan csak akkor ért meg valamit ha szóban elmondom neki. Maradt még egy kész nyákom összerakom és eljátszadozom vele, kísérletezgetek, méregetek
Most már tényleg írok egy cikket belőle jóval részletesebben.
Nem kell nagyon belemenni a részletekbe az 555- höz lelehet tölteni a telefonra az "Elektro droid" programot ami tartalmaz egy "NE555 calculatort" ki lehet számolni bármit. Az inverter logikáját ismerve csak azt kell megismerniaz adott alkatrészek mire képesek
Én fejben is ki tudom számolni, de nem rólunk van szó.
Hoppá elkészült a teszt áramkör igaz még nincsen benne a nagy fesz oldalon a poti és a 22uf kondi a C6 kondi és a gyujtó trafó
Tehát méregettem a bemenő feszültség 13V a stab előtt az áram felvétel 100mA a trafó 230V os kapcsain 265V váltót mértem ami a freki miatt csak saccolás a gréc kapcsain 488V -ot a kitöltés 50% Jaaa és nem tettem bele a D1 diódát A hozzászólás módosítva: Aug 30, 2016
Nos megbizonyosodtam arról hogy Cavalier fórumtársamnak teljesen igaza van! Megméregettem diódával és dióda nélkül az áramkört diódával tudom a kitöltést módosítani de nem tudok elérni csak 420V -ot ha 50% a kitöltés dióda nélkül a kitöltés 50% és ~500V (498V) lessz a kimenő feszültség.
Semmi nem melegszik egy picit sem! A frekvencia 1,04Khz. Úgy gondolom hogy ez a kapcsolás tökéletes otthoni felhasználásra nagyon könnyen megépíthető alacsony a költségvetése Mindenkinek csak javasolni tudom |
Bejelentkezés
Hirdetés |






A tranzisztor elvileg jó . Válaszokat várok.. Előre is köszönöm. 







