Fórum témák

» Több friss téma
Fórum » MIG/MAG/Co2 hegesztő készülékek házilag
Lapozás: OK   182 / 278
(#) BlackForce válasza kissadam hozzászólására (») Aug 7, 2016 /
 
Motoman: YASKAWA erc és mrc robotok.
Nem a leg fiatalabbak,de azért teszik a dolgukat (ha éppen nem kötöszködnek).
Mellette mindenhol EWM aparátok vannak (és nálatok?)
Mindenesetre nagykorú mind.
(#) darvasi válasza szendi001 hozzászólására (») Aug 8, 2016 /
 
köszi
A hozzászólás módosítva: Aug 8, 2016
(#) darvasi válasza granpa hozzászólására (») Aug 8, 2016 /
 
Esetleg írtál valami használhatót amit nem vettem volna észre, mert akkor megkövetlek és elnézést kérek!
Gondolom neked sincs fogalmad a trafó számításról(legalábbis úgy tünik)?! Nem a "nagyapám 350 menetet tekert egy ilyesmire, és nem vágta agyon" kategóriára lettem volna kíváncsi, hanem normális megoldásra...
A hozzászólás módosítva: Aug 8, 2016
(#) granpa válasza darvasi hozzászólására (») Aug 8, 2016 /
 
Nem vetted észre, hogy nem én vagyok a kérdező, nem az enyém az a trafó, stb. Amúgy 50 évvel ezelőtt kitanultam a szakmát, de nem sikerült elsajátítani szerinted. A néhány ezerből egyet sem hoztak vissza, mert úgy sem tudtam volna jót csinálni (gondolom).
(#) LJozsef válasza mpisti hozzászólására (») Aug 8, 2016 /
 
Msg huzaltolóval próbáltam rövid munkakábellel sajnos nem vízhűtéses de nem égettem szét arra odafigyeltem köszönöm az adatokat : mpisti
(#) erbe válasza darvasi hozzászólására (») Aug 8, 2016 /
 
Idézet:
„Gondoltam hátha kapok egy ésszerű felhasználási ötletet erre a magra....”

Legésszerűbb felhasználási ötlet 3 fázisú CO2 hegesztő.
Nem értem, miért erőlteted az egyfázisú hasznosítást, ha ez a mag nem arra készült, de még átalakítani sem egyszerű. A Transzformátor... témakörben találhatsz bőven számításokat, megoldási lehetőségeket, de itt is írtunk már.
(#) mpisti válasza LJozsef hozzászólására (») Aug 8, 2016 /
 
Mivel töltött huzalról van szó, szerencsésebb a 4 görgős toló, mert fele akkora leszorítás kell és ennek köszönhetően a huzal deformáció is jelentősen csökken. Persze a biztos továbbítás miatt csak bordás görgő jöhet számításba mivel a huzal anyaga eléggé puha, és vigyázni kell arra hogy a bordázás ne hagyjon nyomot a huzal felületén mert akkor brutálisan gyorsan elfogy az áramátadó fúvóka. Az említett helyen a gázterelőt is lehagyják(nincs is rá szükség)így a vízhűtés hatásosabb,nem kell a gázterelőt is hűteni.Ők nem dobról hegesztik hanem hordóból, amelyben általában 280-300 kg ilyen huzal lakik, ugyanis a dobról a huzal 15-20 perc alatt lefogyna.
(#) Cavalier válasza mpisti hozzászólására (») Aug 9, 2016 /
 
Húzni nem szokták az ilyet a végénél? Aluhoz láttam olyat, hogy a pisztolyban is van egy kis előtoló, robotnál könnyebb is lenne megoldani, mint a kézzel tartott pisztolynál.
(#) mpisti válasza Cavalier hozzászólására (») Aug 9, 2016 /
 
Létezik ilyen megoldás is, az ESAB alkalmazza, de ha a kábel nem hosszú,akkor nincs probléma a kitolással sem. Kézben tartott pisztolynál egyébként macerás egész műszakban tartani azt a plusz fél kilót.
(#) kissadam válasza Cavalier hozzászólására (») Aug 9, 2016 /
 
Push-pull pisztolynak hívják. Hosszú 5 méter feletti kábeleknél vagy az alatti méretekben alu huzalhoz használják. Fronius, cloos, esab használ ilyet. Alu huzalnál fontos, mert nagyon könnyen gyűri a huzalt. Robotnál gyakran alkalmazzák, a hosszú, kitekeredett kábelek miatt. Robotnál szokott lenni pneumatikus segédtoló is ami a hordóból kiszedi a huzalt, mert esetenként 3-4méter magasba kell felvinni a huzalt a vezérelt "fő" tolóhoz.
(#) mpisti hozzászólása Aug 15, 2016 /
 
Szervusztok! A segítségeteket szeretném kérni. Szükségem lenne a Kunmadarasi gyártmányú Modul 200 AC/DC hegesztőgép villamos dokumentációjára. Igazából nem a kártya kapcsolási rajza érdekel(bár ha meg van valakinek annak örülnék, akkor nem kell kirajzolnom) hanem a távkezelő csatlakozó bekötési rajza, mivel ez a gép elvileg MIG áramforrásként is tud üzemelni. Előre köszönöm a fáradozását annak, aki valamilyen formában a rendelkezésemre bocsátja. Üdv.: mpisti
(#) lac12345 hozzászólása Szept 10, 2016 /
 
Sziasztok

Szeretnék egy kis segítséget kérni CO hegesztőkkel kapcsolatban.Tudom ez nem a legalkalmasabb topic .Szeretnék vásárolni egy CO gépet lehetőleg magyar gyártmányt ha van ilyen ,vagy olyat amihez lehet alkatrészt kapni.Tudnátok esetleg pár tipust ajánlani vagy az is segítség lenne ha azt megírnátok mit ne vegyek.Otthoni munkákhoz kellene.
köszönöm.
(#) hever.istvan hozzászólása Szept 28, 2016 /
 
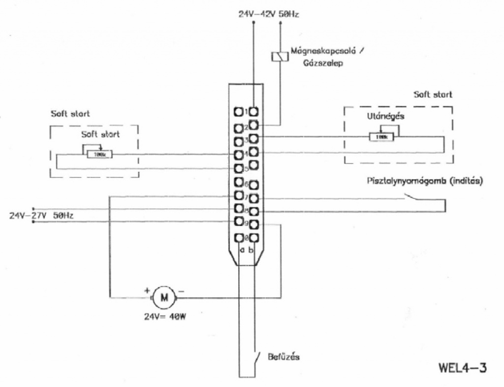
Sziasztok. Segítséget szeretnék kérni Tőletek. Az volna a kérdésem hogy a WEL 3.3 kártya bekötése megegyezik-e a WEL 4.3 kártyáéval? Ha nem, akkor feltenné valaki a WEL 4.3 kártya bekötését? Előre is köszönöm szépen!
(#) keko válasza lac12345 hozzászólására (») Szept 28, 2016 /
 
Szia a B-MAX -kft nél érdeklödj olcsó és jó
A hozzászólás módosítva: Szept 28, 2016
(#) Phile80 válasza hever.istvan hozzászólására (») Szept 28, 2016 /
 
(#) hever.istvan válasza Phile80 hozzászólására (») Szept 28, 2016 /
 
Köszönöm a gyors választ!
(#) saajooe hozzászólása Okt 5, 2016 /
 
Sziasztok, van egy ilyen gépem Bővebben: Link ezen szeretnék egy külön volt szabályzást megoldani, mert akkor tökéletes volna egy már kicsit komolyabb Co2 heggesztőnek. A válaszokat előre is köszönöm!!!
(#) szendi001 válasza saajooe hozzászólására (») Okt 6, 2016 /
 
Hegesztő egy G. A berendezés MMA hegesztő. Miért lenne alkalmas CO hegesztőnek?
(#) Hetope válasza szendi001 hozzászólására (») Okt 6, 2016 /
 
Az átalakításán töri a fejét !
(#) saajooe válasza szendi001 hozzászólására (») Okt 7, 2016 /
 
Igen átalakítani szeretném, igazából tökéletesen megfelel Co2 heggesztőnek, sőt tökéletesen működik is már most is, de csak ha felvan húzva vagy 400 A-re vagy feljebb, mert ha lejjebb engedem akkor a volt is csökken az amperrel eggyütt kevés lessz neki a volt, menni még úgy is megy de darabosan, a lényeg, hogy ha Co2 heggesztőről van szó akkor külön tekerő kell a voltnak is. Am ha valakit érdekel akkor küldhetek képeket a drót adagolómról, saját gyártmány ablaktörlő motorból, külön dobozban csak csiptetem a heggesztő kábelét és megy is.
(#) GPeti1977 hozzászólása Okt 23, 2016 /
 
Ehhez a cső csatlakozóhoz hol lehet venni anyát, vagy hogyan hívják hogy rá tudjak keresni?

csavar.jpg
    
(#) fongab válasza GPeti1977 hozzászólására (») Okt 24, 2016 /
 
Szia igy nem tudom az átmérőt de itt az 5. oldalon van rajz illetve különböző csőhöz szerelvény. Ott láthatod, hogy zár.
üdv.
(#) Edem hozzászólása Okt 27, 2016 /
 
Tisztelt Fórumozók!

Az elmúlt héten kaptam egy Co hegesztő gépet. Szegény gép nem mai gyerek és lenne mit rajta javítani, felújítani.
A segítségetekre lenne szükségem, a gépen semmi felírat nincs, sem adattábla. A fórumot végiglapozgatva/olvasgatva találtam néhány fórumozó által feltöltött képek hasonló co hegrsztőről. HFRICI nagyon szép munkát végzett, ez hasonlít a legjobban az enyémre. A fórumban talált trakis típusok pdf-ben kapcsolási rajz alapján compakt 230-ra gondolok.

Kérlek segítsetek, mi lehet a típusa, mekkora lehet....stb.

Segítségeteket előre is köszönöm!
Ádám
(#) zolika1125 hozzászólása Nov 4, 2016 /
 
Sziasztok nemrèg vettem egy migmate140és co hegesztőt ès valami nemokè vele mert nem úgy dolgozik mint kellene csak bogyokat csinál! Elvittem ismerös szakihoz ès aztmondja valaki. Belemokolt ès valamit elkötött. Ha valakinek lenne hozzá rajza esetleg neki is ez a típus van megköszönnèm ha küldene pár fotót a szerkezetről mert sehol nemtalálni róla semmit sem. Köszönöm
A hozzászólás módosítva: Nov 4, 2016
(#) dB_Thunder válasza ordog20 hozzászólására (») Nov 4, 2016 /
 
Az a baj hogy a inverteres hegesztőd nem kapcsol le, ennek eredményeként az ív nem fog megszakadni, mikor megáll a huzaltolás. Vissza fog olvadni a huzal és összeég az áramátadóval.
Én a játék Co-mat "tuningoltam" fel egy inverteres áramával pluszba, akkor tapasztaltam a fent említett gondot,

zolika1125
Játékot vettél, azért nem hegeszt. Nekem ugyanez a gyártmány korábbi verziója volt(a fentebb említett játék). Hála istennek csak VOLT! Soha nem tudtam vele rendesen hegeszteni még kasznit sem!
1fázisról nincs igazi Co...

Visszatérve a gép egyszerű mint a faék! A trafót kapcsolod relével, egyenirányítás után kap áramot a huzaltolás, egy elektronika (fordulatszán vezérlő.) segítségével, meg a gázszelep direktbe. A munkakábel körében van egy fojtó is.
Talán van egy kis (panel)trafó, hogy a munkakábelbe ne 230V legyen. Ez csak a trafót kapcsoló relét táplálja.
Sokat javít a gépen, hegesztésen, ha a huzaltolást leveszed a fő trafóról, és egy külön STABILIZÁLT tápot csinálsz neki !
A hozzászólás módosítva: Nov 4, 2016
(#) Moderátor hozzászólása ordog20 hozzászólására (») Nov 5, 2016
 
Amíg nincs nagybetűs mondatkezdés, nincs hozzászólás sem.
(#) ordog20 válasza dB_Thunder hozzászólására (») Nov 5, 2016 /
 
Az állandó áram megoldva van nekem co gépből kiszedet nagy terhelésű diódáim is ilyen szép orosz feliratos bent a cégnél ahol melózom ezek kapcsolják le a munkakábelról az áramot vagyis én így vettem észre nagyon méregetni azért nem álltam neki de szemel mást kontaktort nem láttam csak ezeket, lehet ismered is ezt a típust is. A lényeg az végeredményben működne a dolog nálam így ebben az álláspontban?Azt elismerem hogy 1 fázis kevés erre a co megoldásra de jelenleg nem állok neki keresni egy 3 fázisú trafót keresni igazából szeretném megoldani ezekből ami jelenleg nálam raktáron van.

258492a.jpg
    
(#) Edem hozzászólása Nov 5, 2016 /
 
Tisztelt mpisti!
Trakis co gép képek.
(#) dB_Thunder válasza ordog20 hozzászólására (») Nov 6, 2016 /
 
Az a baj, hogy ezek tirisztorok, konyhanyelven kapcsolható diódák.
Ahol ezt alkalmazzák ott váltóáramú (50Hz) a táplálás, azaz az egyenirányítást is ezzel csinálják. Mivel a tirisztort csak bekapcsolni (gyújtani) tudod, egyenáramnál öntartásban marad, váltónál ugye van nullaátmenet, meg negatív félhullám amitől a tiri kialszik, lekapcsol.
Az inverteresből meg pont egyenáram jön, ergó ecet...
Egyent FET-tel tudnál kapcsolni, igaz kelleni fog belőle egy marékkal.

Én 80ezresért vettem 3f Co-t, mert meguntam a játékokat. Most van 400A hegesztőáramom ha akarom... Azóta majdnem a hegesztőmmel alszom.
A hozzászólás módosítva: Nov 6, 2016
(#) Ricsi89 válasza dB_Thunder hozzászólására (») Nov 6, 2016 /
 
És akinek nem áll rendelkezésre 3 fázis, az hegesszen a pöcsével? 1 fázisról is van CO, de ne ezeket a 20 ezres vackokat nézzétek. Vannak ettől komolyabb gépek is, sőt ma már inverteres CO is létezik.
Következő: »»   182 / 278
Bejelentkezés

Belépés

Hirdetés
XDT.hu
Az oldalon sütiket használunk a helyes működéshez. Bővebb információt az adatvédelmi szabályzatban olvashatsz. Megértettem