Fórum témák
» Több friss téma |
Fórum » Csöves erősítő készítése
Ne feledd betartani a fórum viselkedési szabályait, és a topik megmaradásának feltételeit. [link]
A téma átmenetileg fagyasztva lett, hozzászólni nem tudsz!
Azért ezek között is vannak érdekességek. Mondjuk, én az orosz csöveket nem nagyon ismerem. Bemeneti fokozatban ECC82, a fázisfordítóba E88CC, ha már, akkor inkább fordítva. De máshol is hasonló, bemeneti fokozatban ECC82, a hangszínszabályzóban ECC83. Érdekes.
6P14 kontra 6P1P lezárandó, szívesen küldök ingyen (+ postaköltség) 4 db válogatott!! (orosz csöveknél ez a lényeg) 6P1P-EV csövet kipróbálásra. Akinek van egy jól működő EL84/6P14PP-je, és át tud kötni a foglalaton pár vezetéket, jelentkezzen. Aztán hallgassa meg és számoljon be róla. 5 forintért csövet keresők kíméljenek, nagyjából ismerem a fórumot.
moderálva A hozzászólás módosítva: Szept 20, 2016
Akik komolyan gondolja mar kiprobalta, szerintem
Ha megsem, akkor batoritok en is mndenkit egy probara.Amugy nyolcas csomagban $8 a szomszedbol. (A szomszed alatt Ukrajnat ertem, nem Ausztraliat ) A hozzászólás módosítva: Szept 19, 2016
Én építettem(némi segítséggel) full orosz csövekkel(előfoknak oldalanként egy-egy 6H8C, végfoknak ellenütemben 6P14P katódellenállásos előfesszel, és SG2S-SG4S párossal pedig segédrácsfesz volt megoldva. Az egyencsövekek használt py82 sokszor átment szikroszkópos üzembe, plusz a trafó is át lett tekerve, így jelenleg most ,,szét van bombázva" az erősìtő jelenleg. De szándékozom újra üzemképessé tenni!
Tisztelt fórumozó Társak!
Nem szeretnék siettetni senkit, csak még senki nem adott ezidáig javaslatot a kéréseimre. Valamint kibővíteném még egy kérdéssel: az alábbi képeken látható (itt találtam a HE-n) kapcsolást építsem meg külön ha szeretném ehhez az erősítőhöz az em80-as kivez. jelzőt csatlakoztatni, vagy esetleg ki lehet-e építeni az eredeti mv3 trafójáról? Valamint ha van valakinek eladó 5 db noval nyákba forrasztható porcelán foglalatja az érdekelne. Köszönettel: csibai
Szia!
Ha azt a varászszemes kivezérlésjelzőt építetted meg, amit küldtem, akkor annak a bemenetét a hangkimentre (a kimenők szekunder oldalára) kösd. Mivel ez egy BC546-ot hajt, egyenáramúlag pedig le van választva ezért lényegében nem terheli a kimenetet.
Nemrégen kaptam az azóta el is készült monoblokk felépítésű erősítő képeit.
A tulajdonos, akinek készült, még nem tért magához a gyönyörűségtől. A hangjára (is) értem. Egy szokványos PP EL84 (itt 6P14P-EV) végű, f.fordító ECC81, az első cső egyennel fűtött E283CC. Amint látható, nem lett elkapkodva, nem igazán fogom tudni utánépíteni így, de igyekszem majd gondosan építeni. Az első cső és a f.fordító külön tápról megy, ami stabilizált. Önálló trafó a végcsöveknek, előfok résznek és a fűtésnek.
Nagyon Gogina stílusú. Ez már a teljesen elkészült állapot?
kábelezés kezdetén volt, azóta már működik...Itt az egyik fele üzem közben látszik.
Szép kívül belül. Tiéd is ilyesmi lesz?
A börzén rendszeresen van, baráti áron. Ha messze van Pest, járok arrafelé néha (Szécsény,-Nagylóc).
Üdv Józsi!
Ez valami gyönyörűség! Látszik rajta a rengeteg munka, a gondos tervezés, építés. Igaz ha már csinál valamit az ember akkor így érdemes. (Bár a századát tudnám annak ami ebben a munkában van!) Bár próbálom én is szépen, gondosan bütykölni a cuccaimat a magam kedvtelésére. Üdv, és jó munkát, szerelgetést, csibai
Kedves "granpa"!
Köszönöm felajánlásodat, mennem kel úgy is felülvizsgálatra ée akkor veszek pesten Nálunk (Salgótarján) nem lehet semmi ilyesmit kapni. Köszönettel: csibai
Kedves "boti2"!
Ezt a változatot építettem, csak még nincs minden alkatrészem. Eddig jutottam vele. Csak azt szeretném tudni, hogy építsek-e külön tápegységet, vagy mehet az MV3 erősítő táptrafójáról? Köszönettel: csibai
Kedves "csibai"!
Ha terhelhetőség szempontjából bírj a a táp, akkor nem szükséges külön táp, minden további nélkül mehet az erősítő tápjáról. Kb. 150-250V közötti anódfeszültséggel lehet meghajtani (A kapcsolási rajzon ezt elrontottam.) Az alacsonyabb anódfesz. értelemszerűen kisebb fényerőt, de hosszabb csőélettartamot eredményez.
Ez igazán gyönyörű munka!
Gratulálok!
Sajnos nem én készítettem és nem is az enyém...
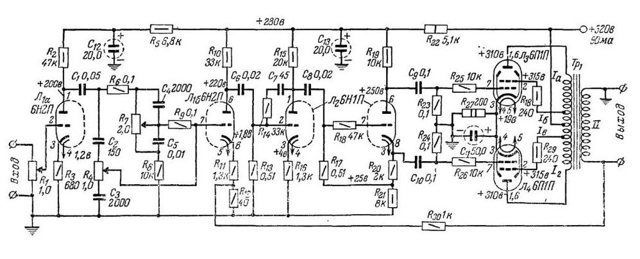
![]() De nekem is külön trafó lesz a végcsöveké és külön a fűtés+előfok, stabilizált az utóbbi. Ahogy a képen látszik, az nagyon drága - nyilvánvalóan kiváló, nem csak mondom - de nem tudnám anyagiakat fedezni hozzá. Vannak EL84-eim, ipari csövek is, orosz 6P14P és 6P14P-EV is. Utóbbiakkal valamivel több teljesítmény kicsikarható, a fotón látható erősítőről úgy tudom, 14.7W-os. Tekintve, hogy lakásban használom majd, elégségesnek kell lennie. Még annyit a képes erősítőről, a kimenő és a hálótrafó is M102A-ra lett elkészítve. A végcsövek tápja 340V, aztán 350V és 320V a f.fordító és az előfok cső. A rajz egy régi (Lóska féle) erősítő áttervezéséből készült, sok megváltoztatott értékkel. Eredetiben a végcsövek disszipáció terhelése nem sok jót ígért, bár 18W kimenő teljesítményt adtak meg. (De mennyi ideig élhetnek így a csövek?) Mellékelem az eredeti rajzot. A profi utánépítés a legkiválóbbnak tekinthető anyagokból készült, GOS vasra tekerve a trafók és megfizethetetlen árú egyéb szerelvényekkel. Én majd olyannak örülök, amilyen az enyém lesz. ![]() Az általam készített, panel szinten lévő elektronika egyelőre kommersz anyagokkal készült, majd finomítom, ha érdemes, tekintetve a hallásomat... A rajzon utólag írtam az új feszültség értéket (340V) és a régi rajz szerint számolt csövenkénti áramot. A hozzászólás módosítva: Szept 21, 2016
Sziasztok,
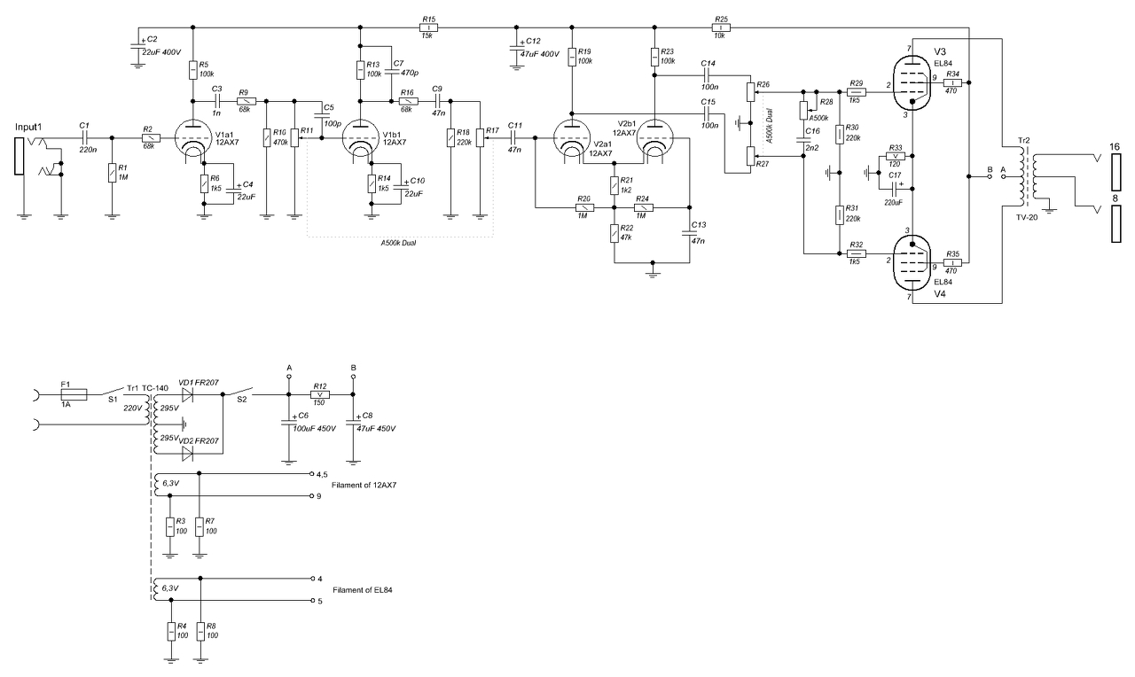
Totál amatőrként, próbáltam magamnak építeni egy gitárerősítőt a képen látható orange tiny terror "szerű" kapcsolásból. A 12Ax7 helyett 6n2p-v csöveket használtam, végfoknak tungsram EL84. Az a problémám, hogy a gain-t a torzított tartományba tekerve irgalmatlanul zajos és a legvégén gerjed is. (sípol) Scope-pal mérve lezárt bemenettel 100hz jön ki. Amíg nincs túlvezérelve, addig rendben van, a tiszta hangja szép. Nyílván itt nem igény, hogy zajtalan legyen, de ez így elég zavaró. A táptrafó egy indel tsl 100/001, a kimenő pedig ez: link. Próbáltam csillapítani fojtóval (fénycső előtét 430mA, de nem tudom hány henry), illetve a 100mikrós kondi helyett 470 mikróssal, de csak annyit sikerült finomítani rajta, hogy kicsit később jön a zaj, de a végén a sípolás maradt. Az lenne a kérdésem, hogy érdemes-e venni/csináltatni 100hz-re hangolt fojtót 5,10,20 henryst, vagy eleve a kapcsolásban van valami gubanc. Mégegyszer mondom, totál amatőr vagyok, ez a második csöves gitárerősítő amivel próbálkozom. Az első sikerült, igaz az csak egy 1wattos szobacucc volt Ezzel most szívok. Köszi. A hozzászólás módosítva: Szept 22, 2016
Szia.A második trióda rácsa és a poti-100p kondi csomópontja közé tegyél 220 kiló ohmos ellenállást.Ha halk lesz és nem lesz torzítás felezd meg 100-110 kilósra.Nagyon jó kapcsolás, direkt túlvezérlésre, sípolásra tervezve.Nekem is sok volt a jóból!
Háát, úgy nagyjából 10 mV -al túlvezérelhető. (csak becsültem)
A C3 1nF? Mert ha igen, akkor 300Hz körül van az erősítő alsó határ frekvenciája.
Jobb lenne kicserélni 47nF-ra. Vagy nem így van az eredeti rajz.
Köszi az infót, holnap kipróbálom 47nF-ossal. Amúgy az összes rajzon amit a neten lehet találni ehhez az erősítőhöz, ott 1nF-os csatolo kondi van.
Látom nagyon értesz a gitárerősítőkhöz...
Meg lehet próbálni pár dolgot.
Szerintem is tegyél egy ellenállást a V1b1 rácsa elé, ugyanúgy ahogy a V1a1 előtt is van, legjobb ha egyből a csőfoglalatra forrasztod. Aztán figyelni kell arra, hogy a kis és nagy(obb) jelű vezetékek ne kerüljenek egymás mellé, esetleg érdemes árnyékolt kábelt használni az első fokozatoknál (csak az egyik oldalát földelve), gondolok itt a bemenettől és a potméterekig futó kábelekre. Ha úgyis 6Н2П csöveket használsz, érdemes bekötni a 9-es lábat (föld). Aztán lehet hogy mikrofónás csövet fogtál ki, cseréld meg a két előfokcsövet, vagy ha több darabod van, próbálj találni egy "jót" az első pozícióba. Ha van árnyékolt csőfoglalatod, kísérletképpen csak tedd rá az árnyékolást az első csőre. Bővebben: Link Mivel nem a kapcsolási rajz szerinti előfokcsöveket használtál, adódik még egy lehetőség, az első csövet az áramkör módosítása nélkül kicserélheted ECC85-re ha van kéznél. Kevesebb lesz az erősítésed, de lehet hogy éppen ez segít. A hozzászólás módosítva: Szept 24, 2016
Akik gitárerősítőt terveznek, egyéb aljasságokra is képesek (ez nem HiFi).
Ez a valaki aztán tudott kapcsolási rajzot szerkeszteni!
Köszi, ezekből a csőburkolaton és az ECC85-ön kívül mindent kipróbáltam, sajnos nem sok sikerrel. Most rendeltem gyorsan csőburkolatot, majd meglátjuk mi lesz. Próbáltam a rajz szerinti csövekkel (12ax7 ehx, nyilván átkötöttem a fűtést, ahogy a 12ax7-hez kell.) de a sípolás maradt. Még a táptrafó burkolásán gondolkodom, illetve megpróbálok szerezni ecc85-öt egy próbára. Felmerült még a V1B1 csőfélnél az R13, R14 arányos emelése, ami kb 20%-kal a munkapontot elvinné. Ez jó ötlet?
Kezdjük az elején, mert ennyi szamárságot régen olvastam, mint amilyen tippeket te kaptál. Komolyan mondom, tele a net gurukkal meg orákulumokkal...Először is ,derítsükl ki mi a hiba. Tedd amit mondok:
A bemenetről lehúzod szépen a gitár kábelt. Ha úgy kötötted a bemeneti jacket, mint a linkelt rajzon, akkor a bemeneted így rövidre záródik. Ekkor, ha mindent a rajz szerint kötöttél, lehetőleg rövid jelutakkal és a bemeneti jacket + összes potit árnyékolt vezetékkel, árnyékolást csak egy oldalon lekötve a földre, akkor síri csendet kell tapasztalj, esetleg szélsőséges poti állásban anomáliát. Ha nem árnyékolttal csináltad, akkor is jó lehet, de elsőnek akkor jó ötlet, hogy azt derótozd át. Ha sípolás stb anomálisa van, fogsz egy mittomén műanyag kanalat, kínai evőpácát, hurkapálcát, tökmindegy, szigetelő legyen és motoszkálj a cuccan, mozgasd a vezetékeket. Ahol változás lesz a sípolásban, zajban, az már arulkodik... Tehát, folytassuk. Kábel kihúzva, síri a csend. Ez esetben ha levonod a logikus következtetést, akkor már tudod, hoyg a cuccnak semmi baja. Bedugsz egy ábelesz kóbelesz gitárkábelt és a szabadon fityegő végét egy csavarhúzóval, fogóval stb rövidre zárod. Ebben az esetzben is hasonlóan nagy csendet kell hallani, mint kihúzott kábelnél. Ha nagyságrendi különbség van, akkor összehajtogatod szépen a kábeled és kihajítod a kukába. Ha csend van, megint lehet örülni, mert a kábel is jó. Mehet rá a gitár, hangerő poti leteker, ugyanazt kell hallani, mint rövidre zárt tyúkbélnél. Gitár hangerő felteker, valószínű ha eddig minden oké volt, jöhet a zaj. Itt jön az akusztikai visszacsatolás nevű szép jelenség, miszerint, a hangszór megrezegteti a levegőt, hangszedőt is, az meg felveszi ezt a rezgét, be az erősítőbe, az felerősít, ami kijön megint a hangszórón...stb stb, pozitív visszacsatolás. Egyszerű kiszűrni, pl a cuccot kiteszed a folyosóra ,becsukod az ajtót és próbálsz. Ha nem sípol, zajong, akkor örülsz mert minden komponens jó és ma is tanultál valamit az akusztikai visszacsatolódásról. Ha nem tudod így elszeparálni,akkor jó tipp pl a hangszóró pofával lefektetése a földre (hangszóróval leh), no , úgyis érted szerintem a lényeget. A 100Hz meg könyörgöm...honnan a bánatból jöhet? Egy helyet tudok elképzelni...trafó leburkolása...istenem...A hálózat 50Hz-es, nem 100...Egyenirányító, pufferkondi, itt keletkezik, a 2 utas egyenirányítás miatt és egy földhuroknak nevezett jelenség pedig ezt beinjektálja a jelútba. Egy racionálisan elkészített csöves cucc úgy néz ki, hogy a védőföld le van kötve a sasszéra valahol a betáp környékén. Ide az egyenirányító puffer is le van kötve, rajzodon a C6. A KONDIRÓL meg megy el minden föld az áramkör felé, én úgy szoktam, hogy egy pl rézdrót van kifeszítve a potik alatt, ide vannak lekötve a kezelőszervek földjei a végén pedig a bemenet, van a csöveknek, csatolóknakegy sín, plussz van egy a végerősítőnek, lévén az teljesítmény föld. Nálad ez a végpentódák katód komplexumja. Tehát ennyi szál vezeték megy a C6 negatív lábára és ezután így van elosztva. A fűtésközepelés is meget a pufferre, ez annyira nem kritikus, bár itt lehet játszani, van hogy kell is, egzakt helyét kísérletezéssel kell néha megállapítani. Dióbélben ennyi, de én ezt itt (gitárerősítő topikban bocsi)már annyiszor leírtam, hogy több nap kellett, hogy erre rászánjam magam...Jó kísérletezést, remélem megleled a hibát, ha toábbra is megmarad, fokozatról fokozatra haladva is meg lehet találni, abban is segíteni fogok, de szinte tuti, hogy ezek alapján meg lehet oldani! Egyelőre több pénzt ne költs feleslegesen, meg az ECC85-öt is felejtsd nyugodtan el. Remélem tudtam segíteni! Zs. A hozzászólás módosítva: Szept 26, 2016
|
Bejelentkezés
Hirdetés |


Ha megsem, akkor batoritok en is mndenkit egy probara.
)





















