Fórum témák
» Több friss téma |
Fórum » Csöves erősítő készítése
Ne feledd betartani a fórum viselkedési szabályait, és a topik megmaradásának feltételeit. [link]
A téma átmenetileg fagyasztva lett, hozzászólni nem tudsz!
Van itthon pár darab kimenőm régi rádiókból bontott darabok de a lemezvastagságuk mind megegyezik a képen látható mag lemezeivel.Szóval nemtudom mennyire fejtene ki rosszabb hatást az áramkörben.A heggesztés nem probléma .
Kiváncsi volnék a véleményedre mi kivetni valót látsz ezzel a maggal kapcsolatban,pontosan mi a probléma vele?
A régi rádiók közelébe se voltak a "hifi"-nek. Zajongani (megrendelésre) én is csináltam ilyen ("minőségű") vasakból kimenőt ~50 éve, jó hangosakat (átvitel kb. 200-10000 Hz-ig).
Értem és köszönöm a választ ,nem az a célom hogy zajongjon inkább a minőségi átvitel a teljes spektrumban. Ha tudnál ebben segiteni kimenőket illetően annak nagyon örülnék.
Az összes méretezési, számítási mód itt van a téma képei közt, az első (legrégebbi) oldalakon. Sajnos minőségi vas beszerzése nem könnyű (drága; külföldi oldalakon van). Ill. itt a hirdetőben néha előfordul, vagy adj fel keresést.
Nekem vannak ilyen régebbi trafó lemezeim a garázsban, talán Ei105?, Ei130, Ei150.
Ha érdekel írj PÜ-t.
Régi BEAG vasak (M102, M85) jó és viszonylag olcsó kiindulási alapok lehetnek.
Kezdő építőknek ajánlom ezt a kis PCL86 SE erősítőt ami most fióktakarítás alkalmával készült. Sok bontott alkatrész felhasználásával nagyon olcsón kijött. A ZK140 kimenők átvitelét az átfogó negatív visszacsatolás szépen kompenzálja. Meghallgatva és mérve is nagyon jónak mondható. Igyekeztem jó minőségű alkatrészeket felhasználni.
Szép munka! A ZK140 kimenők szerintem jobbak pl. az átlagos Vidi rádió kimenőknél. Persze ezeknek is meg vannak a maguk korlátai, de a kategóriájában jónak mondhatók. Szép hangú SE építhető velük. Jazz, komolyzene, disco megy nekik, de egy zúzós rockon már elvéreznek. Ez az én tapasztalatom
Kezdésnek ideális.
Szép Munka, Gratulálok!
![]() Nem lehetne róla majd egy cikket is írni valamikor?
Szép munka. A tápban a 6 db elkó is a költségcsökkentést szolgálta?
Milyen doboz ez?
Az 6 db 47µF/400V. Bőven elégnek kell hogy legyen. Nagyon szép munka.
Így van. A 6 kis értékű elkó lényegesen olcsóbb, mint 3 nagyobb.
Köszönöm mindenkinek. Saját készítésű doboz.
Köszi. A rockra már minimum egy PCL86 PP kell.
Sziasztok!
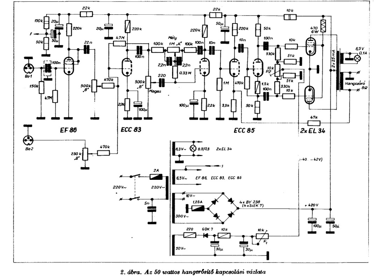
Végre sikerült össze gyűjtenem egy kis pénzt hogy meg tudjam venni a már nagyon régóta készülőben lévő 2X50W-os csöves erősítőmhöz a vég csöveket! ![]() Sikerült lelnem egy oldat itt nálunk ahol árulnak párba válogatva EL 34-es csöveket, csak egyetlen problémám van, hogy ezek a csövek nem sima EL34 esek, hanem EL34B végződéssel vannak, a kérdésem az volna hogy mi a különbség a sima EL34 es cső között és a B végződéses közt?. A csöveket INNEN vásárolnám meg, és ehhez a kapcsoláshoz lenne fel használva, amit CIROKL fórumtársunk át alakított nekem, amiért nagyon hálás vagyok neki! Mi a véleményetek ezekről a csövekről?, és jó lesz e ehhez a kapcsoláshoz?.
a "B" végződés úgy tűnik, hogy nagyobb erősítést, és nagyobb impedanciát jelez. Valami különleges régi 6L6-os hangot eredményez. Szerintem inkább ez gitár erősítőkben való csak.
Válassz sima EL34-et inkább! Ez a kapcsolás valami gitár erősítő? Az elején a hangerő szabályzó el van rajzolva. Nekem nem tetszik ez a kapcsolás, szükséged van hangszín szabályzóra? Én 30 éve anélkül hallgatok zenét, és nem hiányzik, rontja a hangminőséget. Minél egyszerűbb egy kapcsolás, annál jobb! A hozzászólás módosítva: Nov 5, 2016
Szia!
Nem ez nem gitár erősítő szerintem, de fel teszem az eredeti kapcsolást is. Már rég meg építettem a panelokat, csak a csövek hiányoznak bele. ITT láthatók a kész panelek.
Akkor mit szolsz ezekhez a csovekhez ITT ?.
Mondjuk a JJ markáról nem sok jót halottam , azért választanék egy kicsit drágábbat, de itt ezen az oldalon nincs sima EL34 es végződésű aminek az ara meg felelne nekem, ugyanis csak 500RON-om van erre a célra.
Igen, a Tesla/JJ nem túl jó, én is cseréltem már, és 1 év alatt tönkre ment.
És ha 2db párt vennél: Electro Harmonix Tube El34 Paar ?
Idézet: „Sikerült lelnem egy oldat itt nálunk ahol árulnak párba válogatva EL 34-es csöveket, csak egyetlen problémám van, hogy ezek a csövek nem sima EL34 esek” Jó lesz a végcső, ne aggódj. Kapcsolás viszont nem alkalmas minőségi zenehallgatásra, hangosításra készült.
Szia!
Ne szomorítsál el, hogy érted hogy hangosításra készült, és nem minőségi zene hallgatásra?, az a kapcsolás sem felel meg ami kézzel rajzolt?, elvileg annak jobb kell hogy legyen az eredetinél CIROKL szerint!.
Mondjuk vehetnek négy darab Electro Harmonix Tube El34 Paar is, csak nem tudom hogy ezek mennyivel jobbak a JJ márkától?, nem szeretném ha túlságosan hamar tönkre mennének a csövek!.
Mivel jobb? Tele van felesleges alkatrészekkel, csövekkel. Bemeneti érzékenysége sem megfelelő, normál jelforrásokhoz.
Hát ez most már meg van építve, ha meg jönnek a csövek, és be üzemelem, majd csak akkor fog ki derülni hogy szépen fog e szólni, vagy csapni való hangja lesz, de az utóbbit azt nem szeretném, mert rengeteg munkámban, és pénzembe van már eddig is ez az erősítő.
Na de meg lásuk mit hoz a jövő!
Ami biztos, kevesebb alkatrésszel lényegesen jobb minőségű erősítőt lehetne készíteni.
Zenehallgatáshoz készült végfok bemeneti érzékenysége kb. 700mV és felesleges a hangszín fokozat. A hozzászólás módosítva: Nov 5, 2016
Szia !
Ez melyik kapcsolás ? Nagyon régen volt de én erre nem emlékszem ?
Szia!Ott van a rajz alatt,hogy "hangerősítő".Ez szerintem hangszer erősítőt jelent,két bemenettel egy pl. mikrofon és egy gitár.Az ecc85 rácsától indul a végfokozat,oda kell csatlakozni egy előfokozattal.
Igen, ha már minden megvan hozzá, akkor rakd össze így, és hallgasd meg.
Utána lehet tuningolni. A kimenő trafón nincs véletlenül ultralineár megcsapolás? Az is egy jó lehetőség lenne. Az első tunig lehetőség, hogy csak a végét hajtod meg, csatolok egy képet. Fontos, hogy mielőtt beteszed a végcsöveket, ellenőrizd le a feszültségeket, a negatív előfeszültséget hajtsd le mínusz maximumra(pld. -50V), és ha már bent vannak a csövek, akkor növeld az áramot. Így elkerülhető a túldisszipáció.
Szia CIROKL!
Hogy pontos legyek 2014 Január 19-én e-mailben küldted el nekem a te általad módosított rajzokat, hát igen már régen volt, nem is csodálom hogy el felejtetted. ![]() Az alimentálás rajza ITT van, a végerosito rajza pedig ITT találhato, ez egy Román TEHNIUM konyvbol van, de teljesen meg egyezik EZZEL a rajzzal!. |
Bejelentkezés
Hirdetés |







Kezdésnek ideális. 




