Fórum témák
» Több friss téma |
Fórum » Crystal radio - detektoros rádió
Talán, ha a Rádióépítés topikba írogatnál, akkor ott nem lenne off.
Viszont tovább gondolva a detektoros témát. A légmagos nagy átmérőjű induktivitással egy kicsit nagy rézveszteségre lehet számítani ebből adódóan csökken a szelektivitás és a rezgőköröm jósága is. Ha az induktivitást ferrit magra tekerem akkor: gondolkodásom szerint ugyan bevezetek a rendszerbe ismét egy veszteséget, viszont csökkenteni tudom a rézveszteségemet, mivel kevesebb huzal is elég. Igaz jelentkezik a vasveszteség, de az sokkal kisebb veszteségnek ígérkezik, mint az a sok feltekert huzal. Ezáltal megnő a rezgőköröm jósága, ebből adódóan csökken a sávszélessége és így javul a szelektivitásom. Jól gondolkodom? Vagy totál vakvágány irányba indultam el. Mit mondtok?
Erre azért jutottam mert tegnap este körbetekertem a rádiómat, de a Solti KH adó annyira combos, hogy amikor kb. 900 KHz körül tartottam a detektorossal még mindig az 540 KHz -s Kossuth szólt. igaz már csúnyán de érthetően. Tudom hogy a 2000KW az nem kevés de hogy az ekkora jelszint azon egy kicsit meglepődtem.
Azért, annyira nem jól gondolod. A légmagos tekercs induktivitása a tekercs méreteitől függ. Minél nagyobb az átmérője, ugyanakkora menetszámnál nagyobb az induktivitása. Magyarán, ugyanakkora induktivitáshoz kevesebb menet kell. Az induktivitás a menetszámmal négyzetesen arányos, míg a rézveszteség lineáris.
De, itt a fórumon található légmagos tekercs induktivitás számolóka, próbálj kiszámolni menetszámokat ugyanakkora induktivitásra különböző átmérőkre, és az ehhez tartozó huzalhosszra. Nem árt figyelembe venni a veszteségi ellenállás számolásánál a skin hatást is, tömör, és Litze rézhuzalra egyaránt. Egyszer legalább végezd el ezt a számolást, az eredmények excel táblába gyűjtése igen szemléletes. Azonkívül nem tudom mennyire tűnt fel, hogy a detektorosoknál szinte kivétel nélkül nagy átmérőjű tekercseket alkalmaznak. A hozzászólás módosítva: Szept 23, 2016
Itt Miskolcon kínlódtam én is a szelektivitással, hagyományos kapcsolásoknál a helyi adó 1116 kHz-en túlkiabált mindenkit. A melléklet mórickarajz szerinti "A" variáció szerinti kapcsolással kihangoltam az antennát a venni kívánt frekvenciára egy régi Tesla autórádió variométerével. Ezzel sikerült Soltot elfogadható hangerővel megfogni, csak a hangoláseléggé kétkezes művelet volt,mert a két rezgőkör együttfutása csak egy szűk sávban valósult meg. Azt viszont megfigyeltem, hogy az antennakör nagyon éles rezonanciát adott. Ezen felbuzdulva kipróbáltam a "B" és "C" változatokat, nekem a "B" jött be. A Kossuth meg a helyi adó mellett 8-9 külföldi, főleg román nyelvű adót sikerül befognom. Valószínűleg azért vált be ez a változat, mert a helyi adó a a sáv magasabb frekvenciájú részén van. Ha Solt túl erős a többihez képest, lehet, hogy a "C" a nyerő.
Az igazsághoz tartozik, hogy a hallgatóm elég nagy impedanciájú. Lengőnyelves telefonhallgatót sikerült áttekercselni úgy, hogy darabonként 7 kohm az ellenállásuk, az 50 Hz-en mért impedanciájuk 10 kohm körül van. A hozzászólás módosítva: Szept 23, 2016
Hany menetet raktal ra, vagy hany meter huzalt, milyen vekonyat es mibol szedted? A fulhalgatorol beszelek
Kezileg tekerted ra? Aze ezt durva volt megcsinalni de profi.
Az ötlet innen jött.
A huzalt egy mikrosütő szinkronmotoros időzítő órájának a tekercséből termeltem ki. Az átmérője úgy saccra 0,05 mm lehet. A tekercseléshez pedig egy régi Terta 16 mm-es vetítő visszacsévélő készülékét használtam. Haználható esetleg satuba fogott amerikáner is. menetszámot nem tudok mondani, olyan 5-7000 lehet. Végülis annyit tekertem rá, amennyi elfért, mivel minl gyengébb a jel, annál nagyobb impedanciát kíván a detektor. A hozzászólás módosítva: Szept 25, 2016
Ez szép munka! Gratulálok.
Nekem nem sikerült ennyire jól a projectem. Elvileg 1Kohm lenne a fülesben mind a két cséve, de sajna az egyik szakadt volt ráadásul több helyen is. Az új tekercs csak 160 ohmosra sikerült de legalább használható. Szóval az egyik oldal 2K a másik csak 1,16K de így is szépen szól vele a detektoros.
Az "A" változat tűnik a legkivitelezhetőbbnek, mindössze annyit kell megcsinálni, hogy a soros és a párhuzamos rezgőkör tekercs induktivitása egyforma legyen, vagyis közös csévetestre tenni, és egy közös ferrittel azonosra trimmelni Így egy ikerforgóval egész jó együttfutás érhető el.
Bár igazad lenne, de sajnos az antennakörben az antenna kapacitása (100 pF nagyságrendű) sorba kapcsolódik a forgókondenzátorral, így az együttfutás nem jön össze. Az persze lehetséges, hogy ugyanekkora kapacitást sorba kötni a detektorkör forgójával és akkor lehetséges az együttfutás, de ekkor várhatóan a frekvenciaátfogás is kisebb lesz, nem beszélve arról, hogy az antenna induktivitását is valamilyen formában figyelembe kell venni.
Szia!
Na mától kezdve társaloghatunk Q kódokkal is. Levizsgáztam az NMHH-nál.
DR OM!
I mni nice QSO ham bands! 55 and 73 mni DX !
Gratulálok
![]() Itt van azonnal: QHV Nagyon hideg van
OFF (HG7AW) Merthogy sokan nem értik és ez egy fórum az itt regisztráltaknak! Egyébként gratulálok a frissen vizsgázóknak!
Sziasztok!
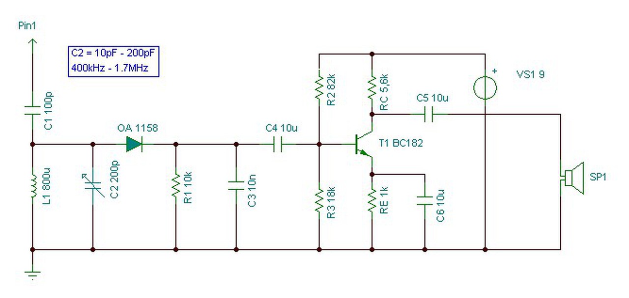
Működne a kapcs. rajzon lévő rádió szerintetek?
Igen, ha a tranyós fokozat után egy rendes végerősítő jön, nem hangszóró.
Értem, köszi. Még egy végfokot rajzolok hozzá akkor, de sajna csak egy kis 0.25W-os hangszóróm van. Nem kaptam kristályhangszórót ezért is gondoltam egy erősítőfokozatot hozzá, hátha így elég lesz. Ha rakok még hozzá egy végfokot az már elég lesz a kis hangszórónak?
Még egy kérdés. A C1 100pF nem egy soros rezgőkört alkot a tekercsel?
Nem, az az antenna csatolását végzi, csökkenti az antenna sajátkapacitásának hatását, mivel azzal kapcsolódik sorba.
Még annyit esetleg, hogy az R1, C3 Időállandóját célszerű olyan 70 us körülire választani úgy, hogy az R1 a lehető legnagyobb legyen. (ez terheli a rezgőkört. és rontja a jóságát) Ezért nem ártana, ha az első hangfrekvenciás erősítő fokozatnak valami nagy bemeneti impedanciást választanál.
C3 értékét megváltoztattam 100n-ra, így pont 70us. De ha R1-et kellene nagyobbra venni, akkor átvariálom. Átméretezem az első fokozatot ha nagyobb bementi impedancia kell, de nézzétek meg a második fokozatot is. Ezt most számolgattam de nem vagyok benn biztos hogy rendben van. Feltűnően alacsony értékű ellenállások jöttek ki RC, RE, attól függetlenül hogy IC-t 100mA-re méreteztem. A bázis áram 1mA, kb: Au = 100.
_BiG_: köszi most már értem. A hozzászólás módosítva: Dec 4, 2016
Idézet: „em kaptam kristályhangszórót” Pedig millió számra ontja magából az ipar .Bármelyik csipogós játékból,alaplapból, eszközökből kitermelhetőek, a kis lapos rézkorong vagy dobozolva. Piezzo passziv csipogók a boltokban. ilyesmik amik passzívak
Azt megkérdezhetem, hogy ez a 70us miből adódik, számítandó?
Úgy nagyjából a felső határfrekvenciából. Nem muszáj számítani, ha megnézel megvalósított kapcsolást nagyjából ilyen értékek körül szórnak, de elméletileg is igazolható. Ha túl nagy az időállandó, (alacsonyabb a határfreki, kisebb lesz a demodulált hangfreki, ha túl kicsi az időállandó, magasabb a felső határfreki, csökken a demodulálás hatásfoka, megint csak kisebb lesz a demodulált hangfreki. Persze nem éles a határ, de nagyjából itt van, 10 - 15 kHz körül.
70 us előkiemelés és utóelnyomás időállandója. lesz.
Ezzel a jel/zaj viszonyt lehet javítani az átviteli láncban. Inkább URH műsorszóróknál jellemző. AM vételnél a burkoló görbe időállandója lényeges a demodulátorkörben. Úgy illik megválasztani , hogy a vivő / KF frekvencia alatt legyen de a demodulált hangfrekis jel sávszélességénél pedig magasabban. Ekkor nem fogja torzítani egyik jelet se . Ha túl lassú akkor a hangfrekvenciát torzítja, ha túl gyors akkor meg a nagyfrekis jelet csökkenti. Általában fnagy / 10 és fhangfreki * 10 érték közé kell választani. Tehát 10szer gyorsabb legyen a legmagasabb demodulált hangfrekis értéknél , és maximum tizedrésze legyen a nagyfrekvenciának. Az időállandó az R*C szorzatból adódik. R az az ellenállás amit a demodulátor dióda lát a kimenetén C az pedig ezzel az ellenállással párhuzamosan kötött kondenzátort jelenti. R1 / C3 tagok időállandója számít.(jelen esetben a te rádiódban) A hozzászólás módosítva: Dec 4, 2016
|
Bejelentkezés
Hirdetés |






Kezileg tekerted ra? Aze ezt durva volt megcsinalni de profi.



.