Fórum témák
» Több friss téma |
Fórum » LED-es kivezérlésjelzők
Témaindító: KeserűCukor, idő: Márc 27, 2006
Témakörök:
Tehát akkor nálad sem látszik a panelterv? vagy csak rossz tapasztalatot meséltél? Sajnálom Topit... tudom milyen érzés... (nekem szerencsére "csak" egy órányi munkám veszett kárba...
)Azért az okot jó lenne kitalálni, hogy miért is csinálja az Eagle!
Én most nem otthon vagyok, az itteni gépre nincs EAGLE telepítve, így nem tudtam megnézni sajnos
EAGLE Legalizer nevű gyógyító-programot próbáltad már?
Néztem, de nem segített... Mindegy... Mostanra már egész jól beletanultam az eagle használatába, most jöhet a sprint layout...
Sziasztok! Én is megépitettem a napokban az Urbán féle inteligens sztereó kivezérlésmérőt bekapcsoláskor világit a LED soron néhány kihagyással az összes 1 max 2 másodpercig, amikor jelet adok rá a jel nagyságának és ütemének megfelelően világitanak.Tehát ami Einstein-nél jelentkezett nem hiszem hogy hiba,de elképzelhető hogy elkötött vmit.Hozzászólásait nem olvastam végig teszem hozzá, de a lényeget értem.Einstein ha még foglalkozol vele jelezz vissza nekem. További jó szerelést mindenkinek.
Hello!
Sok probléma után sikerült megterveznem a sztereó kivezérlésjelzőm nyákját! A speciális az benne, hogy a ledek szív formájában vannak elhelyezve. A szív egyik oldala az egyik csatorna, a másik oldala pedig a másik csatorna. Uaa180-as IC a lelke, ebből két darab kell. Próbáltam egy nyákra megtervezni, de sehogy sem akarta a jót...kétoldalast meg még nem terveztem. Csatolom a pdf állományokat. Aki szerkeszteni szeretne bele, annak szívesen odaadom az eagle-s fájlokat is!
nekem 4+1 led-es kivezérlő kapcsolási ill nyák rajza kéne ha valaki tudna küldeni.5 ször 10 led vezérlése.
a.c.s.ati@citromail.hu előre is köszi
Köszi.de csak most ismerkedem evvel a rendszerrel és még nehezen megy.megprobáltam de nem hoz semmit vagy csak rossz helyen kerestem.
nem a bekötés nem megy hanem kivezérlésjező kap rajz kellene valami egyszerű.ez csak itthoni használatra kell.
Sziasztok.Ha valaki tudna segiteni.Kéne nekem egy 4+1 csatornára kiezérlés jező kapcsolási ill nyák terv.mindenüt néztem de nem találtam.Egy keverőpulhoz szeretném majd lötni.csatornánként 10 db led kerül.köszi.
a.c.s.ati@citromail.hu
Egy házi buliközben lettem rá figyelmes hogy az erősitőm jobb oldali pálcika kivezérlése nem müködik, de viszont az erősitönek semmi baja. Mi lehet a baja? Adjatok tanácsot mitt tegyek!
A kivezérlés jelző (Műszer)-ről beszélünk?
Valószínű hogy csak érintkezési hiba .
Kap jelet??
Hi
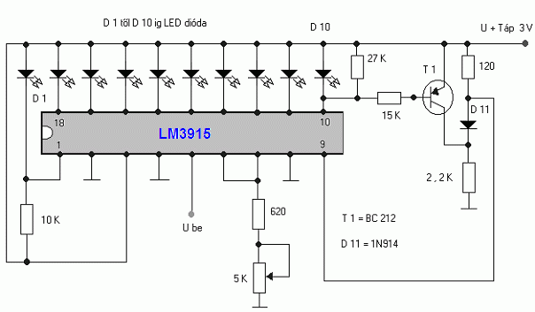
Megépítettem az alábbi kivezérlésjelző kapcsolást (csatolva) Nagyon frankón müködik,a poti csak a ledek fényerejét szabályozza,pedig én az érzékenységre tippeltem! És ez az! Az ic 5-ös lábára(audio in),és az audió bemenet közé esetleg lehetne vmi ellenállatot,vagy potit rakni? Sztem lehet,de jobb ha megkérdezem a szakértők véleményét!
Lehet próbálj meg egy 4.7 kohmost
egyik láb test - másik láb bemenet a középső ( a mozgó) érintkező az ic bemenetre .
Hy! Látom itt okos emberek vannak! Építeni szeretnék két hangfalra kivezérlésjelzőt! Olyan 10-12 ledből! Minden kellene. Kapcsolás, alkatrészet:tipus szám! Egyszóval minden! Ha tudnátok nekem segíteni ebben azt nagyon megköszönném! Előre is
Gergő
Köszi kiprobálom
hello
én is megépítettem a Skip féle ledes tranyos kivezérlés mérőt és ezzel kapcsolatban lenne az a kérdésem, hogy hogyan lehetne az érzékenységet állítani. értem ezalatt azt, hogy tapasztalataim szerint az halkabb hangokat nem jelzi ki. ugy szeretném megoldani hogy ha lehet, akkor mihelyst van hang rögtön jelezzen, ne csak akkor ha hangosodik valamennyit. lécci segítsetek előre is köszi
lehet hogy kéne elé egy erősítő ami valamennyit erősít a bemenő jelen?
Ha valakinek lenne elképzelése hogy milyen erősítőt rakjak elé azok ötleteit szivesen várom( kapcs rajz, doksi akármi) köszi amugy egy 9V-os elemről működtetem és 9 LEDdel
hali
van a kapcsolásban van egy 33k os ellenállás az erősítőfokozat bázisán... nah azt próbáldd meg kicserélni mondjuk 22k-s ra... ha minden igaz akkor az érzékenysége ettől jobb lesz... (nagyobbat erősít) Skip
sziasztok!!
bocsi a zavarásért! Lenne egy kérdésem,szerintetek telefon kijelzöböl lehetne kivezérlésjelzöt csinálni? Konkrétan a samsung egy régi kék háttérvilágításu kijelzöjére gondoltam talán E-230 nem tudom pontosan. Elöre is köszi a válaszokat!! Üdv mindenkinek!!!
hali sry ez már megvolt
és nem segített jelenleg egy kb 18k-s ellenállás van benne a 33-as helyén de sajna semmi változás ((azért köszi ha valami még eszedbe jutna szivesen fogadom
ide is leírom
rájöttem mi volt a probléma ![]() nem a 33k-s ellenállás kell kicserélni az maradjon 33k a 68 ohmos ellenállásal kell párhuzamosan kötni egy kb 100 mikros elkot így az erősítés nem kb 10szeres lesz hanem 100szoros ![]() én egy 220 mikrosat raktam be, de hálistennek ugy tulvezéreltem h meg is halt a kapcsolás (nem a kondi miatt hanem nagyon feltekertem a hangot) |
Bejelentkezés
Hirdetés |




)

és nem segített




