Fórum témák
» Több friss téma |
Fórum » Kapcsolási rajzot keresek
Témaindító: Kallai Csaba, idő: Márc 11, 2006
Témakörök:
A víz az baj főleg , ha több rétegű a nyák. ha a motor is vizet kapott , akkor felmerülhet annak a zárlata is .
Egyébként az E4 hiba az lehet , hogy nem tudott a gép mindent leellenőrizni , vagy hibás egységet talált , és annál meg is áll.És addig nem is fog tovább menni , amíg a hiba fenn áll. A hozzászólás módosítva: Dec 12, 2016
Nincs csak neten nézegettem kicsit.De még mindig jó lenne látni legalább , hogy miről is van szó , mert , így csak vaktában találgatás van.
Itt vannak képek. Valamennyi élet van benne mert a kijelzője működik. A hibás alkatrészeket én is látom, de a rajz jól jött volna.
Akkor előbb tedd rendbe a tápot .Egyenlőre úgy sincs jobb.Nincs semmi bonyolult ebben a tápban , mindent ki lehet mérni , és ha ráadásul a kimenő feszültségek még rá is vannak szitázva , akkor meg még könnyebb.
Ha nincs más segítség , akkor jól jön ilyenkor az , hogy meg kell nézni milyen pwm kontroller van a tápban , és ahhoz hasonló rajzot lehet keresni.Sokféle van ilyen , úgy hogy biztos lesz .Az alapján el lehet indulni.Ha a táp kimeneteit méred csak külön mindentől , tehát leválasztva magáról a gépről , és minden feszültség meg van , akkor a táp jó.Akkor máshol keresendő a hiba. A hozzászólás módosítva: Dec 12, 2016
Én is így gondolta, az alján van még egy csomó SMD alkatrész, de megoldom. Köszi
Üdv!
Uher VG20 erősitő kapcsolási rajzát keresem , csak fizetőset találtam eddig. Köszönöm!
Sziasztok!
Ismét szükségem lenne egy erősítő kapcsolási rajzára, de legalább a tápfesz értékeire, ugyanis trafó nélkül csak a panel került hozzám. és még csak nekiállni se tudok, mert nem tudom mekkora tápok kellenek neki. Az alany egy BOSE SA-3. Az elektrotanyás SM-ben nincs említés hogy mekkora a táp és kapcsolási rajz sincs.
Jól látszik - a középső képen - mintha az IC lenne rajta elpukkadva.
Több városban is kerestem 4,5Mhz-es kvarcot de sehol se kaptam ,rendelni se tudnak,valahol csk lesz.
Esetleg 27 MHz kvarc+TTL osztó (:2:2:2)
Igaz így sehogy, 27 Mhz kvarc 7400 oszcillátor és egy 7490 6-os osztónak beállítva.
Valóban elég bonyolult, de az eredmény 4,5 MHz TTL négyszögjel.
Köszi, hogy figyelmet fordítottál rá. Igen úgy látszott, de letisztítva a panelt, ne volt semmi szokatlan. Egyébként átkondiztam az egészet, és jó lett.
Helló!
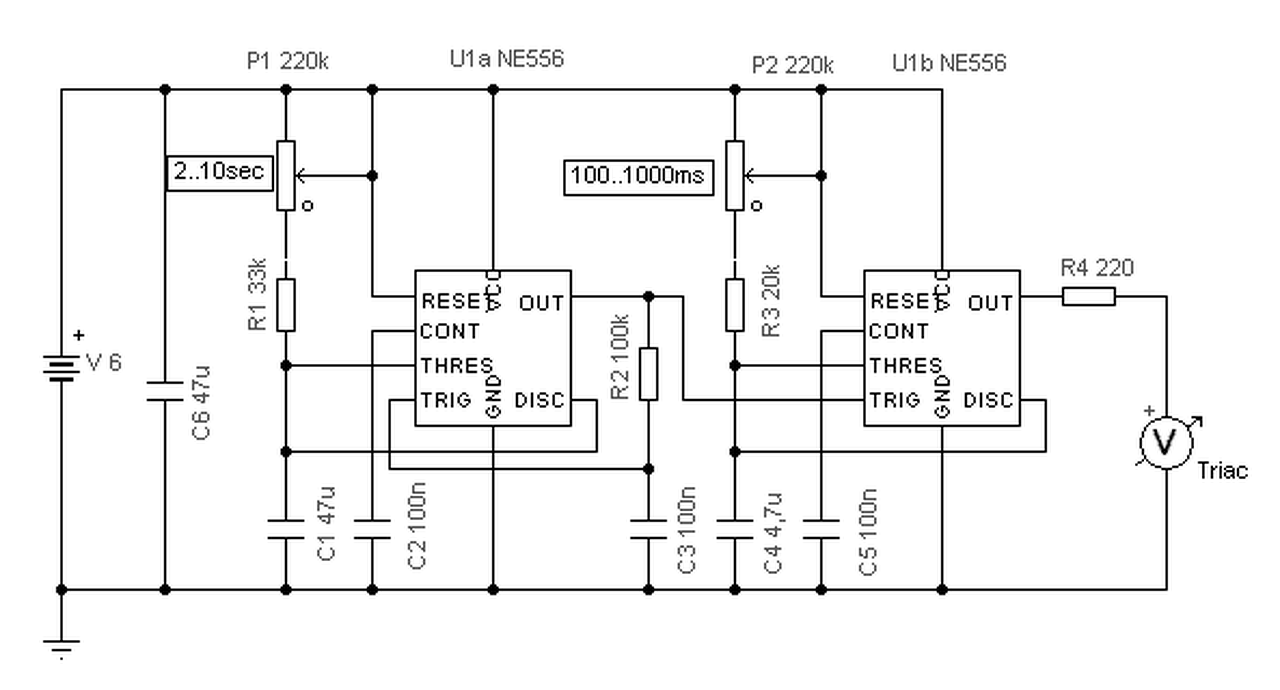
Keresnék egy olyan ütemjeladó kapcsolási rajzot, ami állítható 100-1000ms jelet ad ki 2-10s-os szintén állítható időközönként, lehetőleg 230V-os triakos kimenetre.
Sziasztok. Létezik olyan kapcsolás (valami spec ICvel) ami meg tudja különböztetni a (pop)zenét az emberi beszédtől..?
Konkrétabban azt tervezem hogy az FM Rádióvevő és az erősítő közé iktatnám be ezen dobozkát, hogy a zene átmenne rajta, de a riport és hírműsorok, reklámok alatt lecsökkentené jelentősen a hangerőt..
Szia!
Idézet: „A beszéd összetett hangokból áll. Az alaphangok frekvenciatartománya kb. 80 Hz-től 1000 Hz-ig terjed. Felhangokkal együtt a beszéd frekvenciatartománya eléri a 8000 Hz-et, de a 4000 Hz feletti összetevők nagyon gyengék. Információtartalmát túlnyomórészt a 800 és 3500 Hz közötti frekvenciasáv hordozza. A 800 Hz alatti és 3500 Hz feletti összetevők elsősorban a beszéd természethű csengését adják, az információátvitelben csak kisebb szerepük van.” Tehát a legtöbb zenében 8kHz-nél vannak magasabb hangok, célszerű ezeket figyelni és amikor nincs ilyen akkor valószínűleg beszélnek. A hozzászólás módosítva: Dec 20, 2016
Ez önmagában használhatatlanul megbízhatatlan real-time szűréshez.. Ennél jobb módszer kell..
Már csak azért is, mert a reklámok alatt is sokszor zene megy..
Philips CM8553 /00G monitpr kapcsolási rajzát keresem
A hozzászólás módosítva: Dec 21, 2016
Sziasztok! Egy olyan kapcsolási rajzra lenne szükségem, ami a következő dolgokból áll illetve, végzik a dolgukat. Van egy számlálóm, ami kapcsolgatja a kimenetet, ami az én esetemben egy RGB led, és színeket kever ki. Most egy ne555 adja neki a jelet, es kevergeti a dolgokat, de szeretném ha menne zene ütemére is. Egy kapcsolóval kapcsolnám hogy "auto/music". Igazábol egy electret microfont használnék csak nem tudom milyen rajzot használjak hozzá. Az én esetemben egy cd4024 számolgat. Épitsek valami szimpla mikrofon előfokot és a kimenetére tegyek egy "csúcsegyenirányitast?"
Sziasztok, és Boldog Karácsonyt kivánok mindenkinek. Universum VTC 4371 kapcsolási rajzát keresném.Ha esetleg valakinek van ,vagy tudja hol találhatom sokat segitene vele. Előre is köszönöm
Sziasztok. Keresném Orion AT1550-0 kapcsolási rajzát. Válaszokat előre is köszönöm.
Sziasztok!
Javításra került hozzám egy cseh gyártmányú, ZVA 180 S04-09T típusú diesel aggregátor, amiben egy LW1-36T jelű szabályzó egység található. A probléma az, hogy nincs kimenő feszültség. Az egység vezetékeinek megbontásakor vettem észre, hogy a rajtuk lévő számozás és a bekötő kapcsok számozása nincs összhangban (kézzel felírt számok, össze-vissza cserélgetve). Kérdésem az, hogy ismerős-e valakinek ez a típus és van-e valamiféle leírása az egység bekötéséhez? Esetleg a generátor rész bekötő kapcsainak jelölését ismeri-e valaki? A, B, C fázistekercsek és a csillagpont N jelölése rendben, de az A tekercs leágazására A1 van írva, illetve van F1 és F2 végpontokkal jelölt tekercs, valamint jelöletlen részek is; ezek kérdésesek számomra. A "sajátkezű" rajzot mellékelem... Egy plusz kérés a végére: bármilyen gyártmányú, de még "békebeli" gerjesztő/szabályzó elektronikával ellátott 3 fázisú aggregátor kapcsolási, bekötési, huzalozási rajza vagy szervizkönyve van valakinek, akkor azt is örömmel veszem. Talán abból tanulva előrébb jutok az én problémámmal is. Segítségetek előre is köszönöm! A hozzászólás módosítva: Jan 6, 2017
|
Bejelentkezés
Hirdetés |















