Fórum témák

» Több friss téma
Fórum » Csöves erősítő készítése
 
Témaindító: seedz, idő: Márc 31, 2006
Témakörök:
Ne feledd betartani a fórum viselkedési szabályait, és a topik megmaradásának feltételeit. [link]
A téma átmenetileg fagyasztva lett, hozzászólni nem tudsz!
Lapozás: OK   1934 / 2208
(#) tunerman hozzászólása Máj 3, 2017
Van aki azon dolgozik, hogy olcsón tudjon építeni elektroncsöves erősítőt.
Aztán van aki az esztétikai kivitelt preferálja, jól mutasson az a gépezet.
Van olyan is aki a minél nagyobb teljesítményt szeretne elérni.
Nem sokan a minél természethűbb hangzást keresik az elektroncsövek segítségével.
Néhányan meg lehetőleg minél többet értekeznek arról, hogy mások mit építettek meg.
Üdv:TJ.
(#) mohinger válasza tunerman hozzászólására (») Máj 3, 2017
Idézet:
„Néhányan meg lehetőleg minél többet értekeznek arról, hogy mások mit építettek meg.”


(#) FordPrefect válasza (Felhasználó 116638) hozzászólására (») Máj 3, 2017
Olvasgass, nézegess jelleggörbéket 6L6/6P3S és 6P3S-E csövekről. Meg ellentmondó véleményeket a netről. Utoljára írtam le a a különbségeket. A lényeg az
Idézet:
-E
betűn van. Ha még "okosok" sem értik, akkor szélmalomharc. Meghagyom Nektek.
(#) xemi hozzászólása Máj 3, 2017
Helló!
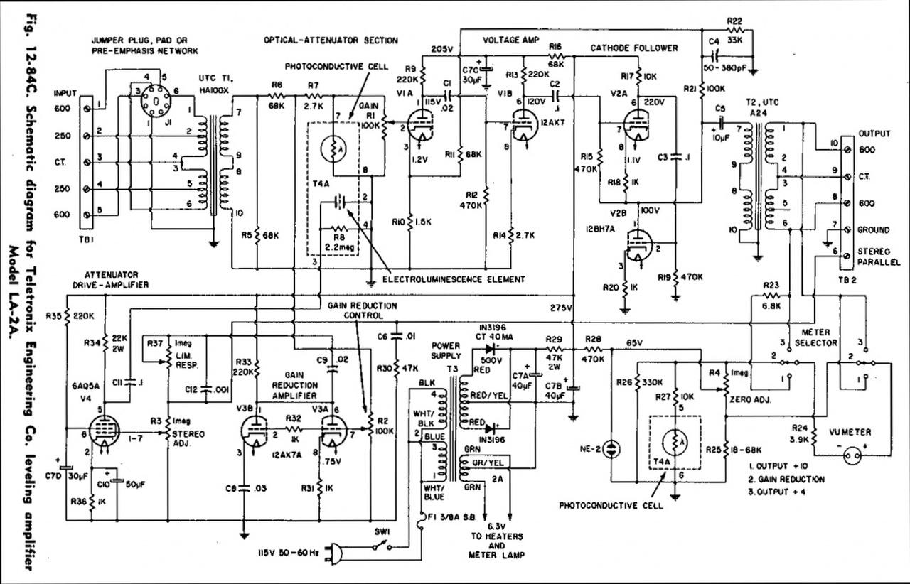
Megépítettem a csatolt optikai csöves dinamikaszabályzozót. A vezérlő oldallánc egy 6aq5 cső, ami egy EL fóliát hajtana meg. Conrádtól rendelhető világító EL fóliák AC 60 és 110Volt közt működnek.
Az én esetemben a 6aq5-ről AC 12-20V jön le maximum ami elméletileg ugye nem csinálna semmit a fóliának.
Tudnátok nekem segíteni, hogy mi lehet a hiba?
(#) xemi hozzászólása Máj 3, 2017
A kapcsolás lemaradt.
(#) cua válasza mohinger hozzászólására (») Máj 3, 2017
Az internet ilyen kegyetlen vilag. Ha valaki valamit publikal, akkor arrol ertekezni fognak. Nem feltetlen pozitivan.
(#) cua válasza szikorapéter hozzászólására (») Máj 4, 2017
Nem tudom mennyit segit, osszeszedtem a regi feljegyzeseimbol es az adatlapokbol amit tudtam.
Tobb, lenyegesen eltero adatlap is kering ezeket csak amolyan kiindulopontnak fogadd el.
A 6P3C-E tobb valtozatban is adott, 500 es 5000 oras elettartamra.

PP-ben ezek jelentosen elterhetnek.

Annyit teszek meg, hogy a hetvegen vegigmerem mindegyiket, azonos kapcsolasban.
Az eredeti kapcsolas 6P3P-re keszult.
Lasd mellekletek.

Sajnalatos modon a helyzetembol fakadoen en folyamatosan keverem az 'S' es a 'C' betuket, ez ne zavarjon meg
A hozzászólás módosítva: Máj 4, 2017
(#) szikorapéter válasza cua hozzászólására (») Máj 4, 2017
Rendben,köszönöm. A hálózati trafót végül véletlenek sorozatából adódósan sikerült hozzá kompletten megszerezni,ez a trafó 240V-os szekunder tekercsein ,tekercsenként 120mA-t tud. (A trafó 2x240-et ad gyárilag így a max kivehető áramom 240mA,aminek elégnek kell lennie bőven a PP erősítőhöz)
(#) Rahed Lee válasza Cinema hozzászólására (») Máj 4, 2017
No, elkészült az előerősítőm. A hangfrekis körben a két 6N6P ki lett cserélve ECC 82-re. És kapott egyenirányított fűtést. Schottky diódával készült. Egyszerűen tökéletes lett. Olyan csendes, hogy ha odatartom a fülemet a hangsugárzóhoz, akkor sem hallok semmi zajt. Mindemellett baromi jól is szól. Semmi minőségbeli romlást nem érzek, csodálatosan tisztán dinamikusan és részletgazdagon szól.

Nálam nem nyert igazolást az a közvélekedés, miszerint az egyenáramú fűtéssel romlik a hangminőség. Az angol csöves végfokom is gyárilag egyenirányított fűtéssel rendelkezik, meg tudtommal az Audio Note is ezt használja. Szóval nekem bejött.
(#) cua válasza Rahed Lee hozzászólására (») Máj 4, 2017
Az a lefontosabb, hogy neked tetszik. Te fogod hallgatni
Idézet:
„Nálam nem nyert igazolást az a közvélekedés, miszerint az egyenáramú fűtéssel romlik a hangminőség.”

Ami tuti az ugye micimacko kiuzese, a minosegromlasra pedig sosem lattam elfogadhato magyarazatot.
(#) Rahed Lee válasza cua hozzászólására (») Máj 4, 2017
Igen minden szakértő azt mondja, hogy nincs tudományos alapja annak ellenére, hogy sokan jobbnak vélik hallani. Olvastam olyant is, hogy a nagyobb felharmonikus torzítás miatt akár teresebbnek, részletgazdagabbnak is hallhatják egyesek. De ez már a sötét oldal nekem. Nem vagyok akusztikus, nem akarok okoskodni mert ehhez nem értek. Csak azt tudom, hogy a nagy átlagnál jobban zavar a legkisebb nem odavaló zaj is. Most direkt olyan felvételeket hallgatok, ahol eddig zavartak a karcos magasak. Örömmel konstatálom, hogy nagyon alábbhagytak ezek a torzítások. És emellett nem hiányzik semmi. De most még friss az élmény, napokig nem bolygatom csak hallgatom. Így áll össze a dolog. Az ember hangulata és egyéb külső tényezők nagyon befolyásolják a pillanatnyi élményt. Hagyni kell leülepedni

Az a szép a hifiben, hogy nagyon nem fekete-fehér. Kinek ez, kinek az tetszik. Én tiszteletben tartom bárki hitvallását, de engem se akarjon megtéríteni, saját ízlésére formálni.

Mindenesetre azt már megtanultam sokéves praxisom alatt, hogy nagyon kevés dolog van a hifiben ami kőbe vésett tuti szabályként elfogadható. Van jó erősítő és van rossz. Minden ismert megoldásnak, technológiának van jeles és csapnivaló képviselője. Van aki erre, van aki arra esküszik. Én meg inkább figyelek szép csendben és gyűjtöm a tapasztalatokat, hagyom formálódni a rendszeremet és az ízlésemet. És ha tehetem elmegyek koncertre is, hogy legyen viszonyítási alapom, hogy hogy is szól valójában egy hegedű, egy fuvola. Számomra ez a valódi etalon nem egy készülékgyártó ízlése.
(#) FordPrefect válasza Rahed Lee hozzászólására (») Máj 4, 2017
Szép (ömlengés) Esetleg valami konkrétum? Sarokpont?
"Aki 10 mondatban mondja el, amit 1 mondattal is el lehetett volna mondani, az egyéb aljasságokra is képes" Csak idéztem..
Szakértő... Karcos magasak. Ne vicceljünk már.. EZ HE. Hobbielektronika Csöves erősítő készítése fórum.
(#) Rahed Lee válasza FordPrefect hozzászólására (») Máj 4, 2017
Csak sajnálni tudlak, ha neked ez az egész műfaj nem több, mint mérési adatok és technikai paraméterek halmaza.
(#) cua válasza FordPrefect hozzászólására (») Máj 4, 2017
Maradj mar, ez egy elmenybeszamolo volt.
Mellesleg a konkretum is elhangzott:
1. Eltunt a maci
2. Nem romlott a zeneelvezeti erteke.
+ valami jobb lett. Ha az utobbit placebo hatasnak veszem a lenyeg akkor is ott van elotte.

Nincs mit bizonyitani mert elfogadott, mar bizonyitott elmeletet probalt ki.
(#) pucuka válasza Rahed Lee hozzászólására (») Máj 4, 2017
Csatlakozva az előttem szólóhoz, a brumtól eltekintve nem valószínű, hogy füllel különbséget tudsz tenni egyen, és váltó fűtés között.
Azt az élményt, amit (komolyzenei) koncert nyújt, otthon sohasem fogod tudni reprodukálni, márcsak az akusztikai különbség miatt sem. Aztán még ott van, a műsor rögzítőjének saját ízlése. Ebben a láncban nem az erősítő a leggyengébb láncszem, pláne nem egy előerősítő fokozat.
(#) Rahed Lee válasza pucuka hozzászólására (») Máj 4, 2017
Tökéletesen tisztában vagyok vele, hogy mi a különbség az élő zene és a "konzerv" között. De ha van egy viszonyítási alapom akkor legalább tudom, hogy mi az a hangzás amit szeretnék legalább megközelíteni. És akkor ehhez keresek technikai megoldást.

Nekem a brumm volt az alapvető problémám, ami a jelek szerint torzítást is eredményezett, különösen a magasabb tartományban. Ha csendben lett volna, akkor nem álltam volna neki egyenirányítani a fűtést. Brumm eltűnt, a magas tartomány érezhetően nyugodtabb lett. Határozottan jobban szól a rendszer, mégha nem is tudom mérési adatokkal alátámasztani.
(#) pucuka válasza Rahed Lee hozzászólására (») Máj 4, 2017
Nem akarlak sem elkeseríteni, sem lebeszélni szándékodról, csak példának mondom, hogy én majd hat éves rádiós hangtechnikusi/mérnöki gyakorlat után adtam fel a hangtechnikai eszközök otthoni készítését. Olyan színvonalat otthoni eszközökkel, még csak megközelíteni sem tudtam, (ebben nem az erősítő volt a ludas, az még csak ment) Sokkal inkább az egyéb eszközök, hangsugárzók, felvevő lejátszók, akusztika. Pedig hidd el, sokat próbálkoztunk.
(#) Rahed Lee válasza pucuka hozzászólására (») Máj 4, 2017
Hidd el már, hogy egyetértek veled. Huszonéve űzöm ezt a műfajt. Csak azért írtam a koncertélményt, mert nem egy ismerősöm van aki csak készüléket hallgat és azt a néhány zenét ami szerinte "jól szól". Nem a lehetetlen hajszolom, nem álltatom magam, de fontosnak tartom, hogy néha "kalibrálja" az ember a hallását.
(#) tunerman válasza Rahed Lee hozzászólására (») Máj 5, 2017
[quote][Nálam nem nyert igazolást az a közvélekedés, miszerint az egyenáramú fűtéssel romlik a hangminőség. 

quote]


Akkor az én véleményem az eddig eléggé misztifikált váltóáramú kontra egyenáramú csőfűtésről.
Tapasztalataim alapján minden olyan alkatrész (aktív és passzív) ami bekerül a fűtéskörbe - rontja a hangminőséget. Sőt a fűtéskör a testpotenciálról való felemelése - valamilyen tápfeszre, vagy feszültség osztóval - hallható a végeredményben.
Az információkat elemezve és utána fülelve jól követhető, hogy a csövek különálló fűtőtekercsről való szeparált fűtése, vagy a bal/jobb oldal szétválasztott fűtése jobb hangzást eredményez. Ehhez képest a DC fűtésnél felhasznált alkatrészek tömege miatt sajnos egy lépcsőfokkal gyengébb lesz.
Hogy miért is?
A csövek fűtését úgy kell tekintenünk mint egy (hő)energia áramlási folyamatot, mely a katód elektronkibocsátását teszi lehetővé. Valójában amikor mi bármit manipulálunk a fűtéskörben, akkor indirekt módon a hangminőséget alakítjuk.
Persze jön a kérdés - mi van az egyenírányító csövek, a kaszkód és az SRPP kapcsolások magasabb fűtéspotenciálon lévő katódjaival?
Igen, ott kényszerűségből, a fűtéskör katód potencíálját felemelt potenciálra tesszük - ismétlem kényszerüségből.
Üdv: TJ.
A hozzászólás módosítva: Máj 5, 2017
(#) Orbán József válasza tunerman hozzászólására (») Máj 5, 2017
Örömmel olvasom a soraid. Egyrészt minden cső fűtése különálló tekercsről fog nálam menni, másrészt elmarad a DC fűtés, egyéb tanácsadóm is abban erősített meg, nincs a végerősítőben szükség rá.
A potenciálra emelés elvileg szükséges, 130V-os különbség van a fázisfordító cső katódján, miközben a katalógus 90V-ot ad határadatként. Más, hogy akinek az erősítőjét másolom, sosem emelte fel a fűtést és nem tapasztalt negatívumot.
Amit viszont megteszek, külön stab táp a két első csőnek és teljesen külön, túlméretezett trafó a végcsöveknek. 180VA a 14W végfoknak. Amit még kipróbálok, a fő tápban nem elkó használata...
(#) cua válasza tunerman hozzászólására (») Máj 5, 2017
Idézet:
„Az információkat elemezve és utána fülelve jól követhető, hogy a csövek különálló fűtőtekercsről való szeparált fűtése, vagy a bal/jobb oldal szétválasztott fűtése jobb hangzást eredményez. Ehhez képest a DC fűtésnél felhasznált alkatrészek tömege miatt sajnos egy lépcsőfokkal gyengébb lesz.
Hogy miért is?
A csövek fűtését úgy kell tekintenünk mint egy (hő)energia áramlási folyamatot, mely a katód elektronkibocsátását teszi lehetővé. Valójában amikor mi bármit manipulálunk a fűtéskörben, akkor indirekt módon a hangminőséget alakítjuk.”

Ezt teljesen komolyan allitod ?
(#) tunerman hozzászólása Máj 5, 2017
Mármint azt, hogy az elektroncsövek fűtése (hő)energia áramlással jár?
(#) cua válasza tunerman hozzászólására (») Máj 5, 2017
Idézet:
„Az információkat elemezve és utána fülelve jól követhető, hogy a csövek különálló fűtőtekercsről való szeparált fűtése,... jobb hangzást eredményez.”

Idézet:
„Ehhez képest a DC fűtésnél felhasznált alkatrészek tömege miatt sajnos egy lépcsőfokkal gyengébb lesz..”

De lenne meg mit idezni.
(#) Rahed Lee válasza tunerman hozzászólására (») Máj 5, 2017
Nem tudom és nem is akarom cáfolni az okfejtésedet, de nálam semmi minőségromlás sem észlelhető. Ezek már szerintem olyan nüanszok, amik már nagyon nehezen hallhatók. Én nem úgy aposztrofálnám a jelenséget, hogy jobb, vagy rosszabb, hanem inkább más jellegű a hangzás. Kinek ez, kinek az jön be. Ezért is írtam, hogy én ilyenkor napokig nem bolygatok semmit csak igyekszem minél többet hallgatni. Néhány nap után el tudom dönteni, hogy az én ízlésem szerint jó vagy rossz irányba fordult-e a dolog.

De ha tényleg így is lenne, hogy az egyenáramú fűtés határozottan rontja a hangminőséget, akkor neves cégek, mint pl. az Audio Note miért alkalmazzák? Szándékosan rosszat csinálnak?

Mindazonáltal fenntartom a lehetőségét, hogy egy idő után visszaalakítom váltóáramúra a fűtést és úgy is hallgatom néhány napig. A brumm talán már nem jönne vissza, mivel csövet is cseréltem és volt módosítás a földelés vezetékelésénél is.
A hozzászólás módosítva: Máj 5, 2017
(#) goreny válasza cua hozzászólására (») Máj 5, 2017
Végre jön egy tapasztalati és gyakorlati szakember, erre megy ez a műsor. Kérdezném, hogy van-e gyakorlati tapsztalatod, ennek a kérdésnek az eldöntésére? Ugye építettél sokféle erősítőt, különféle megoldásokkal és ezek alapján tudsz véleményt formálni? A hálozati trafó kimenőként való alkalmazása kapcsán el tudod mondani, hogy mit jelent az, hogy illesztetlenség? Mit okoz? Csak hogy tőled tanulhassak inkább, ne Takács úrtól.
(#) cua válasza szikorapéter hozzászólására (») Máj 5, 2017
Ma az oroszokat sikerult bevetnem, az amcsi csovekert autoznom kell, az a jovo het vegere marad.
Nem allitottam semmit, azonos kapcsolasban probaltam oket. Aramot nem mertem,(minimalis hibaval) kiszamolhato.
A teszt dobozokon (gyenge minoseg) lenyeges kulonbseget nem hallottam (nem tudom mennyi volt placebo es mennyi valodi differencia), talan az oroszok dinamikusabbak voltak.
Baratno (neki vakteszt volt, mert nem tudta mikor melyik cso ment, es mikor volt egyaltalan csocsere) a 6P3S-E hallgatasa kozben jegyezte meg, hogy sokkal 'dusabb', tobb a 'tere'.
Jelentsen ez barmit.
(#) cua válasza goreny hozzászólására (») Máj 5, 2017
Vedd elo az altalanos iskola 7.o. fizikakonyvet. Csofutesrol beszelunk.
Eddig csak ezoteria szinten mozogtunk.
Ha akarki is bizonyitja az elhangzottakat keszsegesen elismerem, hogy a fizikai ismereteim elavultak, vagy epp hianyosak.
A hozzászólás módosítva: Máj 5, 2017
(#) tunerman hozzászólása Máj 5, 2017
Fizika.
1. Két párhuzamosan egymás mellett lévő vezetőbe váltakozó nagyságú áramot vezetünk, akkor a vezetékek körül mágneses tér alakul ki, és ezek a keletkezett mágneses terek a másik vezetőben áramot indukálnak.
2. Egy vezetőben több különböző áramkör váltakozó áramát közösen vezetjük...a kérdés az, hogy mi történik az elektronokkal ebben a közös áramköri vezetőben, és ez milyen hatással jár a különböző áramkörökre?
Üdv: TJ.
(#) Orbán József válasza cua hozzászólására (») Máj 5, 2017
Idézet:
„6P3S-E hallgatasa kozben jegyezte meg, hogy sokkal 'dusabb', tobb a 'tere'.
Jelentsen ez barmit.”

Nekem sokat.
(#) goreny válasza cua hozzászólására (») Máj 5, 2017
Értem. A kérdéseimre nem válaszolsz (talán mert nem is tudsz). De az ezotéria a részedről megy inkább. És megsúgom, tovább is olvastam, oktatás keretében, mint a 7.o. fizikakönyv.
Csőtesztelésről. Saját magad bevallása szerint is gyenge minőségű a hangdobozod, akkor szerinted mire jó ez a teszt? Főleg egy kinai erősítőben... De a hálozati nem jó kimenőnek, mert illesztetlen. Ühüm.
Következő: »»   1934 / 2208
Bejelentkezés

Belépés

Hirdetés
XDT.hu
Az oldalon sütiket használunk a helyes működéshez. Bővebb információt az adatvédelmi szabályzatban olvashatsz. Megértettem