Fórum témák
» Több friss téma |
Mielőtt kérdezel, a következő két dolgot ellenőrizd!
I. A helyes tápfeszültségek megléte.
II. A kimeneten van-e egyenfeszültség.
Élesztés.
Szia igazából csak a potmétereket cseréltem ki.Azt meg tudnád mondani ,hogy hogy számoljam ki a tranzisztor értékét , mert azt még nem nagyon tudom.Mármint ,hogy a ce -nek menyinek kellene lennie.
Elvileg csak a potmétereket cselélted, gyakorlatilag meg mégsem. Valami nem volt jól bekötve, most pedig igen.
Lehet tranyó munkapontot számítani, de az alapvető elektrotechnikai elvekkel tisztában vagy már? Nekem úgy tűnik hogy nem. Pl. a három feszültség amit először írtál sérti a huroktörvényt. Az alapok nélkül nem érdemes belecsapni a lecsóba.
Sziasztok. Javítottam egy csodát... Videón fordítva mondom 2sa ..2sc mindig be keverem .
Bővebben: Link Na ezért építek én erősítőt. Se koppanás gátló nincs gyárilag a készülékbe ,se hő védelem. Idézet: „Meg állt benne a ventilátor .Így széné sült a végfok egyik oldala.,,Állítólagos 1kw-os toroid jó ha megvan 640 w"”
Ehhez még annyit, hogy sok tengerentuli rajzon meg szokták adni az alapmértékegységet, pl. egy ilyen szöveggel:
"All resitors in Ohm, all capacitors in uF" Ilyenkor jobb ha tartják magukat ehhez.
Nem bírta ki!
![]() Köszönöm a rávezetést, tanulságos volt. Megrendeltem bele a félvezetőket, most fogom kicserélni őket, de tartok tőle, hogy hamar vissza fog kerülni hozzám. Aggódok a tranzisztorok eredetiségéből adódóan a strapabíró képessége miatt (olcsó ebay-os) továbbá, hogy sikerül is rábírni a fiatalokat arra, hogy 8 ohm-tól kisebb terhelést ne kössenek rá. (Jelenleg azt se tudták megmondani milyen dobozokat kötöttek rá, csak azt hogy volt már egyszerre négy is.) Az R225 értékének csökkentése (3,3K, vagy kisebb) hozhatna javulást a védelem aktiválódása érdekében? Vagy az már "korai" lekapcsolást is eredményezhetne? A hozzászólás módosítva: Máj 8, 2017
Az már szóba került, hogy a teljesítményfokozat 4Ω-os terhelése is költői túlzásnak számít. Ha ilyen kiszámíthatatlanok az üzemi körülmények, akkor olvadóbiztosítékot iktatnék a kimeneti ágba, 5A-100W/4Ω, estleg 6,3A- 150W/4Ω értékben.
Bízzunk benne, hogy meg fogja érteni a srác, nem szabad csak úgy találomra kötni rá a dobozokat.
Cseréltem a tranzisztorokat, az élesztés is sikeres volt, működik az erősítő. Az éppen maradt oldal emitter ellenállásain 8 mV-ot mértem (nyitott bemenet, hangszóró nélkül). picit kellett igazítanom csak a reparált oldal nyugalmi beállító trimmerén, hogy elérjem ott is a 8 mV-ot. Elfogadható az ehhez tartozó nyugalmi áram?
A 8mV/0,22Ω=36mA, ami teljesen elfogadható érték.
A hozzászólás módosítva: Máj 8, 2017
Szia! Ki cseréltem a tranzisztort is. Most ott tartok ahol az elején. Bal oldala mély hangoknál csak recseg.
Gondolom, hogy megtörtént, de hagy kérdezzek rá a biztonság kedvéért. A hangsugárzókat felcserélted már ellenőrzés képpen?
Ha beszereztél hozzá mindent, akkor van kapcsolási rajzod is talán ... és próbálkozz a nyák tervvel, esetleg az általad kreált nyák terved talán kiigazítja valaki, ha hibát talál, de rajz nélkül senki nem lát bele gondolataidba.
Nincs kapcsolási rajozom hozzá csak az adatlapja... azzal az úgy mond alapkapcsolással is megelégednék ami abban van.
Akkor miért írtad előzőleg, hogy mindent beszereztél hozzá ????????? - amúgy keress rá a Google-n!!!
Most látom, törölték is az előzőleg feltett írásod. A hozzászólás módosítva: Máj 9, 2017
Persze. Esetleg van még valami ötleted hogy mi okozhatja a hibát?
Próbáld meg, persze kellő körültekintéssel, a hangszórót közvetlenül az érintett oldal kimeneti csatolókondenzátor negatív és a tápegység pufferkondi negatív, mint test közé bekötni. Ezzel a hangszórókiválasztó kapcsoló teljesen kiiktatódik. Ha ezzel kapcsolatban bármi bizonytalanságot érzel inkább beszéljük meg!
A képen amit a múltkorában küldtem be tudnád jelölni a csatolókondit? Köszi.
Azokon a képeken a kimeneti csatolók nincsenek beültetve. Gondolom ki vannak vezetékelve panelen kívülre és ha jól emlékszem cserélted is őket. Hasonlít erre a készüléked?
Sziasztok!
TDA8920 elé szeretnék egy előerősítőt beépíteni, van is egy sima tápfeszes TL071 összerakva a fiókban. A probléma az, hogy a TDA 2 db akkmulátorról megy 2 Step Up-pal +-26V-ról, az előerősítő pedig 9-37V között tud működni. Ha közvetlenül a 2 akksi sarkára kötöm (tehát kb. 25V), akkor a végfok és az előfok nullája között ~10V DC eltérést mérek. Én arra gondoltam, hogy a +-26V után kellene stabilizálni zénerrel, vagy egy 7809-7909 párossal, és arra kötni, mert ott már a nulla a végfok nullája. Van ettől egyszerűbb megoldás, vagy esetleg ez nem is fog így működni?
Szia! A végfok test és +26V-ra próbáltad már kötni az előerősítőt?
Nem még, az az igazság, hogy a végfok és az akksik be vannak építve egy aktív hordozható hangfalba, amit úgy kitömítettem szilopaszttal, hogy esély sincs roncsolás nélkül szétszedni. Az akksikat könnyen elértem a kiszedett hangszóró helyén keresztül, de a 26V és a végfok közelébe nehéz lesz eljutni, ezért reméltem, hogy esetleg valahogy meg lehet oldani a 12V-os oldalról is. Egyébként az előerősítő a szimpla tápból egy ellenállásosztóval csinál magának szimmetrikus tápot, ezért ha a 0 és 26V közé teszem, akkor nem 13V lesz a végfok testjéhez képest az előerősítő kimenetén?
Az az igazság, hogy igazából magamat szivatom vele, normál erősségű jellel tökéletes, csak egy telefon nem hajtja ki rendesen, és mivel hordozható, keverőpult vagy számítógép általában nincs a közelben. +6dB szerintem már elég lenne, csak a TDA IC pedig fix gainnel dolgozik...
Nem ilyen az előerősítőd ?
A Hestore Kit, nagyon hasonló, csak változtatható az erősítés, és egy kondenzátorral kevesebb. Az erősítő pedig a sima kínai verzió hídban. A DC Converterek ilyenek, akksik 12V 12A.
Az előerősítő tápja legyen a jelföld és a hozzá képest pozitív feszültséget adó akksi plusz.
A KIT kimenetén gondolom van csatoló kondi az egyenfeszültség leválasztására.
Nagyon köszönöm, hétvégén kipróbálom, illene lennie kondenzátornak, de gyanús, mivel egyenáramot mértem, visszakövetem majd a NYÁK lapon, az a biztos.
Elektroakusztikus gitár rácsatlakoztatható a keverő rca bemenetére is, vagy csak az xlr/6,3 jack bemenetre csatlakoztatható?
A keverőn általában ezek a bemenetek vannak: -XLR -6,3 JACK -RCA Van erre szabály hogy melyik eszközt melyik bemenetre lehet csatlakoztatni, vagy megfelelő átalakító segítségével bármi rácsatlakoztatható bármelyik bemenetre?
Nem szabálynak mondanám, hanem szabványnak. Gyakorlatilag végtelem féle jelszint, meg végtelen féle impedancia létezik. De ezeket megpróbálták néhány szabványba sorolni. Tekintsünk most el a HIFI felhasználástól, így csak a keverőknél maradjunk.
Az RCA az aszimmetrikus 0 dB körüli jelszintre használatos rövid távolságra. Többnyire 10 kohm körüli fogadó, és 1 kohm körüli forrás impedanciájú. Az XLR szimmetrikus, akár nagyobb távolságra is elvezethető komolyabb problémák nélkül. Mikrofon szinttől (1-5 mV) 0dB-en át (775mV) egészen akár +12dB (2,8V) jelszintig használatos. Mind a forrás, mind a fogadó impedancia egységesen 600 ohm. Amiből a három tüske áll, az forrás, ahol három luk van az bemenet. A 6,3 JACK nagy előnye a gyors csatlakoztatási lehetőség, meg normális minőség esetén a hosszú élettartam. Ezeknél mindig odaírják hogy mit is kell rácsatlakoztatni, mert ez a leglazábban kezelt csatlakozó. Itt előfordul aztán minden. Lehet akár kapcsolópedál, hangsugárzó kimenet, inzert felület ami azt jelenti, hogy egy sztereó dugasz be és kimenet egyszerre. Lehet 1 Mohm fogadó impedanciájú bemenet, de akár fejhallgató kimenet is. Ha rá van írva hogy "LINE", akkor többnyire vonalszintű jeleket kezel. De a kérdésedre a válasz attól függ, hogy mi van a gitárban. Ha piezó hangszedős akusztikus gitárról van szó, akkor ha van a gitárban előerősítő akkor gyakorlatilag mind a három bemenetre csatlakozhatsz. Valójában az RCA-t nem erőltetném, mert az fizikailag nem arra való. Nem szereti a mindennapos kínzást. Jelszint szempontjából egyéb baj nincs is. Szóval használható, de ez törik majd le a leghamarabb. A hozzászólás módosítva: Máj 13, 2017
Sziasztok!
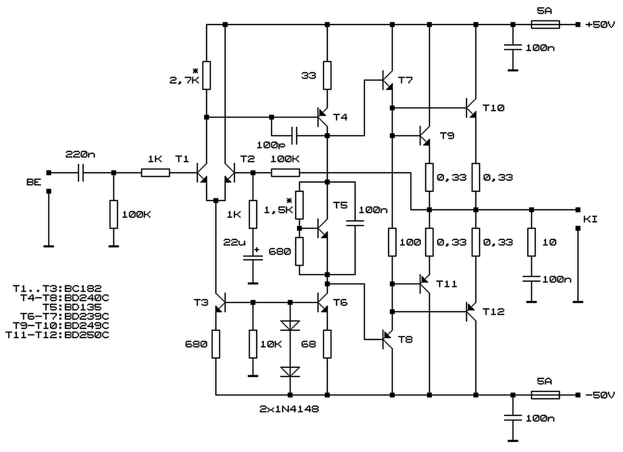
Azt szeretném megkérdezni,hogy djloui beültetési rajzában mi az az 5A? ui.: 2.oldalon van a rajz A hozzászólás módosítva: Máj 13, 2017
Szia! Az érintett hozzászólás fejlécében található kettős-keresztre kattintva megkapod a linkjét. Azt másold ide a válaszmező LINK gombját használva!
Sziasztok régebben megépitettem ezt az erősitőt és azóta is használom normál szobai hangerőn.Semmi baj nincs vele a világon,de,amint elkezdem baromi hangosan hallgatni kb.fél hangerőn,hallom hogy a védelem lekapcsolgat.Nem szedtem szét még csak mértem a kimenetet,normál hangerőn a dc szint kb.10-30mV,persze ugrál,fel le,de ahogy feltekerem félig akkor felmegy a kimeneti dc szint 600mV-1.30V ra.Persze ezért kapcsolgat a védelem.Hol keressem a hibát ha megbontom majd?
Normál hangerőn tényleg hibátlanul teszi a dolgát.Kb 2 éve épitettem. Kicsit át van alakitva a végtranzisztorok Mj15023-24, és minden más tranzisztor is nagyobb fesztüréssel rendelkezik mint a rajzon.Trimmerrel állitottam be a kimeneti Dc szintet rajta amit anno Reloop tanácsára épitettem be. Köszönöm A hozzászólás módosítva: Máj 14, 2017
|
Bejelentkezés
Hirdetés |












