Fórum témák
» Több friss téma |
Fórum » LED-es kivezérlésjelzők
Témaindító: KeserűCukor, idő: Márc 27, 2006
Témakörök:
A hangszóró jelét tetszőleges leoszthatod 2 ellenállással.
Hello! Nem követtél el hibát, ha csak azt nem, hogy nincs a tápfeszen pufferkondi. Hogy a Led-ek ne rángassák azt. Egyébként a Loudness a hangszínszabályzó körében van, ne a kivezérlésjelzőnél. A MODE vezérlésével oszlop kijelzésről váltunk át pont kijelzésre.
Köszi, hogy ránéztél!
A loudness történet csak figyelmetlenség, nem is értem miért nem DOT/BAR került oda, a puffer a tápfeszen, pedig egyértelmű, mint ahogy a 100nF is az opa táplábain (azt is sikerült lehagynom). Mentségemre legyen mondva, hogy a csúcsegyenirányító és az LM3915 összekapcsolásának helyességére koncentráltam .Üdv!
Sziasztok.
BA6822S IC-s kivezérlésjelzőnek a kész tervei, ha valakinek van ilyen IC-je és nem akar a tervezéssel bajlódni. Van 5 és 3 mm-es led driver terv is. Ezt én megépítettem mindkét változatban, tökéletesen elsőre működik. Mod: Felhasználó kérésére az alábbi mellékletek törlésre kerültek: - BA6822S teljes előfokos.lay6 - BA6822S teljes.lay6 - 3mm led driver.lay6 A hozzászólás módosítva: Ápr 27, 2020
Moderátor által szerkesztve
Sziasztok!
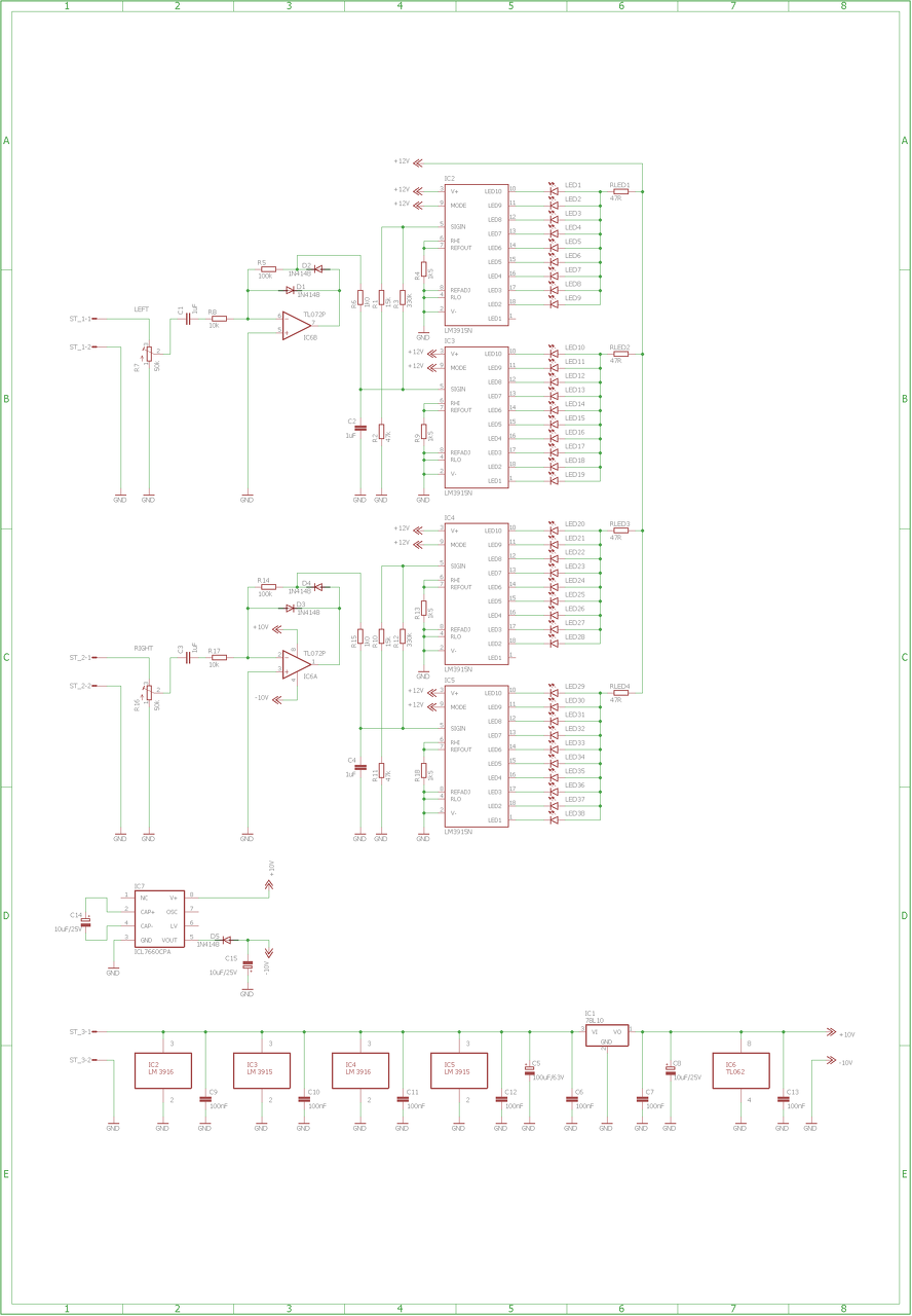
LM3915 és LM3946 IC-el megépített sztereo kivezérlésjelző. A *.lay file teleföld kialakítású.
a lay fileben van egy kisebb hiba, javítom, és újra felteszem.
Javított lay fájl
Az ic-k direkt vannak tükrözve?
IC-k tükrözve??? nem értem a kérdést! hacsak nem arra gondolsz, hogy "bottom" és "top" oldal felől nézve persze hogy más az IC-k beültetési nézete, mivel a panel kétoldalas.
A hozzászólás módosítva: Máj 23, 2017
Általánosan elterjedt szokás a panelt a "felső réteg" irányából nézve tervezni. Szintén szokás a lábas alkatrészeket felülre az SMD-t meg alulra tenni a rézoldalra. Ez 1 oldalas panel esetében világos és egyértelmű szabály/szokás. 2 oldalas panel esetében már kevésbé egyértelmű a helyzet, de ha csak lehet itt is érdemes az alapszabályt követni, mert egyébként könnyen bele lehet keveredni a rétegekbe, irányokban és a helyes tükrözgetésekbe.
Ha a fenti szokást elfogadjuk, akkor nálad az IC-k az alsó oldalra kell kerüljenek, ami szokatlan. Erre utalhatott a hozzászóló.
OK! Kétoldalas nyák terv. De nézzük a lay file "bottom" részét: C2 - réz oldal (alul - zöld), S1 alkatrész felül - piros, S2 alkatrész alul - sárga. A lay file "top" rész: C1 - réz oldal (felül - kék), S1 alkatrész felül - piros, S2 alkatrész alul - sárga, és az alkatrészek ezért tükröződnek, nekem így világos, és érthető.
A hozzászólás módosítva: Máj 23, 2017
Én csak mérsékelten akarok ebbe belefolyni. A színekkel óvatosnak kell lenni mert átállíthatóak, nálam sem az említettek vannak beállítva.
De a lényeg, ha az IC-ket az S1 oldalra teszed, akkor azok 1-es lába nem jó helyen van, éppen fordítva kellene állnia. Éppen erre célzott a megszólaló itt.
Szia!
Mikor az LM3915 valamennyi LED-et meghajtja (jellemző üzemállapot), 12V tápfeszültség és a 8mA-re állított LED-áram esetén 800mW-ot disszipál. Az IC jó forró lesz tőle. A közös anódba iktatott ellenállással szoktuk mérsékelni. Ha LM358-cal csúcs-egyenirányítasz, nem kellett volna szimmetrikus tápot előállítanod. A részletek az LM3914 témában találhatók. Ettől függetlenül szép munka, gratulálok!
Alkotó és reloop hozzászólására:
Ténylegesen okosan kell bánni a színekkel, próbáltam javítani, hozzászólásokat figyelembe venni, ezért az adott oldalra ráírtam: "BOTTOM" és "TOP" feliratokat is. A közös anódba beiktattam egy-egy ellenállást IC-ként. Valószínű így is lesz olyan hozzászólás, amely ezt a változatot is kritizálja, de ebből tanul az ember. A feltett lay fájlok smd és hagyományos alkatrészekkel lett kialakítva, kapcsolási rajzot az átalakítás miatt később felteszem.
- Mi a korrekt módja a kivezérlésjelző beállításának?
- Az erősítő jel bemenetére tettem, de a hangerő potencióméterekre. Ez így korrekt? Mert kis hangerőn nem mutatna szinte semmit sem.
Attól függ mire akarod használni, mire akarsz következtetni a kijelzésből.
Akkor ki hova szokta kötni és miért? Milyen beállításokkal?
Szia Én a bemenő jelre szoktam kötni, hogy lássam mekkora jelet kapa végfok és úgy vezérlem ki. Tehát nekem mindig jelez a ledsor még akkor is ha halkan hallgatom(már csak a látvány miatt is).
A beígért kapcsolási rajzok:
Sziasztok!
Még ITT írtam arról, hogy készítek egy újabb, számomra szimpatikus elrendezés szerinti LED-es kivezérlés jelző panelt Proli007 Dinamic2 csúcs-egyenirányítóját felhasználva. Ha valakit érdekel a nyákterv azt is szívesen megosztom. Működik a kapcsolás, a problémám csak annyi vele, hogy DOT módban a kijelző első LED-je halványan mindig világít, ha a kijelzési szint „már túl van rajta”. Töltöttem fel videót, azon látható (Figyelem: balról a legelső LED a bekapcsolást jelző fény, annak világítani is kell, a következővel van a gondom): Video_1 Video_2 Én gyanítom, hogy ez a probléma az alkalmazott LED miatt van. Én nem tudom milyen LED ez: 2V-on ”parázslik” és 2,4V-on 1mA felvétele mellett már bántóan nagy a fénnyel világít. Az egész kapcsolást 6V-ról üzemeltetem, mert magasabb tápfesszel kiégne a retinám. Alacsonyabb tápfesz esetén pedig az utolsó LED nem gyullad fel. A videón látható, hogy egy sötét plexi mögött van, és még így is nagy a fénye. Lehet ezzel a problémával valamit kezdeni? (Tudom diffúz ledek kellettek volna, de ezt kaptam )
Így néz ki "szendvicsben:
Hello! A hibát egyszerű dolog okozza. Az 1-es Led áramkörében vannak belső elemek. Ez egy minimális alapáramot jelent az 1-es lábon. Ha oda egy nagy fényerejű Led-et teszünk, ez a kis áram láthatóvá válik. De megszüntethető, a Led-el párhuzamos ellenállással, amin ezen az áramon akkor a feszültség esik, ahol még nem nyit ki a Led. (Output Leakage pin1 150uA. Tehát egy 10kohm már megfelelő lehet)
A Led-ek áramát a referencia kimenet terhelése határozza meg. Tehát a referencia osztó értékeinek növelésével (arányt megtartva) beállítható a szükséges áram. De a belső kb. 28kohm-os osztó ellenállásának terhelését is figyelembe kell venni. A Led áram megközelítően a referencia terhelőáramának 10-szerese. De mind két probléma az adatlap tanulmányozásával érthetővé válik és orvosolható.. A hozzászólás módosítva: Jún 8, 2017
Szia! Köszönöm a segítséget! Az első LED-el párhuzamosan kötött 6,8K-s ellenállás megoldotta a problémát, (a 10K sok volt) már csak akkor világít a LED amikor kell neki.
A referencia osztóba is belenyúltam, 1K/1,5K-ról elmentem egészen 47K/68K-ig, de csak annyi változott hogy adott bemenő jelnél 7 LED helyett csak 4 gyulladt fel, változatlan fényerővel.
Hello! A tisztánlátás kedvéért tekintsük át a referencia feszültség beállítás módját..
- Eredeti felállásban az osztó R6=1k R8= 1,5k. A belső szabályzó A Ref-Out és Ref-ADJ lábak között mindig tipikusan 1,28V-ot állít be. (Soha ne feledjük, hogy minden paraméternek van toleranciája!) - Így az ide kötött 1k ellenálláson 1,28mA áram folyik át és 1,28V feszültség esik rajta. - Tekintve hogy az R8 sorban van az R6-al, az R8-on is át folyik R6 árama. De az ADJ szabályzó lábnak is van saját árama, ami "kifelé folyik". Tehát az R8-on folyó áram így IR8=IR6+Iadj lesz. Az "Adjust Pin Current" 75..120uA lehet, tipikusan ez 80uA körüli érték szokott lenni. Így az R8-on folyó áram 1,28mA+0,08mA=1,36mA. Az R8-on eső feszültség így UR8=1,5k*1,36mA=2,04V. - A tényleges referencia feszültséget a két ellenálláson eső feszültség összege adja. Uref=1,28V+2,04V=3,32V lesz. - A Led-ek áramát a Ref-Out terhelése határozza meg, vagy is annak kb. 10-szerese lesz a tényleges Led-áram. Tekintve hogy az Rhi és Rlo lábak között található belső osztó a referencia feszültségre csatlakozik, így az osztó árama pluszban rájön a referencia terhelésére. Vagy is az 1,28mA áramhoz, még hozzá jön az osztó árama is. - Az osztón a 3,32V referencia lesz, az adatlap szerint az osztó ellenállása tipikusan 28kohm. 3,32V/28k=0,118mA. Vagy is a referencia terhelése 1,28mA+0,118mA=1,4mA lesz. Ennek tízszerese a Led-eken átfolyó áram. Avagy az most 14mA körüli érték lesz. - Ha az osztó értékeit megváltoztatjuk, az áram is változik. De figyelembe kell venni, hogy a referencia osztó áramhoz képest, az ADJ és belső osztó áram a egyre nagyobb hatással lesz, ha azt drasztikusan növeljük! - Nézzük meg ez alapján mi történik, ha 47k/68k-ra változik a referencia osztó értéke. (Most már kicsit "gyorsabban". IR6=1,28V/47k=0,027mA. IR=0,027mA+0,08mA=0,107mA R8 feszültsége 0,107mA*68k=7,27V. Referencia így 1,28V+7,27V=8,55V. - Látható, hogy a 3,32V referencia drasztikusan emelkedett és ez egyben oka, hogy a csúcsegyenirányító nemképes az IC-t kivezérelni maximumig. - A belső osztó árama 8,55V/28k=0,3mA. A referenciát terhelő áram 0,3mA+0,027=0,327mA. (Látható hogy a referenciaosztó áramához képest a belső osztó árama már tízszer nagyobb..) A Led-ek árama így 0,327mA*10=3,27mA lesz. Vagy is bár az osztó értéke a 47-szeresére nőt, a Led-áram 14mA-ről csak 3,27mA-ra (mindössze a negyedére) csökkent. - Összegezve.. Ha a nagy fényerejű Led-ed mondjuk 2mA-es (vagy is azon már jól világít) , akkor bár elviseli a 14mA áramot, de a 14mA-ről 3,27mA-re csökkenő áram alig okoz nála fényerő csökkenést. Mert egy adott áram felett a fényerő növekedés már nagyon kicsi a Led-eknél. (Ez persze lehet néha pozitív is, de jelenleg tényleg az van, hogy jobban jártál volna a diffúz Led-ekkel a "szemkiszúrós típusú" Led-el szemben..
Csak általában egy kis szakmaiság miatt: izzók, LED-ek stb. amely eszközök fényt bocsájtanak ki elektromosság hatására, de nem gyulladnak ki, hanem egyszerűen csak világítanak ...
A hozzászólás módosítva: Jún 9, 2017
Köszönöm, hogy ennyi energiát fektettél abba, hogy megértesd velem a problémát, minden világos (ugyebár a belső osztó ellenállásával nem lehet mit kezdeni). Ez a LED már 1mA-es áramfelvételnél is szinte vakít. Másoknak is tanulságként: ebbe az alkalmazásba nem megfelelő a nagy fényerejű LED. Ez mondjuk már így marad, kap egy jó sötét plexit az előlapra és bízunk benne, hogy kibírják a LED-ek. Már annak is nagyon örülök, hogy sikerült az "első LED problémáját" orvosolni Üdv!
A hozzászólás módosítva: Jún 12, 2017
A kivezérlésjelzőm: Bővebben: Link
A spektum analizátorom elkészült.
Felfele túl gyors, lefele meg lassú, meg szerintem sok a sárga. Egyébként szép nagy!
Rajza? A hozzászólás módosítva: Júl 29, 2017
A lefelé időt lehet gyorsítani, vagy lassítani, de a felfelét nem tudom.
Ott a 10µF-os kondikat kell kicserélni kisebbre. |
Bejelentkezés
Hirdetés |




.



) 










