Fórum témák
» Több friss téma |
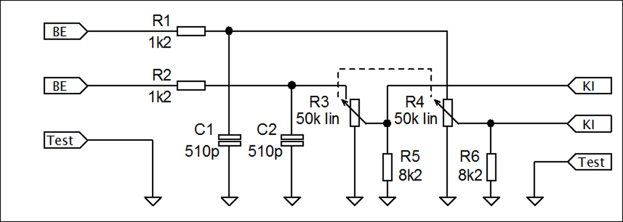
Leellenőriztem, az sem volt jó pozícióban. Van még valami elkefélés ebben a NYÁK ban? Köszi, hogy figyelsz a figyelmetlenségemre.
Most kissé elbizonytalanodtam. Eljutottam abba a fázisba, hogy meg kellene tervezni a jlh házát. A youtubon néztem meg, más mit mókol össze. Es itt tűnt fel, hogy sokan meglepően kis bordákat használ. Egy gyönyörű Hiranaga építés pl. Egészen normális bordákat használ. Most akkor mekkora legyen az a borda? Beszereztem egy hatalmas peldanyt, van vagy 4 kg. A talp resze 10 mm. Ezt el kéne kétfele vagni, de géppel, hogy szép legyen. Mivel lehet egy alutombot elvagni, milyen szakembert keressek? Győr környéki vagyok, tud ebben valaki segíteni?
Sok fogú körfűrésszel, amo alkalmas alu vágásra. Gyönyörű felületet ad. Egy asztalos is képes rá, ha van ilyen lapja, és hajlandó... Otthon nincs körfűrészgéped?
Nem, nincsen. Körfűrész? Most ez komoly?
Szia, nekem is volt egy hasonló nagyméretű bordám. Esztergályost ajánlanék, nekem is ő oldotta meg.
Elfelejtettem írni: amilyen pontosan csak tudtam itthon ketté vágtam sima vas fűrésszel, majd utána az esztergályos mindkettő hűtőbordát (a vágási oldalon) milliméter pontosan le síkolta. Ahol végeznek hengerfej felújítást, ott biztosan meg tudják oldani.
A hozzászólás módosítva: Máj 18, 2017
Nos, sikerult feleleszteni az elkészült paneleket. Tulajdonképpen semmi dolgom nem volt vele. A nyugalmi áram 1,4 Amper, A feltapfesz magától beállt. Igaz, nem trimmek vannak benne, hanem fix ellenállások. Igaz, azt ki kellett cserelni 2wattosra, mert elegge futott..Most langyos. Bar csak 10wattos, de azt igen bika modra teszi. Az Orion nagy erositolye 60 wattot tud, de ez a picur pariban van vele. A hóangja akkor lett igazi, amikor elerte a 65 C fokot. Egy lezeres kutyuvel mertem. Mivel ez sok időbe telt, addig is hallgattam rajta szamokat. Egy DVD-Audio player adta a jelet, Elsokent Fausto Mesosela gitarjatéka volt ami elbűvölt. Ez egy koncertfelvétel, 192 khz24 bites rögzítés. Teljesen elhitette velem ez a cöppség, hogy Madridban, a koncert helyszinén ülök. Ilyent soha nem hallottam. Masodjára egy igen regi analog remaster Luis es Ella legendas felvétele lepett meg.Ez a felvétel analog lett rogzitve, es ket magnoval, a stereo vegett. Az Orion is nagyon szepen hozta magat, es amikor hallgattam, mindig csodalkoztam, hogy nincs szalagzaj. Hat itt volt. Nagyon halkan, de volt. Itt hallottam először olyant, hogy a zene a hangfalakon kivul is szól. Pontosan mutatta, hol bőg a bőgő, És hol van a zongora. Aztan mar 60 fokon jott Santana Shaman c. Albuma, 96khz en. A Sex c. Szamban van egy elementaris basszus szekcio, amit az Orion is lekozolt. De a JLH erre is ratett egy lapattal, es a basszus megutott. Nem tudom maskent fogalmazni. Utott. Az asszon kiment megnezni az ajtot, mert valaki rugdalja. Mindezt 4 db 30 eve vasarolt BDY73 tranyok muvelik. Brummot nem tapasztalok, a hangfal nema csendben van. A tapagban 22000 uFarad van oldalankent. Egy 180 wattos toroid 24 v Ac hajtja, ami ket egyeniranyitora mégy, es kulon pufferre. Hangero nincs, a DVD jatekoson allitom a hangerőt. Meg csak deszkaszinten megy minden, a dobozolas varat magara. Ha kkor is ilyen elbuvolo marad, igerem, kap egy csoves elofokot. Hogy miert? Mert megerdemli. Amiben nem tetszett, AC DC Blak and White. Elég zúzós lemez, ott az Orion volt a jobb. De erdemes meghallgatni egy Qeent mondjuk a Barcelonat, az valami eszméletlen, amit Monsterrattal előad. Vagy webber Az operaház fantomja 192 khz en. Forr a levegő az enekesek korul, Az Orion pironkodva rebegte, hogy kerem, mar elmultam 30 eves. Talan nemi kondicsere utan megmutatnam ennek a csitrinek. Konnyű Rifakkal a kimeneten hőbologni.
Hat ennyit a kis Menő Manórol.
Talán tudna valaki segíteni: Napok óta túrom a NET-et, egy darab alu L idomért. A gugli elég sok találatot adott, ahol lehet venni ilyen idomot. Csak a bökkenő az, hogy vagy 3 vagy 6 métert akarnak mindenhol eladni. Nekem pedig a bedobozolásra váró JLH-m nak mindössze egy 20 cm es darabkára volna szüksége. Ekkora méretet pedig egyik nagyker sem ad. Szóval a kérdésem, hogy Ti hol szerzitek be eme becses portékát? Most joggal kérdezhetitek, hogy akkor hogy a manóban próbáltam ki az erősítőt. Háááát kérem khm szóval izé, feltaláltam a vízhűtése erősítőt.
A panelt tranyókkal egy darab 2 es alu lemezre szereltem, jó nagy zászlóval, és az egész zászlót beleengedtem egy fazék hidegvízbe. Kb. 2 óra hallgatózás után a vízhűtéses JLH 65 C fokra melegítette fel a vizet. Kéretik nem röhögni, és a világért le nem fényképezném. De így nem maradhat, mert a víz megposhad, és büdös lesz. Szóval a kérdésem, hol lehet venni méretre vágott alu szögidomot, kb 4 mm falvastagságút, hogy az erősítőm ne csak óceáni, hanem szaharai körülmények közt is működjön??
Olyantól kell venni, akinek van lehetősége kisebb darabot is vágni, eladni. A lehetőségek száma elég nagy, de pl. én vettem régebben egy szálat, és azt szeletelgetem. Akár neked is vághatok belőle.
Ha tényleg megtennéd, meg köszönném, meg fizetném is. Nekem mindössze egy 20-25 cm es darabra volna szükségem. Érdeklődtem előlapnak való után, 5 mm es vastagságúra gondoltam, de csak táblát adnak, de azt is elmondták, ha 10 mm es jó, azt már méretre tudják vágni. Utána szálra csiszolom, nátronlugban maratva szép felületet kapok. Akárha eloxálnám. A szögidomot priviben. dvdaudioguru@gmail.com
Ha budapesti vagy, vagy könnyen eljutsz oda: Bronzker Bt. Itt bármekkora darabot vágnak, ha van a keresett anyag.
Persze Budapesthez közelebb van, de azért elég messze. ~130 vs. ~150
Veszprémvarsány mellett egy pici faluban lakom. A legközelebbi nagyvaros Győr, a maga 40 km es távolságával.
Szia! Ha jó neked Székesfehérváron adok ennyi ALU profilt ajándékba.
Jól hangzik. Csak Alkotó Úr nehogy megharagudjonDe ha neki nem gond.... Az elsőség az övé.
Nekem teljesen jó ha Hapróval megegyezel. Én a profilokért, a vágásért és a postáért is elkértem volna azt, amibe nekem is benne van. De ha esetleg nem jön össze Székesfehérvár, velem még utána is próbálkozhatsz.
Szevasz, megoldható postai uton? A költségeket allom! Pease! Ha nem, akkor persze elmegyek érte.
Privátban megbeszélhetjük a részleteket. Még mielőtt.... A profil keresztmetszete 50x50mm és 4mm anyagvastagság, sarkos, nem íves a tövében.
A hozzászólás módosítva: Máj 23, 2017
Persze, természetesen. Skype? Vieber? Whatsapp? Mail. dvdaudioguru@gmail.com. A méret több mint tökéletes. Anno amikor quadokat építettem, ezt a meretet használtam, de az 30 éve volt. Te jó ég! Igazából Alkotó Úr gyönyörű Otala erősítője hozta meg a kedvem az erősítő építésre.
Na tervezem közben a dobozt, és két dolognál elakadtam. Igény lenne egy fejhallgató kimenetre, amit nem tudok, hogy miként is valósítsam meg, hogy ne menjen tropára se az erősítő, se a fejhallgató. Egy Boose fejhallgatót nem akaródzik hazavágni. A másik, kellene egy hangerőszabályzó is. Mekkora értékűt javasoltok bekötni? Egy DVD-Audio játékos hajtaná meg.
Senki nem tud rá megoldást?
10-100kohm-ig bármi megfelel hangerő szabályzónak. A fejhallgató kimenet roppant egyszerű, 220-560ohm közötti értékű ellenállást tegyél sorba a kimenetre.
Ezt a "DVD-Audio játékos" kifejezést légyszíves hanyagold, mert a hátamon futkos tőle a hideg.
Köszi! Egy 1/2 vagy 1 w os ellenállás megfelelő?
Javaslom az 1W vagy akár nagyobb teljesítményűt.
Pioneer megoldása szinte biztosan megfelelő lesz.
De a hangtechnika világában vannak misztériumok bőven, amik egy rész indokolható, egy része nem annyira. Az egyes hatások valós jelentősége és a hangképre gyakorolt hatásosság azonban nagyon kevéssé bizonyított. Mégis kiemelnék két sajátosságot részben neked, részben a többi olvasónak is, nyomatékosítva, hogy ezek valódi jelentősége csekély. 1. Más-más fejhallgatót használva, eltérő hangerőre számíthatsz, de ezt könnyedén kompenzálhatod a hangerő potméter tekergetésével. 2. A soros ellenállás egy osztót képez a fejhallgató impedanciájával. De ennek az osztónak az egyik tagja egy "hangszóró", ami huncut eszköz. Még nem mértem fejhallgatóban lévő hangszórón impedanciamenetet, de ha feltételezzük a normál hangszórókéhoz hasonló diagramot, akkor jelentősen változni fog az osztás mértéke a frekvencia függvényében. De ezt meg kell hallgatni, mert akár ez a hangkép még jobban is tetszhet mint az eredeti. A fejhallgatósok zöme szigorúan külön erősítőt használ a füleshez, ami éppen ehhez készült. Aztán ki tudja miért van ez így, indokolt-e valóban, vagy esetleg más misztikus oka van. Pl. ez egy ilyen lehetőség.
Ez pontosan úgy van, ahogy Alkotó leírta. Az én tapasztalatom szerint általában mélykiemelés történik. Viszont ez a jelenség csak az aszimmetrikus táplálású, ebből adódóan kicsatolókondenzátoros erősítőknél jelentkezik. Mivel a kimenet így egy RLC kör lesz.
Sziasztok!
A JLH-m elé tettem egy csöves buffer fokozatot,és még ez elé tettem a sztereó B-s hangerő szabályzót 100kohm-osat. Jól van bekötve biztosan és a poti is jó,de a hangerőt az első egyharmad részében szabályozza csak,azután végig max hangerő. Gyanítom a poti értékét kellene változtatni,de nem tudom hogy nagyobb értékűt vegyek vagy kissebbet?! Köszönöm a segítséget!
Szia! Ha a csúszka a középállásában felezi a potenciométer ellenállását akkor ez lineáris. Neked logaritmikusra van szükséged.
A lineáris poti úgy alakítható logaritmikus jellegű szabályzásúra, hogy a csúszka és a test közé bekötsz egy a poti névleges értéke hatodának megfelelő ellenállást. Ez a 100k-s potinál 15k. Saját erősítőimben már kizárólag ezt a módszert használom. Bővebben: Link. |
Bejelentkezés
Hirdetés |





Hat ennyit a kis Menő Manórol.
A panelt tranyókkal egy darab 2 es alu lemezre szereltem, jó nagy zászlóval, és az egész zászlót beleengedtem egy fazék hidegvízbe. Kb. 2 óra hallgatózás után a vízhűtéses JLH 65 C fokra melegítette fel a vizet. Kéretik nem röhögni, és a világért le nem fényképezném. De így nem maradhat, mert a víz megposhad, és büdös lesz. Szóval a kérdésem, hol lehet venni méretre vágott alu szögidomot, kb 4 mm falvastagságút, hogy az erősítőm ne csak óceáni, hanem szaharai körülmények közt is működjön??
