Fórum témák
» Több friss téma |
Ha csak a feszültséget kapcsolod le, az rendkívül minimális mértékben fog "fékezni", nem is mondanám fékezésnek, az kb olyan lesz, mint a szabadonfutó. Ahoz hogy fékerő jöjjön létre, le kell terhelni a motor villamos kivezetéseit, ez a lényege, azt hittem egyértelmű a leírásom.
Az általad említett gép féktechnologiáját pedig a szakszervíz és a gyártón kívül nem hinném, hogy bárki is ismerné, mivel van több féle módszer is ahogy előzőekben láthattad. Egyébként meg igen lehet olyan vezérlőket rendelni, csak keresni kellene: Elektromos kerékpár vezérlő ABS-el... Keresőkifejezések: ebike controller abs
Nem tudom, hogy van -e itt még élet, de dobok pár képet hogy áll az eChopper -em.
Elkészült a motorfelfogató konzol, és még valami lábtartót majd fabrikálok rá... A hozzászólás módosítva: Júl 15, 2017
És még pár kép...
Csak hogy lássátok hol tart az elektromos kerékpár építésem.
Még több információ az említett topicban lesz elérhető a projekt előrehaladtával... eChopper projekt...
Szia. Kicsit késve, de elkészült a rajz. Bocsi, csak ép nyaralok. Remélem érthető a rajz. A fotón le van kötve az aksi. Van még több kép is, ha kell valamiről.
Másnak írom, hogy képben legyen: http://www.hobbielektronika.hu/forum/topic_post_2079925.html#2079925 üdv A hozzászólás módosítva: Júl 16, 2017
Üdv valaki tud elektromos kerékpár szerelöt hajdú bihar megyébe ?
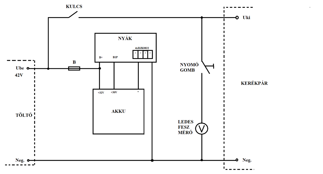
Ez nekem valahogy nem stimmel, a rajz szerint az akkura valóban csak három kábel megy?
Hány cella van sorbakötve? Mert ha a rajz helyes, akkor ez az áramkör maximum alul és túlfeszültség, valamint túláramvédelmet tud ellátni csak. Töltés közbeni cellabalanszálást pedig nem is tud, pedig lítium alapú aksiknál ez alap lenne...
Helló. Az akkura valóban 3 vezeték megy. Csatolok még egy képet, azon is jól látszik. Hővédelmet is ellát valószínűleg, mert ott van egy hőszonda a panelen. 3,2V-os cellákból áll a pakk,akkor gondolom 10 van sorba kötve(esetleg 11). Nem feszegettem szét. Az IC-re G4EH van írva, 6 lábú SMD IC. Más nincs rajta.Én nem találtam meg kódtáblázatból, hogy mi lehet.
Sziasztok!
Feszültség szabályozó kapcsán lenne kérdésem ami a szakavatottak számára minden bizonnyal nevetségesnek bizonyul, azonban egyetlen szakit sem tudtam keríteni én meg nem értek hozzá. Egy egyedi építésű 50 ccm motorom van amin volt egy valamilyen feszültség szabályozó (nincs márkajelzés, semmi) és mivel egyedi motor így alkatrészkönyvekre sem tudok hagyatkozni. Na most kiment a fesz. szabályozó rajta és lett véve egy másik. A kettő között az egyik különbség a vezetékek szín szerinti sorrendje. Bekötéskor mit kell figyelembe venni? A vezetékek sorrendjét (tehát hogy pl a bal szélső mindig az aksira megy, stb) vagy a vezetékek színét (a piros mindig aksi, stb)? Képeket csatoltam. Az én elképzelésem szerint a zöld helyére a zöld kell kerüljön és így tovább, de nem mertem kötözni amíg nem kapok egy választ. Előre is köszönöm ha valaki válaszol!
Hello!
Valószínűleg rossz fórumba tévedtél ! Ez nem a robbanómotorosok fóruma! Nem biztos, hogy jó az elképzelésed...az adott motorhoz vásárolt feszszabályozó csatlakozójának a lábkiosztása számít. Először is értelmezd, hogy a saját motorodon a régi cucc melyik kivezetése mely pontokra volt bekötve. Ezután következhet az új feszültségszabályozóhoz tartozó motor(robogó) kapcsolási rajzának tanulmányozása és összevetése a sajátoddal... Bonyolultnak hangzik ? ![]() De találni a neten leírásokat, hogy egy műszer segítségével, hogyan lehet ezeket a kivezetéseket beazonosítani... A hozzászólás módosítva: Júl 19, 2017
Csak ismételni tudom magam, az IC valószínűleg az alulfeszültséget érzékeli. Emellett maximum tulfeszültség védelmet, túláram védelmet és a hőmegfutás védelmet tudja az áramkör csak.
A helyedben nem sakkoznék ezzel tovább (mivel lítium alapú akkukról van szó), inkább beszereznék egy olyan védőáramkört, ami ezen kívül a balanszálást is megoldja. És mielőtt újra használatba venném, még előzőleg a cellákat egyesével tesztelném... Egyébként létezik ez az IC többféle kóddal is, de hogy melyík mit takar, azt kb csak a gyártó/forgalmazó tudja megmondani adatlap nélkül. Ha van kedved, vedd fel a kapcsolatot vele, hátha tud küldeni neked adatlapot, de nem biztos hogy azzal is előrébb leszel, ugyanis az kérdés mennyire vagy jártas a javításban és az esetleges további alkatrészhibák felderítésében... LVC/LHC IC supplier...
A baj az hogy egyedi építésű így nem lehet a motor típusa kapcsán beazonosítani így az új is találomra lett beszerezve főleg hogy a "szak"üzletben úgy keresgélték hogy 4 vezetéke legyen és 50 ccm motorhoz, egyéb paraméter vagy típus nem érdekelte őket. De nem jó helyen vagyok akkor távozok is innen, köszönöm a választ!
De azt csak tudod, hogy amit vettél, az gyárilag melyik robogókhoz jó? ...vagy még azt sem? Ennek a táblázatnak a segítségével lehetne megpróbálni az azonosítást.
A hozzászólás módosítva: Júl 19, 2017
Ezzel az a probléma, hogy (bár ez csak az én véleményem) ahány gyártó, annyi színrendszer. Nem tudom sem megerősíteni, sem cáfolni, hogy ezek a kábelszínezési rendszerek szabványosítva vannak -e. Legelőször ott kezdeném, ha már újat vettél, kaptál -e hozzá bekötési rajzot? Ha nem, akkor vidd vissza és kérj hozzá, hogy be tudd azonosítani a kivezetéseket (ahogy uniman is ajánlotta). A második, hogy elviszed a gépet egy villamosság szerelőhöz (ha te a feladatot nem tudod elvégezni), aki a motorodon (akármennyire egyedi is) meg tudja mondani, hol van a dinamó/generátor kivezetése
(magyarul honnan jön a delej), és hogy hová kéne menni a szabályozott feszültségnek... A hozzászólás módosítva: Júl 19, 2017
Köszönöm a hozzászólásokat!
A fesz szabályozó nem motor típushoz volt kötve. Paraméterként a köbcenti, a vezetékek száma és hogy 4 ütemű volt megadva. Erre mondták hogy amennyiben a motorom ezeknek megfelel jó kell legyen hozzá. A rajzot én is hiányoltam, de eddig azt hittem csak az én tudásom hiányos és teljesen egyértelmű a színek vagy a vezetékek sorrendje szerint a bekötés és azért nem adtak rajzot, de ebben az esetben nincs más mint zargatni őket. Köszönöm a segítséget!
Köszönöm a választ. tehát akkor lehet ez az ABS conroller lesz a kulcsszó.
Helló. A kérdés, hogy kell-e áramkör. Ha kell, a balanszálás mit jelent, nem vagyok biztos benne, hogy jól tudom.
A balanszálás kiegyenlíti a cellák közötti feszültségkülönbséget töltés közben. Magyarul, ha két cella közt kapacitáskülönbség van (vagy esetleg egy cellapakk átmegy zárlatba), akkor balanszálás nélkül előfordulhat olyan eset, hogy a kissebb kapacitású pakk hamarabb feltöltődik mint a többi, így túlfeszültség alakulhat ki rajta mivel a töltő áramkör ezt nem tudja érzékelni, ugyanis a többi cella még nem érte el azt a feszültséget, hogy a töltési végfeszültség miatt a töltő abbahaggya a töltést. Ebben az esetben a balanszer áramkör egy kis ideig (addig amíg az adott cella feszültsége vissza nem áll 4.2V -ra), rövidrezárja egy ellenálláson keresztül, így biztosítja, hogy ne kerülhessen ezen feszültség felé. Ha a feszültség megfelelően visszacsökkent, a töltés megy tovább. Ha egy pakk zárlatos, akkor azon nem lesz feszültség, így az egész akkumlátor sem fogja elérni soha a töltési végfeszültséget, ugyanis az mindig kevesebb lesz kb 4.2V -al, így a töltő soha nem fog kikapcsolni, a zárlatos cella pedig túlforrósodik majd kigyullad/felrobban.
Tehát az én válaszom, és a hivatalos technika is azt mondja, hogy litium alapú akkupakkokhoz minden esetben kell védőáramkör ami minimum a túláram túlfeszültség alulfeszültség védelmet, és a balanszálást is megoldja. Hővédelem nélkül ugyan meg lehet lenni, de ha van benne az sem árt. A hozzászólás módosítva: Júl 20, 2017
Sziasztok!
Az mitől lehet, hogy már a második garnitúra akkumulátor púposodik fel az oldalán? Egy 36V-os Polymobil-ról lenne szó! Most 3 és fél éves. A gyári aksik kb. másfél évet bírtak de úgy, hogy olyan fél év után napi 4-5 km megtételével már minden nap töltőre kellett tenni. Az új garnitúra élete kb. ugyan így a alakult! Most körülbelül 2 évesek és mind a háromnak az oldala fel van púposodva. A gyárilag kapott töltőt használjuk a töltéséhez.
A töltés nem megfelelő (túltölt néhány cellát), vagy túl vannak a cellák terhelve amikor a kerékpárt használod, erre megoldás lenne egy nagyobb kapacitású akkupakk, vagy minőségibb cellák használat (nagyobb kivehető áram).
Hát ez így nekem egy kicsit kínai. 14 AH aksik vannak jelenleg benne.
Este 9 körül rátesszük a töltőt, reggel 5 körül indul a feleségem dolgozni, akkor már zölden világít, leveszi és ennyi. Ehhez a típushoz már nem azt a régi ventilátoros töltőt adták, hanem az újabb változatot, ebben már nincs ventilátor. Talán digitálisnak hívják!? Nem tudom. Viszont ha jól emlékszem ezek már nem tudnak túltölteni! Lehet ez így nem igaz, csak rémlik, hogy ezt olvastam valahol. A cellákat mivel lehet túlterhelni? Feleségem kb. 60 kiló, munkahelye 2km vissza 2-3km. Hazafelé enyhén emelkedik az út, de nem vészes. Ennyi amit átlagosan napi szinten használva van. Akku típusa: MotoBat 6-DZM-10 12V 14AH 20HR Töltő típusa: Hengguang Power HG6S360160 A hozzászólás módosítva: Júl 30, 2017
Szia mindenki!
Valaki hozzáértő experte tudna-e abban segíteni, hogy pár mondatban leírná hogyan kell korrektül használni az e-bike tester műszert? Köszönet
Sziasztok. Van egy komplett e-scooter elektronikám. 250W 24V motor, vezérlo, gázkar, 2X 12V 17 amperórás akkum. A motoron ilyen kis fogaskerék van, ami másfajta lácra való. Elektromos kerékpárt szeretnék belole csinálni. Naponta 2x kellene megtennem kb 3 km-t, de úgy hogy kozben tolthetem. Nemtudom jó otlet-e, de meg akarom szuntetni a pedálos meghajtás, ezzel egyutt az elso váltót is. A hátsó megmaradna. Milyen fogaskereket kellene rakni a motorra hogy elérhessem kb ugyan azt a sebességet, mintha hajtanám? Interneten nem nagyobb fogaskereket.
Hasonló fogszámú, csak a lánchoz megfelelő fogaskerék jó lesz.
Az első váltóm 3 fokozatos, a középső fokozat éleg is lenne. Ami van rajta fogaskerék, érdekes lyuk van rajta. Lehet olyat venni, vagy csavarokkal fogassam hozzá a nagyobb fogaskereket?
Az első váltó fogaskerekei túl nagyok. a motor sokkal gyorsabban forog mint ahogy te pedálozol. Ezért egy ilyen kicsi kell mint ami van is a motoron, 10-11fog körüli, csak a te láncodhoz való fajta.
Értem, köszönöm szépen. Hol lehetséges ilyen vásárlása? Olyat biztos találok hogy egyből rámenjen a motorra.
Például itt. Azt nem tudom arra a tengelyre közvetlenül kapsz-e, de mindenképp megoldható.
|
Bejelentkezés
Hirdetés |


























