Fórum témák
» Több friss téma |
Mielőtt kérdezel, a következő két dolgot ellenőrizd!
I. A helyes tápfeszültségek megléte.
II. A kimeneten van-e egyenfeszültség.
Élesztés.
Igen
e-mailra esetleg? A hozzászólás módosítva: Okt 8, 2017
Igen,küldöm privátban.
Lehetne egy teljes élesebb kép?
Illetve a panel másik oldaláról is lehetne egy teljes kép?
Már megvan a hiba. A tápfeszültség van érdekesen elosztva a toroid kimenetén, eddig észre se vettem. Már szól az erősítő de még méricskélnem kell a trafót mert jelenleg a 2x18V-os (~) végéről indult el a végfok, de van neki egy 2x31,4V~ kimenete is az volna az igazi.
Sziasztok!
Megnéztem az erősitőmben hogy melyik oldal bug ugyan is csak egyik oldala bug a másik az siri csendben van.
Sziasztok!
Szeretnék egy valami kicsit egyszerűbb erősítőt készíteni. Ez a kapcsolás működik? Bővebben: Link Előre is köszönöm a válaszokat!
Szia! Ez egy elterjed kapcsolás hibás rajzolata. Az eredeti se valami híres.
Sziasztok. Anó ott a forumon valaki feltette a kérdést ,hogy aszimerikus táphoz szeretett volna épiteni erősítőt. Volt isvalami kapcsolás râ estleg ezt valaki be tidná linkelni nekem. ? Előre is köszönöm .Teljesítmény minél nagyobb
kellene.
Szia! Íme.
Szia! Esetleg valami egyszerű erősítőt ami tranzisztoros tudsz ajánlani?
Mi a kritérium ? Mire akarod használni ? Mekkora teljesítményre van szükséged ?
Van 2db kis hifi hangszóróm és annak a tetejére szeretnék készíteni egy akkora erősítőt ami ezt meghajtaná (Bt és USB mp3-as lejátszás ez külön panelről lenne de egy dobozban). Amolyan hordozható zene "box-ot" szeretnék készíteni csak nem akkus ellátással hanem 220-ról üzemelőt. Teljesítményileg 20-30W 8ohm-on szerintem tökéletesen megfelelne.
Mivel annyira nem vagyok szaki a dolgokban, így a kritérium az annyi lenne, hogy minél egyszerűbb legyen (lehetőleg légmagos tekercs ne legyen benne) és tranzisztoros legyen. IC-s erősítőből már van itthon egy így ezért ehhez tranzisztorost szeretnék. NYÁK-ot én készíteném vasalással itthon. Alkatrész listával esetleg ha van hozzá már nyomtatható nyák az se hátrány ![]() De kapcsolási rajz alapján is el tudom készíteni ha nagyon szükséges.
Trafód van már hozzá ? Ha igen, mekkora tápfeszültséget szolgáltat, van 2 szimmetrikus tekercse vagy csak 1 a szekunder oldalon ?
Hangszóró védelem/koppanás gátlást akarsz építeni külön ? A hozzászólás módosítva: Okt 10, 2017
A kis hifi hangszóró elég tág kategória. Valami közelebbit nem tudnál róla mondani? A 20 W egy elég komoly teljesítmény, biztos kell akkora?
Nincs még hozzá. Igen de csak is külön így ha valamit rosszul csinálok nem vágok mindent haza csak azt az egy panelt
![]() Reloop:Aiwa NSX-R21 hifi hangsugárzói. De az egyik gyári hangszóró tönkre ment benne viszont, hogy mind a 2 hangsugárzót tudjam használni, így valamilyen szêlessávú hangszorokra fogom cserélni mind a kettőt.
Bocsánat az én hibám nem ìrtam hogy 80Vdc. Tâpfeszültségem van . És is kapcsolás nem jöhet szóba.
Egyik ötletem - bár nem tranzisztoros - de minimalista, kis helyen elférő a vf3-vf6.
Egy másik reloop tollából. Harmadik lehetne a c-picur névvel futó tranzisztoros kapcsolás A hozzászólás módosítva: Okt 10, 2017
Szia! Jó hozzá. Ezek a kimeneti csatoló kondis kvázi-komplementer erősítők méltatlanul vannak elfeledve.
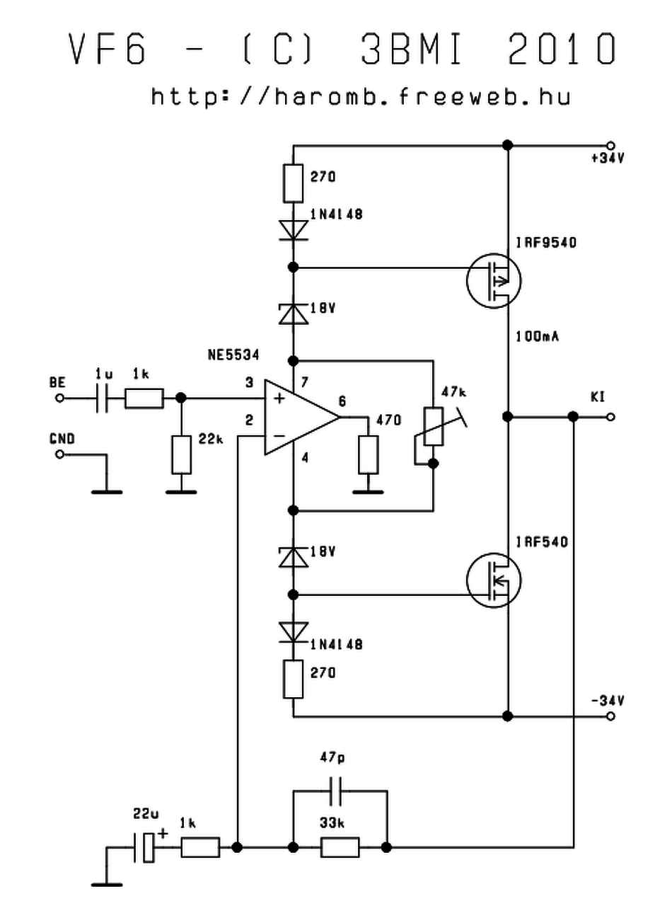
VF6-al megpróbálkoznék.
Esetleg Sprint Layout-os nyáktervet tudnál linkelni? vagy Reloop esetleg tőled kérhetek?
Helló!
Valaki ismeri ezt a panelt? Neten kerestem, de nem találtam ugyanezt a kapcsolást. Vaterán vettem egy egyveleget, és úgy került hozzám.
Használtam és ezt meg is találtam. Csak nem tudtam, hogy működő-e vagy sem a kapcsolás
![]() Esetleg olyan segítséget kérhetnék még, hogy ez a kapcsolás +-63V-ra van tervezve. Viszont nézelődtem itthon és találtam trafót. ~39,9V DC lenne belőle pufferelés után. Ehhez a feszültséghez kérhetek egy átméretezési javaslatot?! Előre is köszönöm a segítségeket
Szia! A Zener értéke a terhelt tápfeszültségtől 16 V-tal legyen alacsonyabb. Ha nem tudsz ilyen jellegű mérést elvégezni, akkor 4 V számolj még rá. Az nagyjából 20 V-os Zener-t jelent az említett trafóval.
Zenerek értékén kívül a többi megfelelő?
Ezen kívül a visszacsatolást lehetne még babrálni, a magam részéről lazítanék rajta.
A témájában keress erről információt! |
Bejelentkezés
Hirdetés |


















