Fórum témák
» Több friss téma |
Fórum » 3D nyomtatás
Fémet már öntöttem, látogass el a web oldalamra a 3D nyomtatás gombra kattintva.
WEB oldalam Nem nagy szám csak még nem tudtam felhasználni valamihez a technológiát.
Ez nagyon jó.
A H-bot-om úgy rajzoltam hogy elég legyen lézerrel kivágni megfelelő anyagból. Nyilván ezek miatt van jó rossz tulajdonsága a dolognak. Viszont ha rajzolhatnám az alkatrészeket "szabadabban"....
Már a filamentett is koppintják a kis kinaiak, persze a megszokott gagyi minőségben.
![]() amint sikerül teszek fel képet.
Van olyan open source szoftver pl raspberry pi -re amivel egy gyantás SLA LCD megvilágításos printert tudnék készíteni?
Köszi, meg lehet építeni kisebbet mint a w i7? Például raspberry pi2 és csak a hozzá kapható 1920x1080 pixeles kijelzővel?
nanodlp.nek van demo oldala talán valahol, de raspira pillanatok alatt felvarázsolható, és
ott látszik hogy minden konfigurálható, a felbontás, expoziciós idő stb.. LCD-vel a fényerő kontraszt a gyenge pontja a dolognak, Azért szoktak projektort vetíteni mert így lehet akár egy másodperc egy réteg....(Azért ebbe érdemes belegondolni..) De inkább a két sík felület az ami a buktatója ennek a nyomtatásnak.Különben van számítás arra hogy milyen felbontásnál mekkora távolságból milyen resinnél mennyi idő kell, ill. a tárgy legjobb felbontása is. ui.: Szerintem nem éri meg a fáradságot. (Ha ilyen kéne tuti inkább vennék.)
Letöltöttem az sd kártyára a nanodlp-t, úgy néz ki elindul csak nem tudok vele kapcsolatba kerülni a hálózaton, a nanodlp-network.txt próbáltam beállítani a hálózathoz de pingelni sem tudtam, próbáltam dhcp-vel:
iface eth0 inet dhcp de a sztatikus ip cím beállítással sem ment az otthoni hálózathoz: iface eth0 inet static address 192.168.0.4 netmask 255.255.255.0 #gateway 192.168.0.1
Üdv ,
Egy kérdésem volna ilyet használt már valaki, érdemes megvenni?
bocs de ez már erősen linux/raspi kérdés, nem tudok benne segíteni.
Jó lett a LAN kábel volt rossz átvitelű.
Érdekes alkalmazása a 3D-s nyomtatónak. 50%-os kitöltéssel készült a darab, hogy lebegjen a vízben. A nyomtatót nem én készítettem (Anycubic I3 Mega)
20*20*20cm bedméretű prusa i-3 hoz hasonló felépítésű nyomtatóthoz, milyen motorak, motorvezérlőt, nyák-ot, fejet ajánlotok?
Kb. 20-30 ezert szánnék rá. Válaszaitokat előre is köszönöm.
Ennyiért szerintem semmit..
Négy "normálisabb" motor kerül kb. ennyibe. Vezérlőnek Ramps 1.4 érdemes legalább venni azzal nem lehet nagyon mellé lőni. 1Nm ami kb elfogatható a motornak Nema17. Bár feedernek én áttételest vennék, azzal már nem lesz gond.
Ennyiből én vennék egy diy kit-et és kitermelném a vasat és elektronikát. Mostanság 40e körül megkapható egy plexivázas kit, a vázat átépíteném és mehet bele a többi motyó.
Mocit a Bővebben: Link-ről szoktunk rendelni, 5-ös pakkban, eu raktáras, 40-50Ncm közötti szvsz doszt elég nyomtatónak, jó minőség, korrekt csomagolásban jön,stb. Utoljára 20e alatt megállt a pakk szállítással, a nyári alacsonyabb árfolyamokon. E3d v6 fejből is ki lehet mazsolázni jó minőségűt aliexpressen. Ramps, mega, driverek, alu fűtött asztal,esetleg egy lcd és vagy octoprinthez raspi, végálláskapcsolók, tyúkbelezés, egy értelmes táp (pl használt atx), összejön bő 30-ra a vége ha kiszámolod. De jól mondja HERC, 30e-ből cakk-pakk nem jön ki minden elektronikai motyó.
Most vettem néhány tekercs ABS anyagot , de még nem próbáltam. Ránézésre jó minőség. Meglepően sok féle műanyag fajtából vannak szálaik. Eddig csak PLA-val nyomtattam, az ABS új lesz nekem. Innen rendeltem.
Jól néz ki az ára. És ha a színek is tényleg ilyenek akkor legközelebb tuti
vásárolok itt én is.
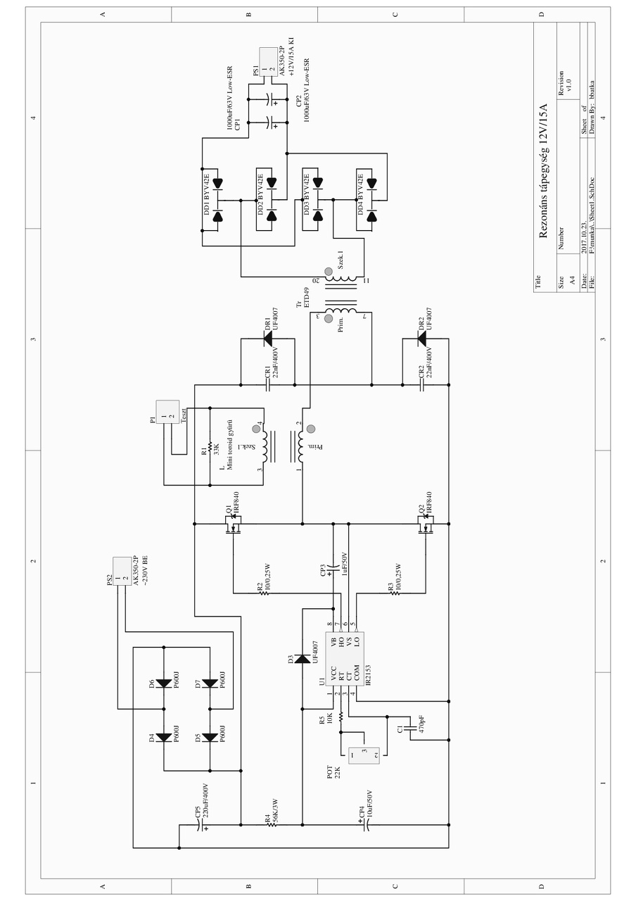
A képen látottól lényegesen kisebb borda volt a feteken. Forró volt, de még meg tudtam fogni. Talán 20s ig ment a 110W terheléssel. Szerintem a ventilátorra nincs is szükség. Nem én fogom használni. Akinek készül az autós kompresszor működtetéshez fogja használni. Nekem ilyenem nincs itthon. Remélem az induktív terhelés nem fog gondot okozni. BYV42E diódák vannak a kimeneten. 200V-ot bírnak. A doboz PLA-ból készült. A 3D-s nyomtatást most kezdtem. A PLA-val kapcsolatban inkább az éghetőségtől félek. Meg lehet gyújtani, igaz nehezen.
Köszi a gratulációt. Nincs visszacsatolás. Az áramváltó csak a méréshez kellett. A hozzászólás módosítva: Dec 10, 2017
A PLA-val az a baj, ha hőt kap, akkor vakarhatod ki a panel a trutyiból. Bővebben: Link
Ahogy látom az árammal nem lesz baj, mert ha jól gondolom, akkor ez egy rezonáns táp. A hozzászólás módosítva: Dec 10, 2017
Majd mondom a tulajnak hogy ne hagyja kint a napon. Nem gondoltam hogy a PLA-nak ilyen alacsony a lágyulási hőmérséklete.
Azért az a videó egy kissé túloz.
Igaz, hogy az ABS magasabb hőfokon lágyul, de lévén a PLA minimális nyomtatási hőmérséklete 195 fok így a lágyulásához is kell vagy 70-80 fok. Ilyen hőmérsékleten pedig nem masszírozná ilyen boldogan.
Sziasztok! Tudnátok nekem segíteni? 3D nyomtatót szeretnék építeni. De nem akármilyet 3db CD olvasót szedtem szét amit felhasználnék az X-Y-Z tengelyekhez. Ez eddig oké. Viszont azt nem tudjátok véletlen, hogy hogyan kell ezeknek a motoroknak a 4 pólusát bekötni a motorvezérlő panelbe? Esetleg valami kapcsolási rajzot tudtok adni segítségül? Valamint érdekelne még, hogy az Arduinot azaz Ramps 1.4-et az Arduino 2560-al milyen PC-s programmal tudom működésre bírni úgy, hogy egy programon belül megoldható legyen a modellezés és a nyomtatás is. Van ilyen ingyenes PC-re való program? Válaszaitokat előre is köszönöm! További szép napot!
Szia! A 3D nyomtatásban nincs semmi tapasztalatom, de a CD mechanika nem jó semmire, maximum első cnc gyakorláshoz egy kis plotternek, mivel kb. 45mm lehet a mozgása, és még gyenge is. Szerintem a nyomtatófejet nem is tudná felemelni.
Egyébként bipoláris léptetőmotor van bennük, példa a bekötéshez.
Köszi a válaszod. Viszont a youtube-n elég sok videó van ilyen CD ROM-os 3D nyomtatókból. Nem mellesleg elég jól szuperálnak. Én csak egy kis prototípust szeretnék ezzel építeni. Aztán majd nagyobbra cserélni. De az alap ha megvan hozzá akkor már tudom bővíteni.
A hozzászólás módosítva: Dec 11, 2017
Sziasztok! A RAMPS 1.4 + Arduino 2560 kombóval alkotott 3D nyomtatómat, hogyan tudom összehozni a géppel? Sehol nem találok értelmes leírást, hogy hangolhatom, állíthatom be a rendszert. Programokat esetleg ha tudtok ajánlani szívesen veszem. Előre is köszönöm a válaszokat.
Üdv
Milyen progid van, milyen a bordáskerék osztása, trapézoród vagy menetes szárad van LCD tipusa?? A hozzászólás módosítva: Dec 11, 2017
Ez mennyire számottevő? Egy kisebb prototípust építettem. Rossz CD-DVD olvasók mechanikájából. Most ennek honnan tudjam meg a trapézorsó típusát. LCD nincs hozzá. Csak a beüzemelés lenne a lényeg az Arduinot 2560 összehozni a PC-vel. Az érdekelne kell e valami software-t rátöltenem az Arduinora? Esetleg utána ha összejön a CoM porton a kapcslat akkor a motorokat tudom tesztelni Repetier Host-ba?
A repetier-Host nem ismeri fel ? át lell állitanod com portot autómatára!
Asztán jöhet a méricskélés mivel nem tudod a motoron lévő mini trapézorsó menetemelkedését!! A hozzászólás módosítva: Dec 12, 2017
|
Bejelentkezés
Hirdetés |

















