Fórum témák
» Több friss téma |
- Ez a felület kizárólag, az elektronikában kezdők kérdéseinek van fenntartva és nem elfelejtve, hogy hobbielektronika a fórumunk!
- Ami tehát azt jelenti, hogy a nagymama bevásárlását nem itt beszéljük meg, ill. ez nem üzenőfal! - Kerülendő az olyan kérdés, amit egy másik meglévő (több mint 17000 van), témában kellene kitárgyalni! - És végül büntetés terhe mellett kerülendő az MSN és egyéb szleng, a magyar helyesírás mellőzése, beleértve a mondateleji nagybetűket is!
A vörösréz olvadáspontja olyan 1000 fok környékén van, szóval ha a 600 fokon működik, akkor nem kell ehhez ellenálláshuzal, csak megfelelő, szabályozható áramforrás.
Igen a feszültség lehet, hogy kicsi, de ha van egy normális 100W körüli trafód, nagyobb feszültséggel, és arra teszel ellenálláshuzalt, azzal működnie kell. Még fel is izzik nyugodt lehetsz...
Sziasztok!
Egy 3V3-mas UART védelmére elég lehet ez az aprócska TVS+ellenállás kapcsolás, vagy opto-zni kellene? Elvileg zavarosabb környezetben lesz, de adatvesztés nem érdekel csak az esetleges tüskéktől akarom védeni a PIC-et. (kicsit megtévesztő lehet a TVS neve de nem 6.8V a vrwm hanem 4.5)
Csak egy régi emlék.....
Valamikor katona koromban mi is készítettünk égetéssel dísztárgyakat.Jobb híján gén kapocs darabot használtunk és egy nagy teljesítményű szabályozható (0-24V) akkutöltőre volt rákötve.Addig állítottuk a töltőt amíg a gén kapocs enyhén vörösen izzott,lehetett vele alkotni.
A meleg-ellenállás huzalok meleg-üzemre vannak konstruálva, nagyobb a hőterhelhetőségük. A vörösréz a szükséges égetési hőmérsékleten meglágyul, a kanthal, cekász nem. Valamint tovább bírják az igénybevételt, könnyebb vele dolgozni. Még a citerahúr is sokkal jobb a vörösréznél.
Képen latható tapegység mért csinalja azt hogy 10w powerledet rá kötök előtét ellenállás nelkül elkezd villogni?
A 10w led chip 900 max 960mA árammal működhet .Mért adat 9.8v 920mA . Veszélyes próba 1.25A 10.5v . Nagyobb a terhelő áram 1.25A nál ezért ki-be kapcsolgat a táp.Állítsd a fogyasztást 900mA-ra ellenállással és jó lesz -de így is jó hűtést kel biztosítani a lednek.
Annak a LED-nek áramgenerátoros tápegység kell, nem ilyen. Ez feszültséggenerátoros kimenetű.
Tudom! Meg nem csinaltam meg! Van egy jó kapcsolas a novemberi rádiótechnikaban.
Sziasztok
![]() Bővebben: Link Ilyen feszültség szabályozásnál nagy probléma a logaritmikus potméter?? Mibe fog külömbözni a lineáristól??
Sziasztok! Lenne egy kérdésem bár nem biztos, hogy itt kellene megkérdeznem. Szóval van egy yl laser 303 az van ráirva 1000mw. Na most fokuszálás nélkül gyufát gyújt a cd tokot atüti . Hogy tudhatnám meg, hogy ténylegesen hány watt. Aki tud segítsen nagyon kérem. Előre is köszönöm.
Hát ha pontosan be tudod állítani, és/vagy nem kell gyakran állítgatni, akkor nem feltétlenül gond.
Különbözni abban fog, hogy nem lineáris, hanem logaritmikus a skála. Lineárisnál ha a két végpont közötti fordulat 10%-ára állítod a potit, akkor az értékének 10%-át méred a középső lábon (Vagy 90%-át, ha a másik végállásból tekersz 10%-ot.) A logaritmikus nem ilyen. Egyébként gondolom azért agyalsz ilyesmin, mert log. potid van és nem akarsz lineárist venni. Fogj egy multit és méregesd az ellenállását forgatás közben, ezzel jó eséllyel el tudod dönteni, hogy alkalmas-e a céljaidra.
Ha nem muszáj nem vennék
![]() Amugy rendben meg nézem.
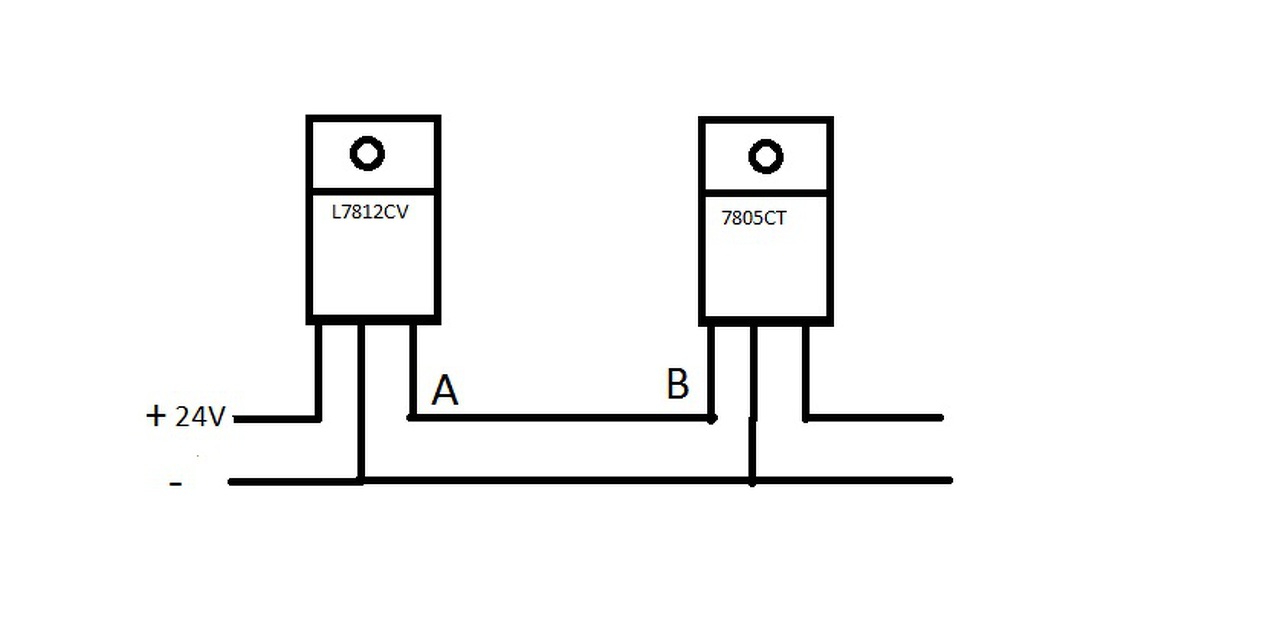
Sziasztok. Kellene egy kis segítség. Van egy PIC-el összerakott áramköröm amiben sorba van rakva egy L7812CL és egy 7805CT stab IC. Az áramkör 24 voltról megy. Van benne egy piezó sziréna ami 12 voltos. A PIC kapja az 5 voltot. Raktam már össze 3 darabot és működnek is. Most csináltam újabb paneleket, és PIC nélkül tápra rakva a 7812-röl csak 6 volt jön le, a 7805-ről már csak négy. Azt hittem panel hiba. Kiforrasztottam a 7805 kimenő lábát és terhelés nélkül hagytam lógni. Ugyan az. Kivettem a két IC és összeraktam lengőbe. Most a 12 helyet 10.3-at mérek (Rajz). Mértem őket külön tápról működik mind a kettő. A mellékelt rajzon az A és a B szakaszra ampermérőt rakva az áram felvétel 3,6 mA. Cseréltem az IC-ket , ugyan az. Ilyennel még nem találkoztam.
A hozzászólás módosítva: Dec 24, 2017
Legalább 5-10 mA terhelés kell nekik, ha jől emlékszem.
A rajzodon nem látszik, de a hidegítő kondikról se feledkezz el - minden lábra 100-220 nF smd, ha van. Nehogy gerjedés is legyen.
A datasheet a bemenet és a föld közé 330n, a kimenet és a föld közé 100n kondit ír, bár legutóbb én is 100 nanót tettem a bemenetre egy 7812-es kapcsolásnál, mert az volt kéznél.
Papírforma szerint nem kell terhelni. Belső rajz szerint van ott hasonló.
Szerintem nedudgi jól emlékszik, a pontos típus alapján lehet ellenőrizni.
Én egy kis méretű, hőszigetelt vizes edény aljába beletennék valami nagyon fekete fémlemezt. Adott mennyiségű vizet raknék bele, majd a lemezre irányítanám a lézert. Mérném a víz hőmérsékletének emelkedését.
Az energia a Q=m*c*dT képlettel számítható (Q az energia Ws-ban, az m a víz tömege kg-ban, a c a víz fajhője (~4200 Ws/kg*K), a dT pedig a hőmérséklet emelkedése °C-ban). Ezekből közelítőleg kiszámítható a lézer teljesítménye. Nem egyszerű, mert elég kicsi a teljesítmény, valószínűleg tetemes energiaveszteség lesz a lemez, a hőszigetelés, a hőmérő miatt...
Sziasztok!
Boldog karácsonyt kívánok minden fórumozónak! A Weller páka (állomás) topikban már feltettem a kérdést kicsit másként, (de lehet, hogy túl triviális ezért nem kaptam választ rá), úgyhogy ha moderálásra érdemes akkor kérem törölni valamelyik hozzászólásom! Egy Weller EC 2002-es állomásba szeretnék forgópotmétert venni. Tudom, hogy nem egy ökör ára, úgyhogy találomra is tehetnék bele egy odavalót, de kíváncsi lennék, hogy van-e valami különleges kívánalom vele szemben és milyet lenne érdemes. 2K5 típusú a rajza szerint.
Ránézés nélkül azt mondanám, hogy lineáris legyen.
Egyébként meg passzoljon a furathoz és a gombhoz.
Sziasztok! A segítségeteket kérném. Van egy dvd íróból kiszerelt laser dioda. Ahoz hogy meg tudjam hajtani kellene egy kapcsolási rajz. LM317 el láttam de nem tudom , hogy jó e hozzá. Légyszives segítsetek. Megszeretném építeni. Előre is köszönöm
Lm317 adatlapján ott van az áramkorlátos kapcsolás. Vagy tetszőleges más kapcsolás, pl. opamp+tranyó+pár passzív is megoldás lehet.
Ettől pontosabbat nem nagyon lehet mondani az általad megadott információk alapján. Pl. milyen dióda, mennyit eszik, stb. A hozzászólás módosítva: Dec 25, 2017
Szia az igazság , hogy egy LG dvd íróból szettem ki. Nem merem semmire köttni mert félek, hogy elszál. Nem tudok rolla semmit. Néztem a dvd írón hátha fel van tüntetve de nem tudtam eligazodni rajta. Most, hogy tudok meg róla valamit nem tudom. Mivel nem tudok rólla semmit ez a kapcsolás nem volna jó hozzá?
A hozzászólás módosítva: Dec 25, 2017
Sziasztok! Valaki elárulja nekem, hogy a laser diódát amit kiszedtem a dvd íróból az van ráirva, hogy SI625LP9C. Csak mert nem találok így róla semmit.
Sziasztok!
Egy kis segítséget szeretnék kérni! Van egy bontott trafom, semmi adatom nincs róla... Gondoltam Ohm méréssel meg szakadásvizsgálóval kicsengetem hogy ki kivel van! Primer oldalon 3 vezetékem van, abból 2 egy pár, de a harmadik vezeték mintha senkivel se lenne... se a házzal se a másik kettővel, tehát ott olyan mintha csak 2 vezeték dolgozna! Szekunder oldalon 6 vezetékem van 2 piros (az egy pár) 2 kék (az is egy pár) illetve egy fekete és egy barna de velük szintén nem találtam semmit se ellenállást mérve se kicsengetve... Mik lehetnek azok a kábelek? Tesztjét a trafónak úgy képzelem el hogy a primer oldalon az egy pár kábelon megtáplálom 230-al szekunder oldalon pedig voltmérővel figyelem az elméletileg szintén 1.párhoz tartozó érpárokat.. Namost valamit vagy nagyon elrontottam.. bár 2 kábel összekötésén elég nehéz, vagy a trafó halott, de egyik szekunderen se tudtam mérni semmit..
Ez a vázlat kb egy áramgenerátor kapcsolás, azzal nyugodtan kipróbálhatod. Bár jó lenne tudni mennyi a dióda maximális árama, de mivel ez az adat hiányzik, tesztelésnél használj minél kissebb áramot.
Aztán minimálisan lehet növellni, de ha túllőssz a célon, a dióda kinyiffan. Az 1Ω ellenálláson folyamatosan mérd a feszültséget, abból kiszámolható az átfolyó áram erőssége az I=U/R képlettel. Ha a gyári elektronikát végigköveted, megtalálhatod a diódát vezérlő IC típusát, abból lehet következtetni a gyárilag beállított áram értékére. Amit még érdemes tudni, a kibocsátott lézerfénybe még véletlenül se nézz bele, mert rámehet a szemed világa is. A"fényerősséget" úgy érdemes ellenőrizni, hogy "rávilágítassz" pl egy fémlemezre (tehát még véletlenül sem belenézéssel). Egyébként ha végigolvasod ezt a topikot, ott lehet találsz még ennél jobb kapcsolási rajzot is. A hozzászólás módosítva: Dec 26, 2017
Attól tartok, ez a kérdés jobban mutatott volna ebben a topikban.
És ha ott visszaolvasol pár oldalt, még azt is megtalálod, hogyan kell üzembiztosan kimérni és kipróbálni egy ismeretlen transzformátort... Csak tippelek, de a primer oldali egy szál vezeték sűrűbb esetben lehet egy szakadt tekercs megcsapolás/kivezetés, vagy esetleg ritkább esetben a primer szekunder tekercsek közti árnyékoló fólia kivezetése is. A szekunder oldali vezetékek szintén. |
Bejelentkezés
Hirdetés |
















