Fórum témák
» Több friss téma |
Ránézésre az R306(6K2) ellenállást nézném meg,na jó a R305,R307-re is rá kellene pillantani.Amúgy jó az a fesz. érték,amit mértél.
AZ a három ellenállás jó. Az osztás számolva 0,2 és mérve is jó, 10V kimenetnél a TR303 bázisán 2,1V van
De a kimeneten nem 10V-nak kell lenni, hanem 26V-nak.
Szia! Mennyi esik R301-en? Azt vizsgáljuk miért nem nyit Tr301 az R304 felől érkező 10 mA áramtól.
Ebben az esetben TR303 zárva van - ez nyilván nem újdonság. R302 útján nyitnia kell(ene) a TR302-nek - ezzel nyitásba vinné TR301-et, hogy helyreálljon az egyensúly.
Lehet nyúlott R302, vagy nem vezérelhető kellőképpen TR302.
Na,ja. A 2905 mindig B-E zárlatos lesz valamiért...
Szerencsésebb, mint a C-E zárlat, mert az itt pusztított volna.
Huh... az C-E zárlat. De azt írtad, 10V van a kimeneten...
Sziasztok!
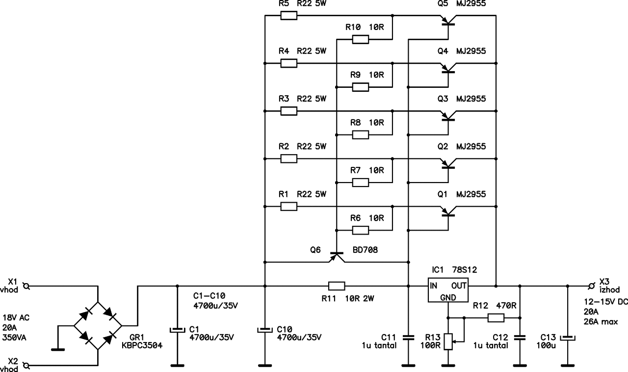
Lényegében ugyanúgy épülnek fel a mellékelt tápegységek csak az egyikben a tranyók előtt lévő ellenállások bonyolultabb hálóban vannak. Mi a szerepe ezeknek és az alatta lévő BD708-nak? Mennyivel rosszabb (ha rosszabb) az egyszerűbb áramkör?
Hello! A BD áramkorlát szerepet tölt be, míg az egyszerűbb kapcsolásban nincs áramkorlát.
Értem, de minek az áramát korlátozza az egyes áteresztőkét vagy az egész tápegységét?
Az egyszerűbbhöz már megvannak a telj. ellenállások, azért gondoltam azt megépíteni. Valamint hol találok olyan leírást amiből megtudhatnám hogy BD250-ekből mennyi kell 20-25 A tartós kimenő áramhoz? Vagy nézzek valami ócskább kínaikból többet? (Ugyanis a BD-k örökségből vannak; békebeli TI, MEV gyártmányok) Nem kár ezek ilyen célra? eddig erősítőbe őrizgettem.. Tudom sok kérdés egyszerre, de nagyjából leírja az aktuális állapotokat.
Természetesen az egész tápegységét. (Mi értelme lenne egyet korlátozni?) 20...25A áram nem kevés, tekintélyes méretű hűtőborda kell hozzá!
Ha a rajzon feltüntetett értékekből indulunk ki, akkor 5V körüli feszültség "marad" a tranzisztorokon, ami 20A-nél 5*20, azaz 100W-nak megfelelő hőteljesítményt kell elvezetni a tranzisztorok "alól". Elméletileg 1db BD is elbírná, de a tranzisztor tok hűtőfelülete kicsi, így célszerű több db között megosztani a hőleadást. A hűtőbordákra anyaguk, formájuk (felületük) figyelembe vételével vannak számítási módok, hogy ezt a hőteljesítményt mekkora darab képes biztonságosan elvezetni, kisugározni. A méret csökkenthető kényszeres levegőáramlással, azaz ventilátorral. A MEV BD-ket ne sajnáld, ha úgyis vannak a fiókban.
Borda az van jó nagy, válaszodból majdnem mindenre fény derült, már csak az a kérdésem, választhatom-e mégis az egyszerűbb kapcsolást?
Nem ajánlom. Egy rossz mozdulat és a félvezetőkészletnek annyi. Füstbe ment terv - Petőfi után szabadon...)
Azzal a pár ellenállással és a plusz tranzisztorral sokat fogsz spórolni.
Neked nem nagy borda kell, hanem hatékony és gyors hőelvezetés. Rézmagos bordával jó nagy légáramlást biztosító ventivel nem csalódhatsz. A nagy bordát pedig hagyd meg valami A osztályú erősítőnek. A félvezető kicsi hátlapjáról kell "elszívni" a hőt. A sima alumíniumban relatív lassan terjed a hő, főleg, ha 100W-ról van szó. Én ha hosszú távra tervezek, 25W-nál többet nem bízok egy TO-220 tokra, és ventivel segítem a borda hűlését.
Rendben. R1 - R5 ig az emitter ellenállások mi alapján lettek ebben a kapcsolásban 0,22 az egyszerűbb kapcs.-ban meg 0,1 ohm ? Említettem, hogy nekem ez utóbbiak vannak beszerezve. Gondolom a 0,22 -t kell használni..
Azok a tranzisztorok közti különbségek kiegyenlítését szolgálják, értékük a kimenő áram figyelembe vételével választandók. Az "egyszerűbb" kapcsolás 30A-es, az áramkorlátos pedig 20A-es. Használhatod a 0,1 ohmosaidat, az érték nem kritikus.
Nem sokat értek a több száz voltos tápokhoz de két diódával és egy 220u-s kondival ennyit sikerült produkálni. A szkóp max gainen. Vélemény?
Arra szeretnék választ kapni hogyan lehet minél stabilabb és mackó mentes.
Minnél nagyobb kondi kell, de ha a terhelés megfelelő akkor nincs itt semmi problem..
Erre való a Pí szűrő. Két kondi és egy induktivitás. Bővebben: Link
A hozzászólás módosítva: Dec 16, 2017
Miért zavar téged ha egy 300V -os egyenfeszültségen van egy kis 0.001V-os hullámzás..?
Inkább az hogy nincs aki személyesen kioktasson adatlap olvasásból és segít pár óra alatt megépíteni azt amin már hetek óta ülök és nem haladok.
Létezik ugyan PÍ szűrő, de tápegységekben olyan nincs. Ott frekvencia függő feszültség osztókkal operálunk, a PÍ szűrő kissé bonyolultabb lenne. PÍ szűrő, lezárások között van értelmezve, tápegységekben ilyen nincs. Ráadásul a rajzolt "PÍ" szűrő bemenet felé eső kondija nem is a szűrő része, hanem az egyenirányítóé, külön névvel illetjük, funkciója szerint ő a puffer (átmeneti energia tároló) kondenzátor. Azt követi egy frekvencia függő LC feszültség osztó.
Ahhoz, hogy az adatlapot olvasni tudjad, tisztában kell lenned az alkatrész tulajdonságaival, azok hatásaival a működésére.
Egy (elektroncső) adatlapon fel vannak sorolva azok a paraméterek, amik a működési tartományt behatárolják. Ezek statikus adatok, amiket túllépve, az alkatrész károsodik, tönkremegy. Az adatok másik csoportja az üzemszerű működést jellemző adatok. Ezeket lehet variálni, a célnak megfelelően. De ez csak maga az alkatrész, amit többnyire valamilyen funkciót betöltő egyszerűbb, bonyolultabb kapcsolás (több alkatrész összekapcsolása) részeként használunk. Neked az egész folyamatot el kéne sajátítanod. Kutakodj az interneten, ha valamit nem értesz, kérdezz. Így juthatunk előbbre. Csövek esetén vannak definíciók, belső ellenállás, meredekség, erősítés, Barkhausen egyenlet. Jobb adatlapokon a működést jellemző statikus, dinamikus görbesereg. Alapvetően ezek használatát is el kell sajátítani. Az esetedben pl. érdekes a D paraméter, Ami azt mutatja meg, hogy 1 V anódfeszültség változáshoz mekkora bemeneti feszültség változás tartozik. Ez pedig a μ erősítési tényező reciproka. Tehát a tápegységből az anódra kerülő brumm mekkora bemeneti (rácson levő) feszültségnek felel meg. Másik oldalról, a brumm csúcstól csúcsig mért amplitúdóját, a hasznos jel csúcstól csúcsig mért amplitúdójával kell arányítani.
Nekem egy műszeres mérés alapján 50 és 100mV közti jelet kell erősíteni de ez már erősítős téma. Világ életembe vizuális típus voltam. Nekem aztán mondhatja ha a gyakorlatba nem próbálom ki. Volt osztálytársamnak a tápegység típusokkal volt baja de őt nem érdekelte az elmélet. Azért megépítettem vele ezt azt hogy képbe legyen. És az még diódás volt.
A hozzászólás módosítva: Dec 16, 2017
Pedig elmélet nélkül, nem fog menni. Attól, hogy látsz egy alkatrészt, még nem fogod tudni, hogy hogy működik.
A hozzászólás módosítva: Dec 16, 2017
Ezt beírtam az lcd monitor topikba is, de tápegység gondom van:
Szóval egy LG 19" monitorral van gondom, minden elkót cseréltem kivéve a nagyfesz puffert. Szóval a táppal az a gond, ha az 5V részt terhelem kikapcsol a táp. A terhelés egy 12V 5W izzó. - Alap feszültségek 5V-os ág 4,7V és 12V-os ág kb 18-20V. - 12V terhelve 20-ról leesik 10-re, úgy tudom a 4,7 ilyenkor felmegy 5.2V-ra. - 5V terhelve azonnal kikapcsol pedig ez kb csak 1 amperos terhelés - Tápvezérlő ic FAN7601 - schottky diodák cserélve - optocsatoló cserélve Mivel a 12V-os terhelést bírja ugyan azzal az izzóval az 5V-ot nem, úgy gondolom nem a primer körben lesz a hiba mert akkor a 12V-nál is kikapcsolna. Akinek van ötlete mit csináljak vele, ne tartsa magában. Itt egy 90%-ban ugyan olyan kapcsolási rajz. Bővebben: Link
Cserélni kellene a KIA431 (TL431) referencia IC-t, de előtte megnézhetnéd az R205-R211 osztót is.
A jelenség arra utal (alapban 18..20V), hogy igazából nincs szabályzás, mert annak minden eleme az 5V-os ágon van. Pusztán azért nem durran el, mert ott van D203 és Q210, ami túlfesznél jól meghajtja az optót, így áll be az "alap" fesz 18V körülire. |
Bejelentkezés
Hirdetés |













