Fórum témák
» Több friss téma |
Üdv!
Egy külső hdd rack-et szeretnék megtáplálni 12 és 5 V-al. A 12 V-t azt megoldottam LM7912-el , de a 12 V-ból 5 V-ot csak nagy hőtermeléssel tudtam csak megoldani, LM7905-el. Van esetleg valami kevésbé hőtermelő megoldás erre a feladatra? A hozzászólás módosítva: Dec 28, 2017
Kapcsoló üzemű táppal tudod kis melegedéssel megoldani a feladatot. Keress rá DC-DC konverter kifejezésre az online kereskedő oldalakon.
Vegyél egy szivargyújtóról működő telefontöltőt ami mrgfelel a célnak. Néhánynak a kimenőfeszültsége terheletlenül magas. Vagy egy kész modult.
Idézet: Ez nem negatív feszt ad? „A 12 V-t azt megoldottam LM7912-el”
Cseréltem TL431-re volt itthon, a feszültség osztó ellenállásai is jók. Igazából minden jó.
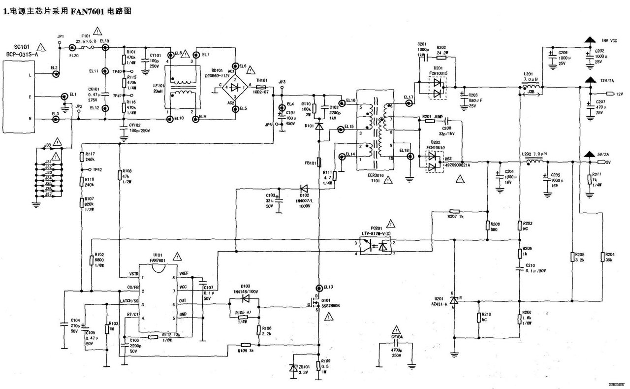
Közben a primer oldalon is cseréltem kondikat ismét, mert 33 és 0.47µF helyett 220 és 22µF volt talán de hiába cseréltem így sem változott semmi. Igaz 47µF és 1µF-et találtam itthon szóval most ezek vannak benne. Most a FAN7601-et akarom cserélni, mert van itthon egy másik táphoz volt véve, csak nem volt időm eddig.
Hogy van benne? 33 nF, és 47 nF helyett, 47 uF, és 1 uF?
A tápvezérlő 7-es láb VCC felőli részén volt 220uF, amit már valamikor cseréltek és én a kapcsolási rajz szerinti 33µF helyett 47µF-et raktam bele. A 3-as láb felől pedig 0.47µF -ot ír a kapcsolási rajz, nekem itt 22µF volt, ezt cseréltem 1µF-re mert csak ilyen volt nekem. A helyzeten nem változtatott egyenlőre.
Megoldódott a táp gondja. Hogy mitől? Fogalmam sincs. A segítséget ezúton köszönöm mindenkinek.
Csatoltam egy még jobb kapcsolási rajzot tehát egy 19" LG monitor tápról van szó. Kezdtem ott amit Sebi írt TL431 csere, (ugye amit először felraktam rajzot abban volt D203 és Q210 de valójában az enyémben nem volt), tehát ez nekem tárgytalan. FAN7601 cserélve, nem segített A szabályzást átkötöttem a 12V-ra egy feszültségosztóval a TL431-re kaptam egy stabil kb 14V-ot amit terhelve is jó volt, de az 5V terhelésekor ugyanúgy lekapcsolt a táp. Majd egy saját feszültségosztóval az 5V-ra tettem a szabályzást, az 5V így már beállt stabilan de terhelve ugyan úgy lekapcsolt. Közben cseréltem primer puffer kondit, meg a jó ég tudja mit. Semmi nem segített! Végül kivettem az összes ellenállást a szekunder oldalon és mindet kimértem, mind jó. visszaforrasztgattam őket és ekkor lett jó a táp. Tökéletesen megy stabil 14,7V és 5,1V, terhelve bármelyiket stabilan működik. Csak arra tudok gondolni, hogy valamelyik smd ellenállásnál elengedhetett a forrasztás, mert igazából ezeknek a ki és beforrasztása után lett jó. Ha valakinek van néhány perce és a csatolt kapcsolási rajz alapján leírná, hogy ebben az áramkörben az R207 és R208 -nak mi a feladata örülnék neki, mert szerintem ezekkel volt gond. A kapcsolási rajzon az NC azt jelenti nincs bekötve, tehát ott nincs semmi gyárilag sem. Ezen kívül nekem az R205 2,2KOhm nem pedig 3,2. Üdv. A hozzászólás módosítva: Jan 6, 2018
R208 a TL431 munkaellenállása, R207 az optó LED előtét ellenállása. De fogalmazhatjuk úgy is, hogy a munka "ellenállás" az optó LED és soros tagja, amit söntöl R208...
Feltehetőleg a TL431 - optó optimális működését biztosították így, hogy kevesebb áram folyjon az optón. Ha a 208 nincs ott (forrhiba), akkor durvábban reagál a terhelés változására, ha 207 nincs, akkor szabályzás (visszacsatolás sincs. Erre a legtöbb ilyen kapcsolás füstjelekkel reagálna, de lehet, hogy ez épp kivétel.
Sziasztok!
A kérdésem részben forrasztópákához, de inkább annak tápjához kapcsolódik, ezért teszem fel itt a kérdésem. Hozzájutottam egy kiselejtezett JBC készülék pákacsúcs tartó egységéhez,ehhez hasonló. Szóval csak ez van meg, a meghajtó áramköre, trafó, az nincs. Van itthon ilyen laptop 19V 3A-es tápom, ha arra rádugtam, a táp leszabályozott, nem lehetett mérni a kimenetein semmit. Ha viszont a labor tápegységemre kötöttem és beállítottam DC 10-12V 2A-t, akkor megfelelően felmelegedett és tudtam is használni. Viszont az üzemeltetéséhez nem szeretném a labor tápegységemet igénybe venni, egy külön áramforrásról szeretném hajtani. Hogyan lehetne ezt megoldani? Ha veszek egy ilyen tápot, akkor ez nem fog leszabályozni? A lényeg, hogy felmelegedjen, nincs szükségem vezérlő vagy hőfokszabályozó áramkörre. Köszönöm szépen!
Labortápegységgel meg tudod állapítani azt, hogy mekkora feszültség és áramigénye van a pákának. Ehhez válassz tápegységet, lehetőleg beállíthatót. Ha túl sok feszültséget adsz a pákának, akár másodpercek alatt tönkremegy.
A 19 V-os tápegységed szerencsére lekapcsolta magát és nem a pákádat tette tönkre.
A kérdés inkább a pákás topikba való. Ez egy JBC T245-A ami 50W-os. Nekem nincs ilyenem, de az (egymásnak ellentmondó) fellelhető információk alapján ennek a fűtőbetétje (ami ugye a hegyben van) 2,5 ohm ellenállású. Ezt kellene megmérni, vagy a labortáp feszültségét a nullától addig tekerni felfelé amíg éppen 1A áram folyik, az ebben a pontban mért feszültség lesz a fűtőbetét ellenállása. Tehát ha 2,5V esetén folyik 1A akkor az 2,5 ohm.
Ha így van, akkor ezt a pákát nem ajánlott 12V-nál magasabb feszültségről üzemeltetni mert a fűtőbetétje szét fog égni. Ugyanis a 2,5 ohm 19V-ról 7,6A áramot fog felvenni ami 144W fűtőteljesítmény. Amit szeretnél az ugyan megoldható de nem szerencsés, azért van a pákában a hőelem hogy a szabályozó aztán abból szabályozott fűtést csináljon. Ha elvégeznél rajta egy két olyan mérést amit leírok, és olyan ez a fűtőbetét ahogy gondolom akkor egy nagyon primitív szabályozóval is működni fog, adok rajzot hozzá. Ezen a képen látható a betét, ennél kellene azt megnézni hogy ha labortápból feszültséget adsz a C1 és a C2 pontokra (C1-re a negatívot), akkor a C1 és a C3 pontokon elkezd-e emelkedni a feszültség ahogy melegszik a betét, ez a feszültség csak néhány mV lesz ha lesz. A másik megoldás amit szeretnél pedig az, hogy fogsz egy hőmérőt ha van, elkezded emelni a labortáp feszültségét, és megnézed hogy hol lesz a hegyen lévő ónpaca hőmérséklete 330-360 fok körül. Akkora feszültségről kell használni ha nem építesz hozzá szabályozót. A fűtéssel nagyon óvatosan kell bánni, ezek a korszerű betétek nagyon jók, de van egy hátrányuk, néhány másodperc alatt vörösre lehet izzítani ami a gyors tönkremeneteléhez vezet.
Szia, nem akarok belekotyogni, de kár lenne azért a forrasztóért. Ennek a típusnak magában a hegyében van a fűtőbetét és az érzékelő is. Amúgy a hozzá való vezérlővel egy igen profi cucc, pillanatok alatt felfűt és nagyon jól tartja a hőmérsékletet forrasztás közben is. Több évig dolgoztam ilyennel (és van egy sajátom is). Ha szeretnéd használni akkor javaslom nézz hozzá egy vezérlőt, vagy ha van kedved építgetni akkor találsz hozzá a net-en leírást. Sima tápegységről ne használd.
Hello. Egy 12V 2A tápegység kéne, amiben többféle védelem is van, nem drága (4e Ft körül), mert egy drága eszközt működtetne. A Meanwell RS 25-12-t néztem ki, de jobb lenne zárt, ahol nem lehet hozzáérni a feszültségekhez. A dugasztáp zárt, de nem jó, mert ezekben nincs védelem. LED táp jó lenne? Ebben van védelem, és zárt is. Ez jó? https://www.tme.eu/hu/details/apv-25-12/led-tapegysegek/mean-well/
A hozzászólás módosítva: Jan 20, 2018
Azért ezeket alaposan körbe kell járni, ugyanis egyáltalán nem biztos hogy leválasztott a táp, annak ellenére sem hogy a kettős szigetelés jele rajta van a dobozon. Találkoztam már olyannal amin ugyanígy rajta volt, és a fázis ott figyelt a kimeneten mert csak egy konverter volt benne.
12VDC-ről van szó. Ilyet is találtam.
https://www.tme.eu/hu/details/irm-30-12/beepitheto-tapegysegek/mean-well/ https://www.tme.eu/hu/details/irm-30-12st/beepitheto-tapegysegek/mean-well/ Ezek milyenek?
Nézd meg a műszaki adatainál a nagyobb (7MB) méretű doksit, az IRM sorozat valahol a lap közepe felé van. Nekem abból sem teljesen egyértelmű mert csak annyit ír hogy teljesen szigetelt a műanyag doboz, de van ott kép a belsejéről az alapján mintha leválasztott lenne, mert úgy néz ki ahogy egy ilyennek ki kell nézni belülről.
A képek nem erről vannak, hanem az open frame-sekről.
A többieknek mi a véleménye a linkelt és említett tápokról? A LED-ekhez készült tápok működése, belső felépítése mennyire más, mint a sima tápoké? Ajánlott, vagy nem a LED-es tápokat sima célokra használni, azaz nem LED-ekhez? APV-25-12, stb.. Az IRM 30-12 mennyiben más, mint az RS 25-12? Gondoltam hogy az IRM 30-12-nél ráforrasztom a 4 vezetéket, aztán hot melttel leszigetelem, így nincs áramütésveszély. A 30-12ST nem jó, mert csavaros bekötésű, ezt nem lehet leragasztózni.
A hozzászólás módosítva: Jan 21, 2018
Korábban már több olyan kis táppal találkoztam, ami folyamatosan lüktetett és semmilyen alkatrész nem mutatkozott hibásnak. Szkóppal mérve se jutottam előbbre. Annyit meg nem ért, hogy IC-t rendeljek hozzá. Most egy 17 V 0,5 A-es dugasztáp került a kezembe. HOTCHIP HT203C a meghajtója. Kondikat kivettem, mértem, ellenállások, diódák rendben,... Egészen véletlenül rámérek a trafó IC tápot ellátó tekercsére. Szakadt. Nem is gondolna rá az ember, hiszen megy a táp, primer-szekunder működik.
Leejtették. A trafó vékonyka műanyag tekercsteste eltörött. Feszesre szabottak a szálak, abból is a legvékonyabb elszakadt. Kívülről semmi nem látszik, nem mozdult el. Működik.
Sziasztok, azt szeretném kérdezni, hogy egy 2x50+100Wattos digitális végfokmodulhoz (2-es kép) használható lenne-e egy 24Voltos LED kapcsolóüzemű tápegység???(1-es kép)
A végfok 1x24Volt tápfeszültséget igényel. Azért lenne ez fontos nekem mert ezt a tápot tudnám beszerezni hozzá megfelelő áron...
Nem mernék erősítőt rátenni. Nézd meg a LED világításnál a hozzászólásomat!
LED táp Későbbi értékelés: Idézet: „Ha valakinek nem jött volna le a lényeg.: Az ismertetett táp a felelőtlen, a kúszóáramutakkal kapcsolatos előírásokat nem ismerő tervező, gyártó, nem is barkács, hanem kontármunkája.” Nem biztonságos. !!! Viszont óccsó. A hozzászólás módosítva: Jan 30, 2018
segítene valamit ha a táp kimenetére nagyobb puffer kondit tennék esetleg?
vagy valami zavarszűrő megoldás van?
A fenti hozzászólásban lévő idézet ablakban olvasható a lényeg!
Ezeken a dolgokon utólag nehéz segíteni. (És nem a puffer a gond...)
Esetleg akkor ha adnak mellé ajándék bónt koporsóvásárláshoz..
Ha 24V 5A kell, akkor vegyél 24V 10A-t tudó tápot, így nem fog tönkremenni olyan hamar az 5A terheléstől. Max. áramon használva pár hónap élettartamot jósolok. Jól szellőző helyre rakd be, ha kell, ventivel segítsd a szellőzést! A ventivel ismét megnyújtottad a táp élettartamát. A táp ne legyen megérinthető! Se kis lyukon keresztül, se sehogy! A védőföldelés legyen bekötve, a táp burkolatával is érintkezzen! Az olvadó biztosítékot le kell ellenőrizni, megtalálható-e egyáltalán. Ha ezeket betartod, nagy baj nem lehet.
Üdv.vettem egy Kenwood ka-1030-as erősítőt.Nem mai gyerek már,és úgy gondoltam,hogy a táp szűrő elkókat kicserélem.Eredetieknek 2x4700uf 56v az értékük én vettem 2x10000uf 63v osat.Azt szeretném kérdezni hogy nyugodtan beépíthetem e a nagyobb értékű kondikat nem változnak a feszűltségek az erősítőben és nem terheli meg a trafót és az egyenirányítókat?Egy képet rakok fel a táp egy részéről.Előre is köszönöm a válaszokat.Üdv.
Üdv! a nagyobb puffer használata a trafót csak egy pillanatra terheli jobban, az még elviseli de az egyenirányító diódákat a nagyobb pufferelkó kisebb ESR miatt jobban terheli a töltődés kezdeti szakaszán, azok meghibásodását okozhatja. A kapcsolási rajzon a fenti elem cseréréje figyelmeztető jelzést használnak. Háromszög benne felkiáltójel. Jelentése csere csak az eredetivel megegyező értékre és minőségre vonatkozik.
|
Bejelentkezés
Hirdetés |














