Fórum témák
» Több friss téma |
Tudom, hogy lényegesen olcsóbbak az ebayről, de építeni szeretnék, legalább megtanulom a funkciókat és az áramkör működését. Nem baj , ha egyszerű.
Van XR2206 IC-m ha érdekel írjál privit.
Úgy döntöttem, hogy először az ICL8038-as IC-vel vezérelt függvénygenerátort építem meg. Aztán pedig az XR2206 -os IC-vel működőt.
Tetszik ez a kapcsolás és megvannak hozzá az alkatrészek is. Tudom, hogy viszonylag kicsi a frekvencia tartománya és az XR2206 sokkal jobb jellemezőkkel rendelkezik. De az ICL8038 -as IC régóta várja , hogy felhasználjam. A kritikus áramköri elem számomra a 2N4392 FET. Mivel tudnám helyettesíteni? A hozzászólás módosítva: Szept 14, 2017
Hova és miért kell abba FET? Itt nézegetik az ezen rajz alapján épített kütyüt.
A képen bekarikáztam a FET helyét. Kiegészítés, egy vezérlő bemenet a külső frekvencia számára, szerintem. Igaz e nélkül is működik a kapcsolás.
A hozzászólás módosítva: Szept 15, 2017
"Mindegy milyen" csak földre húzza a kondikat vagy nem.
Sima kapcsoló funkciója van , BF244/BF245 jó oda ha más nincs kéznél. Vagy meg elégszel a funkcionalitásának hiányával. Attól még kell neki működnie mint függvénygenerátor. Nem lét kérdés számodra szerintem. A hozzászólás módosítva: Szept 15, 2017
Elvileg valami "kapuzó" funkciója lenne ... szerintem kissé favágó módszer így beavatkozni a generátor életébe.(IC adatlapot nem néztem még meg)
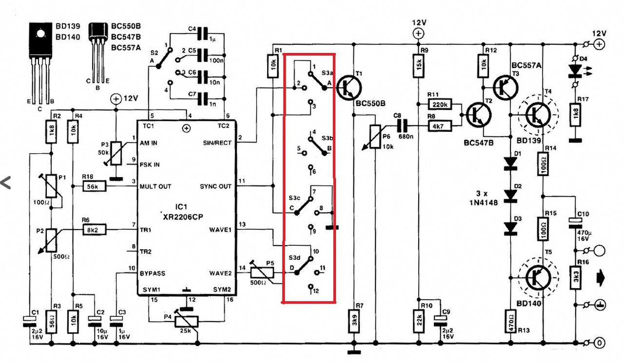
Ma megjöttek az XR2206CP IC-k.
Csak átgondoltam. Csak az XR2206CP-t választom a jobb jellemzői miatt. A csatolt kapcsolást választom, mint első funkció generátorom. A kérdésem az lenne, hogy nagy gondot okozna-e az, hogyha a P4 25kOhm -os trimerpotméter helyett 22kOhm -ost és a P4 500 Ohm -os helyett pedig 680 Ohmost tennék be? A hozzászólás módosítva: Szept 18, 2017
Nem hinném hogy akkora eltérés gondot okozna.
Majdnem elkészült az első általam épített függvénygenerátor. Rendesen működik. Igaz tudom, hogy nem tökéletes és messze is van attól, de remélem majd a második jobban sikerül. Az előlapot még meg kell csinálnom hozzá.
![]() Mi a véleményetek róla?
Egész jó lett. Az előlapohoz tudnám ajánlani a Front Designer nevü programot én az enyémehez azzal készítettem el. Könnyen kezelhető program.
Sziasztok!
Egy ICL8038 ic-re épülő függvénygenerátort próbálok éleszteni, de van néhány problémám. A konkrét kapcsolást pdf-ben mellékeltem, de egyébként itt találtam. A legfőbb gondom vele a duty poti. Ha elkezdem a véghelyzet felé csavarni egyik irányban más a hatása mint a másikban. Maga a kitöltési tényező sem szimmetrikusan változik, de az egyik irányba a kitöltési tényező csökkentésével a frekvencia is csökken. Ahogy csökken a kitöltési tényező elkezd "nyúlni" a jelalak. A négyszögjelet szemrevételeztem leginkább, de elég érdekes jelenség.
Üdv!Valakinek van ehhez a függvénygenerátorhoz (Bővebben: Link) nyákterve?
A hozzászólás módosítva: Okt 9, 2017
Tegnap hozzám szegődött ez a szépség. Nem működik. Az biztos, hogy a tápegység + oldala nem jó. 26V helyet 10,8V jön ki belőle. Ebből adódóan a + 14 helyett is csak +8,2-t ad. A - oldalon jó a -26V is és a -14V is.
Hogyan lehet levenni a fogantyút. A hozzászólás módosítva: Nov 29, 2017
Nagyon jó kis műszer, nekem is van egy ilyen. Az enyém is táphibás volt, de nagyon egyszerű volt javítani. Utána egyből indult.
Mi volt a baja?
Nincs előttem a kapcsolási rajz, de úgy emlékszem, hogy nekem is a pozitív táppal volt baj, és az áteresztő tranyó volt zárlatos. Illetve volt egy zárlatos tranyó a kimeneti fokozat erősítőjében is, de az csak torzítást okozott. De kapcsolási rajzzal elég könnyen meg lehetett találni a hibát.
Köszi. A +26V -os tápban volt zárlatos a 2N2905. Most már jó a táp, működik a moduláló generátor, de a főegység nem megy.
VAn gépkönyvem.
A kimeneten kint van a +26V
Sziasztok,
Már régóta tervezem, hogy építek egy Függvénygenerátort MAX038 alapon a jelenlegi XR2206 kiváltására. A ma divatos olcsó DDS-ek megfelelő kimeneti szűrő esetén leginkább csak szinusz előállítására alkalmasak. (Tudom, komolyabb esetben tetszőleges hullámforma is lehet, de ezt most itt hagyjuk.) Így a rendelkezésre álló (illetve még éppen beszerezhető) analóg IC-k közül a MAX038 a legnagyobb tudású, erre esett a választásom. Papus51 2014-ben publikálta a rengeteg funkcióval felvértezett kapcsolását a cikkek között, ami szintén ezt az IC-t használja: Hullámforma és sweep generátor 0,1Hz-től 38MHz-ig MAX038-ra tervezve Alapos munka, sok-sok hasznos funkció, átlátható előlap, amiért csak elismerés illeti a szerzőt. Nem tudom hányan építették után mert lássuk be nem a legegyszerűbb és legolcsóbb megoldásokat alkalmazza, de biztosan jól teljesít. Mielőtt ezt (vagy valami hasonló áramkört) megépíteném, alaposan megvizsgálom hogyan épül fel, miként működik. És jónéhány kérdés felmerült bennem, remélem papus51 is olvassa, és megválaszolja őket. Tudom, hogy már létezik egy Függvénygenerátor építése topic, de az túl általános és már nagyon hosszú, itt konkrétan a fent említett cikkben közölt kapcsolást vagy annak továbbfejlesztését szeretném tárgyalni. Külön hozzászólásokban kívánom tárgyalni az egyes részeket, mert ez a bevezetés már így is hosszúra sikerült. Így itt csak néhány általános kérdést teszek fel az áramkör építésével és használatával kapcsolatban: - A kapcsolási rajz milyen módon készült? - Ha jól értelezem a Sprint Layout nem közvetlen a kapcsolási rajzból (kötéslistából) dolgozik? (ez nehézkessé teszi a tervezést és módosítást) - Fel tudnál tenni esetleg egy-két képet belülről is? - Történt-e valami változtatás az áramkörön a cikk írása óta? - Papus51 vagy aki után építette: Mik a hosszabb távú tapasztalatok, esetleg milyen funkció hiányzik még? (Pár ötlet pl. 50/600 Ohm átkapcsolható kimeneti impedancia, logaritmikus sweep, gate funkció, AM moduláció elnyomott vivővel, szinkron bemenet, stb.) Folytatás következik ...
Sajnos a moderátorok egyből átmozgatták az eredeti hozzászólásomat ebbe a témába, pedig lenne értelme az egyes cikkekhez dedikált témának, de mindegy.
Nem érkezett válasz előző kérdéseimre, de térjünk rá a jel előállítására a MAX038-cal, hátha közben Papus51 is előkerül, vagy más is meg tudja válaszolni a kérdéseimet. A generált jel frekvenciáját az Iin bemenő áram és a Cf kondenzátor határozza meg az adatlap (https://datasheets.maximintegrated.com/en/ds/MAX038.pdf) 5. oldala szerint a kimenő frekvencia: F0 (Mhz) = Iin (uA) / Cf (pF) Papus51 áramkörében az Iin 7…745uA között állítható a P5 potméterrel a Cf kondenzátort pedig 100uF, 10uF, 1µF … stb. sorozatból áll. Az egyszerűség végett nézzük az 1nF-ot. Ez a 10kHz - 1MHz tartományhoz tartozik, de ha behelyettesítem a képletbe, ezt kapom: Fmin = 7uA / 1000pF = 0.007 MHz = 7kHz Fmax = 745uA / 1000pF = 0.745 MHz Szóval nem teljesen értem, hogy adódik ki ebben az áramkörben a 10kHz … 1MHz és a többi tartomány.
A specifikációt majdnem jól hozza ... 1 2 alkatrész tűrését is számold bele és jó lesz az.
Kedves Majkimester!
Röviden: Nem szeretnék további üzemórákat beletolni ebbe a projektbe. Bővebben: Másfél-két évet dolgoztam a MAX038-as hullámforma és sweep generátor fejlesztésén. Négy vagy öt NYÁK-ot is elkészítettem és ültettem be, majd dobtam félre mire elkészült a végleges változat. Nekem ennyi elég volt. Biztosan lehetne még néhány funkciót beleerőltetni, gondolok itt például a parlagon maradt fáziskomparátor egységre, de nekem ez nem tűnt fontosnak. Másnak lehet, hogy az. Szabad a továbbfejlesztés lehetősége. A konkrét kérdésedre a válaszom az, hogy nálam ezekkel az értékekkel működik a megadott tartományban. Ha megnézed a MAX038 adatlapjának 4. oldalán az Iin vs. frek. diagrammot, akkor láthatod, hogy azon sem a megadott matematikai képlet szerint alakulnak a frekvenciák. Például 100nF esetén az 1kHz frekvenciához 7-8mA körül metszi a görbe az áram értéket. Egyébként a cikkben is leírtam, hogy élesztéskor a 3V-os tápfeszültség finom állításával lehet korrigálni. Ami nekem az immár három éves használat során gyenge pontnak tűnt az a rövid idejű frekvencia stabilitásnál jelentkezett. Pár perc bemelegedés után a frekvencia négy számjegy pontossággal beáll, viszont rövid időintervallumokban vizsgálva ingadozik, vagyis némileg fáziszajos. Ez akkor jelentkezett problémaként, amikor egy SSB vevőkészülék VFO-jaként akartam használni, ahol a néhány 10 Hz-es ingadozás is elég soknak bizonyult. Lehetséges, hogy a tápfeszültség szűrésének javításával ezen is lehetne javítani, de egyéb felhasználások során ez a probléma nem is jelentkezett. Ha tovább kívánod fejleszteni én sok sikert kívánok Neked. Üdv. papus51
Kedves Papus,
Köszönöm a bővebb kifejtést. Teljesen megértem, hogy ennyi fejlesztés után már nem szeretnél több időt erre fordítani. Nem is gondoltam, hogy neked kellene változtatni az áramkörön. Viszont én régóta szeretnék építeni egy MAX038 alapú generátort, valószínűleg saját kapcsolás lesz de a te áramkörödből fogok jó ötleteket átvenni. A további funkciókat csak felületesen vizsgálom, ami hasznos lehet és egyszerű megvalósítani az lehet, hogy bekerül, de ami nem olyan egyszerű az nem. Rátérve az Iin vs. frekvencia kérdésre: Közben breadboard-on összeraktam egy alap kapcsolást (Jaj, ne kövezzetek meg ), és méregettem.(A fáziszaj itt is látszik, de ezt a kísérleti áramkörnek tulajdonítottam, ezek szerint ez jól megépítve is probléma.) Ki is derült hol van a turpisság. A képlet nagyjából jó, de csak olyan 600uA-ig, felette erősen eltér a valóságtól. (a 4. oldalon lévő ábra elég elnagyolt, mellékeltem a mérésem eredményét.) A másik eltérés meg a kondenzátor tűréséből adódik. ahogy Kera_Will említette. Én eredetileg egy 1nF 1%-os fólia kondival méregettem, de berakva egy X7R kerámiát egyből kijött az 1Mhz, mivel a kondit csak alig több mint 900pF-nak mérem. (Többet is próbáltam, mindnél negatív volt az eltérés) Itt persze jó kérdés, hogy milyen kondit is érdemes használni. Aminek kicsi a hőfokfüggése és szivárgó árama (10nF-ig NP0 kerámia jó, de felette az X7R már nem biztos, esetleg valami fólia lehet jobb, de a kerámia kicsi, könnyebb közel elhelyezni.) Azért, hogy a sweep lineáris legyen, ezek szerint csak max. 600uA-ig érdemes felmenni. (Az adatlap 10..400uA-ert javasolja az optimális teljesítményért.) Üdv
Sziasztok,
Egy kis segítséget szeretnék kérni, építettem egy XR2206-ra épülő Függvénygenerátort ami az Elektorban is megjelent. Élesztettem és szépen működik is. Mellé építettem egy Digitális Frekvencia mérőt amit Vicsys tett közé régebben az oldalon. A függvénygenerátort szkóppal vizsgálva szépen működik és tudja is amit a leírás alapján tudnia kell. A frekvencia mérő is működik, de amikor a kettőt összekötöm a Frekimérő nem mér semmit, vagy legalább is nem a megfelelő értéket mutatja. Bármilyen jelet próbálok mérni egyiket sem méri rendesen. Tudna valaki esetleg ebben segíteni, hogy mi lehet a baj? Előre is köszönöm. Üdv Bubu54 |
Bejelentkezés
Hirdetés |

















