Fórum témák
» Több friss téma |
Azért van a feszültségszabályzó, hogy megvédje az izzót a nagyobb fordulaton jelentkező nagyobb feszültségtől.
Az összehasonlítást terhelés nélkül is elvégeztem.Csak a motor és feszültségszabályzó, kb2500-3000 RPM (ezt saccolom) de közel azonos fordulaton.(TRUE RMS műszerrel mérve az áram és feszültség is) A feszültségeket úgy állítottam be, hogy csak pár tized volttal eltérőt mutatott a tirisztoros és a diódás esetén is. Ha beraknák még egy diódát, az megemelné a feszültséget is sajnos,(bár akkor tényleg csökkenne az áram,de túlfesz miatt veszélyesebb lenne a majdani bekapcsolt fogyasztókra.
Szia!
Így van, arra találták ki a feszültség szabályzót. A diódás szabályzód most mekkora feszültségnél szabályoz le? Mert 14,4V-ot minden izzó kibír. Vajon 1 diódahíd mennyit emelne a feszültségen? Had adjak egy ötletet a fordulatszám pontos megállapítására. A korábbi képeidet nézve feltűnt hogy a frekvenciát is kiírja a műszer. Ebből könnyen kiszámítható a fordulatszám. Gondolom ez nem okoz Neked problémát.
Szia!
Egy dióda, emlékeim szerint 0,7 körül emel kb. De pont az egyenlőség kedvéért lőttem be úgy a diódásat, hogy összehasonlítható értékeket kapjak a tirisztorossal. Az ötlet jó a fordulatszám megállapítására, csak az a baj, (amire fejből nem emlékszem már sajnos), hogy egy fordulat alatt hány szinuszt generál a generátor, mert hogy nem egyet az biztos, de mintha 3 rémlene, tehát egy főtengely fordulat alatt 3 pozitív és 3 negatív félhullám generálódik.(de ebben már nem vagyok biztos) Majd ha jobb idők lesznek újra végzek egy mérés-sorozatot. De addig szeretném megérteni a miértjét.
A frekvencia a mágnesek számától függ, 1 tekercs esetén. A képeiden 200 Hz feletti frekvenciák láthatóak. Az egyszerűség kedvéért vegyük a 200-at. Ezt meg kell szorozni 60-al, a percenkénti fordulat kiszámításához, majd el kell osztani a mágnespárok számával. Ennyire egyszerű.
Vegyünk példának egy 6 pólusú mágnest, amit Te is említettél. 200x60=12000 12000÷3=4000 A jobb időt már én is nagyon várom, most éppen félbe vagyok egy LED-es stroboszkóp készítésével.
Sziasztok!
Tegnap csináltam egy egyszerű kütyüt, amit arra találtam ki hogy azok a fesszabályzók, amikhez akku kell hogy működjenek, megkapják a 12V-ot, ha viszont leállítják a motort, megszakítsák a 12V tápellátást. Automatikusan működik, nincs szükség külön kapcsolóra. Eredetileg LED-es világításhoz terveztem, LI-Ion akksi cellákkal (3 db. 2600 mA/h-s cellával), a kis fogyasztás miatt abszolút működő képes, sőt, index és féklámpa is egyszerűen megoldható. Ha valakit érdekel, szívesen írok róla és a kapcsolási rajzot is felteszem.
Szia!
Most értem haza, de azért még ma felteszem a rajzot. A lényeg hogy a bemenetet a generátor kapcsaira kell kötni, ugyanoda mint a fesszabályzót. A többit majd holnap.
Folytatás:
A LED-es világítás nagy előnye hogy 15-20W-os generátor teljesítmény elegendő a komplett világításhoz, indexel, féklámpával együtt. Hátránya hogy alapjáraton villognak a LED-es izzók. Ennek kiküszöbölésére csináltam ezt a kapcsolást, ami rákapcsol egy akksit a világításra, így alapjáraton is van stabil 12 volt. Akksinak elegendő 3 db. Líthium cella, ami feltöltött állapotban 12,6V-ot szolgáltat, 2,6A terhelhetőséggel. Ha az összes fogyasztó be van kapcsolva, a maximális áramfelvétel 1,3A, tehát 2 órán keresztül bírná az akksi, ha a motor alapjáraton járna, ami úgy-e nem természetes üzemállapot. A mérések szerint, amikor a relére jutó feszültség 6V fölé emelkedik, a motor beindítása után, a relé bekapcsol, és rákapcsolja az akksit a világításra. A motor leállításakor a relé szétkapcsol. A motor normál üzemállapotában a generátor nem csak a világításnak szolgáltat energiát, hanem tölti is az akksit. A fesszebályzót úgy kell be állítani hogy a maximáli feszültség ne menjen 12,6V fölé, mert a Líthiumos akksi nem bír ki nagyobb feszültséget. Korábban már tettem fel ide rajzot agy olyan fesszabályzóról, ami pont jó ehhez az összeállításhoz. (2018.febr.27). Ebben az esetben 10V-os zéner diódával sorba kötött diódát kell alkalmazni, akkor lesz a max feszültség 12,6V. A 3 db Líthium cella így néz ki, mellettük a 9V-os elem a méretük miatt lett fotózva. Gondozást nem igényelnek, évekig használhatóak.
Szia!
Elsőnek Link az említett hozzászólásra. Aztán pár kérdésem. Ha lemerült a Lithium cella, akkor mi korlátozza a töltőáramot? Azt ugye tudod, hogy a Lithium-Ion celláknak spéci töltőáramkörük van,ami figyeli a cellák feszültségét,áramát,stb... Ebayen vannak olyan kis áramkörök,amit megvédik a cellákat a túltöltéstől és a mélykisütéstől is. Pl:3 cellához védő De ez csak védő !!! Nem figyeli a töltési áramot és karakterisztikát. Elmehet az akkuk egymáshoz képesti balansza,stb... csomó probléma léphet fel idővel. Nem rossz megoldás, de még szerintem némi fejlesztésre szorul a hosszútávú stabil működés érdekében.
Szia!
A valóság sokkal prózaibb, mint gondolnád. Jó pár éve használok Li-Ion akksikat, akkus fúrógépekbe, autósporszívóba, fejlámpákba, fényképezőgépbe, stb. Egy dologra érzékenyek, a cellánkénti feszültségük nem lehet több 4,2V-nál. Több töltőt is csináltam ezekhez, kivétel nélkül mindegyikbe stabilizátort építettem. A meglévő töltőkbe építettem be stabilizátor IC-t, hűtőbordával. Az akkus fúrógépemet már több mint 3 éve így használom. Az akku cellákhoz nagyon olcsón jutok hozzá, a piacon megveszem a laptopok kidobott akksijait, pár száz forintér. Két hete vettem legutóbb egy ilyent, 300 Ft-ér, 8 cella volt benne, abból 2 rossz volt, a többi teljesen jó. A képen ebből 3 db látható. Így 1 cella 50 Ft-ba van, ha tönkre megy cserélem. Érdekes hogy eddig még egyet sem kellett cserélnem. Évekkel ezelőtt kettőt is tönkre tettem, mert nem ismertem a Li-Ion akksik tulajdonságait, akkor mindent elolvastam róluk, azóta nagyon odafigyelek, nehogy túlfeszt kapjanak, mert tönkre mennek. A tönkrement akksik szakadást mutatnak, nem zárlatot, ezért abban a kapcsolásban ahova rajzoltam, semmilyen problémát nem okozna egy esetleges cellahiba. Viszont a fesszabályzót szigorúan be kell szabályozni 12,6V max feszültségre, még a legnagyobb fordulaton se mehet ez fölé. Eddig 2 ilyen fesszabályzót építettem, mindkettőt sikerült beállítanom erre az értékre.
Sziasztok!
Megépítettem ezt a feszültség szabályzót. Érdeklődnék, hogy, hogy tudom megmérni mekkora töltő árammal dolgozik? Tehát az ampert ami a szabályzón keresztül az akkuba folyik? A hozzászólás módosítva: Ápr 1, 2018
Sima multiméterrel árammérés üzemmódban valótlan adatokat kapsz.
Az áram kicsi színuszsapkák formájában folyik, ezt hitelesen ún. True RMS multiméterrel lehet megmérni.
Vagy ha van, analóg műszerrel. Az sem hiteles, de jobb...
Szia!
Nem az a fontos hogy mekkora a töltőáram, hanem hogy mekkora az akkun mért töltőfeszültség. A töltőáram a motor elindításától folyamatosan változik, ami az első percben lehet az akku névleges kapacitásának a kétszerese is, ez az áram folyamatosan csökken. A töltőáram függ az akku töltöttségi állapotától is, egy teljesen feltöltött akku nem vesz fel áramot, vagy csak egészen minimálist. Az a fontos hogy az akkun nagyobb legyen a feszültség mint 12 V, de ne legyen nagyobb 14,4 V-nál. A kisebb értéket lemerült akkunál lehet mérni, míg a maximálist feltöltött akkunál.
Köszönöm szépen a segítséget mindenkinek.
sziasztok,van egy olyan problémám hogy a cpi popcorn robogóm kapott egy aksit, és mikor ráteszem az aksit mintha zárlat lenne, mert kiveri a biztit és a vezetéket összezárva melegszik a vezeték, továbbá mikor ráteszem a gyújtást az alaplapi tekercs kattan egyet.aksi nélkül van lámpa stb.Jól működik.Mi lehet a gond. a tekercs vagy a feszültség szabályzó?Vagy esetleg más?ja uj feszültség szabályzó van benne, de át kellett kötnöm mert folyton pukkantak az égők.Nem tudom jól csináltam e de így nem kapnak az égők többet 12v nál. viszont az aksi felé csak váltóáram megy,már sokféle bekötést próbáltam de nem jutottam semmire.
Sziasztok.
Megépítettem ezt a kapcsolást, de nem szabályoznak a tirisztorok, 30 volt is kijön. Hol a hiba, sajnos nem látom át, hogy működik? 3fázisú a generátor, kínai robogóhoz szerettem volna. Köszönöm előre is. A hozzászólás módosítva: Máj 11, 2018
Már nem tudom szerkeszteni az elöző hozzászólást. Működik a fesszab csak valamiért 2-3Ampernél jobban nem lehet leterhelni, akkor nem tölt. Levett akkuval ha felkapcsolom a fényszórót leáll a motor ,csak nagyon nagy fordulaton pislákol. Generátoron egyforma ellenálásokar mérek, és a feszkók is közel egyformák mindhárom fázison. Ha izzót rakok két fázisra az jól terhelhető. Help me.
Szia!
A 3 fázisú generátor mekkora teljesítményű? Gyárilag hány W-os izzó volt a reflektorban? Ezeket tisztázni kell hogy közelebb jussunk a megoldáshoz.
200wattos tudtommal, de méregettem is "állandó" feszültséggel (akku), izzók elől 2x35w hátúl 5w, Gyújtás max 1A fordulat függvényében, automata szívató 1,5A fogyaszt, többi apróság műszerek, index stb az úgy sem állandó terhelés. Durván 100-120w kéne folyamatosan.
A hozzászólás módosítva: Máj 13, 2018
Idézet: „Levett akkuval” Ez erősen ellenjavalt, szerencséd, hogy a gyújtás nem adta meg magát! Írod, hogy két fázis jól terhelhető, a harmadikat miért nem próbáltad?
Értem. A Te motorod egy nagyteljesítményű áramellátással van készítve. Szerintem tökéletesen, csak eredeti fesszabályzóval fog működni. Esetleg az eredeti rajzát megszerezve, építeni egy újat. Biztos hogy a gyújtás is arról megy? Szerintem biztos hogy nem.
Én egy teljesen új világítást csináltam a motoromra, ledes izzókkal. A teljesítmény felvétele 8W. Jobban világít mint a 35W-os halogén, ami azelőtt volt a reflektoromban. 20W-os generátor adja az energiát. Ezt csak azért írtam, mert mindent meg lehet oldani, vagy megelégszel az eredeti energiazabálóval.
Működnie kell levett akkuval is, hisz ha bekrepál benne, hogy menne a motor, na meg sokan úgy használják, csak berúgókarral indítva. Gyári szabályzó 99%, hogy ugyanilyen legegyszerűbb hisz kínai csodáról beszélünk (Keeway ARN125) Minden a generátor követő feszültségszabályzó után megy, kivéve az induktív jeladó az a CPI gyújtáselektronikába megy. Egész jó a világítása 2x35w izzóval tehát 2db egyszerre világít.
Na de a lényegre térve én hibáztam 1 tirisztor lába zárlatos volt, mondjuk így a maximum még 13 volt feletti töltőfesz 8Amperig van. Lámpával kis fordulaton akkut zabál, normál 5000rpm körül menetközben 12,7Voltot csak megtartani képes, tölteni nem. Lehet ennyit bír a generátor , ez akkor derülne ki, ha le tudnám a 3fázist egyszerre terhelni,mondjuk egyenirányítva megtudnám, de gyanítom a generátor mágnese gyengültek az évek alatt (13éves). Akku nélkül is működik minden. Köszönöm a segítséget, egyenlőre így marad. A hozzászólás módosítva: Máj 14, 2018
Szia!
Egy-két dologra szeretném felhívni a figyelmedet. A gyújtás biztos hogy külön rendszerről megy, semmi köze a világításhoz, töltéshez. Ha megnézed hogy a gyújtás csatlakozójában hány vezeték van bekötve, ha 1-nél több, akkor nem csak a jeladó vezetéke jön ki a blokkból. A mágnesek, ennyi idő után, nem szoktak legyengülni, a világítótekercsek valós teljesítményét meg lehet mérni. Például úgy hogy 55W-os izzókkal (3 db csillagba kötve), közvetlenül rákötve a blokkból kijövő 3 vezetékre, elindítva a motort, feszültséget és áramot mérni. Végül, ha a motor akku nélkül is megy, az azt bizonyítja hogy a gyújtás független az akkutól, de az automata szívató nem. A fiam Gilera Runner robogóját sem lehet akku nélkül indítani, ezért volt idő, mikor úgy használta hogy akku helyett 4 db Li-Ion 2600 mA/h-ás akkut kötött be. Be lehetett vele indítani, de természetesen az önindító nem működött.
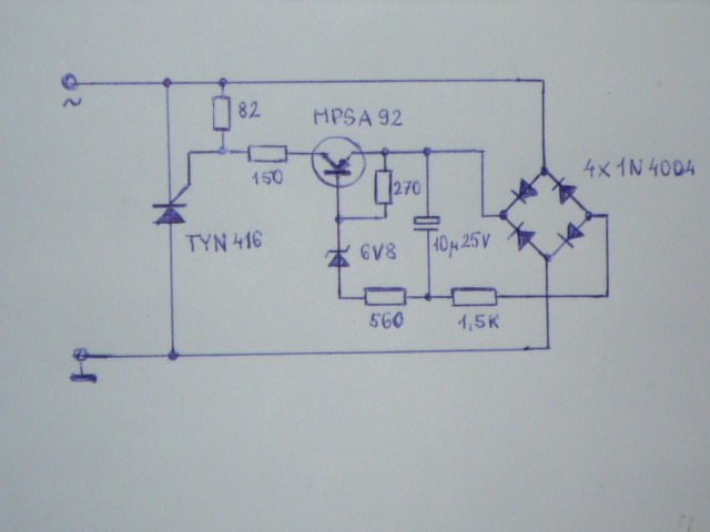
Szia ITI47!
Először is elnézést kérek, hogy ilyen későn jelentkezek újra, de csak most sikerült megépítenem az általad küldött váltóáramú feszültség szabályzót.(kép) Az lett a problémám, hogy sehol sem találtam TYN416-os tirisztort. BT152-600-ast (600V 20A) forrasztottam be helyette, illetve a kondenzátor nem 25V 10uF, hanem 35V10uF. Dolgozik szépen, a 80W-os gyújtást 30W-os izzóval terheltem, de 8,5V fölé nem engedi a feszültséget. Valószínű, hogy a tirisztor nem megfelelő, 5 perc alatt kb. 60-70 fokra melegedett fel. A Gizmo feszültség szabályzójában amit szétszedtünk, TYN410-es van. Próbálkozzak esetleg 400V 12A-ost szerezni?
A tirisztor megteszi. A kapcsolásban levő zener feszültsége lehet kicsi.
Kicsit hűtsd meg a tirisztort. Ha emeled a feszültséget, csökkenni fog a melegedés is. A hozzászólás módosítva: Jún 6, 2018
Szia Epu2!
Kicsit hűtsd meg a tirisztort. Ha emeled a feszültséget, csökkenni fog a melegedés is. Ez nagyon is logikus. 12 és 14V közötti feszültséghez milyen zenert javasolsz?
Találtam itthon egy ZPY24V-os zener diódát. Kicseréltem, de sajnos semmi változás. Terhelés nélkül alapjáraton 8,6V, maximális fordulaton 10,5V. Bekapcsolt izzókkal (25+5)30W-os terhelésnél alapjáraton 7,5V, maximális fordulaton 8,5V. (A gyári feszültség szabályzónál ugyanezzel a terheléssel alapjáraton 11V, maximális fordulaton 12,6V-ot mértem) Ha valakinek van ötlete, szívesen meghallgatnám.
Szia!
Azt a kapcsolási rajzot, amit feltettem ide, egy, a neten lévő rajzból készítettem hogy jobban átláthatóbb, egyszerűbb legyen. Én nem építettem meg, ezért nem tudom hogy mi lenne a jó megoldás. Én egy telejesen más irányba mentem, mert amit kaptam a barátomtól, egy 6W-os ledes izzót, azzal csináltam meg a világításomat. Nappal is vakítóan fehér fényt ad. Annyira egyszerű az elektronikája hogy nem hiszitek el. Már 2 hónapja használom, tökéletes a fénye, nincs vele semmi gondom. Mindössze 3 alkatrészból áll, meg a hűtő alulemezből. 300 Ft-ból meg lehet csinálni, amíg élek, ki fog szolgálni. Így néz ki, amit ma ratam össze: |
Bejelentkezés
Hirdetés |
















