Fórum témák
» Több friss téma |
Köszönöm mindenki segítségét. Most már tökéletesen működik a teszter.
Üdv!
Újra elhalálozott egy teszterem. A hiba, hogy hibásnak jelez mindent. Két csúcs (1-3) között több, mint 11 megaohmot mér és ennyi. A menü rendszerében pedig lépked rendesen, bekapcsol, kikapcsol- ismeretlen vagy hibás alkatrészt ír ki tesztelés során. Esetleg valami javaslat?
Valószínű az ATmega328 elhalálozott. GND-hez képest mérd meg a bemenő pontokat.
Hali!
Mit mértél vele utoljára? Feltöltött kondi esetleg? Akkor szerintem is proci.
Igen, esélyes a dolog.
(,de nem elsőre ment tönkre. Előtte nap már párszor művelt hasonlót, akkor mérőzsinor kontaktra fogtam és multival is ellenőriztem pl. tranzisztort. Így jártam...) A hozzászólás módosítva: Feb 18, 2018
A kailrálás rendesen lefut, jelez is ki valami értékeket.
Természetesen majd, ha lesz másik proci kicserélem és megpróbálom rátölteni a szoftvert.
Sziasztok.
Olyan gondom van, ha a teszterhez grafikus kijelzőt illesztek, az enkodert nem kezeli. Tud valaki segíteni? Trunk 1.31 verzióról van szó.
Most uton vagyok,de emlékeim szerint a makefile-ban kell variálni hogy ne a PD1 PD3-at használja az encoder.
Hint for ATmega 328:
If you connect a rotary encoder to PD2/PD3, please connect the module's /CS to PD5 and set LCD_CS in config_328.h (applies to graphic displays). Otherwise the rotary encoder would screw up the display by interfering with the data bus.
Én a PD2-PD3-at használom, és így nem jó!
Sziasztok!
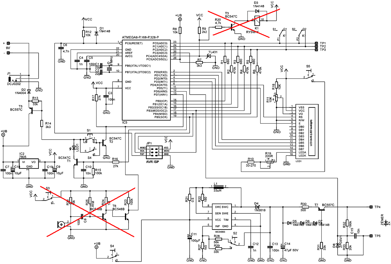
Nemrég vettem egy ilyen tesztert. Érdeklődnék, hogy melyik sw-t érdemes letölteni rá? A mostani sajnos nem mér tirisztort meg triakot. Illetve kiegészíteném nehány dologgal pl. Zener mérés. Ehhez elég ha raepitem a cikkben tárgyalt kiegészítést a mostani panelre vagy kell más is? Milyen egyéb funkciókkal lehet még okosítani ezt a verziót? Köszi!
Szia!
Ez is mér tirisztort és triakot, de csak alacsony gate áramúakat, ezen nem változtat semmit az újabb sw.
Azt sejtettem, hogy az ökölnyi nagy orosz tirisztort nem fogja megmérni, de egy BT151-et vagy TIC206-ot illene szerintem.
Közben nagyjából végignyálaztam az előzményeket és úgyahogy képbe kerültem a lehetőségekkel. Előkerült közben az avr égetőm is, meg tettem rá programozó tüskéket.
A nyomógombra is elmegy a feszültség 8.6V.Ha a nyomógombot megnyomom a nyomógomb lábain 3,6V van.
Idézet: „AVR nélkül is meg kellene lennie az 5V-nak mindenhol?” AVR nélkül is. A T5 az automata kikapcsolásért felel.Viszont , ha az ic2 bemenetére fixen rákötöd a 9v ot , akkor igen lenni kell 5v nak mindenhol ahol a rajz jelöli. Nézd át a szerkezeted , mert ez olyan kapcsolás, ami bolond biztosan szokott indulni.Egy két aprólékos beállítás, vagy a kijelző fényerő beállítás szokott gond lenni.De ezen kívül semmi egyéb.Tehát valamit hibáztál , és azért nincs meg az az 5v neked.
Szia!
Rákötöttem a 9V-ot fixen.Most mindenhol 7,7V van.Az 5V-os stab lábán is.
Valamint a piros led így folyamatosan világít.Ha állítom a kontraszt potit akkor csak kockák jelennek meg.
Hát az 5v os stab kimenetén +5v nak kellene lenni , és nem 7.7v nak.A kijelző , és az atmega között az adatvonalak biztos hogy jól vannak.És hát kérdés még itt az atmegában a tartalom , hogy jó e az egyáltalán.Melyik verzió lett megépítve, és melyik nyák terv stb.Nem ártana kép is a készülékedről hátha mi észre veszünk valamit , ami esetleg elkerülte a figyelmedet.De én még mindig azt mondom, hogy valami szerelési hiba lehet még mindig.
az 5V stab gnd-je nem szakadt a betáphoz képest?
Sziasztok!
Az lenne a kérdésem, hogy miért nem lehet zener diódát mérni?A DC Konverter tipusa LT1930 mivel smd alkatrészekből készítettem.Köszi előre is.
Hiába teszek a mérőpontok közé zenert, nem mér semmit.
Idézet: „D8 nem kell bele.” Miért is nem? D8 az ATMEGA bemenetét védi túlfeszültség ellen! Normál esetben egyébként valóban max. 4V lehet a PC3 lábon. A hozzászólás módosítva: Aug 22, 2018
A TP4 és a TP5 pontok között van feszültség?
A menüben sem találom a zener opciót.Vagy nem kell arra állítani?
|
Bejelentkezés
Hirdetés |













