Fórum témák
» Több friss téma |
Fórum » Csöves erősítő készítése
Ne feledd betartani a fórum viselkedési szabályait, és a topik megmaradásának feltételeit. [link]
A téma átmenetileg fagyasztva lett, hozzászólni nem tudsz!
Az a DC blokkoló minek? Hogy lehet egyenáram a hálózaton? Nálunk az utcasarkon van egy trafó ami úgytudom, hogy a 230 V-ot állítja elő a lakosságnak. Annak nem kellene ezt a DC feszültséget leválasztania? Vagy honnan kerülhet rá egyáltalán?
Például ha a hajszárítót fél teljesítményre kapcsolom van hogy felzúg az egyik transzformátorom, mert csak egyutasan vesz fel áramot.
Hm, a saját fórumot kell olvasni, minek ismételjem?
Aki nem dolgozik toroidokkal, annak nem is tűnik fel, hogy ilyen probléma létezik. Nekem a 120VA toroidnál is időnként, napszakonként fellépő jelenség.
Nekem van egy toroidom, de nem hallom, hogy zúgna. De az is lehet, hoghy a zene elnyomja. A zúgást. Majd ezentúl figyelek rá, hogy vacakol-e. Jó az a fórum, amit linkeltél. A kollegák részletesen írnak. Ki fogom vesézni.
.....
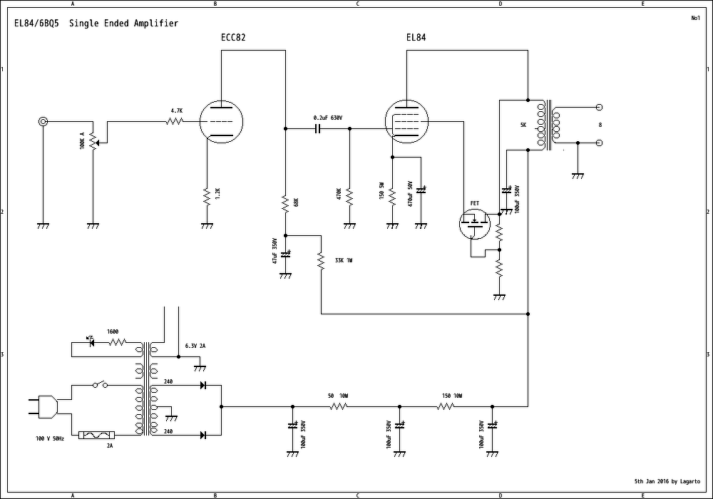
Van előírás a két katód ellenállásra vagy az érték lehet azonos?
Erről vélemény? Mit tipusú FET-et ajánlotok?
Mivel ugyanaz az áram folyik át mindkettőn, ezért miért kellene más érték?
1.) Miután rendszerint az anódtáp sem stabil (követi az elektromos hálózat ingadozását) a segédrácsfesz. stabilizálásából lényegében csak hátrány származik
2.) ECC-féle csövet teljesítménypentódás katódkövetővel hajtani??? Ezt a hülyeséget hol találták ki?
Ez egy kaszkód kapcsolás...
Így a két cső eltérő munkapontban is működhet, általában az alsó triódát szokták nagyobb meredekségű munkapontba állítani, ekkor ott az anódfesz is alacsonyabb lesz, az össz erősítés pedig magasabb. (Ilyenkor az alsó katódellenállás kisebb, mint a felső.) A kérdés inkább, hogy mire akarja használni, mert jó nagyot erősít a kimenete pedig nem igazán terhelhető... A hozzászólás módosítva: Aug 27, 2018
Viszont... régi álmoskönyvek szerint az eltérő munkapontú kaszkód torzításterméke cifrább. Emiatt, és mivel a csöves hangtechnikában csak kisjelű (miki, phono...) előerősítő fokozatokban használatos, mégis gyakran találkozunk egyforma beállítással.
Ne haragudj de a 2. ponttal nagyon nem értek egyet mivel ha jól megnézed ez egy UL végfok olyan kimenővel aminek ehhez nincs leágazása
1.) Érdekes módon ennek ellenére a jól ismert APX 100-ban stabilizálták a végcsövek segédrácsfeszültségét... Miért???
Ezt tényleg benéztem (pizzasütés közben
), viszont szerintem ez akkor ultralineár, amikor én a ... Bármi is legyen odaírva, éppen a lényege hiányzik belőle! Pont azt nem tudja, amiért fel lett találva. David Hafler forog a sírjában... A hozzászólás módosítva: Aug 27, 2018
Gityóhoz használná (élete első csöves kombójához, 2xEBL21).
Most akkor jól megmondtuk neki, hogy igen/nem ![]() Két éve is nagyjából itt tartott, sokat segítettünk rajta... A hozzászólás módosítva: Aug 27, 2018
Nem arról van szó hogy mit tanultam hanem száz másik ennél is fontosabb dolgom volt. 9V-ról már csináltam egy példányt. Eredmény: anyám átjött szólni hogy nem hallja a tévét.
Idézet: „Gityóhoz használná” Az másik műfaj És ott fokozottan érvényes, hogy akinek nincs hozzá füle, véletlenül sem tud jót csinálni. Talán ezen a fórumon többet tudnak neki segíteni. A hozzászólás módosítva: Aug 27, 2018
Miért mi a baj ezzel a szellemes kapcsolással? Benne van a segédrácsra ható NFB DC-ben pedig figyelembe veszi hogy sok többrácsos cső a második rácsán az anódfeszültségnél kisebb feszültséget igényel...Akkor???
A segédrácsfesz stabilizálása igenis kifejezetten előnyös a legtöbb esetben, nyilván nem azon a szinten persze, hogy az anódfesz 10-15 százalékos csökkenése esetén meglendüljön rajta az áram és kiforduljon magából a szerencsétlen "csű". Az anódáram lényegében a segédrácsfesz nagyságától függ "beállított csőnél", ezáltal stabilizálódik a kimeneti teljesítmény is (nagyjából). A zavarvédettség is nagymértékben megnő, hiszen a segédrácsra jutó akármilyen modulációs termékek, zavarok elég kellemetlenül megjelenhetnek az anódon is (elsősorban persze együteműnél, az anódnak viszont értelemszerűen kiváló a zavarvédettsége). Műszaki megvalósítása sokkal egyszerűbb, mint a teljes táp stabilizálása majdnem olyan eredménnyel.
(követi az elektromos hálózat ingadozását) No ne máá!! Vagy 3 különböző időállandójú DC tápnáll követésről beszélünk?
Általában sugártetródáknál fontos a stabil G2. Iparilag is csinálják a gyártók. Lehet vitatkozni. A hozzászólás módosítva: Aug 27, 2018
Majd ha analizálod a torzítását, kiderül, mire jó a gyakorlatban.
Akkor jó
Általában a katódkövető alacsony torzítású fokozat amivel itt az anódfeszültség leosztott részét "áramerősítjük", nem???Kíváncsi lennék Te milyen, tökéletes erősítő(ke)t hallgatsz??? A hozzászólás módosítva: Aug 27, 2018
Idézet: „Általában sugártetródáknál fontos a stabil G2” A felhasználástól függ, mennyire fontos. Hangerősítőben 1000 fontosabb dolog van...
Akkora időállandó nincs a tápban, ami a délelőtti 210 V-ot kiegyenlítené a délutáni 240 V-al...
Na éppen ez a lényeg: nem tökéletes erősítőt akarok csinálni, hanem zenehallgatásra alkalmas rendszert - a tökéletestől nyilvánvalóan távol álló elemekből. Amíg a lényegtelen részletekben, "frappáns megoldásokon" agyaltam, esélyem sem volt rá...
Köszönöm a választ. Megmondtad a tuttit
De akkor miért kötsz bele mindenki más ötletébe/kapcsolásába??? A hozzászólás módosítva: Aug 27, 2018
Idézet: „3 különböző időállandójú DC tápnáll követésről beszélünk?” Egyetlen fokozatról volt szó - ha annak 3 különböző időállandójú tápja van, a tervező menjen inkább utcát seperni
A "rossz időszakkal" nem tudsz mit csinálni... olyankor egy korrekt stab.tápos tranyós teljesítményerősítővel felépített rendszer hangminősége is borzasztóan vissza tud esni. Következésképpen nem a feszültségingadozáson múlik a dolog! Csinálhatunk szűrőt, "hálózati kondicionálót" megehetjük a zokninkat - csak a kikapcsológomb segít. Esetleg olyan zene, ami még ezt is elbírja.
|
Bejelentkezés
Hirdetés |






), viszont szerintem ez akkor ultralineár, amikor én a ... Bármi is legyen odaírva, éppen a lényege hiányzik belőle! Pont azt nem tudja, amiért fel lett találva. David Hafler forog a sírjában... 
De akkor miért kötsz bele mindenki más ötletébe/kapcsolásába???
