Fórum témák
» Több friss téma |
Fórum » Csöves erősítő készítése
Ne feledd betartani a fórum viselkedési szabályait, és a topik megmaradásának feltételeit. [link]
A téma átmenetileg fagyasztva lett, hozzászólni nem tudsz!
Mivel én fogom használni, nem fog megtéveszteni. Előlapi kijelző is ad tájékoztatás róla.
Magnót, tunert sem használok, ha mégis szeretnék, AUX1 és AUX2 lehetőséget ad csatlakoztatásukra.
Elkészült az hangerőszabályzó helyettesítés ellenállásosztóval. Először fémréteg 0.6W Yageo fémréteg ellenállásokból, de az a változat nem bizonyult jobbnak a korábbi kínai DACT klón szabályzónál. Kellemetlen élességet kapott tőle a középtartomány. Másodjára egyszerű 0.25W-os szénréteg ellenállással próbálkoztam. Ez sokkal szebben muzsikál
![]() Kérdésem, hogy ha tudom hogy fix -15dB gyengítéssel kívánom a fejhallgató erősítőt használni, akkor az általam alkalmazott megoldás az optimális (bemeneti jel csökkentése ellenállásosztóval), vagy a csöves erősítő más részén érdemesebb a változtatást végezni? (Kimenő trafós erősítőről van szó, csatornánként 1-1 ECC89 és 5654W csővel.) A hozzászólás módosítva: Nov 5, 2018
Elég ha a bemenetét piszkálod.
Dobj bele Dale RN-55/RN60 ellenállásokat, de a legjobb ha maradna a poti ![]() Ha már foglalkozol vele, faragj bele egy kék Alps-ot a régi poti helyett.Szerintem.
Hello,
Egy gondolom buta kerdes de nem ertek hozza ezert kerdezlek titeket, illetve a neten sem talaltam ertheto valaszt a kerdesembre. Szoval van egy erosito amiben egy darab ECL86 van es annak a helyere tehetek egy EL84-et? fog az ugy mukodni, vagy mas a ket cso labkiosztasa es mukodese?
Az ECL86 az egy trióda-pentóda, az EL84 pedig egy szimpla pentóda. Semmiképpen sem jó helyette. Szerintem Józsi véletlenül elnézte a kérdésedet, azért írta hibásan.
Ha nincs más, az ECL86 kimenőjéhez használhatsz EL84-et, de ahhoz kell valami meghajtás is még, ECC83 pl.
Üdv!
Ha véletlenül az EL84-es megoldás a szimpatikus, akkor kiszebra Kolléga tanácsa szerint ilyen is lehet. Az ECL86 kimenője működni tud vele.
Kérjük, hogy a folyamatos OFF-ot fejezzétek be.
Elkészült a phono előfok is hozzá. Végfok dobozába már nem fért volna bele, zaj (zavarok) szempontból sem lett volna jó megoldás.
A hozzászólás módosítva: Nov 9, 2018
6N16B
A hozzászólás módosítva: Nov 10, 2018
Gratulálok hozzá! Jó látni ha valaki színvonalas alkotást tesz közzé!
Így néz ki egy gondosan átgondolt és kivitelezett elektronika!
Gratulálok! Gyönyörűség.
4,5 kOhm primer ellenállású PP kimenőtrafó milyen végcsövekhez lehet megfelelő?
Nálam van gyári AN kimenő 4.3k - 6550, KT88-hoz biztosan jó, a 4.5k is jó kell legyen.
Főleg, ha az áram terhelhetőség is passzol.
Csöves PP dobozolását csinálom, fakeret és a fedél kész.
Előlap bemarásába, készítettem el, sárgarézlemezre az előlap feliratozását. Poti gombjában piros LED jelzi a késleltetett anódfeszültség megjelenését. A hozzászólás módosítva: Nov 24, 2018
Köszönöm. Teljes doboz kivitelezése, látványa lesz döntő. Hátlap is elkészült.
A hozzászólás módosítva: Nov 24, 2018
Vezérlőegységet beépítettem, jól működik, lassan jön a többi is..
Jól néz ki az a VFD kijelző, néha én is elgondolkozok egyen.
LCD nem ennyire kontrasztos, még hiányzik a plexi mögül a szűrő, ami még jobban kiemeli..
Szerencsére kompatibilis a kivezetéseik, így cserélhető, LCD -re is. (Sajnos kb. 5x drágább.) A hozzászólás módosítva: Nov 25, 2018
Sziasztok!van egy melodia M-10 rádióm.Lehetne ebből csöves erősítőt építeni,
Ez így egy csöves erősítő + rádió. Van értelme szétszedni, vagy inkább agy ahogy van használod a hátsó bemeneténél fogva erősítőnek. Amúgy a kérdésedre a válasz:igen lehet az EL84 és az EABC80 csövek felhasználásával,de akár az EF89 is jó lehet az EL84 elé.
Esetleg tudnál nekem linkelni kapcsolási rajzot? Csak a nyák van meg az alkatrészekkel csövet szereznem kell.Csak az erősitő része érdekel.köszi
A gyári kapcsolási rajzban ott van minden.
De ha kéred akkor kivágom a képből mit is kell nézned.
Oksa.Légyszives.köszi.
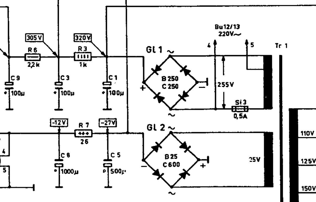
Itt a kép.
Ez minden lényegi részt tartalmaz, meg némi sallangot a bemeneten, de mivel a gyári rajzból vágtam ki úgy akartam kivágni hogy mindent láss ami kellhet.
A részlet a Braun CSV13-as elektroncsöves erősítő kapcsolási rajzából származik. A gépet után szeretném építeni és a hálózati transzformátor tekercselésénél tartok.
A doksi alapján 255V AC-ból lesz 320V DC és 25V AC-ból 27V DC tápfeszültség. Érdeklődnék, hogy ez hogy jön ki? Jól gondolom, hogy a szelén egyenirányító többe ejt? Én szilícium diódákkal tervezek egyenirányítani, így a 320V-hoz DC-ben szerintem elég kéne legyen 320/1,41 ~ 227V. |
Bejelentkezés
Hirdetés |










De ha kéred akkor kivágom a képből mit is kell nézned. 

