Fórum témák
» Több friss téma |
Fórum » Füstgép építése házilag
Ezt nem tudtam, hogy csak addig fűt... Akkor mindegy, de ha úgylesz majd egyszer kipróbálom.
Az a bimetál annyira van hangolva, ha olyan a kialakítása, akkor azon lehet állítani, hogy melegebb legyen.
Üdv. Mindenkinek! Olyan gondom lenne hogy van használt füstgépem ami tökéletesen működik de kiakartam takarítani a port belőle Kikapcsolt állapotban a szívó csőbe kompresszorral bele fújtam utána gép bekapcs. Majd pedig nem szívja fel a folyadékot a gép hanem bugyborékol a folyadék mintha vissza felé dolgozna a szivattyú! Valami megoldás erre!
Segítséget előre is köszönöm!
Hello
Szerintem kinyìrtad a pumpa membránját így minimum szervíz 6000Ft vagy új pumpa 8000től normális erős vagy a fölött!Én pumpát cserélnék inkább és 20százalékos ecet 25százalék deszt víz utánna csak deszt. víz üzemben, a csere után, a legjobb tisztítási módszer szetintem, mert a füstgép tulajdonképpen egy nagy kávéfőző!A nagy nyomás a pumpának a bemenetén tuti nem tett jót neki a pumpa csak visszafelé zárja a nagy nyomást befele nem bírja ez tuti! Remélem segítettem majd irj mi lett a vége. Szeva A hozzászólás módosítva: Ápr 18, 2016
Fel kell tölteni a csövet homokkal, vagy viasszal, esetleg vízzel, ha jól le tudja zárni a végét, és akkor nem fog megtörni.
Amikor kerestem sehol nem találtam csak 5000Ft felett. A napokban láttam itt HE-n, ezt a hirdetést, lehet érdemes lenne benevezned rá: Bővebben: Link
Sziasztok!
Kaptam egy használt ütött-kopott füstgépet. Sajnos a felfűtés után nem történik semmi. Ha megnyomom a távirányító gombját a pumpa csak halkan zúg, és nem csinál semmi. Mi lehet a baja? Hogyan lehetne életet lehelni bele? Előre is köszönöm! Üdv Péter
Szia! Várd meg míg kihűl, hogy meg ne égetsd magad, utánna üritsd ki a tartályt, és szedd ki a pumpát. Az a pumpa úgy működik, hogy egy elektromágneses szelep zár és nyit. Szét lehet szedni, jegyezd meg minden ki darabját mi hova megy, és takarítsd ki szépen, és a csővezetékeket is. Utánna ajánlatos megpróbálni a pumpát beszerelés előtt, hogy felszívja e a vizet, vagy egyáltalán nincs-e eldugulva. Ha nincs eldugulva, és beszeled de mégsem fog jönni a füst akkor a kazán van eldugulva. A gyári kazánok végén van egy szűkitő, azt is le lehet szedni, és kitakarítani.
Szia!
Köszi szépen. Hétvégén nekiesek. Ha kész visszajelzek. Köszi! Szép napot!
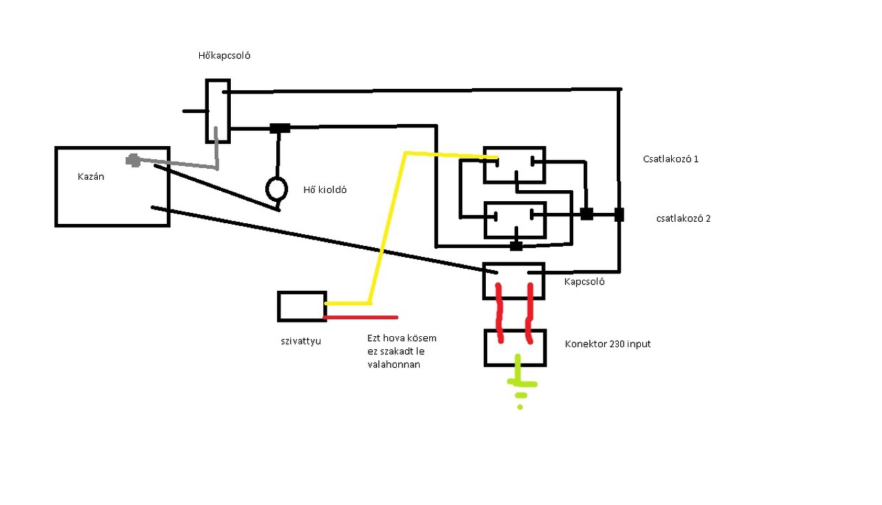
Sziasztok!
Kaptam javításra egy dune fog 1200 a szivattyú egyik vezetéke le van szakadva. Meg szét volt szedve a szivattyúja én azt össze raktam. A képen be karikáztam a leszakadt véget. meg csináltam egy bekötési rajzot a huzalozás alapján. A hozzászólás módosítva: Nov 30, 2016
A visszarajzolásból visszakövetkeztetve a működésére:
- 230 V-ot megkapja, onnan megy a kapcsolóra. - Kapcsolótól kazán hőkapcsoló, hőkioldó, kazán (logikusnak tűnik). Azaz bekapcsolva melegen tartja a kazánt. Ami a szivattyút illeti, a rajzod szerint akkor kellene a füstképző anyagot pumpálnia, ha a "vezetékes/vezeték nélküli" távirányitótól erre parancsot kap (két csatlakozó mama, párhuzamosan). Ez meg csak akkor teljesül, ha "nullát" kap a szivattyú. Az meg a kapcsoló bal felső sarka. Elvileg látni is lehet hogy honnan tört le... Mellesleg nekem nem tetszik ez a rajz, különös tekintettel a távirányitók csatlakozóinak bekötésére (érintésvédelem). Ezt azért átnézném még egyszer.
Távirányítónak nincs föld. Meg át nézem még egyszer a huzalozását.
Meg a csatlakozók lábát le zsugor csövezem. A hozzászólás módosítva: Nov 30, 2016
Szia bekötöttem a füstgépet meg máma kipróbáltam működik.
Preparáltam egy távirányítót hogy ki tudjam próbálni. Köszönöm a segítséget. A hozzászólás módosítva: Dec 1, 2016
Üdv!
Elég régóta olvasgatok az oldalon és a témában szerintem már az összes hozzászólást végigolvastam. Bele szeretnék fogni én is egy saját home made füstgépbe. rejtettlapmas tervéből vettem az ötletet, de sajnos én nem nagyon tudtam aluminiumot szerezni ezért maradnék az ólmos megoldásnál. Kinek mi a vélemény erről, mi célja van, mennyire hatékony? Úgy szeretném megoldani, hogy a fűtőszál(1850W, mosógép fűtőszál) kivehető legyen vagyis nem öntöm rá az ólmot csak köré. 5m 5X-1mm-es rézcsövet szeretnék feltekerni, de félek, hogy túl lógna a tekercs a fűtőszálon és nincs elég idő/hely a szublimálásra. A fűtőszál 65mm széles és 220mm hosszú ami köré még jönne az ólom. Pumpám kettő is van nem tudom melyik kerül majd beépítésre az egyik egy 12V-os ablakmosó pumpa a másik egy 230-as membrános pumpa ami a mosógép vízleszívója volt. Én a mosógépből való pumpát szeretném felhasználni mivel az membrános, de nem tudom milyen nyomással dolgozik, valaki esetleg ebben is tudna segíteni?
Szia! Megtisztelő, hogy az én megoldásomat láttad legjobbnak a megvalósításra!
Tanácsként azt tudom mondani, hogy a lényeg, hogy az egész fűtőszál-ólom-feltekert cső egység minél szorosabb kontaktusban legyenek egymással és minél egységesebb "tömböt" alkossanak a legjobb hő átadás érdekében. Tehát, ha nem akarod beleönteni az ólmot, akkor is a lehető legnagyobb felületen kell, hogy érintkezzen (szorosan) a fűtőszál és a cső, valamint az ólom! Így lesz a leghatékonyabb! Ha sok a légrés benne, akkor nehezebb lesz a hőátadás, tehát lasabban melegszik fel a cső és könnyebben visszahűl, amikor a hideg folyadék beleáramlik. Ha pedig az egész kazán egység nem tartalmaz elég fémet, akkor pedig nem lesz elég hőtartása és így is könnyen visszahűl! Ebben gondolkozz az összeállításnál. Szivattyúnak szerintem nem jó az autó ablakmosó, bár én is avval kezdtem, de aztán beláttam, hogy gyenge és később beszereztem egy membrános kávégép szivattyút. A mosógépé, amit te mondtál, nem tudom milyen lehet, bár szerintem ott nincs szükség nagy víznyomásra. A membrán szerepe ott szerintem csak a víz visszaáramlásának megakadályozása miatt van!
Füstgépbe a termosztátot hány fokra szoktátok állitani mert nekem most fel van tekerve maxra 300 cfokra
Sziasztok! Van egy Antari F80-Z füstgépem és a szivattyúja nem nyomja jól az anyagot, így vettem használtan. Nem tudna valaki küldeni egy ábrát, hogy hogyan kell összeszerelni a szivatyu alkatrészeit rendesen? Mert nekem az a gyanúm hogy belepiszkáltak és nem jól rakták össze, pedig nemhinném hogy baj volt a szivattyúval, mert a termosztát volt kuka benne.
Sziasztok!!!
Martin Junior 700-as füstgépbe keresek kazánt,vagy hasonló teljesítményűt 1200 W-ig!!!
Sziasztok!
Tönkrement a gőztisztítónkban a vízpumpa. Gondoltam veszek bele egy másikat, de sehol sem találok olyat. Nemigazán értek hozzá és gondoltam megkérdezem a hozááértőktől, hogy amit találtam az jó lehet-e. Nem tudom gond-e ha más a vége. Ilyen van most benne, A3 típusú. Ilyet találtam ami hasonló specü. A hozzászólás módosítva: Márc 9, 2017
Sziasztok!
ZF1000 típusú füstgépem kazánjában szakadt lett a fűtőszál. Sajnálnám kidobni, ezért ki szeretném cserélni benne. Ha veszek bele fűtőszálat, a hőközlést mivel oldjam meg? Marassam ki belőle a régit, majd az újat betéve öntsem ki ólommal? Vagy van más szintetikus ragasztó esetleg, ami jó hőátadó képességgel bír? Paszta Visszaolvastam, és ólmot, vagy olvasztott alumíniumot használtak páran. Fűtőszál Ilyen méretű van benne. Ha valaki tudna olcsóbb beszerzési forrást, hálás lennék. Köszönöm szépen! A hozzászólás módosítva: Szept 18, 2018
Sziasztok!
Van egy Eurloite BN-150 füstgépem. Jól működött, de kb 1 évet állt és most mikor bekapcsoltam kb 10mp után kikapcsolt a fütés és semmire sem reagál. Tavaly előtt is volt szervízben, akkor levegőt szívott be és ugyanezt produkálta. Lehet most is belevegősödött és a védelem lekapcsolta? A főkapcsoló sem világít. Tudtok valami megoldást erre? Köszönöm!
Ha a főkapcsoló sem világít, akkor próbáld ki másik tápkábellel. Ha van egy kis szerelési érzéked, akkor a kábelcsatlakozó alatti biztosítékot is megnézheted. Ha levegőt szív be, annak a felfűtéshez semmi köze nincs.
Csak hétvégén tudom majd megnézni, de kösz a tippet.
Tehát ha netán levegőt szív attól úgyanúgy kell fűtenie? Akkor nem tudom mit szervizeltek rajta tavaly 10e Ft-ért.
Szerintem szivattyút cseréltek benne. Ha levegőt szív az hallható, olyan mint amikor kifogy a folyadék, hangosan " kerreg " a szivattyú. Ha azt cseréltek, az reális összeg érte.
A füstgép úgy működik, hogy a fűtőszál felfűti a kazánt, és ha a kazán elég forró, csak akkor engedi a szivattyút dolgozni. Amint a beáramló folyadék visszahűti a kazánt leállítja a hőkapcsoló a szivattyút. A modernebb gépek képesek a szivattyú teljesítményét szabályozni, ezáltal változtatható a füstmennyiség. De mindegyik figyeli, hogy kellően forró-e a kazán. A Te gépednek is kell minimum 5-6 perc, hogy felfűtse a kazánt. Ezért kell elsőként megnézni van-e 230V, aztán ez a 230V rákapcsolódik-e a fűtőbetétre. Majd csak ezután jön a többi alkatrész vizsgálata. Vigyázz, mert a 230V veszélyes, ha nincsenek alapvető ismereteid ilyen téren, akkor inkább bízd szakemberre a hibafeltárást és a javítást.
Szia! Haverem öntött füstgép kazánt aluminiumból, nagyon vigyázni kell. Sajnos mindig eresztett a kazán, ezért nem is kísérletezett többet vele. Lehet jobban jársz ha veszel készen egy új kazánt.
A kazánnal nincs gond, a fűtőszálra kerestem valamilyen megoldást. Végül megvettem azt ami a linken van. Közben vásároltam egy új füstgépet is ami 3 használat alatt kétszer romlott el. Saját költségemen kellett eljuttatni a szervizbe ahonnan semmi visszajelzést nem kaptam. Váratlanul hívott a futár, hogy csomagom jött, és a javított füstgép volt az. BeamZ 1200 a típus. Szerintem nincs benne normális visszacsapó szelep, és nagyon gagyi, vicc kategóriás a szivattyúja.
Ezért megjavítom a régi gépet.
Sziasztok! Szükségem lenne egy gázfűtésű, akkumulátoros szivattyúval, vagy kézi pumpával táplált füstgépre. Csinált már valaki ilyet?
Hello!
Bár nem épp építéshez tartozik, inkább működtetéshez,de nem találtam infókat a neten a kérdésemre: A füstfolyadékok jelölése mit takar? P-2-D B-2-D C-2-D P (professional) E (extreme) C (standard) ... Jelen kifogyó folyadékom sűrű ködöt adott, de mivel lámpák helyett már lézert használok, kevésbé sűrű kéne, de hosszan tartó, hiszen nem az a cél, hogy minden színes legyen, hanem hogy látszanak a lézer sugarai, ugyanakkor ne köd legyen, csak pára. A light jelzésűre azt írják; max fotózáshoz, hamar elillan és gyenge. A medium sűrűbb, de hamar elillan az is, bár egyik oldalon ezt írják, másikon meg azt, hogy hosszan tartó, így akinem van tapasztalata ezek terén, örülnék, ha megosztaná velem. Köszönöm!
Sziasztok!
Inkább átköltözöm ide, mert igaz, hogy Kanthal huzal ami habvágó lenne de maga az én szerkezetem füstöt állít(ana majd) elő. Itt találjátok az egesznek az előéletét. Nagyvonalakban annyi a lényeg, hogy egy "elektromos cigaretta" elven működő " mini füstgep építése a cél! Valami ilyesmi lenne a kívánt cél! Jelen pillanatban eddig a Kanthal huzalom van meg és egy 4S pakkal teszteltem egy 30 és egy 60 centis darabot! 60 centi 16,4v 3,56A 4,1 Ohm 6 sec alatt melegedett vörösre 30 centi 16,4v 5,70A 2,3 Ohm 2 sec alatt fehéren izzott. Glicerinem csütörtökön jön meg! A hozzászólás módosítva: Júl 27, 2020
|
Bejelentkezés
Hirdetés |









Tanácsként azt tudom mondani, hogy a lényeg, hogy az egész fűtőszál-ólom-feltekert cső egység minél szorosabb kontaktusban legyenek egymással és minél egységesebb "tömböt" alkossanak a legjobb hő átadás érdekében. Tehát, ha nem akarod beleönteni az ólmot, akkor is a lehető legnagyobb felületen kell, hogy érintkezzen (szorosan) a fűtőszál és a cső, valamint az ólom! Így lesz a leghatékonyabb! Ha sok a légrés benne, akkor nehezebb lesz a hőátadás, tehát lasabban melegszik fel a cső és könnyebben visszahűl, amikor a hideg folyadék beleáramlik. Ha pedig az egész kazán egység nem tartalmaz elég fémet, akkor pedig nem lesz elég hőtartása és így is könnyen visszahűl! Ebben gondolkozz az összeállításnál. Szivattyúnak szerintem nem jó az autó ablakmosó, bár én is avval kezdtem, de aztán beláttam, hogy gyenge és később beszereztem egy membrános kávégép szivattyút. A mosógépé, amit te mondtál, nem tudom milyen lehet, bár szerintem ott nincs szükség nagy víznyomásra. A membrán szerepe ott szerintem csak a víz visszaáramlásának megakadályozása miatt van! 





