Fórum témák
» Több friss téma |
Semmi nem kritikus, lehető legegyszerűbb kialakítás megteszi ( mondjuk 555 időzítő )
Segítségeteket előre is megköszönöm.
Szia!
Ha arra gondoltál, hogy a H-híd bármelyik oldalát időzítve zárlatba akarod állítani, akkor vázold azt is, mi célból - hol lenne az az induktivitás egyáltalán. Egy skiccet tegyél fel erről. Első közelítésben erre a célra a H-híd felesleges, elég oda egy 555 vezérelte nagyáramú fet is, igazodva az induktivitásod áramához ( és a kiegészítők..). Így is előidézheted a " zárlatot".
Köszönőm a gyors reagálásodat !
Rajzolni már /pill. nincs időm, de lényege, hogy három sorbakötött induktivitásból a középsőt akarom H- hídba tenni ( kivezetéseit cserélgetve a 'szélső tekercsekhez ), miközben a középső tekercsnek kell a rövidzár. Kísérlet '' Köszönöm, tisztelettel.
Üdv, Mindenkinek is.
Mint említettem, ez egy kísérlet. Tulajdonképpen egy elektromágnes vasmagjának alternáló mozgását akarom a leghatékonyabban munkára fogni. Számoltam, méreteztem rengeteget, míg végtére arra az elhatározásra jutottam se képlet, se számolás, ezt ki kell próbálni. A mágneses körökről, működési fázisairól mellékelem vázlatrajzomat. Az L2 tekercs polaritásának váltásához- rövidzárásához gondoltam a H-hidat. Gondotam, mielőtt nekifogok tekercselni, megkérdezlek Titeket- nem- e 'agyrém az egész. Ha mégis az, akkor 'agyalásnak jó volt. Tisztelettel, és megköszönöm pro-kontra véleményeiteket. Idézet: Éppen ellentétes hatást fogsz elérni azzal, ha az elektromágnes tekercsét rövidre zárod.„egy elektromágnes vasmagjának alternáló mozgását akarom a leghatékonyabban munkára fogni.” A rajzodon a kettes és négyes fázis ábrázolása hibás. A rövidre zárt tekercsen nem folyik áram, nincs benne mágeses mező, közömbös lesz az alső és felső mágnesre, nem hat rá semmilyen vonzó vagy taszító erő (eltekintve a vasmag hatásától).
Köszönöm.
A rövidzár fenntartását addig annyi ideig gondoltam, amíg az L2 tekercs mágneses tere leépül- visszaépől. ????? No most akkor hogyan alakulnak közben az erőviszonyok. ???
A kérdés végülis az, hogy az L1, L3 tekercs hol lenne?
Ha csak az L2 terének a leépülése a kérdés, azt a híd szabadonfutó diódái megoldják és a 2 alsó vagy felső, stop helyzetben vezető fet vagy tranzisztor páros. Természetesen ez az idő így nem változtatható.
Üdv, és köszöntök Mindenkit.
Nos, hogy miben 'spekulálok, ahhoz mellékelem az elvi összeállítási vázlatot. Elméletem: ha egy 'nyitott ( légrés ) mágneses kör légrésének közepére elhelyezel egy lágyvasat, akkor az, ha picit elmozdítod, valamelyik mágneses pólus felé azonnal elindul. Alaphelyzet az, hogy a légrés szélein a mágneses pólusok azonosak, tehát taszítják egymást. Namost: ha ugyanebbe a mágneses térbe egy mágnest helyezek bele, az gondolkodás nélkül, bármilyen helyzetből azonnal elindul a neki kedvező pozicióba. Eddig igaz, mert a jelenség egyszerű ajtómágnesekkel összeállítva bármikor igazolható. ( megtettem ) Gondjaim ezután keletkeztek: Támadott ötletem, hogy ezeket a mágneseket elektromágnesekkel helyettesítem, és a légrésbe elhelyezett elektromágnes pólusait váltogatom, akkor az a gerjesztett lágyvasdarab hol ide - hol oda akar ugrálni. Még ez is 'megmagyarázható. És mi történik akkor, ha az a gerjesztett lágyvasdarab már már szélső helyzetben van kényszerítve, és ebben a pillanatban megfordítom mágneses pólusait azáltal, hogy a gerjesztő -gerjesztett tekercsét rövidre zárom, ( önindukció ) Utána pedig a gerjesztő tekercset fordítva kötöm rá a tápfeszre. ( H- híd ) Nos, ez már nem gond, hanem teljes káosz a fejemben. Ezért jutotam oda, hogy ezt ki kell próbálni. A kísérletnek mindenképpen eredménye lesz, mert ha 'jól sül el a dolog akkor büszke vállveregetéssel díjazom magamat, hameg nem- akkor megint tanultam valamit a 'villanyáramról. Tisztelettel
Nálam még nem világos a dolog, mert az írásodban nem látszik, mi történik az L1, L3 tekercsekkel időben.
AZ L2-ről írsz több esetben is ( gerjesztő, gerjesztett...), de közben L1, L3 állapota hanyagolva van.. Előző beírásomban leírtam, mikor van rövidzárva az L2: amikor stop helyzetben van a H-híd. Az már tőled függ, mikor milyen állapotot idézel elő a 3 tekercs esetében és erre egy idődiagram kell, hogy jobban vagy jól lehessen látni, mit szeretnél. Elképzelhető 2 szinkronozva járatott híd is, ahol L1, L3 külön van kapcsoltatva L2-től, vagy cifrább esetben mindhárom tekercs is. Sok pillanatnyi variáció lehet, nem ragozom. É-D ( L1 ) - É-D ( L2 ) - É- D ( L3 ) É-D ( L1 ) - vas ( L2 ) - É- D ( L3 ) É-D ( L1 ) - D-É ( L2 ) - É- D ( L3 ) ... és közben nem nyúltam még L1..L3-hoz..
Köszönöm.
Hát, ez a kérdés- gond mint említéd, hogyakkor mi történik, mi zajlik le az L1, L3 tekercsben, mágneses körében ? Előző gondolatmenetemben vázoltak szerint az "ugráló vasmag szélső helyzetében történő polaritás váltásakor létrejön egy taszítóerő, de ekkor ehhez mit 'szól a két szélső induktivitás. ?? Szélső helyzetben ugyan nyertem 'taszíítóerőt, de ezt valahol el kell veszítenem ! ( energiamegmaradás ) De az már számomra eredmény, ha az 'ugráló lágyvasdarab szélső helyzetéből kimozdul ( rövidzár ) pillanatában. Nos, hogy még egyszerűbbben átlátható legyen 'spekulációm, ezért: - képzeljél el egy egyszerű 'paker dugattyús motort, aminek a hengerét ide-oda mozgatja a hajtókar, meg a főtengely forgása - támadott ötletem szerint ebből a helyzetből ki akarom zárni a hajtókart főtengellyel együtt, és a dugattyú kényszermozgatását kizárólag a mágneses terekre bízni. ?????? És ekkor mi zajlik le a 'szélső elektromágneses körökben ???
Szerintem lépkedd végig gondolatban és magadnak ábrázolva ( leírva ), milyen és hány állapot lehet vagy legyen.
"Lelassítva" nagyjából végig tudod vinni, a max gyorsaságba pedig beszól majd a tömeg és a mechanika. Nyilván L1, L3-at is neked kell közben vezérelni, a semmitől nem fog ide-oda mozogni L2. Utána jönne a hogyan.
IGEN !!!!!!!! mind igaz.
................ de most megint visszajutottam alapkérdésemhez a " rövidrezárt H- hídhoz Mint említéd, mostmár több is kellene ! Ugyan van- e értelme kísérletezéssel folytatni, avagy az 'agyament gondolatmenetet zárjam le. ????? Tisztelettel
Már 2x írtam: "Stop" állapotban rövidre van zárva a motor, ill. nálad az L2.
Kénytelen leszel gondolkozni és kísérletezni.
Ok, köszönöm, tudom jobban értesz az egészhez, de hiszem ha látom, ezért a kísérlet mellett döntöttem. Visszatérek ezért alapkérdésemhez:
" szükségem lenne egy olyan vezérlő áramkörre, amely a H- hidat meghatározott/szabályozható ideig ÖSSZEZÁRJA ! " Frekvencia: 20- 100 Hz. Összezárás ideje: 0,5- 5,0 milisec.( állítható ) Folyó áramok: 0,8 A max. Eredményéről mindenképpen beszámolok. ( de az áramkör mindenképpen nagy segítség lenne ) Tisztelettel, köszönettel
Köszöntök Mindenkit tisztelettel 'ismeg !
Témámban nagy csend van, mi történik ? Ne az 'agyament elméletem legyen fő a témámban, hanem a kért segítség: "" szükségem lenne egy olyan vezérlő áramkörre, amely a H- hidat meghatározott/szabályozható ideig ÖSSZEZÁRJA ! " Kísérletem eredményét én sem tudom, Ti sem értitek, -avagy nem akartok segíteni ? Tisztelettel
Úgy látom, nem nagyon értjük, mit is akarsz csinálni, ill. elérni.
Megpróbálom mégegyszer leírni, hogyan kezdjél hozzá a témádhoz. Építs meg egy H-hidat - gondolom, ehhez már találtál megfelelő kapcsolást a képek között. L2 helyére tegyél 2 izzót, soros diódákkal, hogy lásd az "irányt". Kapcsolókkal vagy nyomógombbal oldd meg a két irány, ill. a stop helyzet beállítását. Ezt az illető rajz leírásánál megtalálod biztos ( bemenetek 1-1, 1-0, 0-1, 0-0). Ebből egyelőre a stop helyzet az érdekes, ami legyen pl. 0-0, amikor is az L2 rövidre lesz zárva, erről már írtam. Ha továbbra is csak kérdezel és nem állsz neki ezt kivitelezni, nincs értelme a témának. Ha eddig készen leszel, utána jönne az, hogy a kapcsolókkal beállítható vezérlő jeleket elektronikusan "felgyorsítsd" annyira, hogy a stop helyzet idejét tudd variálni ("Összezárás" ideje: 0,5- 5,0 ms, ekkor lenne L2 rövidre zárva! ). Itt már az izzók helyére beteheted az L2 tekercset, ami 0,8 ampert fogyasztana. Attól függően, milyen ciklussal akarod működtetni, a "program" futását neked kell megtervezni. Ehhez kell majd szinkronoznod L1, L3 működtetését, természetesen külön meghajtással.
Sziasztok!
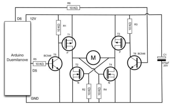
Megépítettem a képen látható H-hidas kapcsolást IRF9540 és IRL540 NBPF MOSFET-ek, és BC548-as tranzisztorok felhasználásával, illetve tettem rá egy AVR alapú PWM-et. Alapvetően szépen teszi a dolgát, a problémám az vele, hogy a 12V-os motor kapcsai között 100%-os kitöltésnél (1 kHz PWM frekvencia mellett), 12V helyett csak 8,5V körüli feszültség mérhető, ennek megfelelően a teljesítménye is kisebb. A tranzisztor után még megvan a 12V. Lehetséges, hogy a MOSFET-ek nyitásához szükséges feszültség hiányzik? Ezek ilyen 2-4V körüli értékek, azzal kijönne a matek. Ilyen esetekben lenne érdemes a logic level FET-eket használni? A hozzászólás módosítva: Aug 28, 2019
Nagyon úgy néz ki, hogy alulra logic-NFET illene. Persze a nyitófeszültség áramfüggő. (mellesleg 100%-nál nincs PWM freki ugye
Olvasgattam már párszor az IRL540 adatlapját, de az eddig sosem tűnt fel hogy ez Logic FET. Mostmár tudom hogy az L betűből fel kellett volna tűnnie. Tehát alul logic-NFET van.
Így viszont már eggyel érdekesebb, mert a helyzet ugyanaz, hiányzik 3,5 V, az NFET az adatlap szerint 1-2V között nyit, az áram 2A körül van A PFET nyitófeszültsége -2..-4 V az adatlap szerint. Ez ugye megvan akkor, amikor a tranzisztor bázisárama nem 0, tehát nem szakadt a FET gate-je. Ezzel a negatív feszültséggel hogyan kell számolni? Okoz valamilyen feszültségesést?
Hello!
- Nem kell logikai Fet mindenképpen. Mert mind két Fet vezérlését a 12V táp adja. Csak a tranyók kapnak 5V-os vezérlést. - Valami áramköri hiba van. De igazából nem korrekt az ilyen kapcsolás, átváltáskor kinyithat mind két Fet és ez akár le is gyilkolhatja Őket. - A negatív feszültséget úgy kell értelmezni, hogy a PFET forrásához képest a Gate negatív vezérlő feszültségű. A forrás pedig a +12V-on van, ehhez képest minden negatív feszültségű.
Alapvetően nem értem kristálytisztán, amit írtál, ha szépen teszi a dolgát az áramkör...
![]() 1., mivel mértél a motor kapcsain ( és a többi ponton ) ? 2., " a tranzisztor után még megvan a 12 V" - ez konkrétan hol értendő és megint: mivel mértél? - olyan, hogy a tranzisztor UTÁN 12 volt van, ez helytelen megfogalmazás. Ha az egyik BC kollektorán +12 volt van, akkor a másik elvileg teljesen nyitott ( vezérlés + ) és a p-fet szintén totál kinyit. Ugyanakkor ennek a drainjéről az átlóban alul lévő n-fet szintén kinyit, mert a gate-je a p-fet draintől közel +12 voltot kap. Ha van szkópod, kép kellene. Ha nincs, akkor kösd le a vezérlést, adjál az egyik tranyó 10 kohmra +5 voltot az arduino helyett, a másikat kösd gnd-re és úgy mérjél a motor kapcsain. Ebből meglátod, mennyire vannak kinyitva a fetek átlóban. Utána ugyanezt tedd meg fordítva. Maximális sebességgel megy a motorod jobba és balra. Itt és most mérhetsz multival, különben nem. Még annyit: ha tudod progizni az arduinot, írd át a "pwm"-et úgy, hogy pl. 30 sec bal irány és 30 sec jobb irány - mintha kézzel kapcsolnád át.. - nem kell szétkötni semmit és a multinak is van ideje DC-t mérni.. A hozzászólás módosítva: Aug 29, 2019
Idézet: „Alapvetően nem értem kristálytisztán,” Elég kezdő vagyok még, úgyhogy néha én sem, de próbálom elmagyarázni Idézet: „mivel mértél a motor kapcsain” Egyszerű multiméterrel. Később írod, hogy multiméterrel csak akkor mérhetek, ha nem használom a PWM-et. Ennek mi az oka? A 2-es pontnál amit írtam az marhaság valóban. A tranzisztor CE feszültségét mértem meg ami 12V lett mivel nyitva volt. Nem tudom mit akartam kihozni belőle őszintén... Szkópom nincsen, megmértem PWM nélkül 5V-al a motor kivezetéseit, egyik irányba 7.5V a másik irányba 5V körüli értéket mértem. Sajnos könnyen lehet, hogy az előtted hozzászóló kollégának lesz igaza és áramköri hiba lesz benne, mivel a FET-ek eléggé melegedtek, vagy lehet, hogy már sokat kaptak az eddigi kísérletezgetések közben, előfordulhat, hogy volt egy kis félrekötés. A lényeg akkor hogy ennek a kapcsolásnak ha a rajz szerint van összerakva, ezzekkel az alkatrészekkel, tudnia kellene a kimenetén a 12V-ot?
A multiméterrel átlagot mérsz és pwm üzemben becsap.
Csináld meg, amit leírtam és akkor tiszta dc jut a motorra: egyik oldal totál nyitva fent, a másik pedig átlósan lent kinyitva. Ha az egyik BC-t kinyitod, a kollektora gnd-t kapcsol a felette lévő p-fet gate-re, amitől az is teljesen kinyit ( - Ugs: 11,.. V ). Ugyanakkor a nyitott p-fetről átlósan az alsó n-fet gate kap +11,... voltot, amitől pedig az nyit ki és a motorod 11,.. voltot kap így. Gondold át... mintha két átlós kapcsolót bekapcsolnál. A hozzászólás módosítva: Aug 29, 2019
Az ardu kimenet helyett kapcsolj a D5 helyre +5 voltot, a D6-ra pedig gnd-t és mérjél.
Ha ezzel megvagy, fordítva ugyanezeket.
A fetek rövid idejű összenyitása miatti melegedés természetesen lehetséges, de ezt programból korrigálhatod.
Idézet: „Gondold át... mintha két átlós kapcsolót bekapcsolnál.” A H-híd működési elvével nincsen gond részemről, értem, hogy működik, meg mit kell hova kötni, kísérletezek vele már majdnem egy hónapja. Az nem volt tiszta, hogy multiméterrel nem jó PWM-et mérni. Amit írtál megcsináltam, mint írtam az előbb, és az egyik irányba 7,5V-ot mértem a másik irányba 5V-ot a motor kapcsain. Szándékosan nem csináltam hirtelen irányváltást, hogy ne nyissanak össze a FET-ek, de még így is melegedtek. Ezért gondolom, hogy valami elkötés van, vagy egyéb probléma. Ezért kérdeztem, hogy elméletileg ennek a kapcsolásnak tudnia kellene-e a 12V-ot.
Valamit biztos nem jól kötöttél.
Az utolsó, amit még megtehetsz: pl. a bal felső p-fet gate menjen a gnd-re, a jobb alsó n-fet gate pedig a +12 voltra. A másik 2 fetet vedd ki és adj az áramkörre 12 voltot. Ekkor hány volt lesz a motorodon?
Átnéztem a bekötéseket elméletileg minden jó. Úgy tűnik viszont, hogy a 4-ből 2 FET döglött, azokat ki is vettem a rendszerből. A másik 2 akár tranzisztoron keresztül akár a gate-k direktbe kötésével csak 8,75V-ot ad a motornak
Rajzold le a pillanatnyi bekötést direkt üzemben, ardu nélkül.
|
Bejelentkezés
Hirdetés |











