Fórum témák
» Több friss téma |
Szia, köszönööm a választ. Igaz így gondolataim megint uj utakon kezdenek el járni, mert rá kell hangolódnom a te logikádra, ugye tothbela-val ez már majdnem sikerült, egy apró részletet szerettem volan tisztázni vele. Esetleg te tudnál válaszolni a neki címzett kérdésemre?
Melyik kérdésről van szó?
Ez volt az utolsó kérdésem hozzá, lehet érdemes picit visszább olvasni, hogy egyértelmű legyen a kerdésem.
Köszönöm
Egyre ritkábban sikerül PC elé ülni, így nem tudom lerajzolni. Bár szerintem Karesz mindent leírt.
Szerintem is leírtam mindent, vagy pedig nem értem pontosan mit nem értesz.
Béla: köszönöm a gratulációt, de nem még szolgáltam rá.
Idézet: „Ha feszültség generátoros meghajtást alkalmazunk, akkor kapjuk a legnagyobb sávszélességet és a legkisebb THD-t, TIM-et, IMD-t, anyámtyúkját.” Miért? Tehát a tothbela-s szál ahol lemaradtam, így kezdődött a kérdésem: Idézet: „ Az erősítő szemszögéből pedig a minél kisebb értékű lenne a megfelelő, mert azt nem terheli az erősítő bemenete annyira. A végfok, jelen esetben JLH bemeneti tranzisztorának bázisához kapcsolódó elmék terhelést jelentenek a potméter csúszkájára. Ehhez még hozzájön a bázisáram nem lineáris összetevője, ami nagy ellenállású forrásról meghajtva szintén torzítás forrása lehet. ” Ezt nem értem még annyira. Miért lesz kisebb a terhelése a potméternek, ha aza potméter kisebb értékü? Megköszönöm ha ezt még elmagyarázza nekem valaki szájba rágósan majd így folytatódott: Idézet: „Ha egy 1kOhmos potmétert követ egy 10kOhmos terhelés, az hallhatóan nem befolyásol semmit, de ha ugyanez a 10kOhmos terhelést egy 10MOhmos potira tesszük, igen csak a visszaesik a jel.” Ez világos a forrás felől nézve értem. De erősítő felől azt írtad, minél kisebb annál jobb. Ha a 10MOhm-ot terhelem 10k-val vagy 1k-val, akkor az 1k-n méginkább visszaesik a jel, nem? Nem tudom hogy így érthető-e a kérdésem? Lehet ehhez már tényleg rajzolni kellene, hogy világosabb legyen. A hozzászólás módosítva: Jan 6, 2019
Rajzoltam, hogy szemléltessem milyen hatással van a generátor ellenállás változtatása egy erősítő átviteli tulajdonságaira. A valóságban minden fokozatnak van egy optimális lezáró és egy optimális generátor ellenállása. Tehát nem kell ebből azt a következtetést leszűrni, hogy az ideális generátor ellenállásnak nulla Ohm-osnak kell lennie. Optimálisnak kell lennie.
Hogy mi az "optimális"? Ez jó kérdés, mert a "paraméterek" olyanok, hogy egymás ellen dolgoznak. Pl. a torzítás a sávszélesség ellen, a lezáró impedancia az impulzus átvitel ellen... stb. Ilyenkor szoktuk azt csinálni ("tudományos alapon"), hogy meghallgatjuk így is, meg úgy is és amelyik szebben szól azt a változatot hagyjuk meg véglegesnek. Mondjuk egészen addig, míg a lánc valamelyik tagját másra nem cseréjük. Ekkor egy más beállításban fog másképp szólni. Az ábrák jól szemléltetik, hogy a nagyobb generátor ellenállásnál nő a THD és romlik a fázistartalék, de előfordulhat, hogy javul az impulzus átvitel. A nagyobb generátor ellenállás a nagyobb értékű hangerőszabályzó jelenti. És itt megint egymás ellen dolgoznak a paraméterek, mert a nagyobb ellenállásértékű poti viszont kevésbé terheli az azt meghajtó fokozatot (az előerősítőt) ez meg neki kellemes. Erre szoktuk azt tanácsolni, hogy a hangerőszabályzó poti ne legyen 10 kOhm-nál kisebb, vagy 50 kOhm-nál nagyobb. (Kivételek persze itt is lehetnek.)
Sziasztok.
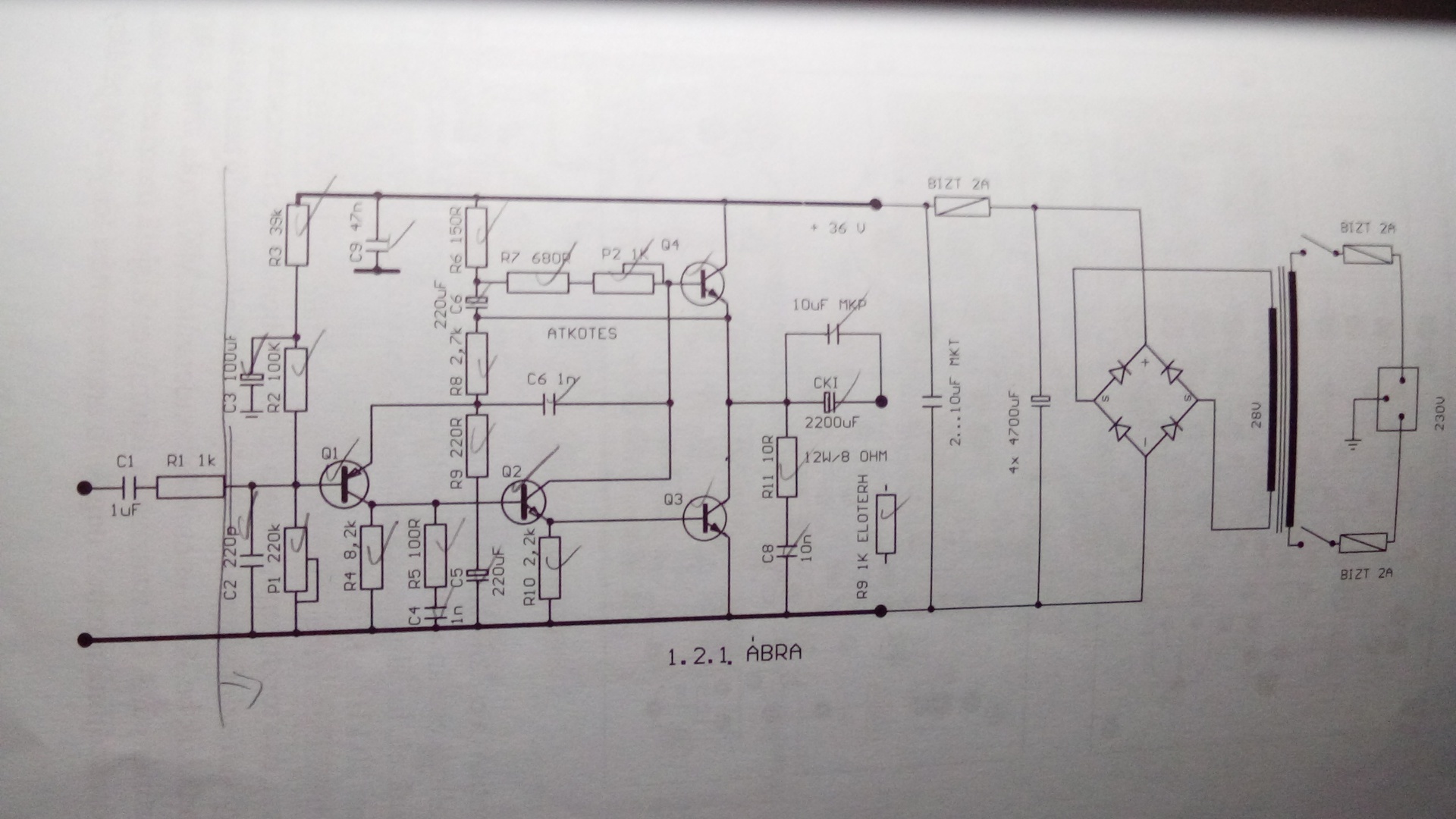
Megépítettem ezt az erősítőt jelenleg TIP3055 ös végtranzisztorok vannak benne, maga a kapcsolás az Ágoston könyvből. A probléma az lenne, hogy sikerült beállítani a nyugalmi áramot 1.2 A re kb 37 v-on és ez így is marad addig amíg nem érkezik bemenő jel. Miest adok neki valami jelet az áram leesik kb a felére 0.6 amperre. A kicsataló kondi előtt viszont nem féltápfeszt mérek hanem mikor 1.2 amper folyik (jel nélkül) kb 6 voltot mikor jelet adok neki (0.6 emper folyik) 30 voltot. És hiába tekergetem a munkapontbeállító potit semmire nem reagál.
Szia! Linkeld be azt a kapcsolást, NYÁK-tervet és fotózd le amit építettél!
Ez lenne a kapcsolás, annyi módosótással hogy a c1 r1 tag el van hagyva. Nem nyákra építettem még meg hanem először csak igy a levegőben.
A C1 nem hagyható el. Tehetsz oda elkót is, csak a pozitív a Q1 bázis felé nézzen.
Köszönöm szépen a segítséget reloop. Megcsináltam és végre hibátlanul működik gyönyörű hangja van viszont van egy kis alap bugás/gerjedés de az válószínű a 0 árnyékolt kábel használat miatt van és elég rossz minőségűek is a csatlakozók, de ezt majd orvoslom. Rettenetesen melegszik, ezért az áramot kicsit visszább vettem kb 0.85 A re így is gyönyörűen szól, elégedett vagyok ezzel a kapcsolással.
A melegedés az teljesen normális. Ez az "A" osztály hozadéka. A nyugalmi áram csökkentése csak hirtelen fájdalomcsillapító, a végleges megoldás a megfelelő hűtés. Csökkentett nyugalmi árammal kicsit nagyobb hangerőn megjelenik a torzítás.
Igen kezdem én is észre venni szóval a következő lépés, hogy átalakítom valahogy a hűtést nagyobbra.
Nem biztos hogy nagyobb hűtés kell, mert a hideg erősítőkhöz szokott kezünk ok nélkül hiheti hogy túl forró valami. Nem gond ha a végtranzisztorokban a szilíciumlap 100 fokos. Bár nem tettek a lapka mellé hőmérőt, de a hőellenállások összeadásával megsaccolható. Egy 50 fokos borda már nem tapogatható percekig, de még messze nem forró egy JLH-nak. Tranzisztoronként 20-25W disszipációnál 20-25 fok esik ha 1Celziusz/W a hőellenállás. Legfeljebb ekkora a tokozás és a lapka közötti bőellenállás, valamint egy szigetelő alátét is ilyen értékű, vagy jobb. Egy 2n3055 még szilikonos szürke alátéttel is legfeljebb 50 fokkal lesz melegebb (a belső lapka) a bordától. Ezért ha 150 fokban limitáljuk a lapka hőmérsékletét, 100 fokig mehetne a borda a tranzisztor környékén. Ez alatt pedig még tartalék is van. A borda nem megy felé, akkor nincs mitől tartani. Meg kell mérni a borda hőmérsékletét, majd lassan emelni az üzemi áramot. A trafót is figyelni kell, mert érhetnek meglepetések.
Köszöm. Igen a tarfóval kapcsolatba értek meglepetések kb forróbb volt mint a borda igaz hogy ez csak próbaképpen egy 90 w os trafó volt de már ki is cseréltem egy jóval nagyobbra. Kicsit ezzen nagyobb lesz a feszültség kb 44 volt, de a könyv szerint ez még bőven belefér.
Bár valóban a 2N3055 lapka hőmérséklete elviekben felmehet 200 fokig, de mi értelme? Mi értelme az alkatrészeket végletekig gyötörni? A munkahelyemen többször is előfordult, hogy egy motorvezérlő áramkör meghalt. Minden esetben az egyik nagy teljesítményű félvezető halt el. Az inverter 0-24 órában üzemelt, és tűzforró volt. Végül az elektroműszerész kollégának elege lett a dologból, egy jóval testesebb borda, és egy ventillátor volt a megoldás. Az "A" osztályú erősítő melegszik, ez tény. Az is tény, hogy a legjobb formáját akkor hozza, ha a tranyó burkolata cca. 60-70 fok. Ekkor még a bordák nem okoznak égési sérüléseket, és a félvezető is nagyon sokáig működőképes marad. Mert a félvezetőknek is van egy termikus kifáradásuk, amikor tönkre mennek. Egy Shugden erősítő tranzisztorainak pl. 70 fok az ajánlott hőmérséklet. Ezzel a hőmérséklettel az igen csak öregecske BDY37 tranyók a mai napig üzemelnek. Ha pl. a fentebb említett 100 fok a hűtőborda, kérdem én, hogy tartja távol ezt a meleget a doboz belsejétől, hogy óvja meg a kondikat a kiszáradástól, hogy biztosítja az egyenirányítók, a trafók hűtését? No és hogy magyarázza meg a kisgyereknek, hogy ha apa zenét hallgat, akkor azbesztkesztyűben babráljon az erősítő környékén.
Inkább alacsonyabb szekunder-feszültségű trafót keresnék. Hűtés-pufferelés miatt nagyon elszaladhatnak a költségek, miközben ezek az erősítők pár száz mW kimeneti teljesítménycsúcsok mellett élik le az életüket.
Valaha én is 24 VAC-vel kezdtem, aztán váltottam 19 VAC-re, mígnem ezzel a készülékkel elkezdtem naplózni az éppen hallgatott műsorok hangszóróra juttatott teljesítményét. A leszűrt tanulság alapján a legutóbbi JLH69-be 13 VAC szekunderű trafó került. Az általa 8 Ω-ra leadott 3,5 W teljesítmény egyáltalán nem lebecsülendő! ( trafó igény 100 VA, csatornánként tenyérnyi hűtőborda, a sztereó erősítő 30 W-ot fogyaszt )
Természetesen nem kell 200 fokig elvinni a lapka hőmérsékletét, de ha a borda 50 fokos, az még nem gond.
Olvasom amit írtál, hát talán szilveszterkor lett volna kissé kevés ez a teljesítmény. Vagy talán még akkor sem. Kíváncsiságból meghallgattam a High Hopes számot a Pink Floyd-tól olyan hangerővel, ahogy azt már hangosabbnak minősítem. 7V-ot két pillanatra érte el a csúcsfeszültség. Ez 8 Ohmos hangsugárzóknál 3+3W. Hangszín szabályzót nem használok, a kiegészítő mélyláda nem volt bekapcsolva.
Egyelőre nincs más szóval kipróbálom ezzel a trafóval, de ezek szerint akkor valószínű, hogy be fogok ruházni egyre, mert 24VAC-s sem annál kisebb trafóm nincs itthon sajnos. Most ezzel a trfóval 8200 mikro farad pufferelést terveztem oldalanként arról mi a véleményed? Meg hidegítő kondenzátorok kellenek-e?
Az "A" erősítő osztályban ahány amper a nyugalmi áram, annyiszor 10000 µF puffert használok.
A hidegítő kondi nálam nem vált be, mások viszont használják és nem panaszkodnak rá. Nem nagy költség, próbáld ki!
Van egy jó lehetőség. A szünetmentesek trafójának szekunder feszültsége ca. 17V körüli, amelyik 12V-os akkut tölt, illetve használ. Ezek, amikkel én találkoztam középleágazású - pl. 2x17V - tekercselésúek. Ilyen trafót/hibás szünetmentest nem nehéz és drága beszerezni.
A hozzászólás módosítva: Jan 14, 2019
Rendben kondenzátor van itthon bőven szóval pakolok még akkor hozzá. Kb 1.2 amperes nyugalmi áramot tervezek ez a max amihez még elég a hűtőborda, de ha haladok vele mindenképpen beszámolok az eredményekről.
Köszönöm ez jó ötlet utána nézek majd.
A kapcsolás működési elvéből következik, hogy a legnagyobb kimenő áram ideális félvezetőkkel sem lehet több mint a nyugalmi áram kétszerese. A valós összefüggés alapján a nyugalmi áram értéke a tápfeszültség osztva a terhelőellenállás (hangsugárzó impedancia) 2,8-szorosával. Ettől eltérő paraméterek mellett a leadható legnagyobb teljesítmény és a disszipáció aránya romlik, magyarán feleslegesen fűtesz el wattokat.
Elirigyeltem a JLH kimeneti fokozatát. Na jó... ez nem pontosan így történt, hanem másképp. A nyáron még pwm-et akartam tervezni és meg is vettem hozzá 10 db IRFB4019-et. De közben az történt, hogy mégis sokkal jobban szól a félhullámú végfokom a pwm-nél, így egyelőre (vagy végleg?) maradok az analógnál. De ezek az IRFB4019-ek nagyon fürge kis végfetek, hát kezdeni kell velük valamit. Másfél éve nem terveztem végfokot, tehát már éppen itt az ideje. Most sokakban felmerül a kérdés, hogy egyáltalán minek kell a mai világban erősítőt tervezni, amikor a neten millió kapcsolás kering. Megszállottságból. Megszokásból. Csak úgy, magamnak. Mert egyik kapcsolás sem tetszik.
Most azt gondoltam ki (tényleg hosszas töprengés után), hogy leírom elejétől a végéig az erősítőtervezés menetét. Akinek kedve van nyugodtan hozzászólhat (Tóth Bélától ezt kapásból el is várom, mert vele már sokat törpöltünk különböző dolgokon és Ő sokkal okosabb is nálamnál). A másik dolog ami miatt fontosnak tartom leírni, az a szimulátor. Sokan vélekednek úgy, hogy semmire nem jó, hogy használhatatlan. Éppen ezért rengeteg szimulációt és rengeteg mérést szeretnék majd közzétenni és éppen ezért átmegyek az egésszel az "Erősítő építése elejétől a végéig" topicba - újat nyitni emiatt felesleges, az mintha erre lenne kitalálva. Csak akkor írok, ha időm és kedvem van... ennyit erről. Maga a végfok már kicsit előrehaladottabb állapotban van, legyártattam hozzá egy kísérleti nyákot amit a végére halálosan össze fogok barmolni. Egyszer már majdnem kidobtam, de aztán ijedtében mégis egész jól kezdett viselkedni. Az is lehet, hogy semmi nem lesz az egészből, de ez ritkán szokott előfordulni. Nem tudom, hogy fog szólni, a mostani "csúcsmodellem" a félhullámúnak elnevezett végfok, ehhez fogom majd viszonyítani a hangját. Ennek a neve "BD 60" lesz ("Burts Day 60"), mert hatvanadik születésnapomra kellene elkészülnie, tehát még van rá bő két hónapom, de ez nem törvény. És most a másik topic-ban folytatom... |
Bejelentkezés
Hirdetés |


















