Fórum témák
» Több friss téma |
Megvan a -30V is a kijelző égett be.. Itt van pár kép melyen nem látszik rendesen mert olyan mintha jó lenne de a valóságban sokkal rosszabbul látni csak a kamera felerősíti..Valószínű nonstop mehetett rajta valami rádióállomás az égette be a dvd ikonjai teljesen jók..
Sajna ijenem nincs, megnéztem a dobozomba.
Nehéz ilyet találni..Lehet megfűtöm azt úgy marad csak lehessen látni a számokat valamennyire..
Sziasztok
Dolgozott már valamelyikötök 74HC595 shift regiszterrel? Egy VFD órát szeretnék építeni az alábbi rajz szerint. Szeretnék életet adni valami régi DG10B csöveknek. A táp meg van oldva, a programra lenne szükségem, ami kiírná óra-perc-másodperc egy RTC-ről és hőmérséklet egy DS18B20-ról. Csak alapfogalmaim vannak az arduino programozásról. Ezen okból kifolyólag fizetek a programért vagy más módon viszonozom a fáradtságot.
Üdv
Szeretném utánépíteni az órádat. Segítenél ?
Három kérdésem lenne:
1. A pénztárgép és az angolzászlós kijelzővel épített órák, milyen processzorral és milyen kijelző meghajtóval vannak építve? 2. Ha ide tudnád adni a programokat is? 3. Ha esetleg tudnál módosítani a programon? Tisztelettel, János
Mind a kettő fel van téve a fórumba. 16F628-as pic vezérli mindkettőt. 16Fua3-as kijelzőre keress rá.Bővebben: Linkez a pénztárgép kijelzős óra alapja.
A hozzászólás módosítva: Jan 29, 2019
A VFD kijelző meghajtáshoz nem elegendő szerintem 74HC595 Én MIC 5891-el oldottam meg a VFD órámat ez olyan mint a 74HC595 csak nagyobb feszültséget bír a kimenet(50Volt).
Bővebben:Bővebben: VFD
Sziasztok!
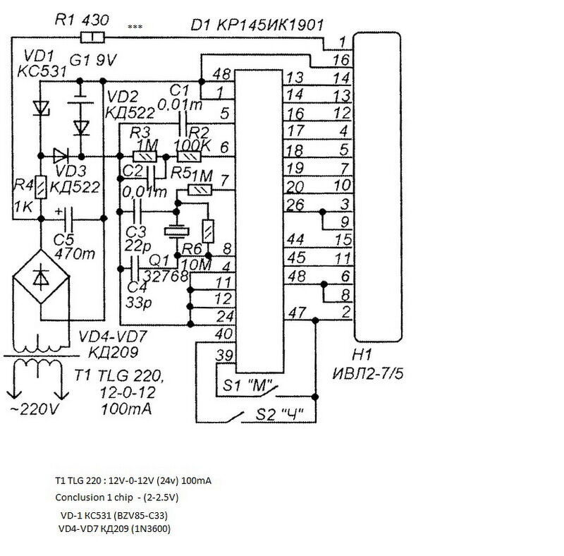
Életre keltettem egy orosz csöves órát. Szépen teszi a dolgát, viszonylag pontos is. Sajnos amint nem kap tápot elfelejti az időt. Tud valaki segíteni felokosítani az órát? Sajnos oroszul elég nehezen megy. kr145ik1901 típusú mikrovezérlő van benne.
Az adatlapot elolvasni, elolvasom szép lassan, csak nem igazán értem. Másolható a szöveg, google segít. Meg kell nézni mi történik akkor, ha az 1-es és 48-as lábat szétválasztod és hol egyiket, hol másikat leveszed a -27V-ról. Ha valamelyik állapotból visszatérve megmarad a beállított idő, akkor csak a 27V-os akksis táplálást kell megoldani, ha nincs betáp.
Vagy kidobod a belét és építesz a helyére egy modern mikrovezérlős órát RTC-vel.
Ugye visszaraktál belé minden alkatrészt? A 9 voltos elemről sem feledkeztél el? (sch2.jpg)
Jó reggelt!
Hogyan tudnám ezt a panelt kipróbálni? Mekkora Tápfeszültséget és hová kellene kötnöm a panelon? Tipusa ИВ 6-os
http://www.elektroncso.hu/cikkek/vfd.php
Vagy olvasd át ezt a témát!
Sziasztok!
Be szeretném üzemelni a képen látható kilyelzőt csak sajnos nincs a gépen párhuzamos port csak soros. adatlapot melékelem hozzá.
Ha jól értem az adatlapot, akkor ez szokásos, HD44780 kompatibilis kijelző.
Szerintem igen nem értek enyire hozzájuk.
Ránézésre szerintem is.
De nem értek hozzá.
Szabad tudni hol és mennyiért vesztegették ezt a kijelzőt?
Igen Balmazújvároson a lomisnál.Bővebben: Link látható pc házat hoztam el 2000 Ft-ért abban volt.
Van még ilyen pc gépház? Mert kompletten érdekelne, akár posta csomagautomata árát fizetve is. Régóta vadászok ilyen gépházat.
Sajnos ez az egy volt de ha lesz még akkor gondolok rád.
Csak a kilyelzőt kéne életrekeltenem valahogyan. A hozzászólás módosítva: Jún 23, 2019
Keress alaplapot amin van lpt port, és lcd smartie programmal meg megfelelő(valószínűleg 5V) táppal elindul. De ha visszadugod az eredeti helyére, meg tudod nézni hogy az 5 vagy a 12V ág adja-e neki a tápfeszültséget.
Lcd smartie meg még win10 alatt működik hibátlanul.
Rendelek egy LPT to USB kábelt képen láthatót életre tudom kelteni.
A hozzászólás módosítva: Jún 23, 2019
Szia!
Szereztem egy gépet amin van LPT port de nem csinál semmit. a fűtés az működik de felirat az sehogy se jön.
Sziasztok!
Sikerült életre keltenem a kilyelzőt nem futatam rendszergazdaként a programot.
Üdv!
FUTABA M202MD08A kijelzővel van valakinek tapasztalata? Sikerült bele életet lehelni, pl arduinoval vagy raspberryvel, esetleg LCD smartie-vel? Találtam egy ilyet, talán ez működhet, de mielőtt megveszem a kijelzőt, szeretnék biztosra menni, hogy tudom is majd használni, nem csak kidobott pénz lesz.
Szia! Ha küldsz lefordított hex/bin file-t, akkor kipróbálhatom, van ilyen kijelzőm.
|
Bejelentkezés
Hirdetés |

























