Fórum témák
» Több friss téma |
Sziasztok!
Szeretnék tanácsot kérni tőletek egy nagyon egyszerűnek tűnő kábeles problémára. A laptop:2016. januári asus N550JX-CN027D. Egy éve kezdődött az első gond az LCD kijelző szalagkábel a tető mozgatására elmozdult,kikopott vagy megtört lényeg hogy többször újra csatlakoztattam egy darabig jó volt aztán megint sötétbe borult,kicseréltem a szalagkábelt és rögzítettem a csatlakozót szilikon gumival plusz a gyári szivaccsal a hátlappal rányomva.Egy évig jó volt most megint előjött ugyan az ,próbáltam rögzíteni a zsanérhoz a kábelt,még egy szilikon gumit raktam a hátlapfedélhez de csak ideig óráig jó,és sajnos már nem csak a fedél mozgatásánál van gond váratlanul is lekapcsol a kijelző persze minden más megy.Láttam külföldi oldalakon többen is szenvednek vele,típus hiba lenne? most rendeltem megint egy új kábelt... (egy hónap még megjön)Mivel tudnám rögzíteni rendesen ezt a kábelt és a csatlakozót nincs valami tippetek ?
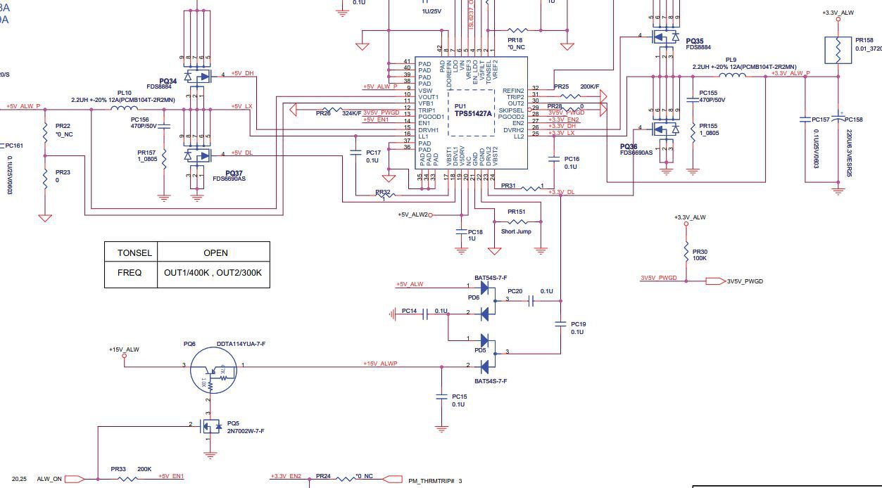
Sziasztok! Segítségre lenne szükségem. A csatolt képen látható áramkörben nincs meg a 15V ALW csak helyette 5,6V. Az ikerdiódákat, a 4db kondenzátort, PQ5 PQ6 tranzisztorokat is kimértem, minden hibátlan. Zárlat nincs az áramkörben sehol, valamint az 5V ALW és a 3.3V ALW is hibátlanul megvan. PC19 és PC20 közös pontja is csatlakozik PQ36 4-es lábára. Merre keresgéljek, vagy mi okozza ezt? Köszönöm.
A hozzászólás módosítva: Júl 13, 2019
Szia,
a 15V ALW máshonnan jön. A képen látható konverter csak az 5V és 3.3V-ot állítja elő. PQ6 melyik oldalán mérted az 5.6V-ot? PQ5 nincs nyitva? Gate-n mit mérsz? Üdv, János
PQ6 emitterén mértem az 5,6V-ot és ahogy a rajzon is fel van tüntetve ott 15V-nak kellene lennie. Az 5v-ból állitja elő a diódás feszültség négyszerező, PC19 és PC20 közös pontján lévő vezérléssel (szaggatással). PQ6 akár nyitva van, akár le van zárva, ennek a feszültségnek meg kellene lennie.
Ha nem titkos, feltöltenéd az egész doksit?
Meg is van. Akkor jelenik meg a feszültség ha a bekapcsoló gombot lenyomom. De sajnos igy sem kapcsol be a laptop, a visszajelzés nem gyullad ki hogy működne
Persze szivesen. Úgy tűnik az északi hidat már melegítették lehet hogy most is ez a baja, Holnap kiderül, felteszem gépre és reflow.
Van egy ASUS X54H laptopom. A leírásban az szerepel, hogy a bluetooth opcionális, így valószínűleg nincs benne. Többször próbáltam már bekapcsolni, kerestem BIOS-ban, Windows alatt, FN+F2 billentyűt nyomogattam (aminek rádiós ikonja van, de nem csinál semmit). Azért érdekelne, mert van egy bluetooth-os egerem és akkor nem kellene USB-re dugnom semmit.
Ami egy kicsit furcsa, hogy 2 antenna csatlakozó van. (main és aux)
Szia,
Miért fura a 2 antenna csatlakozó? Ez a normál felállás egy wifi kártyánál. Inkább a típusára keress rá, hogy tudja-e a bt-t. Gyanítom, nem. Ha opcionális, akkor vagy van még egy mini pci/pci-e slot szabadon, vagy hibrid kártyát kell venned.
Szia
Vagy e helyett raksz be egy bluetoothos kártyát. Mint ahogy én is tettem a pár éves HP gépembe. Innentől gépfüggő milyen kártya jó bele.
Szerintem ez csak Wifi. A két antenna miatt gondoltam, hogy esetleg lehet van bluetooth is.
Szóval ha veszek pl. egy ilyen kártyát, beteszem, várhatóan lesz wifi és bluetooth is?
Hali!
Ha a driverét is feltelepíted, bár újabb win ismerheti helyből...
Én letölteném a szervízkönyvét. Abban adnak ajánlást hogy melyik jó. Én először rosszat vettem, a HP8560-om hoz. Mini PCI-os volt, de a hardver nem tudta az új chipet. Egy kicsit régebbit kellett vennem, Az is tudott 5 GHz-t + bluetoothot, lehet, az AC sebessége volt más. Én Atheros chipeseket használok, ahhoz a Linuxosok megírják a Win drivereket is.
A hozzászólás módosítva: Aug 15, 2019
Végül azt az olcsót vettem, amit linkeltem. Most jött meg. Nagyon jól működik a wifi és a bluetooth is. Nem kért a Windows drivert.
Sziasztok. Van egy Lenovo B51-30 laptopom. Egy házi építésű erősítőt akartam próbálni jacket bedugtam és el kezdet pattogni a hangszóró és ki húztam és most a laptopon nem szól a hangszóró és a jack sem működik.Most lehet röhögni A jobb alsó sarokba a hangszóró jelnél van egy piros X. Szvl csak Bluetoothon tudok rajta pl zenét hallgatni. És meg szeretném csinálni de nem tudom hogy a hang kártya vagy a hangszóró a rossz. Hogy tudnám tesztelni vagy valami.
Üdv és szép napot
A jack amit bedugtál a laptopba mire volt kötve? Az erősítő bemenetére? Volt galvanikus elválasztás a laptop és az erősítő között?
A hozzászólás módosítva: Szept 5, 2019
Nem csak le van tiltva? A piros X azt is jelentheti, hogy levetted némára... Próbáld csak simán engedélyezni.
Nem volt galvanikusan leválasztva és földelés sem volt
Nem találok semmit. :/
A képek alapján sikerült kinyírnod a hangkártyád.
Ez igen, nem hiába "Zsolt a király az elektroba" ( idézet Tőled )!
A hozzászólás módosítva: Szept 5, 2019
Persze. Alaplapcsere. Ha szerencséd van és megtalálod az alaplapon a tönkrement alkatrészeket és még ki is tudod őket cserélni, akkor javíthatod is (ez esélytelen).
A legegyszerűbb, ha veszel egy USB hangkártyát és azt használod ezentúl.
Cseréled az audio IC-t.
A hozzászólás módosítva: Szept 5, 2019
Szia keress meg magánba, segítek a javításban.
Teljesen felesleges javítani, amikor pár eFt-ért használtan akár 7.1-es USB-s hangkártyát is vehetsz...
Nekem egyszer egy ismeretlen audió szoftver feltelepítése után csinált ilyet a lenovom. Újratelepítettem a gyári audio drivert és újra lett hangkártyám.
Ujra raktam a Windowst és igy sem lett jó.
A Windows újratelepítése a fizikai hibákat nem javítja!
Vezérlõpultba látható a hangeszköz?
Hanem akkor feleslegesen töltöd az idöt telepítgetéssel. Hardwer hiba az az audio codec csere. |
Bejelentkezés
Hirdetés |


















