Fórum témák
» Több friss téma |
Fórum » Kapcsolási rajzot keresek
Témaindító: Kallai Csaba, idő: Márc 11, 2006
Témakörök:
Sziasztok!
Egy kapcsolási rajzot keresek, csak nem tudom igazából hogy hívják,vagy milyen néven kellene keresnem. A lényege, hogy adott egy 10W körüli ledes fénycső armatúra a keresztlányom ágya felett felszerelve. Kitalálta, vagyis kérdezte, hogy lehet-e hozzá egy olyan elektronikát építeni, ami előtt ha elhúzza a kezét, akkor felkapcsol a lámpa, a következő elhúzásnál meg elalszik. Asztali lámpánál láttam ilyet múltkor, az így működött, de annyira nem figyeltem meg hogy hogy is van ez megcsinálva. Létezik ilyen kapcsolás? Vagy hogy lehetne megcsinálni minél kisebb méretben hogy esetleg beépíthető legyen az armatúrába? Kb így néz ki.
Valami olyasmi kell, mint a kézszárító automata.
Reflexiós infra optoval szokták.
Készen : >http://www.anrodiszlec.hu/index.php/cPath/282_156< lehet még érzékeny kapacitív érzékelővel is, de az nagyobb.
Kedves endrusz,
Kérlek, küld el nekem is a BRG HT220612T gépkönyvét/rajzát ha még lehetséges. Köszönöm, üdvözlettel, Lajos
Üdv!
Crown XLi 800 erősitő kapcsolási rajzát keresem. Tudna valaki segiteni ebben? Köszi előre is! Google nem segitett...
Sziasztok!
Valaki ismeri a Liitokala Lii-500 töltő belsejét? Milyen mikrovezérlő dolgozik benne? Esetleg kapcsolási rajz lenne róla? Megköszönném ha valaki jártas lenne ebben.
Sziasztok!
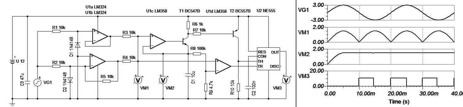
Azt szeretném kérdezni hogy, hogy lehet szinusz jelet négyszög jellé alakítani úgyhogy amikor a zéró szintet metszi akkor magasra váltson a kimenet és mikor a szinusz felér a csúcsra akkor a kimenet 0 legyen. Mint a mellékelt képen. Üdv, Attila
Hello! Én megrajzoltam, "analóg módon" hogyan lehet ezt megoldani. Bár némely dolgot elhallgattál. Pld. mekkora a jel frekvenciája, amplitúdója. Hogy ezek változnak-e és ha igen milyen tartományban. Mihez lesz a jel, mennyire szükséges az időbeli pontosság. De ha megépíted, majd megtudod, alkalmas-e arra amire szántad. De kicsit leírom hogyan kellene hogy működjön.
- Az U1a és U1b fokozat egy kétutas egyenirányító. Azért szükséges, mert a jel negatív félperiódusában is van teendőnk. - Az U1c egy csúcsegyenirányító. ennek két feladata van. Képzi a jel csúcsértékét és ennek 1/20-ra leosztott értékével (R8/R9) referenciát képezve detektáljuk U1d komparátor segítségével a nullpontot. Ez a jel billenti be az U2 RS tárolót. - Minden félperiódusban a csúcsérték után, az R8/R9 picit csökkenti a C1 csúcsfeszültségét. A következő félperiódusban, mikor a jel csúcsértéke magasabb mint a C1 értéke T1 újratölti a C1 kondit. Ezt a töltési pillanatot erősíti fel a T2 és visszabillenti az RS tárolót. Gond lehet, ha a jel túl gyorsan változik a jel, mert a C1-nek követni kell a feszültség csúcsértékét. Felfelé ez gyors, de lefelé a C1*(R8+R9) értéke fogja ezt meghatározni. Nos, kb. ennyi, amit nyújtani tudok. Az ábrán 3V csúcsértékű 50Hz-es jelet dolgoz fel az áramkör.
Szia. Nagyon szépen köszönöm a rajzot, nem szándékosan hallgattam el az említett dolgokat. Csak sajnos a neten alig kapni dokumentumokat amik segítenek megtervezni az elektronikát. Ez egy nyomtató mechanika, aminek ez az időzítést kiadó tekercse. A jelet a feldolgozás után egy avr fogja használni, hogy tudja mikor kell aktiválja a nyomtató fejben a tekercseket. Annyi információt kaptam csak még a leírásban hogy a feldolgozott jel periódusa kb. 0,6ms kéne legyen.
Ehhez nem igazán tudok hozzászólni, a 0,6ms az 1666Hz Így a C1 akár 470nF is lehet. Az LM324 sebessége nem végtelen, így némi késése lehet a jeleknek a bemenethez képest. De ha AVR van a rendszerben, lehet digitálisan lett volna célszerű megoldani a dolgot. (De ahhoz kérlek, hogy tőlem ne várj segítséget..)
Üdv mindenkinek.
Keresek egy analóg kapcsolást, amivel kettő darab párhuzamosan kötött, 12Voltos fénycső meghajtót (áramfelvételük egyenként 935mA, 11Wattos csővel) tudok ki- és bekapcsolni, attól függően hogy a lámpán elhelyezni kívánt ablak merre néz. Ezt úgy értem hogy egy UV-C lámpába lenne, és amikor ez a védelmi áramkör aktiválva van csak lefelé világítana, amikor elbillentem bármelyik irányba, egy bizonyos dőlésszögnél azonnal le kel hogy kapcsoljon. Már beszereztem négy darab higany kapcsolót, de a neten nem találtam hozzá kapcsolást, csak programozni való giroszkópos modulokat. A hozzászólás módosítva: Szept 18, 2019
Nagyon szépen köszönöm az idődet, ne haragudj hogy raboltam. Köszönöm a rajzot és a tanácsot.
Szia!
Ehhez nem kell semmi, csak egy bemenetre kell kötni (én is használom). Conrád-nál is van. A hozzászólás módosítva: Szept 18, 2019
Köszönöm, de higany kapcsolóm már van, nekem ahhoz kell kapcsolás hogy ne azokon fojjon a nagy áram.
Egy barátom azt mondta hogy sorba kell kötni a kis "üvegeket", és kell hozzá egy tranzisztor is, azonban konkrét kapcsolási rajzot nem adott.
Tranyón keresztül meghúz egy relé.
Idézet: „és amikor ez a védelmi áramkör aktiválva van” Ez milyen logikai szintet jelent ?
Ehhez meg van kapcsolás is.Bővebben: Link
Itt nincs kapcsolás, azt kell tudni hogy villamosan mi történik ha megdől a cucc.
+12V vagy 0V ???
Egy sima kulcsos kapcsolót, középső érintkező a tápra megy, a másik a dőléskapcsolón keresztül a fénycső elektronikákra, a harmadik pedig a fénycső meghajtókra közvetlenül, itthon nem feltétlenül kell "biztonsági" módra állítanom.
Bocsánat most nézem hogy nem a válasz gombra kattintottam, ezen válaszomat a logikai szint kérdésre küldtem. A hozzászólás módosítva: Szept 18, 2019
Ez így számomra nem világos, így akkor feladom.
Régebben építettem egy 8 Wattos UV-C lámpát amit mindig vittem az ásványbörzékre, azzal viszont mindig figyelnem kellett hogy miként tartom a kezemben.
A most építés előtt álló lámpában lesz védő elektronika, amivel automatikusan meg akadályozom hogy véletlenül bele világítsak mások szemébe (nem mintha előfordult volna, de az ördög nem alszik, jobb biztosra menni). A védő elektronikának igazából csak a börzéken lenne szerepe, itthon, illetve ásványgyűjtő túrán, ahol csak én vagyok jelen nincs jelentősége, ezért írtam hogy amikor aktiválva van, mert a kulcsos kapcsolóval tervezem megkerülni, ha épp nincs rá szükség. Viszont ez a "tranyón keresztül meghúz egy relé" megoldás érdekelne, hogy miként lehet kombinálni a higany kapcsoló sorral. Úgy értem, négy higany kapcsoló egy bizonyos dőlésszögbe beállítva, négy különböző irányban, amíg el nem döntöm a lámpát addig mind a négy zárja az áramkört.
Egy asztali fűtő-ventilátorban van egy mechanikus 10A.es kapcsoló. Csak egy pozícióban kapcsol be, illetve ki.
Üdv!
Lágyindító kapcsolást keresnék egy 6000va-es állítható toroidhoz, ha valakinek tud ne tartsa magába, köszönöm! A hozzászólás módosítva: Szept 19, 2019
Van itt egy ilyen téma, lehet hogy segít
A hozzászólás módosítva: Szept 19, 2019
Köszönöm, tökéletes.
Máris beszerzem a még hiányzó alkatrészeket. Használhatok esetleg más NPN tranzisztort is? Ilyenek vannak nekem bontottan.
Attól függ, hogy mennyi a relé áramfelvétele.
1. Tudod a relé feszültségét. "U" 2. Megméred a relé tekercs ellenállását. "R" 3. Áramerősség "I" Ohm törvény : I=U/R Pl. U=12 V R=500 Ohm 12/500 = 0.024 = 24mA (ebben az esetben 100mA tranzisztor bőven jó).
Ha nem akarsz számolgatni, a 2N3904 meg fog felelni.
Köszönöm szépen.
Közben kicsit áttervezem a régi UV lámpámat is, abba is elkél ez a kapcsolás. Mindent egy nyákra ültetek át, nagyjából az újjal is ezt tervezem, bár ott a fénycső elektronika marad a saját nyáklemezén. Akit érdekel felrakom ide a nyáktervet Sprint Layout-ban, ez kissé még nyers, biztos hibáztam is itt-ott a tervezésnél, de majd kijavítom. Az elgondolás az volt hogy rakok bele akkuőrt, mikrofon csatlakozót a töltéshez, DC tápcsatlakozót ha esetleg dugasztápról szeretném meghajtani, és egy 4x3-as tárcsás kapcsolót amivel bekapcsolom a lámpát, illetve átváltok a töltés módba. Lehet kicsit túl is bonyolítottam. |
Bejelentkezés
Hirdetés |
















