Fórum témák

» Több friss téma
Fórum » Rotary encoder, inkrementális jeladó
Lapozás: OK   9 / 11
(#) Kicsa válasza CHZ hozzászólására (») Okt 10, 2019 /
 
Szia,kérnék egy kis segítséget a nyák tervvel kapcsolatban,nem egyértelmű sajnos a lábkiosztás.
Saját nyákot szeretnék tervezni,mivel 2 ilyen áramkör kapna helyet egymás mellett,és az enkódereket is ez a panel tartaná. Az IC adatlapja alapján elkezdtem feliratozni a kapcsolási rajzon a lábakat,de a végén nem akar kijönni a matek.
Az első rész az IC első két logikai kapuja,itt a nyák-terv alapján sikerült a beazonosítás.

Ott akadtam el,hogy a Nyák terv szerint a 3+5-ös láb össze van kötve és megy a 8-as lábra.
A 2-es pedig a 4-essel,ami pedig a 12-re megy.
Kizárásos alapon a 12-es bemenetnek a párja a 13-as bemenet,ami a rajz szerint az 1-es lábra lenne kötve,a nyák terven viszont az 1-es a 9-esre van kötve.

Nincs olyan nagy tapasztalatom a logikai áramkörökkel sajnos,nem jövök rá a turpisságra,mit is néztem el.

Felrakok egy képet,hogy meddig jutottam,szerintem idáig a beazonosítás rendben van.

Köszönöm szépen előre is!
(#) CHZ válasza Kicsa hozzászólására (») Okt 10, 2019 /
 
Ezen a nyákterven jobban látható minden összekötés.
(#) Kicsa válasza CHZ hozzászólására (») Okt 11, 2019 /
 
Köszönöm szépen,de a kérdésem sajnos továbbra is áll. Nem értem azt az összekötést,amit leírtam,hogy mi-hova megy. Olyan,mintha a kapcsolási rajz és a nyák rajz nem egyezne. De mivel működik szépen a dolog,én hibázok. De nem jövök rá,hogy hol.
(#) CHZ válasza Kicsa hozzászólására (») Okt 11, 2019 /
 
Nem számoztam az IC kivezetéseit a rajzon, ez ne zavarjon.
Nyákterv szerint biztos működik, ezt használd a paneled tervezéséhez.
(#) Orbán József válasza Kicsa hozzászólására (») Okt 11, 2019 / 1
 
Hátha segít:

4093.JPG
    
(#) (Felhasználó 122012) válasza Kicsa hozzászólására (») Okt 12, 2019 /
 
Rossz a számozás, vagy rossz a kapcsolási rajz!
A hozzászólás módosítva: Okt 12, 2019
(#) CHZ válasza (Felhasználó 122012) hozzászólására (») Okt 12, 2019 /
 
Nem rossz, több példányban megépítve működik!
(#) (Felhasználó 122012) válasza CHZ hozzászólására (») Okt 12, 2019 /
 
https://www.hobbielektronika.hu/forum/topic_post_2298910.html#2298910 kapcsolás szerint rossz a nyák rajz
https://www.hobbielektronika.hu/forum/topic_post_2298914.html#2298914 én erre reagáltam!
A hozzászólás módosítva: Okt 12, 2019
(#) CHZ válasza (Felhasználó 122012) hozzászólására (») Okt 12, 2019 /
 
Rajzon én nem számoztam az IC kivezetéseit, Kicsa számozta! Nyákterv jó!
(#) CHZ válasza (Felhasználó 122012) hozzászólására (») Okt 12, 2019 /
 
Nem számozom. Lényeg, azt a nyáktervet használom, barátom is megépítette nála is működik.
(#) (Felhasználó 122012) válasza CHZ hozzászólására (») Okt 12, 2019 /
 
Ez a nyák terv
https://www.hobbielektronika.hu/forum/topic_post_2298914.html#2298914

nem ugyanez, mint ez a nyákterv, és ebből adódik szerintem a probléma
https://www.hobbielektronika.hu/forum/topic_post_2296689.html#2296689
(#) CHZ válasza (Felhasználó 122012) hozzászólására (») Okt 12, 2019 /
 
Fentebb említettem:
Idézet:
„Nyákterv szerint biztos működik, ezt használd a paneled tervezéséhez.”
Ha át akarja tervezni megteheti nyákterv alapján is.
(#) (Felhasználó 122012) válasza CHZ hozzászólására (») Okt 12, 2019 /
 
Ok! Akkor beszámozom e panelterv alapján a ugyanitt közzétett rajzot. És
ide felteszem.
https://www.hobbielektronika.hu/forum/topic_post_2296689.html#2296689
A hozzászólás módosítva: Okt 12, 2019
(#) CHZ válasza (Felhasználó 122012) hozzászólására (») Okt 12, 2019 /
 
Köszönöm, segíthet az áttervezésében.
(#) (Felhasználó 122012) válasza CHZ hozzászólására (») Okt 12, 2019 /
 
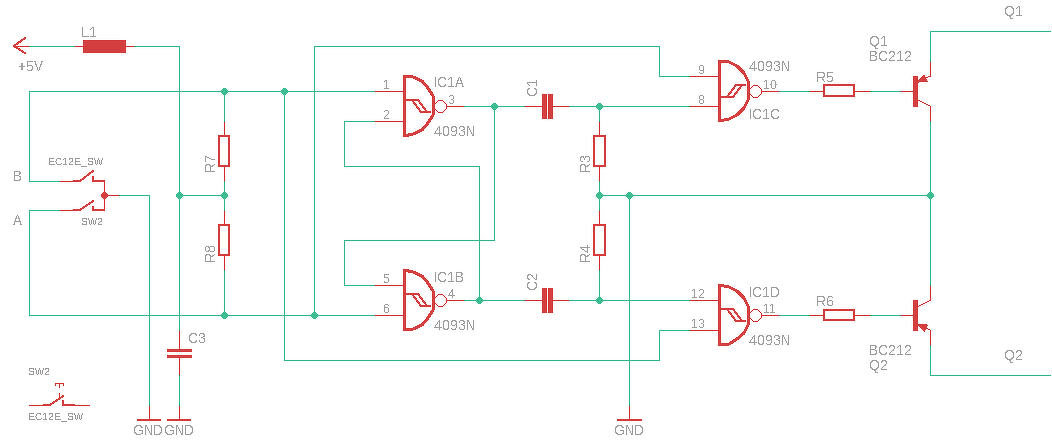
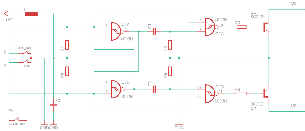
Ez az eredeti rajz: Encoder_2.png
Ez pedig a nyák terved szerinti visszarajzolt: Encoder_1.png
Melyik kapcsolási rajz a jó!
Szerintem az Encoder_2.png
A hozzászólás módosítva: Okt 12, 2019
(#) CHZ válasza (Felhasználó 122012) hozzászólására (») Okt 12, 2019 /
 
Az áramkört próbanyákon kísérletezte ki, majd nyákot terveztem hozzá, elvi rajzát ebből rajzoltam vissza. Nyákterv szerinti kapcsolást használom.
(#) CHZ válasza (Felhasználó 122012) hozzászólására (») Okt 12, 2019 /
 
Régebben csináltam, közben eszembe jutott, két variációt is próbáltam. Az elsőt rajzoltam le, később módosítottam, ez van a végleges nyákterven.
(#) (Felhasználó 122012) válasza CHZ hozzászólására (») Okt 12, 2019 /
 
Akkor ezek szerint az Encoder_1.png a helyes rajz?
Ebben a topicban ez hasonlít rá:
https://www.hobbielektronika.hu/forum/topic_post_1457957.html#1457957
(#) CHZ válasza (Felhasználó 122012) hozzászólására (») Okt 12, 2019 /
 
Úgy emlékszem az a megoldás nálam nem volt stabil, érzékeny volt, ezért alakítottam át a nyákterv szerinti megoldásra.
(#) (Felhasználó 122012) válasza CHZ hozzászólására (») Okt 12, 2019 /
 
"Kicsa" is ezt próbálta elmagyarázni - https://www.hobbielektronika.hu/forum/topic_post_2298910.html#2298910 - én is próbáltam megmagyarázni
Idézet:
„Rossz a számozás, vagy rossz a kapcsolási rajz!”
, tehát végül is rossz a kapcsolási rajz a nyáktervhez képest, amit feltettél.
https://www.hobbielektronika.hu/forum/topic_post_2296689.html#2296689
Ennyi lett volna csak, és megspóroljuk az elvesztegetett időt.
(#) CHZ válasza (Felhasználó 122012) hozzászólására (») Okt 12, 2019 /
 
Ez így van, szerintem is túltárgyaltuk. Ezért említettem, hogy a nyákterv szerint működik nálam, azt használja. Ha a rajz szerint próbálja az is jó, nekem a másik verzió jobban funkcionált.
(#) Kicsa válasza CHZ hozzászólására (») Okt 13, 2019 /
 
Köszönöm szépen mindkettőtöknek az információkat és hogy segítetek!
A nyák terv alapján tervezem újra a panelt,dupla kialakításban.
Elkezdtem a forgó jeladó lábainak beazonosítását és elkezdem a nyák megtervezését is.
(#) Kicsa válasza Kicsa hozzászólására (») Okt 23, 2019 /
 
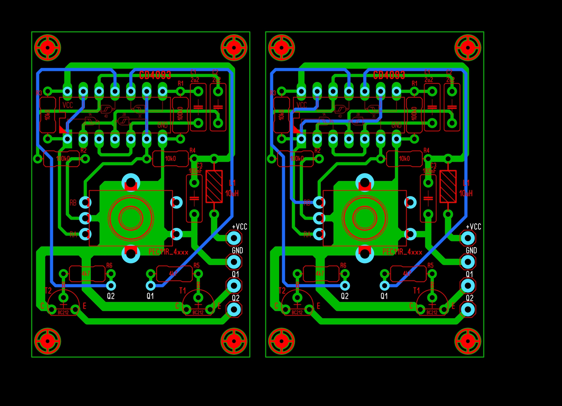
Elkészültem a Nyák tervvel,megosztom én is,hátha valakinek jól fog jönni még.
SP 5.0-val készült.
2 csatorna van rajta kialakítva,egy áramkör tervezve,mellé másolva a 2. szett és a bejövő tápvezetékek közösítve lettek.
A nyák jobb oldalán van egy USB Gnd közösítő,ez más célt szolgál,nincs köze az áramkörhöz.

Köszönöm szépen mindenkinek a segítséget,a nyák gyártás-beültetés és élesztés után jelentkezem az eredménnyel!
(#) elektrorudi hozzászólása Ápr 18, 2020 /
 
Jó reggelt Urak!
Vettem egy Kübler 05.2400.1222.0360 típusú jeladót.
A problémám az, hogy ahogy a tengelyt megforgatom, olyan érzésem van, mintha mechanikusan arretálna! Olyan érzés, mint az egér görgőjének mozgatása, vagy amikor egy játék DC motor tengelyét forgatod és érzed a mágnes ellenállását. Vagy amikor egy kikopott, rossz, félig beállt csapágyat forgatsz, és akadozva jár. Vagy mintha nem lenne gömbölyű a csapágygolyó a csapágyban. Ez különösen irányváltáskor érezhető, de egy irányba forgatva is kb. 5-10 fokonként érzek egy bizonyos ellenállást.
A kérdésem az, hogy ez normális-e? (eddig nem volt a kezemben inkrementális jeladó, nincs viszonyítási alapom) Úgy gondolom, hogy ennek teljesen simán kellene forognia, hiszen csak egy optikai tárcsát forgat a tengely.
Nem akarok bolondot csinálni magamból, hogy oktalanul reklamálok, (ráadásul hetekig is eltarthat mire "kivizsgálják" a reklamációt) ezért kérdezek előbb hozzáértő szakikat.
Előre is köszönöm a válaszokat.
(#) Peter65 válasza elektrorudi hozzászólására (») Ápr 18, 2020 /
 
Jó reggelt!
Jól gondolod, teljesen simán kell forognia. "Ellenállása" lehet, azaz bizonyos erőt igényelhet a forgatáshoz, különösen ha van benne szimering, vagy egyéb tömítés, de nem "döcöghet" forgatáskor. Ha egy kicsit hozzáértő a kereskedő, el kell fogadnia a reklamációt.
(#) bbalazs_ válasza elektrorudi hozzászólására (») Ápr 18, 2020 /
 
Nem biztos. De mindenképpen szabályosan kell akadnia, mintha egy recés tárcsát vagy az egér görgőjét forgatnád. Ha szabálytalan (időnként megindul, utána meg akad) akkor jogos lehet.
Nem ismerem ezt az alkatrészt, de esetleg egy sima hullámos műanyag tárcsa lehet benne, annak vagy egy golyó vagy rosszabb esetben egy műanyag fog akad neki. Azért van, hogy érzésre, mondjuk sötétben is érezd, nagyjából mennyit tekertél.
(#) Peter65 válasza bbalazs_ hozzászólására (») Ápr 18, 2020 /
 
Szerintem nézd meg előbb az adatlapját, mielőtt ilyeneket írsz, főleg, ha nem ismered.
Ez egy optikai elvű inkrementális jeladó, semmilyen hullámos tárcsa, szabadon lévő golyó, fog, stb. nincs benne.
(#) Bakman válasza elektrorudi hozzászólására (») Ápr 18, 2020 /
 
Lehet, hogy megütötték a tengelyét és a cspágyazás látta a kárát. Ha tudod, kösd össze egy motorral és jársd meg kicsit, megeshet, hogy a csapágyakban lévő kenőanyag keményedett meg egy kicsit.
(#) bbalazs_ válasza Peter65 hozzászólására (») Ápr 18, 2020 /
 
Nem ismertem, csak általánosságban írtam. Valóban, nagy sebességű, nem kézi. Bocsánat.
(#) amex hozzászólása Jún 10, 2021 /
 
Udv Mindenkinek!

Szeretnek segitseget kerni linearis elmozdulasmero epitesehez rotary encoder segitsegevel.
Webshopokban ugye kaphato az encoder es a kijelzo is tobb gyartotol.
De nem egyertelmu hogy az encoderekne mi az elfordulasi erteke es mertekegysege?

Egy olyan eszkozt szeretnek epiteni ami kepes mérni 0,01mm-es elmozdulast. Oly modon, hogy a jeladot rogzitenem egy motor hajtotta sinen mozgo alkatreszre es azt kell lemernem hogy mennyi a valos elmozdulas. Viszont ket esetleg 3 tizedes pontossagban.

Keszen is lehet ezeket kapni de azok legkisebb meresi erteke 10mm.

Ha valaki tudja, hogy ehhez milyen erteku encoder kell, illetve hogy egyaltalan megvalosithato e az elkepzeles esetleg mi kell hozza pontosan kerem irjon. Koszi.
Következő: »»   9 / 11
Bejelentkezés

Belépés

Hirdetés
XDT.hu
Az oldalon sütiket használunk a helyes működéshez. Bővebb információt az adatvédelmi szabályzatban olvashatsz. Megértettem