Fórum témák
» Több friss téma |
Az IC melletti tranyók besegítenek az ICnek, vagy csak stabilizátor?
Üdvözlet az uraknak!
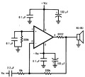
Szeretnék egy sztereó végfokot építeni LM1875-el. Néhány dologban szeretnék segítséget kérni. Csatornánként egy db 47VA-es trafó elegendő? A mellékelt linken lévőre gondoltam: Bővebben: Link Kínából rendelt egységcsomagból építeném, bár valószínűleg a nyákon és talán az IC-n kívül mást nem használnék belőle, a többi alkatrészt inkább megrendelem majd jobb minőségben. A mellékelt kapcsolásról lenne szó. Ezek az alkatrész értékek megfelelőek? Mivel csatornánként nincs két dollár a teljes egységcsomag, így az IC-k eredetiségében sem vagyok 100%-ig biztos? Felismerhető/kimérhető valahogyan hogy eredeti-e? Előre is köszönöm a választ.
Üdv! A trafó teljesítmény rendben.
Bemeneti csatolónak akár fólia kondit is tehetsz, ebből 2,2 µF elegendő Bővebben: Link Elképzelhető, TDA2030A-t találsz a csomagban.
Köszönöm a gyors választ. Biztos ami biztos, beszerzek új IC-t is, a TDA2030 ezzel a táppal elfüstölne (max 36V-ot bír, ha jól láttam).
Szia!
Most mértem a TDA2030 és az LM1875 bemenetei és a tápkivezetések közötti PN átmeneteket. A negatív táp (3) és valamelyik bemenet (1 vagy 2) lábak között egy diódányi átmenet (mérhető. Nyilván a (3) lábra most a pozitív mérőcsúcs kerül. Ebben mind a TDA, mind az LM hasonló. Ám a pozitív táp (5) és valamelyik bemenet (1 vagy 2) között csak az LM1875 esetében mérhető egy diódányi átmenet (negatív mérőcsúcs az (5) lábon. A TDA esetében szakadás van. A TDA2050 is a TDA2030-hoz hasonlóan viselkedik. Talán ez a teszt megmutatja ha netalán átcimkézett az IC.
Én egyszer (és egyben utoljára) rendeltem az Alixpressről TDA2050 -t. Mivel a 2050 elmegy 50 Voltról, ezért először ezzel teszteltem. 48 Voltot kapcsoltam rá és egyből elcsattant. Oké, ez még egy kis szerencsével lehet 2030 is. Második teszt, egy működő 2030-at kiforrasztottam és a helyére tettem. Melegedett, halk és tompa volt. Tehát még csak nem is 2030. Aztán tettem még egy kísérletet, hogy megtudjam mire képes a szerzemény, de sajnos a mérések közben valahogy tönkre ment, így rejtély maradt, hogy mi is lehet a "TDA2050" tok alatt. Maradt még 8
Így, hogy rámutattál, az elvi rajzon is tettenérhető.
Üdv mindenkinek!
Morell kartárs közel egy éve kérdezte, hogy melyik a legjobb hangú kapcsolás... Nem válaszolt senki, most egy kicsit késve megteszem, bár lehet, hogy nyitott ajtókat döngetek sokaknál, vagy evidens dolgot írok. LM1875-ről van tapasztalatom, megosztom: - nem invertáló kapcsolás aszimmetrikus táppal-kicsatoló kondival: gyengébb hangminőség, "hallatszanak" a kondik, kevés mélyhang, sok magas (torzítás?), énekhangnál és bizonyos hangszereknél (harmonika, klarinét, trombita, stb.) hallható torzítások (TIM?) - nem invertáló kapcsolás szimmetrikus táppal: jobb hangminőség, kicsit több, de még mindig kevés mélyhang, sok magas (torzítás?), énekhangnál és bizonyos hangszereknél (harmonika, klarinét, trombita, stb.) hallható torzítások (TIM?) - nem invertáló kapcsolás szimmetrikus táppal-visszacsatoló kör kondi nélkül (egy kis trükkel): jobb hangminőség, egész normális mennyiségű és minőségű mélyhangok, sok magas (torzítás?), énekhangnál és bizonyos hangszereknél (harmonika, klarinét, trombita, stb.) még mindig hallható torzítások (TIM?) - nem invertáló "áramvisszacsatolt" (current feedback) kapcsolás szimmetrikus táppal: borzalmas hangminőség, a hangfal hangváltójának impedanciája beleszól a visszacsatolásba, nekem a Braun hangfalakkal szinte csak a középfrekvenciákat lehetett hallani, azt is visszhangosan, élvezhetetlen. NEM AJÁNLOM KIPRÓBÁLNI! - invertáló kapcsolás szimmetrikus táppal: eddigi legjobb hangminőség, dinamikus mélyek, a túlzó magastartomány is eltűnt, a hangkép tisztábbá, harmonikusabbá vált, énekhangnál és bizonyos hangszereknél (harmonika, klarinét, trombita, stb.) hallható torzítások (TIM?) is eltűntek, vagy a hallhatóság határának környékére csökkentek. Megjött a lelke a zenének, kevésbé "tranzisztoros" és fárasztó hangzás, sokkal melegebben, szebben szól. Olyan, mintha a zenészek a hangfalból beköltöztek volna a szobába... MINDENKINEK EZT AJÁNLOM! Nem kell elé buffer(!), ma már mindegyik CD-lejátszó stb. képes gond nélkül 5-10 kOhm-os bemeneti impedanciájú erősítőt meghajtani. Nálam a csatolt invertáló rajzon szereplő visszacsatolás: 12k - 270k (ezzel párhuzamosan 8,2pF kondi). Bemeneti csatoló kondi 4,7µF (WIMA), előtte egy 10kOhm hangerőszabályzó potméter (ezzel párhuzamosan 470pF, ami a rádiófrekis zavarokat és a túl magas frekvenciákat szűri). A kimeneti 0,22 Ohmos ellenállást elhagytam. Én sokáig nem hittem el, hogy az invertáló kapcsolás annyival szebben szól a nem invertáló kapcsoláshoz képest, évekig ezért nem is foglalkoztam vele. Egyszer olvastam egy írást, hogy azért szól szebben, mert a visszacsatolást az erősítőn kívül oldja meg a két ellenállás és itt (az invertáló bemeneten) kapja meg a bemeneti jelet is. Míg a nem invertálónál a visszacsatolásban részt vesz az előfokozat differenciálerősítője, ami plusz torzítást visz bele. Ez elgondolkoztatott és kipróbáltam az invertáló kapcsolást. Meggyőzött! Érdemes kipróbálni, közvetlenül összehasonlítva egy nem invertálóval; szerintem nem csalódtok. Jó próbálkozást és sok sikert kívánok! A kínai IC-ket felejtsétek el, vegyetek megbízható forrásból eredetit! Logosz U.i.: A kinaiak úgy gondolják, hogy nincs Isten, ezért nincs Törvény és nem lesz számonkérés sem, így azt gondolják, bármit megtehetnek (hazudhatnak, átverhetnek stb.) Sajnos tévednek! "Amit akartok, hogy tegyenek veletek az emberek, azt tegyétek ti is az emberekkel." - tanítja Jézus
Megjöttek az egységcsomagok kínából. Nem okozott meglepetést, a mérés alapján hamis végfokokat küldtek. Mondjuk már a külsejükön is látszott, van rajtuk két félkör alakú bemélyedés, mint a TDA-kon. A mellékelt rajzon +- 25V tápfeszültséget tüntettek fel, így talán 2050-t raktak bele, bár ezek után már semmi nem biztos. Majd kerítek belföldről IC-ket.
Érdekes, egy időben bontott IC-ket adtak az egységcsomagba, (bár ezt legalább közölték is).Gondolom mostanra már elfogytak a bontott IC-k....
Sziasztok!
Két darab LM4766-ból tervezek erősítőt építeni. Az adatlapról nézve a teljesítmény 8ohm-nál +-30V 2x 40W, hőleadás durván 50W-os. Vagyis a kettőnek elég lehet egy 250VA-as trafó? A másik, hogy pár +-V különbség és sokat változik a Watt leadása. Én 20V-os trafóra gondoltam aminek a tápja 28-29V-ot adhat le. Mert ha jól látom ennek az IC-nek nem szabad +-30V-nál többet adni. Vagy esetleg érdemes stab tápot építeni? Üdv.
Szia.
Az adatlap alapján úgy 4,7V dropfeszültséggel számolhatsz 2x30V táplálással. Ez azt jelenti, hogy ~25V csúcs jut a 8Ohm-os terhelésre. 25/1,41=17,7Vrms. 17,72/8=40W =>Irms=40/17,7=2,3A. Szinuszos terhelésre egy 170VA-es transzformátorra lesz szükséged ami rms 2,3A terheléssel bír. De, ha zenei teljesítményben gondolkodsz, akkor a harmada vagy tizede is elég. Viszont kicsi túlméretezés meg belefér, főleg, hogy a hangsugárzók impedanciamenete sem statikusan 8Ohm. Tehát zenei teljesítményre elég lehet 60-100VA is. A transzformátorok rendkívül jól bírják a túlterhelést, de a feszültségesésükkel számolj. 2x37V az elméleti maximum, de 2x30V-ot javasol hozzá max. Vagyis ez azt is jelenti, hogy üzemeltetheted 2x30V-ról biztonságosan, nem fog tönkremenni. Stabilizálást neked kell eldöntened, hogy akarod e.
Szia.
Köszönöm a részletes választ! Ha nem haragszol még megkérdezném, hogy egy 160VA-s trafóból mekkora feszültségűt érdemes rendelni?
Az alkalmazott tápegységtől függ. Hogy mekkora transzformátornak mekkora a feszültségesése adott terhelésnél azt egy transzformátorokkal több tapasztalattal rendelkezőtöl kellene megkérdezni. Mondtak már nekem gyakorlati alapon 1,3-mas szorzót az 1,41 helyett, meg 7%-ot feszültsegesésre. De inkább valakit varj meg még kijavít engem, vagy a transzformátoros topikba ugorj be.
Szia!
Ehhez az ic-hez 2x21V-os transzformátort javaslok. Szerintem 120W-os trafó is megfelel, mivel +-30V-os tápfeszültségből nem fog 40W kijönni 8Ω-ra.
Szia!
Köszönöm a választ! Azért gondoltam 160VA-ra mert ahol kinéztem a rendeléshez alatta csak a 100VA-as van, és csak kicsivel drágább. Esetleg van értelme növelni a kimeneten az ohm-ot, mármint a hangszórónak? Mert a 8Ω-os hangszóró minimum szintje 7Ω. A hozzászólás módosítva: Feb 6, 2020
Az adatlap szerint 3A-es kimenő áram mellett lép fel az áramkorlátozás. Ez 3x7=21V csúcsfeszültséget jelent 7Ω terhelés mellett, ami sajnos okozhat problémát. Inkább a tápfeszültség csökkentését javaslom +-24V-ra. A +-24V terhelésre esni fog néhány voltot, így biztosan nem lép fel az áramkorlátozás.
A hozzászólás módosítva: Feb 7, 2020
Köszönöm, hogy felhívtad rá a figyelmem! Így már tudok számolni is, a Te meg gordonfreemN példái alapján.
Csak azért jutott eszembe az ohm emelése, mert javulhat a torzítás. Bár lehet, hogy fülel nem is halható különbség.
Szia! Ha egy IC-s végerősítőt optimálisan szeretnénk működtetni, akkor a megengedett legnagyobb tápfeszültség 2/3-át érdemes megcéloznunk. Adatlap szerint az érték 74 V, ami szimmetrikus táp esetén ±37 V-tal egyenértékű. Ennek 2/3-a ±24 V, így teljesen egyetértek az előttem szólóval.
Szerk.: 8 Ohm-ra 25-30 W-ot tud majd leadni csatornánként, ezt egy 100 VA-es transzformátor nagyon kényelmesen kiszolgálja. A hozzászólás módosítva: Feb 7, 2020
Köszönöm a választ!
Akkor még jól átgondolom.
Még annyi, hogy az adatlap szerint kisebb torzítással, nagyobb teljesítményre az LM4780-at ajánlanám. (LM4780-al már építettem erősítőt, de a valóságban nem tudtam más LM erősítőkkel összehasonlítani, mert csak ezt próbáltam ki. Össze hasonlítottam viszont 2 általam épített IC-s erősítővel TDA7294-el, RSN3502-vel is, de ezek közül 4780-at hallottam jobbnak.)
A hozzászólás módosítva: Feb 8, 2020
Szia. Miért nem jön ki ~40W 8Ohm-ra 30V-os táppal ebből az IC-ből? Nem azert kérdezem, hogy oly sokat számitana a végeredményben, csak esetleg rosszul olvastam e le valamit az adatlapból, vagy te értelmezted félre.
A hozzászólás módosítva: Feb 8, 2020
A fő ok, hogy már megvettem az IC-ket. Egyébként nagyon szemeztem az LM4780-assal is. De még kezdő vagyok, és nekem túl sűrű a lábkiosztása, a másik hogy ez jóval olcsóbb.
Szia. Az adatlapon olvasható 8Ω/40W 1Khz-n 0,1%-os torzítással érhető el. A torzítás 20Hz - 20Khz frekvenciánál sokkal nagyobb, mint 0,1%, 40W-nál 8Ω terheléssel. Nem véletlen, hogy a gyári készülékek teljesítményét is általában 20Hz-20Khz 0,06%-os torzításhoz specifikálják. Magam is 0,06%-os, de maximálisan 0,1%-os THD-vel számolok 20Hz - 20Khz-en. Ráadásul itt a ±30V terhelt táppal értendő, amihez üresjáratban ~±34V kellene. Szóval az adatlapon leírt 40W nem 40 minőségi watt.
A hozzászólás módosítva: Feb 8, 2020
Teljesen világos, érthető amit mondasz.
Ezentúl ezt is figyelembe veszem magam is. Köszönöm a kiegészítést!
Szia!
Ezt az áramkorlátozást nem értem, mivel az adatlapon 6Ω +-26V-al tesztelték, akkor 3x6=18V az 8V különbség. A másik, hogy a 3A áramkorlátozás csatornánként értendő? Ez a rész az áramkorlátozás?: |
Bejelentkezés
Hirdetés |

















